Code P2442, Secondary Air Injection?

Tiny
SIXTY6GTO
  • MEMBER
  • 2013 TOYOTA TACOMA
  • 4.0L
  • V6
  • 2WD
  • AUTOMATIC
  • 110,000 MILES
I have the vehicle listed above and it was running rough and wasn't accelerating smoothly. I got 4 codes on the OBD II scan. They are: P2442 Secondary Air Injection System Switching Valve Stuck Open Bank 2 (stored), P2442 (same code but shows pending), P2443 Secondary Air Injection System Switching Valve Stuck Closed Bank 2 (pending), P2442 (permanent). I took a look at possibly how the Air Injection System is layed out and I can understand maybe what might be wrong, but I need some guidance, schematics, and diagrams. It has the 1GR-FE V6 engine.
Wednesday, April 30th, 2025 AT 11:22 PM

10 Replies

Tiny
AL514
  • MECHANIC
  • 5,590 POSTS
Hello, so obviously there's two switching valves one for each bank and an air pump, I'll put up the wiring diagrams for them both, each has a pressure switch in them for the control module to detect changes when opening or closing each valve, from the diagrams I'm seeing, each switching valve has a B+ and they share a ground, it looks like the bank switching valve gets power from the control module, whereas bank 2 valve might have its own B+, so those are things to check first, since you're getting a stuck closed code and a stuck open code, which take a number of seconds to set, the valve might be not reacting in time before setting codes or its intermittently sticking.
It also looks like each switching valve has a reference voltage for the pressure sensors which would be logical, a Ref voltage, Signal, and Ground for 3 wire sensors, or 2 wire pressure sensors use a Ref voltage as well, somewhere between 5v and 12v. You will see which wires are B+ and ground, etc, on the diagrams.
Load testing the B+ and Grounds would be the best place to start, using a higher amperage test light, such as a head lamp bulb, turn signal bulb, something that will pull a few amps. Let me get diagrams together for you but check each switching valves connectors for any possible oil or water intrusion, I find oil in these when the valve cover leaks, oil also effects the rubber hoses going to the air pump or valves when that happens as well.
Was this
answer
helpful?
Yes
No
Thursday, May 1st, 2025 AT 10:57 AM
Tiny
KEN L
  • MASTER CERTIFIED MECHANIC
  • 55,322 POSTS
These codes are common when the air switching valve gets stuck or is broken internally, usually the diaphragms will blow out. Here is the location of the valve so you can swap it out and then clear the codes, I would check eBay for one. Check out the images (below). Please let us know what happens.
Was this
answer
helpful?
Yes
No
Thursday, May 1st, 2025 AT 11:00 AM
Tiny
AL514
  • MECHANIC
  • 5,590 POSTS
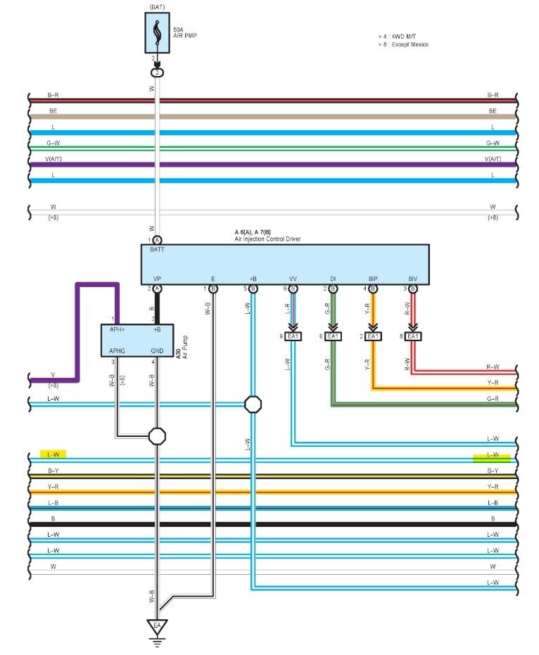
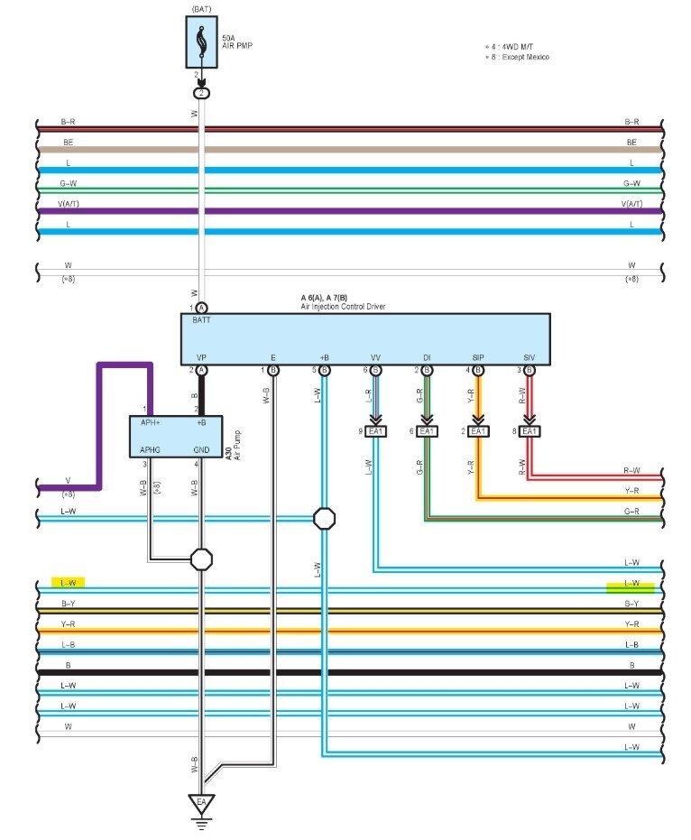
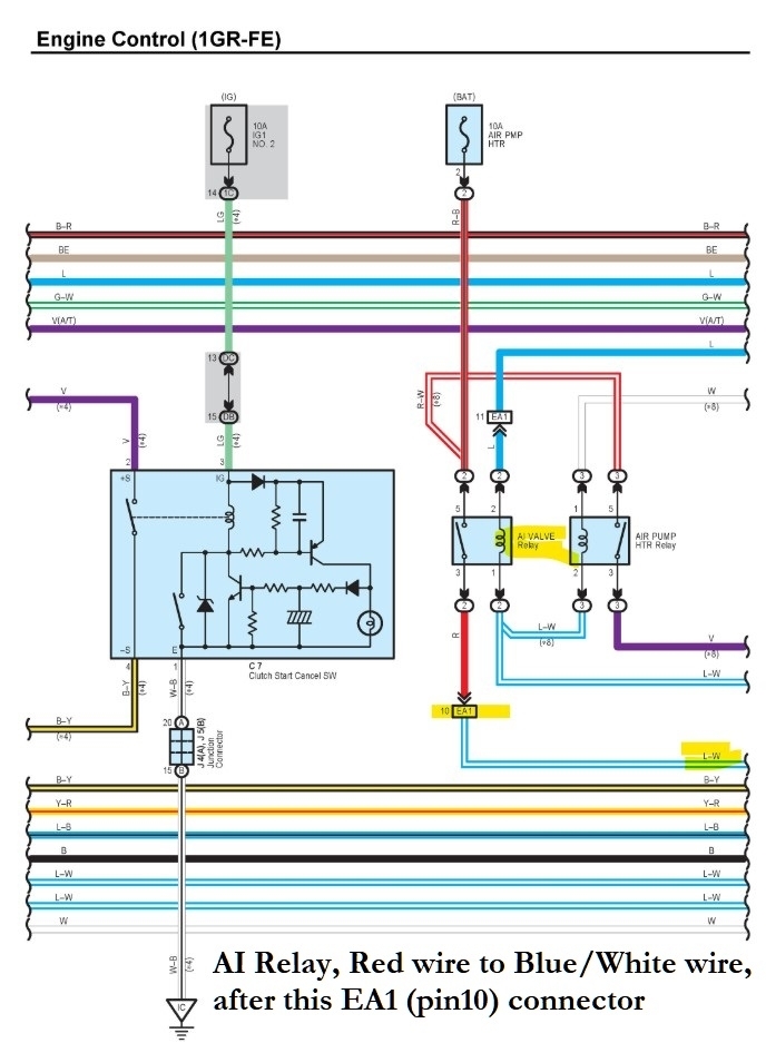
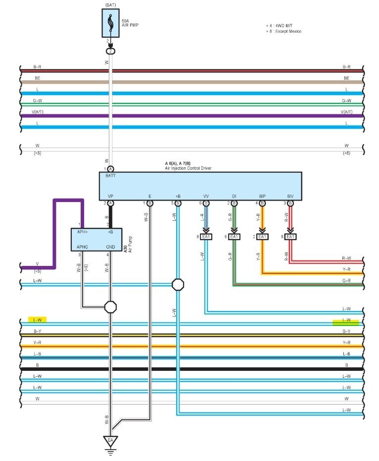
Here are some wiring diagrams and code setting criteria to help with checking your wiring at the connectors, if anything is not the correct color just let us know, these are the aftermarket diagrams but they are more recent, but Ill pull up the OEM wiring if you have different colors at the switching valve connectors.
The higher amperage test lights are used to make sure the power feeds and grounds can carry current. Just notice on Pin 1 of each switching valve is that Ground between the 2 valves, so check the resistance of that wire from one valve to the other and also check for continuity to ground on that wire as well.
Another thing to be aware of is when load testing the Bank 2 B+ wire, so Pin 5, that comes from the AI Relay (diagram 6) is directly fed from a fuse so you can load test that wire without having to worry too much about pulling too many amps through a control module, it is odd that only one switching valve is powered from that relay, so that I will double check with the OEM wiring diagrams that it's really the case. So I'll post that next for you.
Was this
answer
helpful?
Yes
No
Thursday, May 1st, 2025 AT 11:35 AM
Tiny
AL514
  • MECHANIC
  • 5,590 POSTS
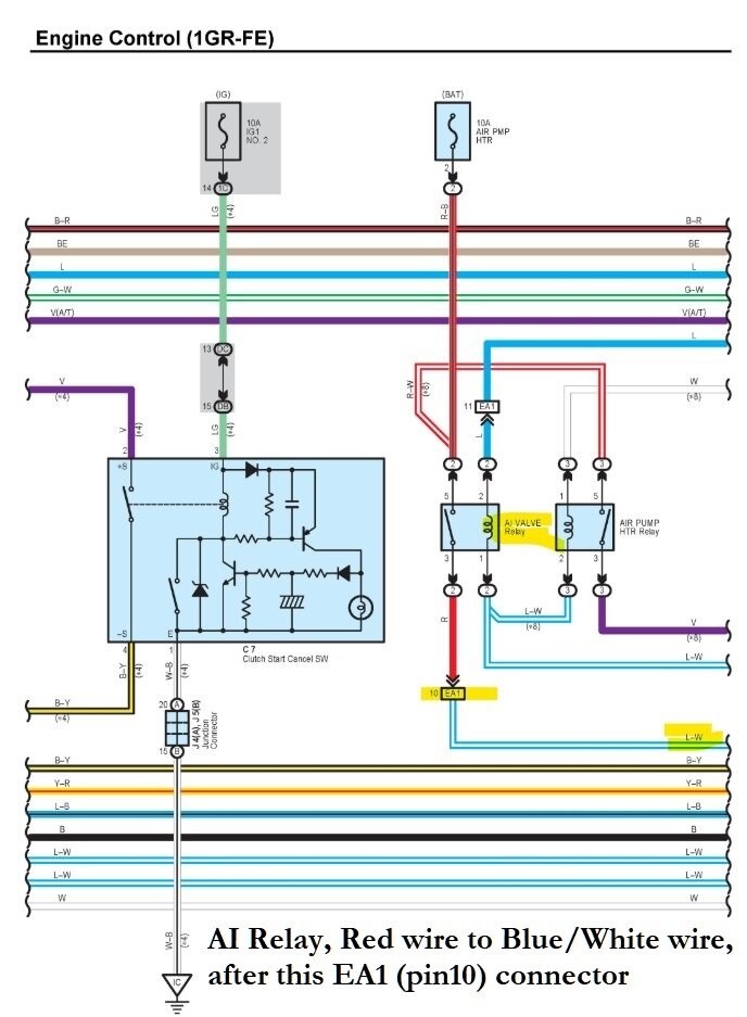
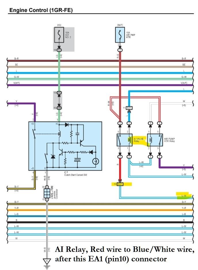
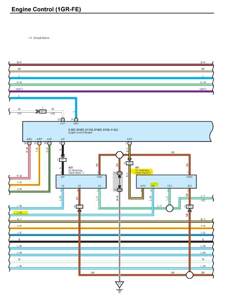
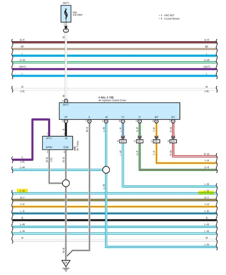
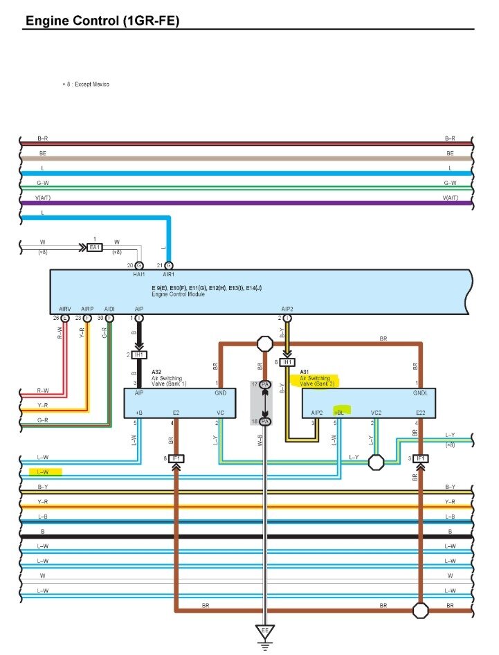
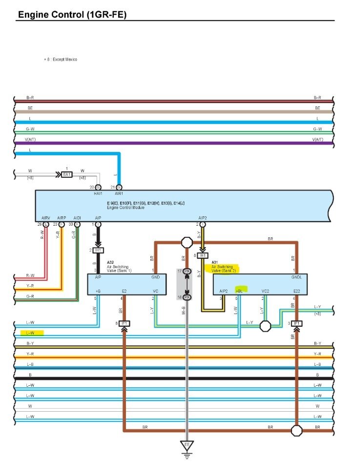
These are the OEM diagrams, apparently, they have power for the Bank 2 switching valve comes from the AI Relay. I'm not sure why they have it setup like this, but it is.
The pinout for the switching valves is correct as well, (diagram 5). Pin 1 being a direct ground can be load tested with a test light. Pin 3 on each is also a signal to the ECM, each does go through a connector IH1 (pin 2 and pin 8), so I'll see if I can locate that as well.
Was this
answer
helpful?
Yes
No
Thursday, May 1st, 2025 AT 11:59 AM
Tiny
AL514
  • MECHANIC
  • 5,590 POSTS
Here are the connector locations for the 3 connectors having to do with the switching valves. Just in case you're missing something at the valve connectors.
Was this
answer
helpful?
Yes
No
Thursday, May 1st, 2025 AT 12:07 PM
Tiny
AL514
  • MECHANIC
  • 5,590 POSTS
I did come across some switching valve specific testing, if you want to basically bench test the valves.
Was this
answer
helpful?
Yes
No
Thursday, May 1st, 2025 AT 12:15 PM
Tiny
SIXTY6GTO
  • MEMBER
  • 109 POSTS
Thank you all for the info. Can you supply me with the OEM manual procedure to remove the switching valve assembly please?
Was this
answer
helpful?
Yes
No
Friday, May 2nd, 2025 AT 5:42 PM
Tiny
KEN L
  • MASTER CERTIFIED MECHANIC
  • 55,322 POSTS
Sure, here is how to remove the air diverter valve so you can install a new one. Check out the images (below). Let us know if you need anything else.
Was this
answer
helpful?
Yes
No
Saturday, May 3rd, 2025 AT 12:11 PM
Tiny
SIXTY6GTO
  • MEMBER
  • 109 POSTS
I changed out the valve's whole assembly with genuine Toyota parts from an Ebay seller which included a filter for the air pump and new cover. Cleared the codes since the negative cable was removed and drove the truck twice. No check engine light on. I will wait for a few more drives to verify the codes are gone. So far so good. I will respond back again once I check for codes with the scanner again to see if everything is cleared and back to normal. The parts were approximately $400.
Was this
answer
helpful?
Yes
No
Thursday, May 8th, 2025 AT 10:44 PM
Tiny
KEN L
  • MASTER CERTIFIED MECHANIC
  • 55,322 POSTS
Good job! Yep, I say the truck needs to run for two weeks to deem the repair successful. Let me know how it goes have a good weekend!
Was this
answer
helpful?
Yes
No
Saturday, May 10th, 2025 AT 11:26 AM

Please login or register to post a reply.