Code P0776, pressure control solenoid B performance or stuck closed?

Tiny
DSANDOVAL80
  • MEMBER
  • 2014 NISSAN ALTIMA
  • 2.4L
  • 4 CYL
  • 2WD
  • AUTOMATIC
  • 129,567 MILES
How do I replace and where is it located?
Friday, September 16th, 2022 AT 9:22 AM

1 Reply

Tiny
KEN L
  • MASTER CERTIFIED MECHANIC
  • 55,127 POSTS
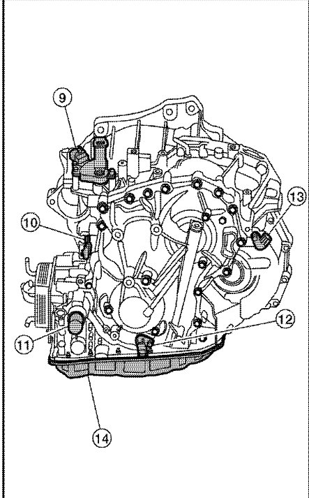
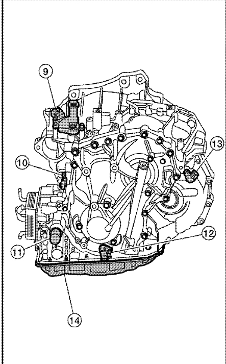
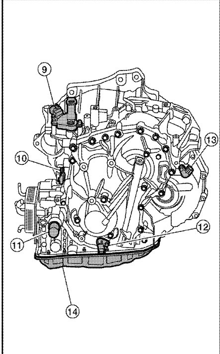
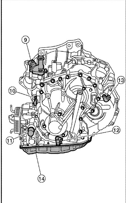
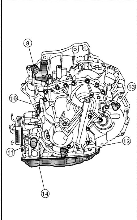
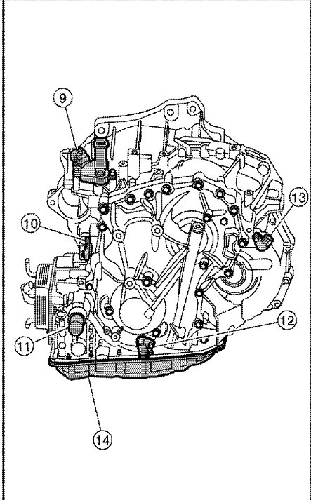
The pressure regulating control solenoid is inside the fluid pan and it has an orange wire going to it. You will need to drop the pan to change it out. Here is what they show in the images below on how to change it out. Check out the images (below). Please let us know if you need anything else to get the problem fixed.
Was this
answer
helpful?
Yes
No
+2
Friday, September 16th, 2022 AT 1:07 PM

Please login or register to post a reply.