Code P0742, what next?

Tiny
KINGJD123
  • MEMBER
  • 2010 GMC TERRAIN
  • 2.4L
  • 4 CYL
  • 4WD
  • AUTOMATIC
  • 130,000 MILES
I got this p0742 code what next?
Tuesday, September 12th, 2023 AT 7:27 PM

1 Reply

Tiny
KEN L
  • MASTER CERTIFIED MECHANIC
  • 55,244 POSTS
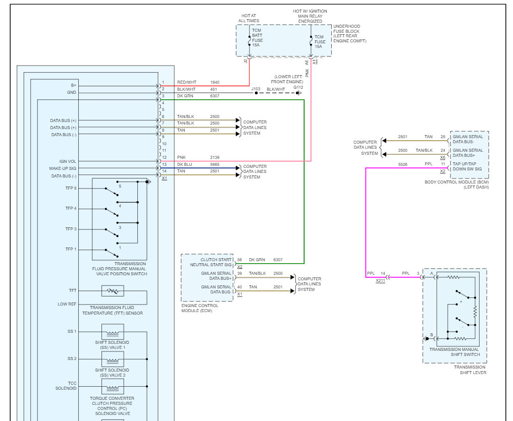
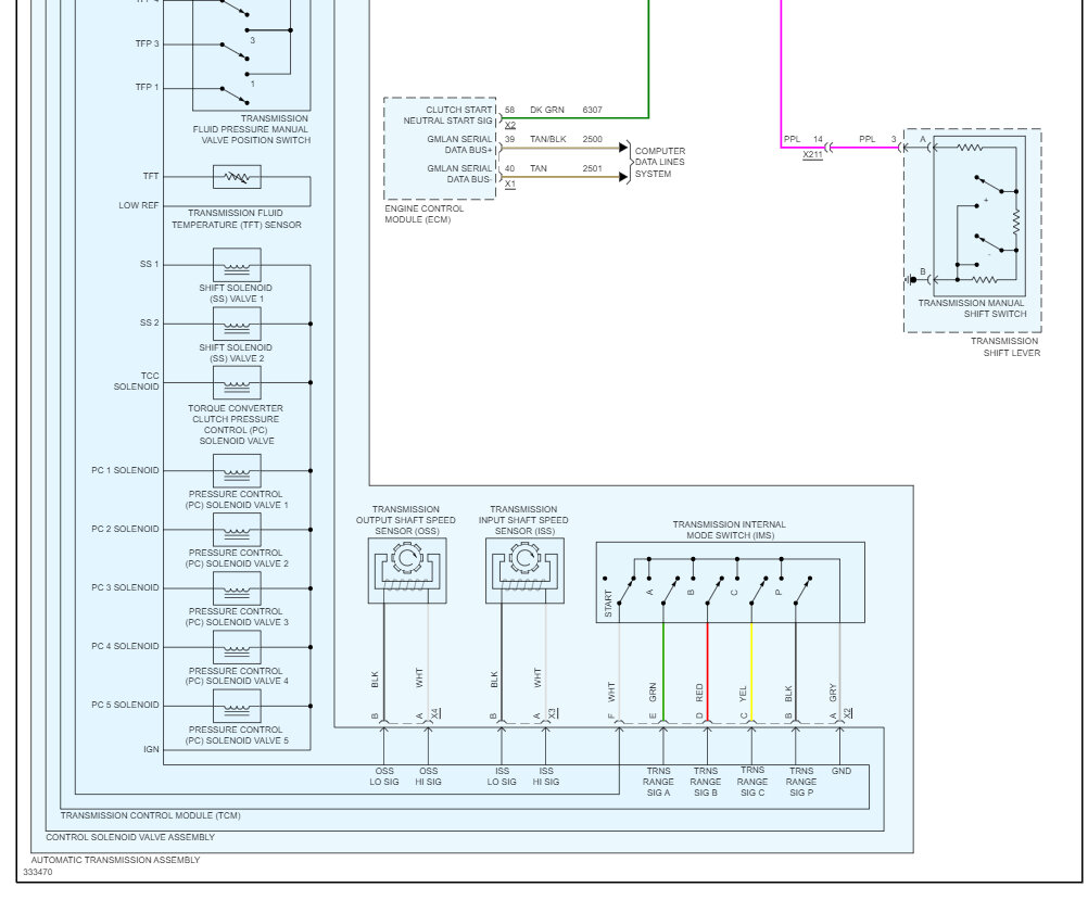
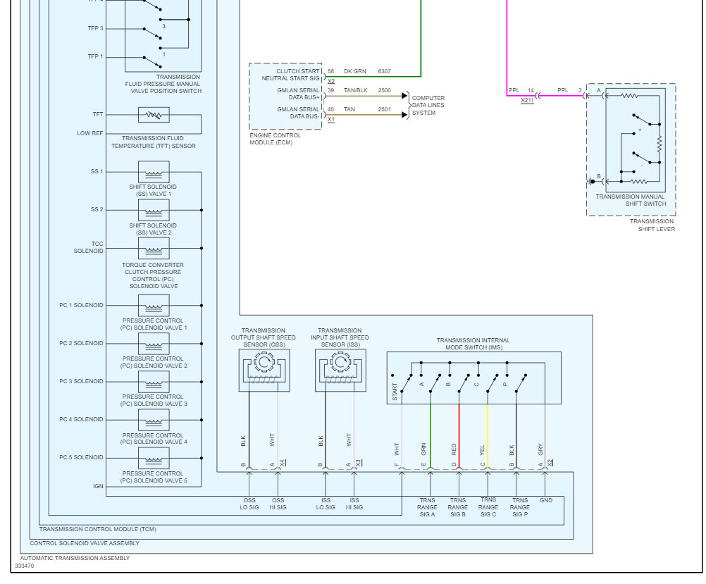
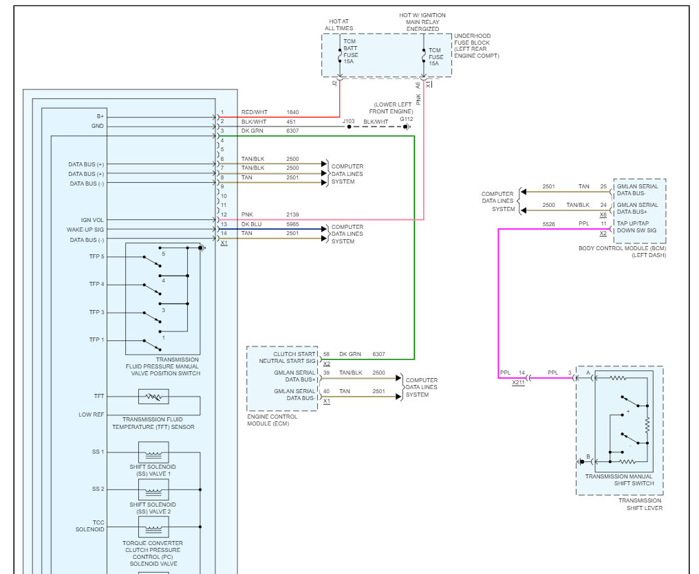
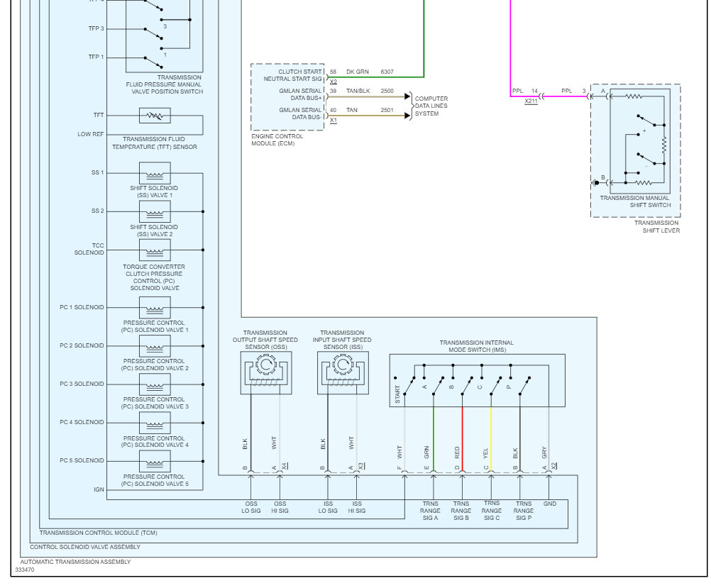
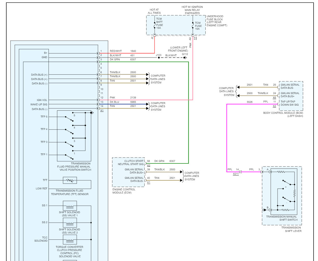
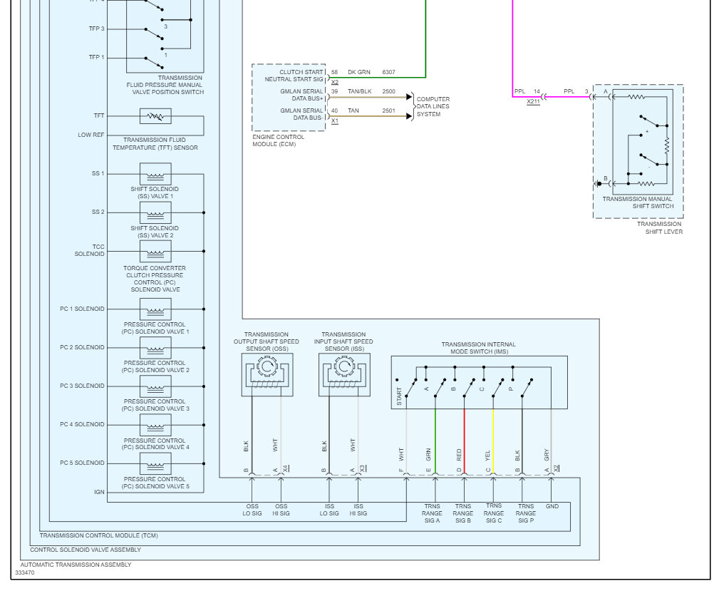
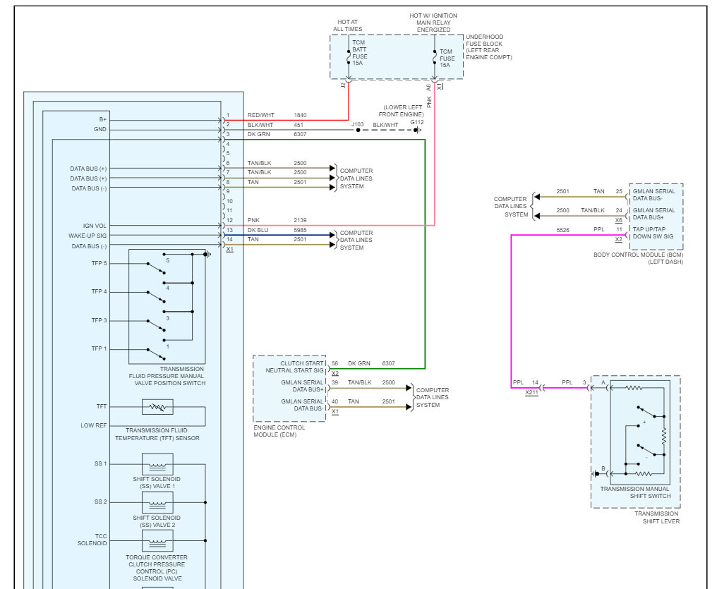
The P0742 trouble code is related the Torque Converter Clutch (TCC) Solenoid Circuit. Here is how to change it out to fix the problem, please clear the codes when completed. You will need to remove the transmission side fluid pan. Check out the images (below). Please let us know what happens.
Was this
answer
helpful?
Yes
No
Wednesday, September 13th, 2023 AT 11:22 AM

Please login or register to post a reply.