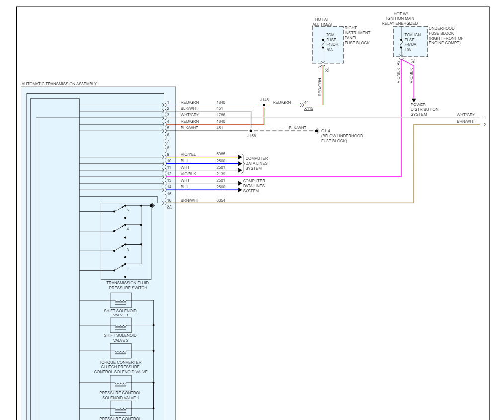
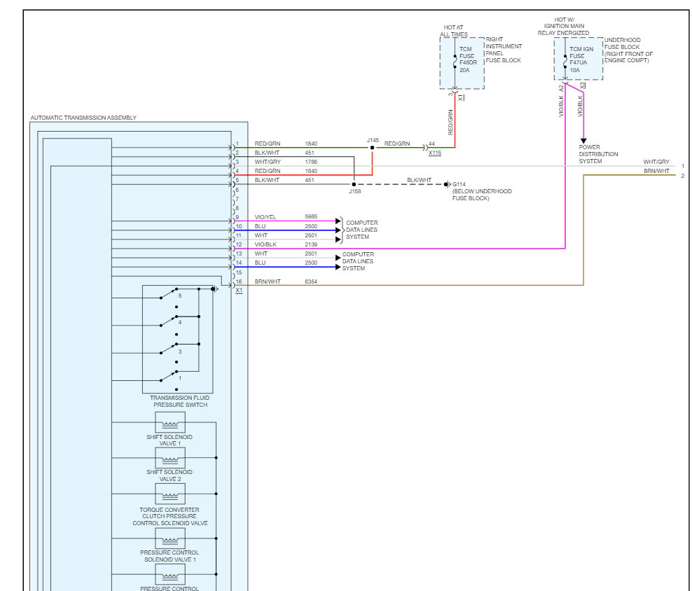
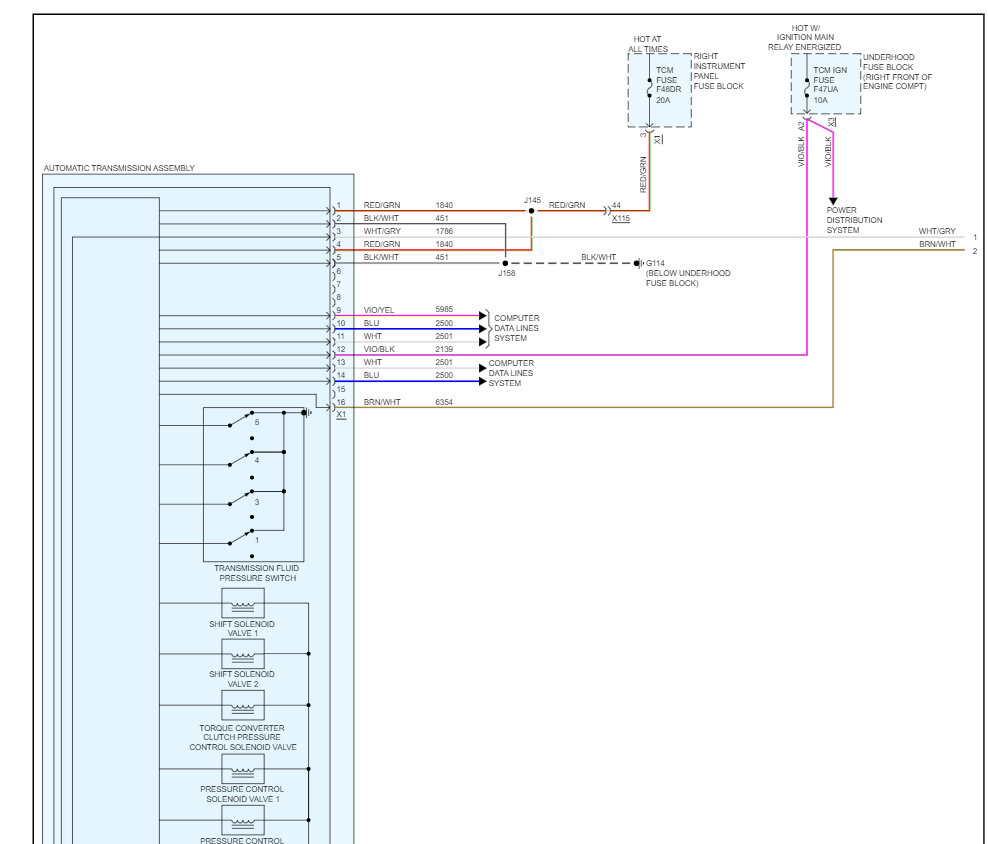
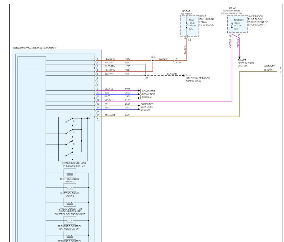
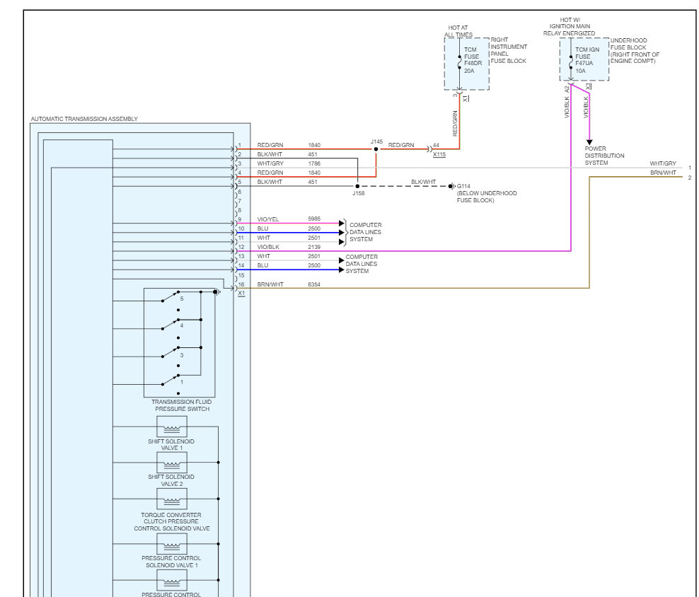
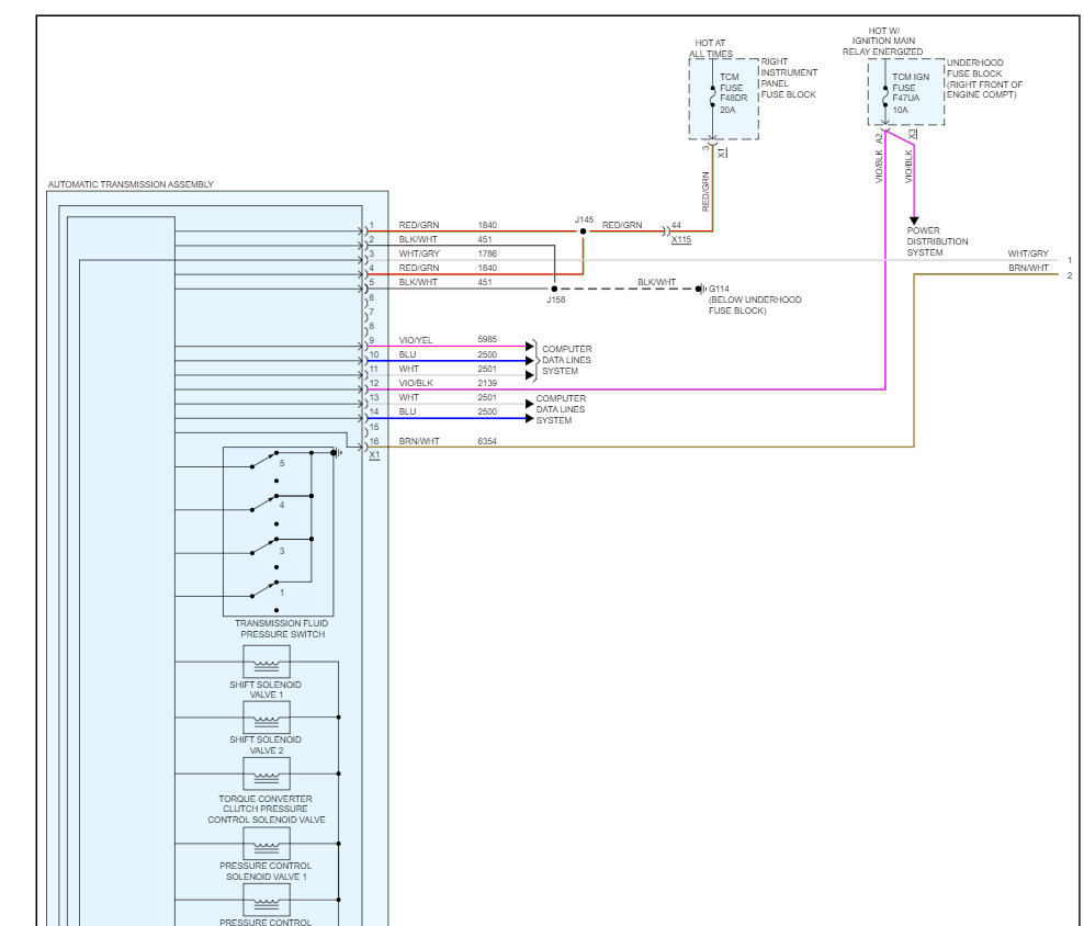
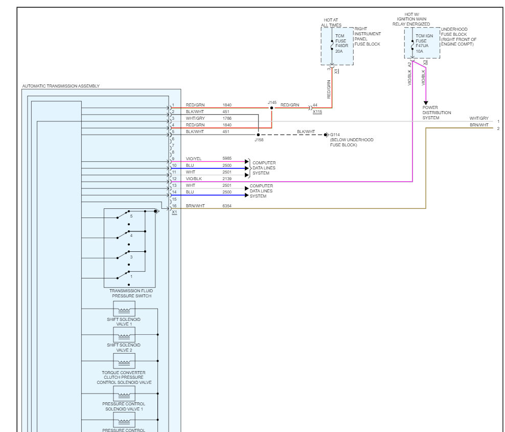
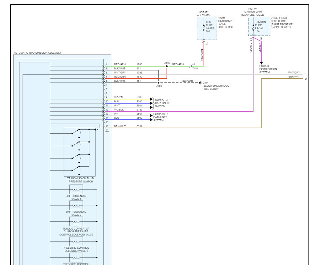
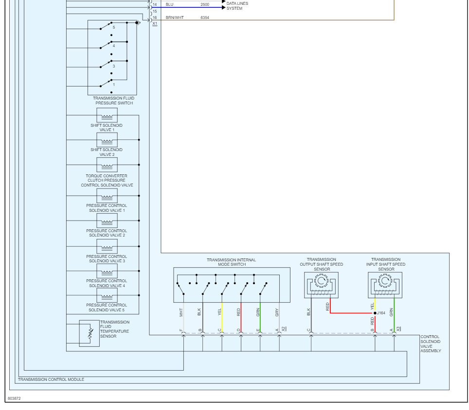
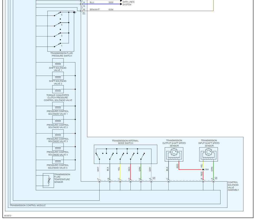
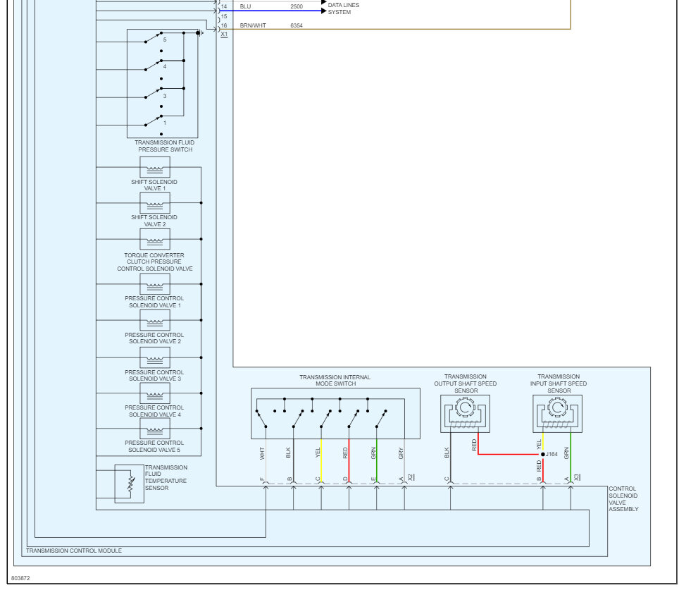
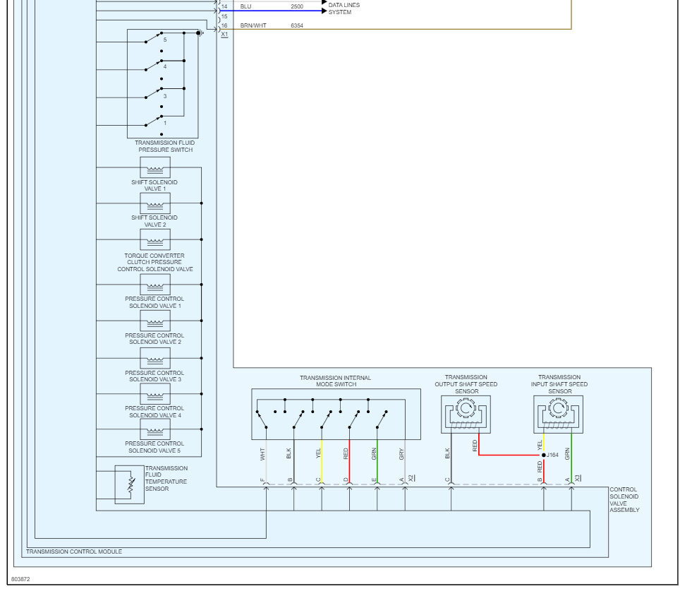
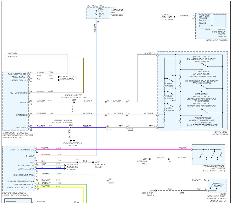
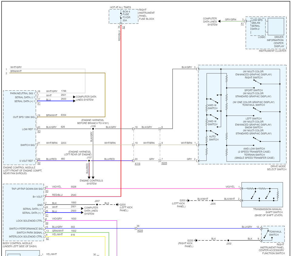
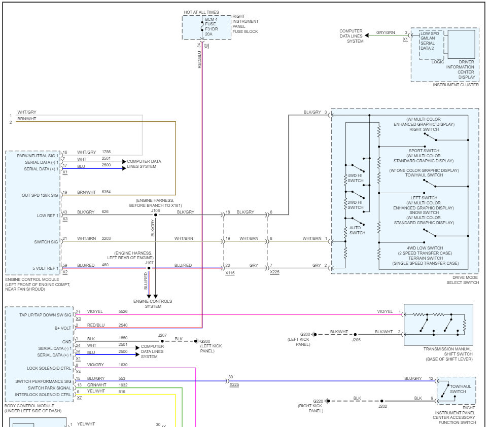
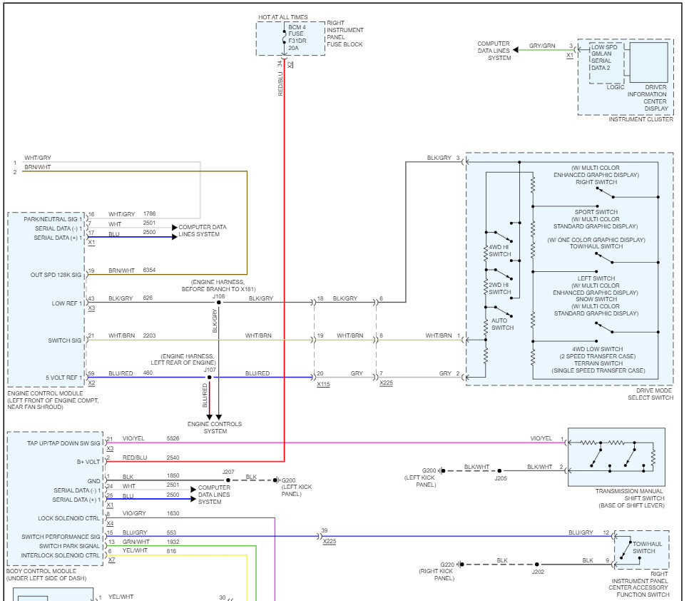
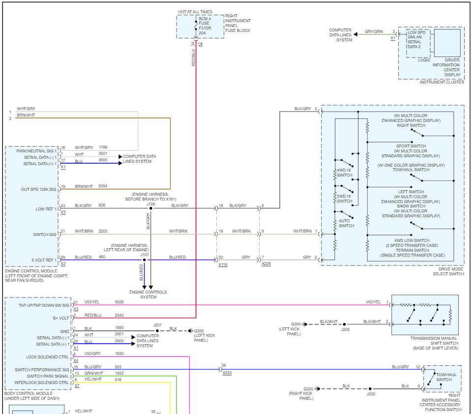
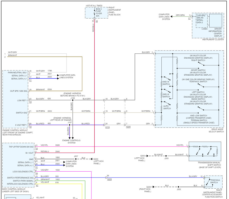
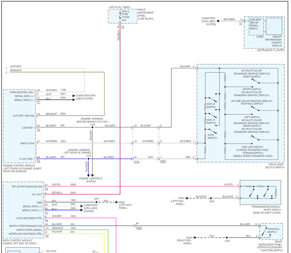
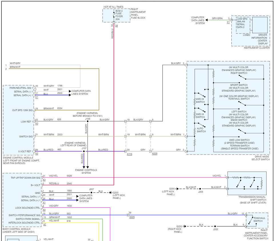
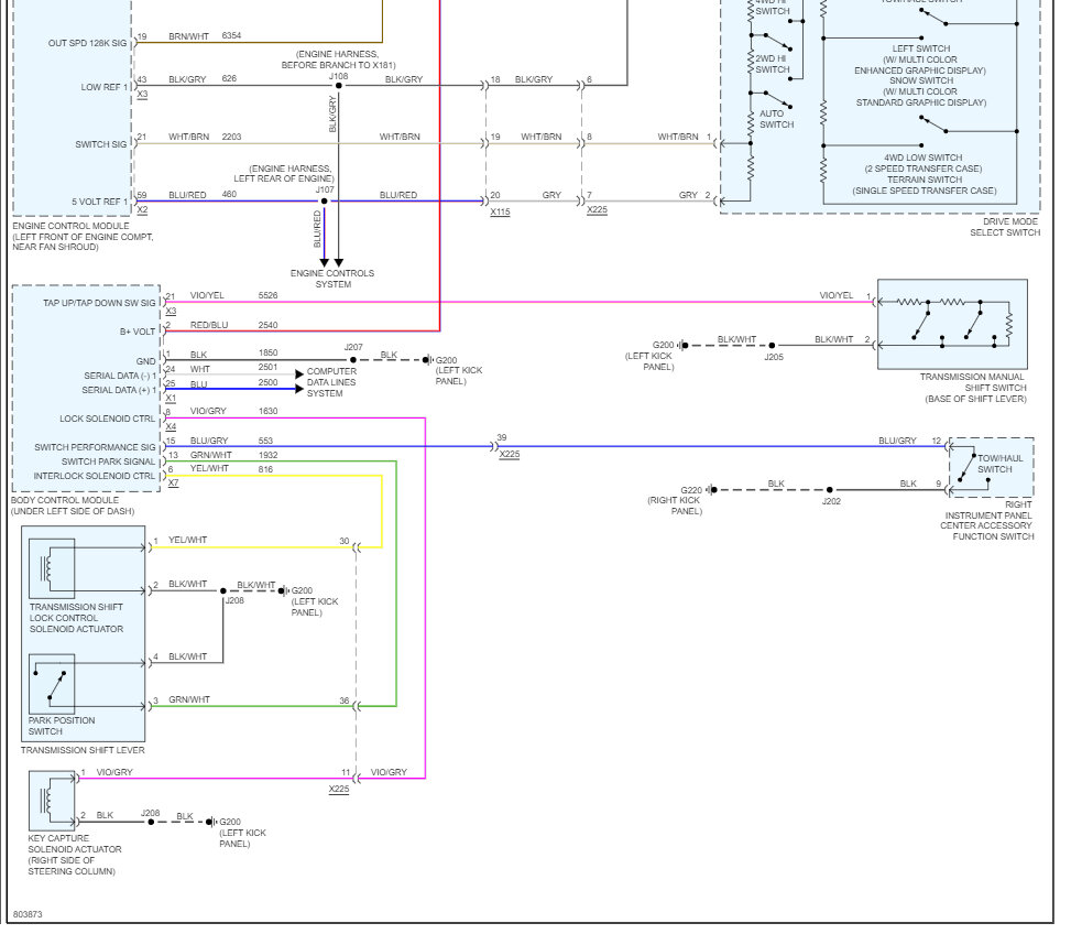
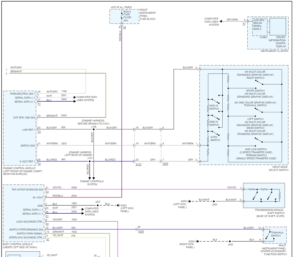
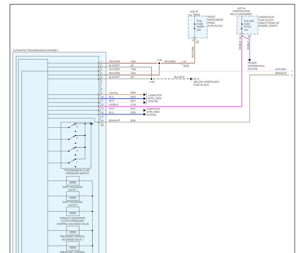
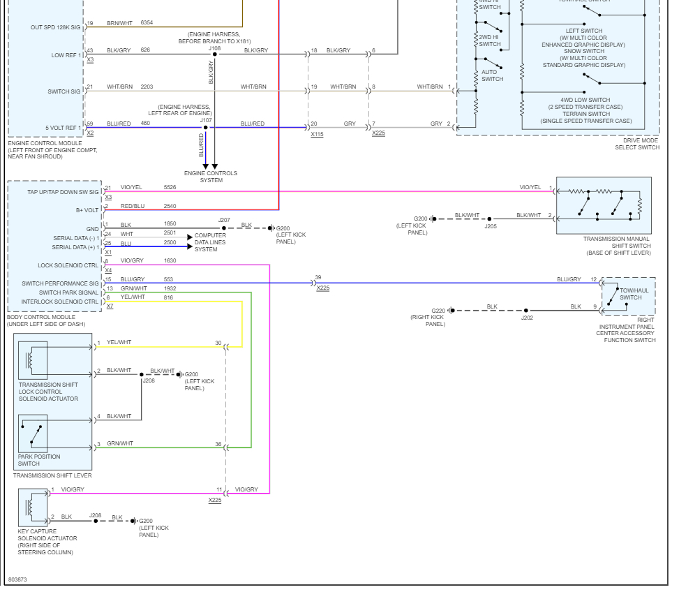
Friday, June 2nd, 2023 AT 12:01 PM
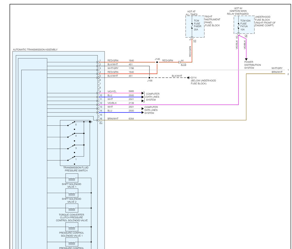
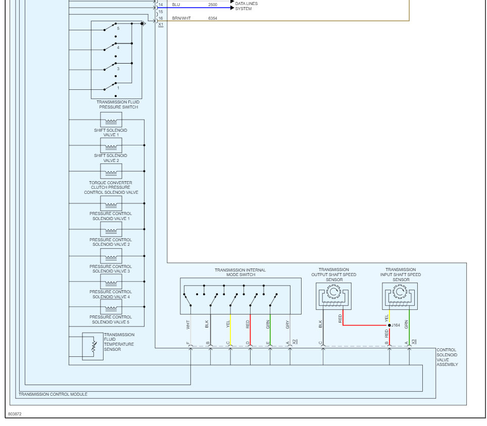
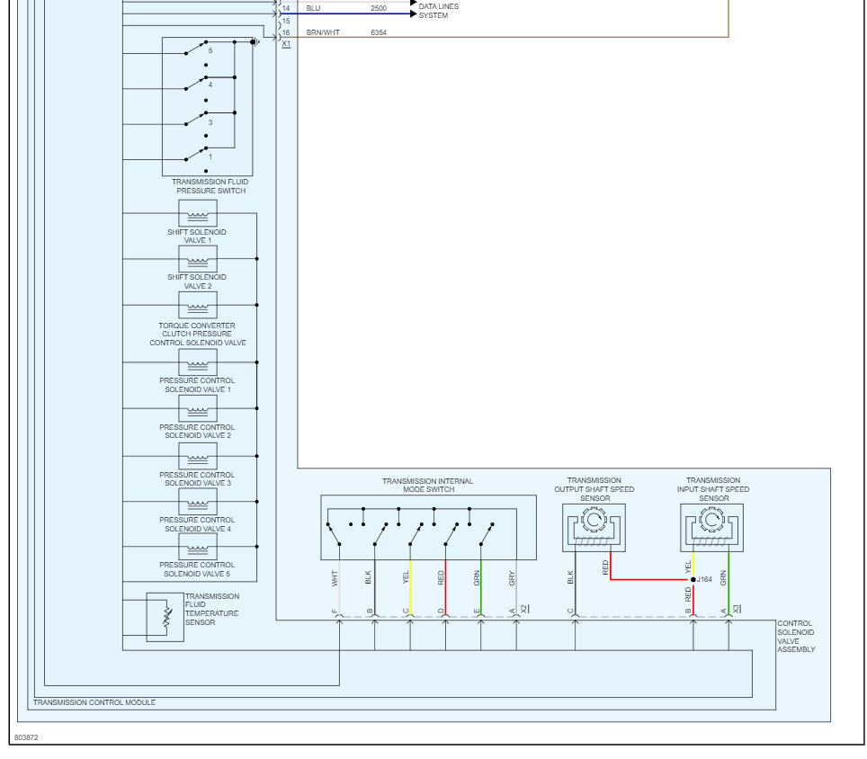
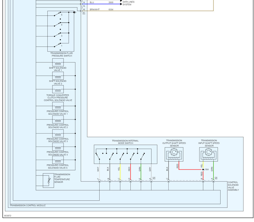
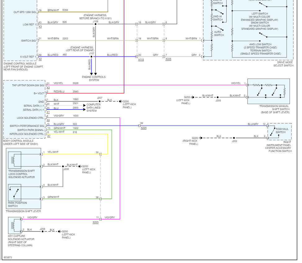
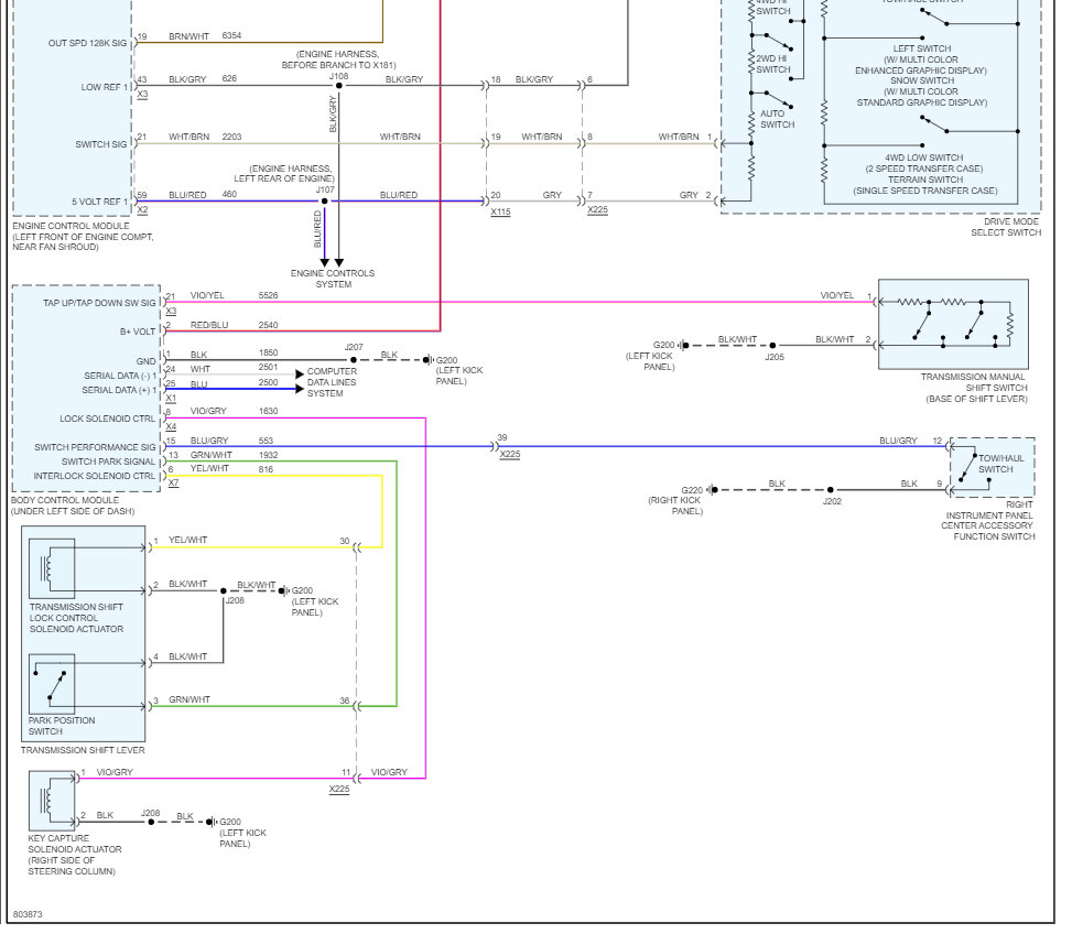
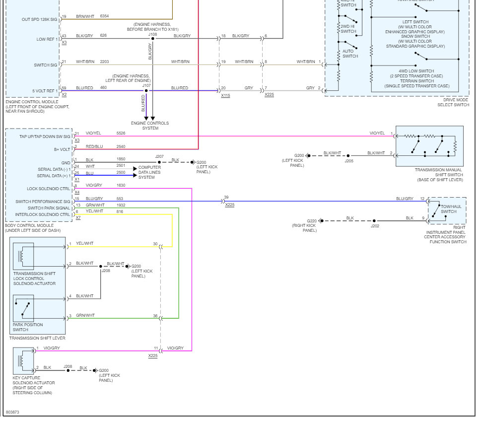
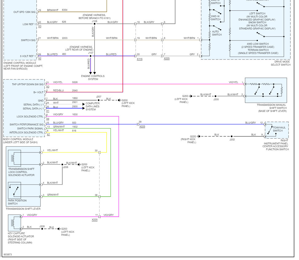
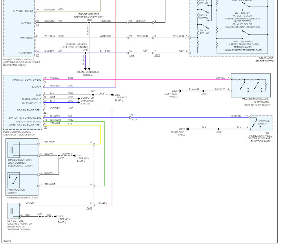
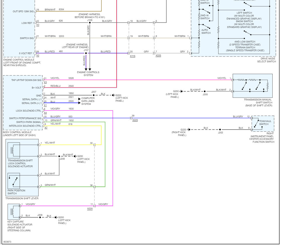
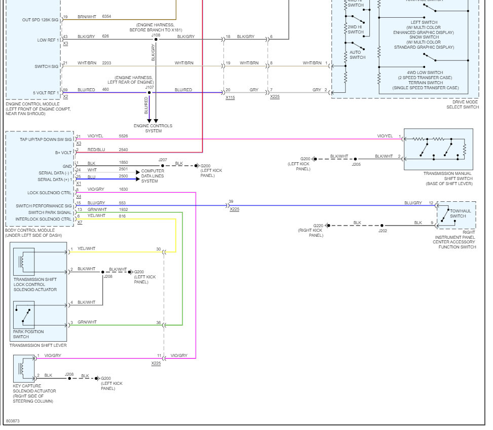
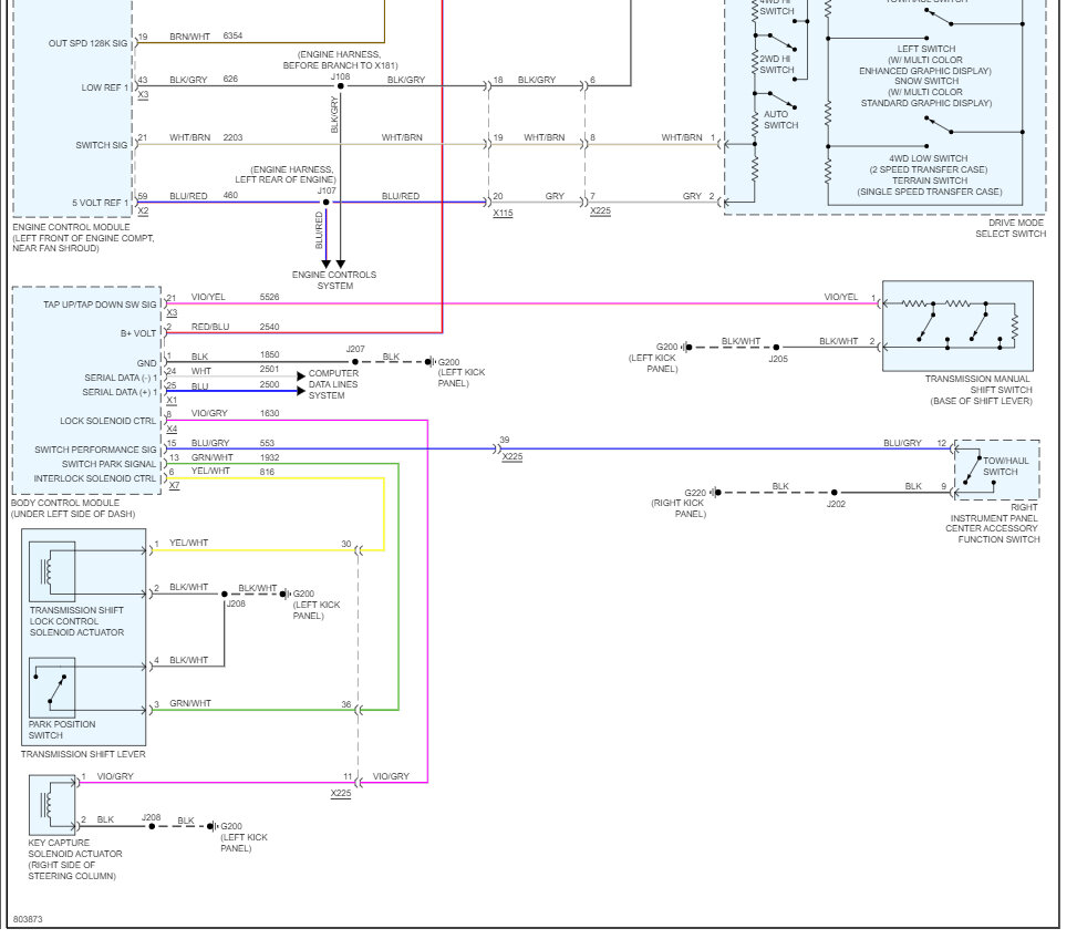
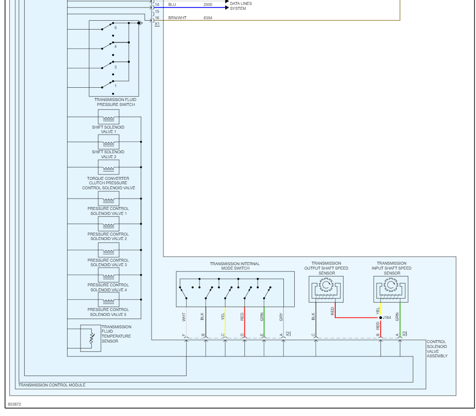
The truck listed above is a 6500 HD, brand new. Randomly threw this code and won't shift out of first gear. I was looking for a TCM wiring diagram and some helpful advice to get it up and going quick.


















