Monday, November 2nd, 2020 AT 4:03 PM
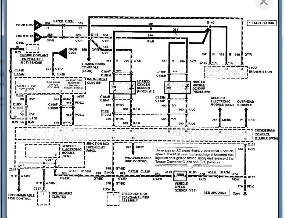
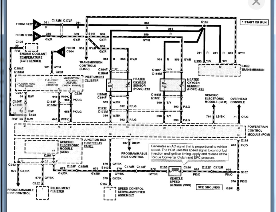
So at first it threw the p0500 code. So I checked the connector for voltage and the voltage was there. There were no signs of corrosion or breaks in the wires. So then I replaced the sensor problem still exists. Then it threw the P1500 code so I checked the sensor in the transmission for resistance and the connector for the 5 voltage reference and that checked out good. The problem only exists when the transmission is cold, once it warms up the truck rides like normal. Can anyone help?







