Sunday, July 7th, 2024 AT 11:17 AM
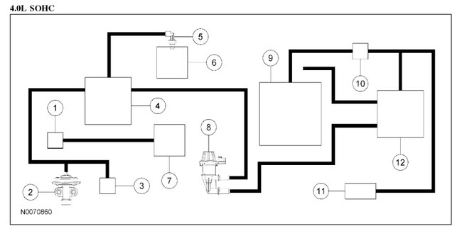
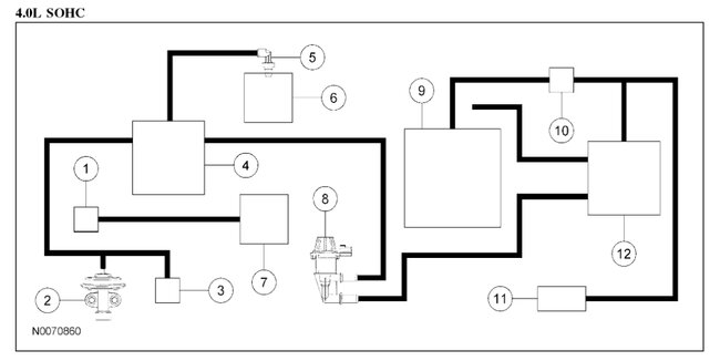
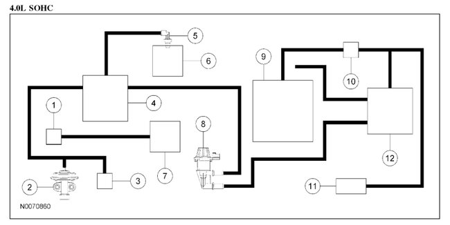
CEL throwing a P0456 (very small Evap leak). I changed the purge valve already and the gas cap. I ran my smoke machine to the evap line heading towards the fuel tank and gas cap. The problem I'm seeing is that the smoke seems to be coming out of the chassis itself. Like the mounting holes, etc. I'm wondering if the vent tube vents into the chassis, but I'm having no luck finding that info online. It's making it really difficult to find smoke from the actual leaking valve or hose, etc. If it vents into the chassis, is there a Forscan function or similar that can close the vent so I can actually have a chance at seeing the leak? I can take a video/pic when it stops raining if need be. Thank you.





