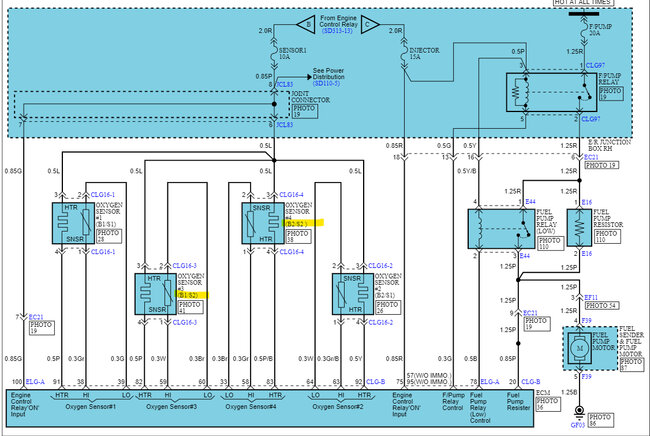
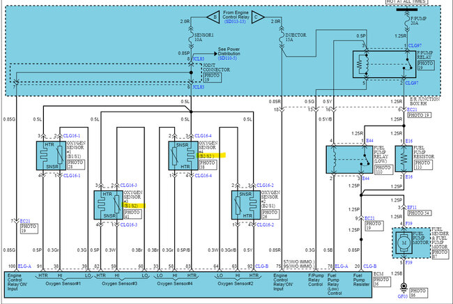
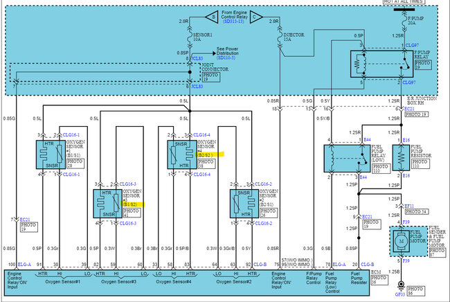
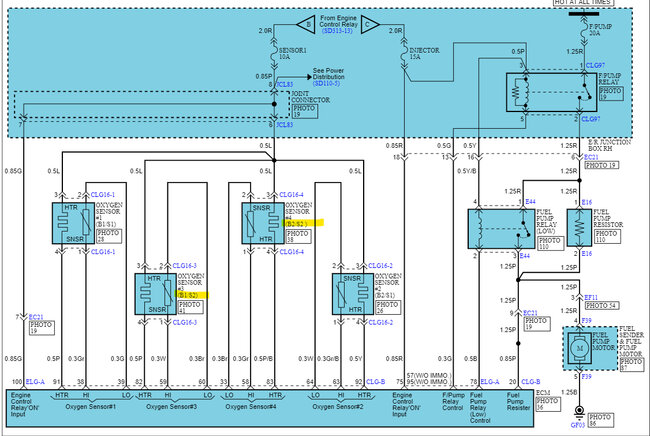
Recently my check engine light came on. I checked it with a reader and it showed a P0420 code. I checked the sensors and found the two sensors on both sides of the engine where the exhaust manifolds are but there are no sensors downstream from the dual converters. I know this sounds like a dumb question but how is an oxygen sensor showing an issue with the catalytic converter if both sensors are before the catalytic converters? To me it would seem if the converters were having issues a sensor after the converters would have to pick it up. Any chance you would clarify my method of thinking, and is there any way to tell which sensor might be malfunctioning?
Tuesday, August 8th, 2023 AT 2:52 PM











