Code P0135 recurs after an hour?

Tiny
POOR-JOHN
  • MEMBER
  • 2004 TOYOTA AVALON
  • 120,000 MILES
I cleared the P0135, and it seems like it takes around 45 minutes to come back. No other codes or symptoms.
Tuesday, November 7th, 2023 AT 1:18 PM

9 Replies

Tiny
JACOBANDNICKOLAS
  • MECHANIC
  • 110,192 POSTS
Hi,

The code is related to the bank 1 sensor 1 heated oxygen sensor (A/F sensor). It simply could be a faulty sensor, a wiring issue, a rich or lean fuel mixture, and so on.

Here is what I recommend. First, confirm there are no engine vacuum leaks that can cause a lean fuel mixture to occur.

Here is a link that explains how that is done:

https://www.2carpros.com/articles/how-to-use-an-engine-vacuum-gauge

If no leaks are found, here is a link that explains how to test an oxygen sensor, do this next:

https://www.2carpros.com/articles/how-to-test-an-oxygen-sensor-02-sensor

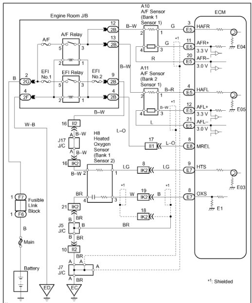
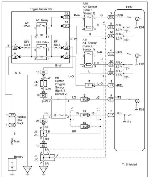
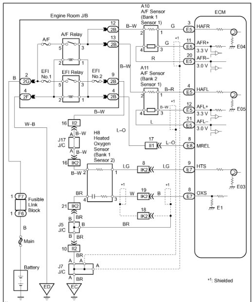
If there are no vacuum leaks or exhaust leaks, and the sensor tests good, I attached diagnostics below specific to this vehicle and code. Take a look through them and let me know if you are comfortable performing them.

Additionally, let me know if your scan tool provides live data.

Take care,

Joe

See pics below.
Was this
answer
helpful?
Yes
No
+1
Tuesday, November 7th, 2023 AT 6:50 PM
Tiny
POOR-JOHN
  • MEMBER
  • 7 POSTS
I have, much to my regret, become "elderly", and given this sensor being fairly difficult to access am intimidated by the thought of attacking it myself. My normal 'trusted' mechanic presumably has already replaced the sensor, and given the failure, says he needs to replace the 'other' sensor, despite the code being P0135. I suppose he didn't do any tests and simply replaced the sensor, since that's usually it. And as a lazy owner, just what I've done in the past, so I don't blame him except for his next step being selling me a different sensor.

Thanks for the excellent detailed trouble-shooting support. Not sure about real-time data from scanner; watched the smog-test 'readiness' parameters during a driving course intended to satisfy them, and they did change, but after celebrating CEL appeared at engine-start a minute later. My not-well-stated post should have said "does this kind of behavior (drive an hour, get new CEL) say anything about likely cause?

I can, of course, look at the state data for that last event (with a bit of guidance).

Thanks again, I'll do my part at the fund-me button.
Was this
answer
helpful?
Yes
No
Wednesday, November 8th, 2023 AT 7:37 AM
Tiny
JACOBANDNICKOLAS
  • MECHANIC
  • 110,192 POSTS
Hi,

If you can watch the readiness monitors reset, I suspect live data is available. Not certain, but there is a good chance.

When you connect your scan tool, check to see if there is anything indicating live data or monitoring.

To answer your last question, when you delete codes, it clears all memory from the PCM until the readiness monitors complete their drive cycles. I suspect it is taking approximately an hour of drive time for the monitor related to the sensor to finish. When it sees there is an issue, the light is turning back on.

Let me know.

Joe
Was this
answer
helpful?
Yes
No
+1
Wednesday, November 8th, 2023 AT 5:32 PM
Tiny
POOR-JOHN
  • MEMBER
  • 7 POSTS
Off-topic the web site needs to clarify the donation process. I would expect the drop-down box where you specify the beneficiary would include the person who's helping you and lacking that I assumed they intended everything to go into a pool they doled out per some internal process. I should have entered your name?
Was this
answer
helpful?
Yes
No
Saturday, November 11th, 2023 AT 1:04 PM
Tiny
JACOBANDNICKOLAS
  • MECHANIC
  • 110,192 POSTS
Hi,

We provide a free service. There is no need for payment. The only thing the owner has is a GoFundMe page. It is for educational purposes. No need to mention my name but thank you for the thought.

Here is the link I believe you are referring to:

https://www.gofundme.com/f/help-us-help-others-get-back-on-the-road

Let me know.

Joe

Was this
answer
helpful?
Yes
No
+1
Saturday, November 11th, 2023 AT 10:51 PM
Tiny
POOR-JOHN
  • MEMBER
  • 7 POSTS
You are a kind and generous person, dare I say, 'all too rare in these times'. I wish I could tangibly bring a smile to your face in recognition of that.

John
Was this
answer
helpful?
Yes
No
Sunday, November 12th, 2023 AT 4:54 PM
Tiny
JACOBANDNICKOLAS
  • MECHANIC
  • 110,192 POSTS
Thank you, John. Your response says the same about you. I feel the same about things today. It sure has changed, and I don't feel for the better. My wife and I went to Walmart and constantly, all we heard was the F word. Then we went to the car, and people were screaming at each other in the lot. Ugh! It is so frustrating.

Regardless, you are always welcome here, so feel free to come anytime.

Take care,

Joe

PS: Your response did make me smile.
Was this
answer
helpful?
Yes
No
+1
Sunday, November 12th, 2023 AT 7:40 PM
Tiny
POOR-JOHN
  • MEMBER
  • 7 POSTS
Yeah, keep in touch. We (with wife Susan) live in Glendora. I'm well past retirement, she just past. I was a real rocket scientist; I got to play with the first-stage engines for the Apollo moon rockets, did spacey things after that, generally related to early warning that something nasty was heading our direction. Susan in the same business.

My P0135 problem "resolved" by being intermittent enough to let me get by smog check. It being not a good thing I'll attend to it eventually, or when it becomes more persistent. My bones are a bit creaky so there are a bunch of things on my to-do list.

I'd been using an independent German (?) Mechanic who might try too hard to be frugal with parts; an alternator failed one month in, and iirc there was another part like that. I suppose I need to have a talk with him, but if you know of a good mechanic not too far from here it would be good to have. I own axlines. Org which means [anybody]@axlines. Org gets to me, e.G. "John".

Have a healthy, safe, and happy holiday season (and beyond).

John
Was this
answer
helpful?
Yes
No
Monday, November 13th, 2023 AT 9:00 AM
Tiny
JACOBANDNICKOLAS
  • MECHANIC
  • 110,192 POSTS
Hi,

I'm not familiar with your location, but it sounds like you have accomplished a lot.

Regardless, let me know if there is anything I can do to help.

Take care of yourself and I wish you happy holidays as well.

Joe
Was this
answer
helpful?
Yes
No
+1
Monday, November 13th, 2023 AT 9:39 PM

Please login or register to post a reply.