Overheating

1996 NISSAN VAN
103,768,000 MILES • 1.6L • 4 CYL • 2WD • MANUAL
Avatar
HUZZY PHUMZILE HLATSHWAYO
  • MEMBER
  • 2 POSTS
I have removed my thermostat, new water pump, new fan clutch. I can drive all day along as I don't go over 80 km, if do temperature rises very quickly and car overheats.
Jul 8, 2020 at 7:47 AM
Advertisement
Repair Safety Notice: This information is for general instructional purposes only. Vehicle repair can be dangerous. Verify all information, follow manufacturer service procedures, use proper tools and safety equipment, and consult a qualified repair shop when needed.
Avatar
JACOBANDNICKOLAS
  • AUTOMOTIVE REPAIR CONTRIBUTOR
  • 110,190 POSTS
Hi,

Removal of the thermostat can be causing this simply because there is no restriction in the system and the coolant doesn't stay in the radiator long enough to cool.

When you started having issues and before removal of the thermostat, did you try replacing the thermostat?

https://www.2carpros.com/articles/how-an-engine-thermostat-works

Let me know.

Joe
Jul 8, 2020 at 6:25 PM
Avatar
HUZZY PHUMZILE HLATSHWAYO
  • MEMBER
  • 2 POSTS
Sorry for late response. Will replace thermostat and and keep you posted.

Thanks.
Jul 18, 2020 at 12:51 AM
Advertisement
Avatar
JACOBANDNICKOLAS
  • AUTOMOTIVE REPAIR CONTRIBUTOR
  • 110,190 POSTS
Hi,

You listed this as a 4 cylinder, but the only engine offered in the Quest this year was a 3.0L V6. I am going to provide the directions specific to replacement on the 3.0L which I believe you have.

The directions also explain how to check your old thermostat after it's removed.

_____________________________________________

1996 Nissan-Datsun Truck Quest Minivan V6-2960cc 3.0L SOHC MFI (VG30E)
Procedures
Vehicle Engine, Cooling and Exhaust Cooling System Thermostat Service and Repair Procedures
PROCEDURES
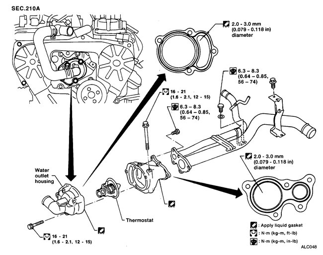
CAUTION: Be careful not to spill coolant over engine compartment. Use a rag to absorb coolant.

REMOVAL
1. Drain engine coolant.


pic 1



2. Remove water hose from water outlet housing.
3. Remove water outlet housing, then take out thermostat.
INSPECTION
1. Check for valve seating condition at normal room temperature. It should seat tightly.


pic 2



pic 3


2. Check valve opening temperature and valve lift.
3. Then check if valve closes at 5°C (9°F) below valve opening temperature.
INSTALLATION


pic 4



1. Use a scraper to remove old liquid gasket from water outlet housing.
2. Apply a continuous bead of liquid gasket to mating surface of water outlet housing.
- Use Genuine Liquid Gasket or equivalent.


pic 5



3. Install thermostat with jiggle valve or air bleeder at upper side.
4. Install water outlet housing.
5. Install water hose to water outlet housing.
6. Refill engine coolant.
- After installation, run engine for a few minutes, and check for leaks.

__________________________

Note: Make sure the jiggle valve is in the 12 o'clock position (pic 5). Otherwise, it will be very difficult to get the air out of the system.

Let me know if this helps.

Take care,
Joe
Jul 18, 2020 at 5:11 PM