On the lock cylinder which wires which wires are the resistor wires?

Tiny
2/SAINT
  • MEMBER
  • 2003 CADILLAC CTS
  • 13,000 MILES
I was told they are you yellow and black, I don’t see black.
Tuesday, August 23rd, 2022 AT 2:16 PM

1 Reply

Tiny
JACOBANDNICKOLAS
  • MECHANIC
  • 110,194 POSTS
Hi,

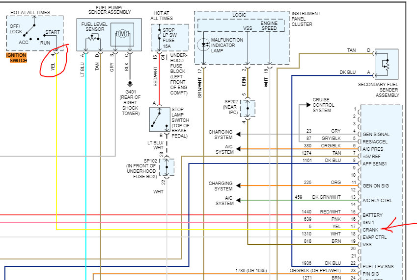
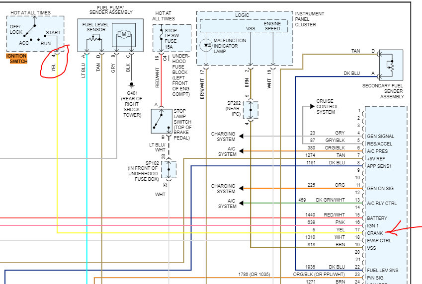
Are you referring to the ignition switch? If so, the yellow wire is the crank signal and runs to the ECM.

I attached two different wiring schematics below. Pic 1 shows the yellow wire. Pic 2 is from the power distribution schematic and shows all the wires related. I'm not seeing a black wire. Also, I'm not sure what you mean when you say resister wire, I'm not sure what you are referring to.

Take a look at the pics below and let me know if they help.

Take care,

Joe

See pics below.
Was this
answer
helpful?
Yes
No
Tuesday, August 23rd, 2022 AT 8:23 PM

Please login or register to post a reply.