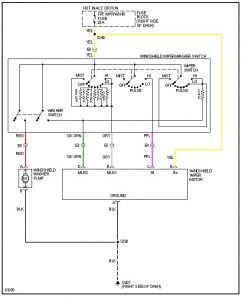
My 98 Olds Silhouette (3.4L with 80,000 miles) windshield wipers only work on high speed.
I have tested the plug for the motor and found power on the gray and purple wires when wiper switch is on high. On all other settings the gray wire has power but the purple doesn't.
Any help is grately appreciated. :D
Monday, January 29th, 2007 AT 6:21 PM

