Rear sitting high

Tiny
SUNSHINE77
  • MEMBER
  • 2002 OLDSMOBILE BRAVADA
  • 6 CYL
  • AWD
  • AUTOMATIC
  • 58,000 MILES
My Bravada has rear air suspension system. It has inflated and the rear will not go down. My "Haynes Manual" is absolutely worthless. I can't find any information to help. Please advise where and what I need to check or replace to get my rear out of the air.

Thanks
Friday, June 5th, 2009 AT 8:16 PM

2 Replies

Tiny
BILLYMAC
  • MECHANIC
  • 2,204 POSTS
Hello,

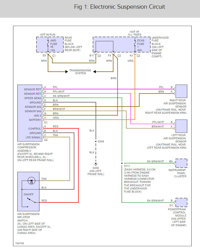
Is sounds like the level sensor is out here is a wiring diagram of the system so you can see how it works and the location of thee sensor so you can replace it.

Check out the diagrams (Below). Please let us know what happens.

Cheers
Was this
answer
helpful?
Yes
No
+5
Friday, June 5th, 2009 AT 8:28 PM
Tiny
GEEGEE
  • MEMBER
  • 1 POST
Thank you for this post I had the same problem and got the sensor for $132.00 fix it right up. I love this site.
Was this
answer
helpful?
Yes
No
Saturday, September 1st, 2018 AT 1:16 PM

Please login or register to post a reply.