2002 Oldsmobile Alero CRANK SENSOR

2002 OLDSMOBILE ALERO
15,000 MILES • 4 CYL • 4WD • AUTOMATIC
Avatar
BYNUM011
  • MEMBER
  • 1 POST
HOW DO YOU PUT ON A CRANK SENSOR FOR 2002 OLD ALERO 4CYL 2.2
Dec 29, 2009 at 5:00 PM
Advertisement
Repair Safety Notice: This information is for general instructional purposes only. Vehicle repair can be dangerous. Verify all information, follow manufacturer service procedures, use proper tools and safety equipment, and consult a qualified repair shop when needed.
Avatar
RASMATAZ
  • AUTOMOTIVE REPAIR CONTRIBUTOR
  • 75,992 POSTS
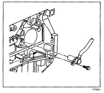
REMOVAL PROCEDURE


https://images.2carpros.com/forum/automotive_pictures/12900_cranksensor1_1.jpg

1.Remove the starter. 2.Disconnect the crankshaft position (CKP) sensor harness connector. 3.Remove the CKP sensor bolt. 4.Remove the CKP sensor. INSTALLATION PROCEDURE


https://images.2carpros.com/forum/automotive_pictures/12900_cranksensor2_1.jpg

1.Inspect the CKP sensor O-ring and lubricate with a mineral based grease. 2.Gently insert the CKP sensor into the block.
Dec 29, 2009 at 8:36 PM