Engine Performance problem
2001 Oldsmobile Alero 4 cyl Front Wheel Drive Automatic
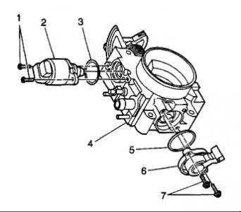
where is the idle air control valve locarted at?
2001 Oldsmobile Alero 4 cyl Front Wheel Drive Automatic
where is the idle air control valve locarted at?
May 16, 2010 at 5:02 PM
