Those drawings don't look anything like my 90 Olds engine.
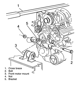
It has 2 front mounts and 2 rear (transmission) mounts
I have included pictures of those 2 mounts.
I will later take a picture of what may be my Olds ALDL connector Tomorrow and send it for your identification.


Monday, January 25th, 2010 AT 7:21 PM