HOME
ASK A QUESTION
REPAIR GUIDES
BECOME A MEMBER
LOG IN
Login with Facebook
OR
Remember me
NOT A MEMBER?
FORGOT PASSWORD?
CONTACT US
PRIVACY POLICY
TERMS AND CONDITIONS
☰
Home
Chevrolet
S-10
Engine
Oil Pressure Sensor
Location
Oil sending unit location
JSTRI
MEMBER
1991 CHEVROLET S-10
4.3L
V6
4WD
MANUAL
198,000 MILES
I need to replace the oil sending unit but need to know where it is on my vehicle.
Saturday, July 27th, 2019 AT 4:49 PM
5 Replies
ASEMASTER6371
MECHANIC
52,796 POSTS
Good afternoon,
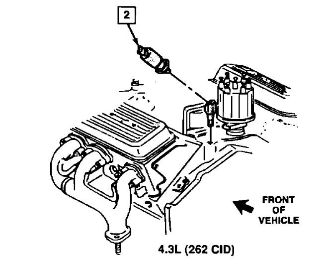
It is right by the distributor. I attached a picture for you to view.
Roy
Image (Click to make bigger)
Was this
answer
helpful?
Yes
No
+2
Saturday, July 27th, 2019 AT 5:04 PM
JSTRI
MEMBER
4 POSTS
I suspected so but needed confirmation. Thank you for the prompt reply.
Was this
answer
helpful?
Yes
No
+1
Saturday, July 27th, 2019 AT 6:41 PM
ASEMASTER6371
MECHANIC
52,796 POSTS
You are welcome.
Always glad to help.
Roy
Was this
answer
helpful?
Yes
No
+2
Sunday, July 28th, 2019 AT 2:19 AM
JSTRI
MEMBER
4 POSTS
On my 1991 s10 I use synthetic blend oil. Is this good as my truck is a v6 with 200,000 miles?
Was this
answer
helpful?
Yes
No
+1
Monday, August 5th, 2019 AT 7:13 PM
ASEMASTER6371
MECHANIC
52,796 POSTS
Yep. All good for it.
Roy
Was this
answer
helpful?
Yes
No
+2
Monday, August 5th, 2019 AT 7:29 PM
Please
login
or
register
to post a reply.
Related Oil Pressure Sensor Location Content
Oil Sending Unit?
Where Is The Oil Sending Unit Located On The 4.3 Vortec Engine And How Do I Replace It
Asked by
dcherry
·
39 ANSWERS
7 IMAGES
2001
CHEVROLET S-10
Throttle Body
91 S 10 Four Banger Gets Fuel To The Throttle Body But Doesnt Inject Any Fuel Could Anyone Help?
Asked by
jcayo
·
3 ANSWERS
1991
CHEVROLET S-10
Engine Swap
I Have A 4.3 Tbfi In My 91 Sonoma And Im Wanting To Swap It With A 4.3 Fi Out Of A 94 Blazer. What Changes Do I Need To Make To Make It Fit...
Asked by
matte1114
·
6 ANSWERS
1991
CHEVROLET S-10
1991 Chevy S-10 Tuning
Engine Performance Problem 1991 Chevy S-10 6 Cyl Four Wheel Drive Automatic How To Tune The Engine
Asked by
wahabaljasser
·
1 ANSWER
1991
CHEVROLET S-10
My Oil Light Keeps Coming On And The Gage Needle...
My Oil Light Keeps Coming On And The Gage Needle Drops To Almost Nothing. Also The "check Gages" Light Keeps Flashing! But When I Check The...
Asked by
shessy49
·
3 ANSWERS
1991
CHEVROLET S-10
VIEW MORE
Ask a Car Question. It's Free!
Engine Oil Leak
Serpentine Belt Replacement Ford F-150 5.4L V
Oil Change and Filter Replacement Dodge Ram