Oil leak

Tiny
EDGAR456
  • MEMBER
  • 2008 SATURN VUE
  • 3.5L
  • 6 CYL
  • AUTOMATIC
  • 165 MILES
My car has an oil leak, it does not seem to be losing oil too fast, because I can barely notice the oil loss. Where might this leak be from? I attached a picture.
Wednesday, November 21st, 2018 AT 8:58 AM

7 Replies

Tiny
ASEMASTER6371
  • MECHANIC
  • 52,796 POSTS
Good afternoon,

From your picture, it could be the oil pan gasket.

You have to be sure it is not coming from the top. Look at the top of the motor and see if any oil is making its way down the motor.

This repair is quite involved. I would have someone look at it for you and verify it. Have them check the bolts as they may just need to be tightened up.

Roy

Removal Procedure

1. Disconnect the negative battery cable. Refer to Battery Negative Cable Disconnection and Connection (Without LAT-2.4L) (See: Battery Cable > Removal and Replacement).
2. Install the engine support fixture. Refer to Engine Support Fixture (See: Engine > Removal and Replacement > Engine Support Fixture).
3. Drain the engine oil. Refer to Engine Oil and Oil Filter Replacement (See: Engine Oil > Removal and Replacement).
4. Remove the oil filter adapter and bypass valve assembly. Refer to Oil Filter Adapter and Bypass Valve Assembly Replacement (See: Oil Filter Adapter > Removal and Replacement > Oil Filter Adapter and Bypass Valve Assembly Replacement).
5. Remove the starter motor. Refer to Starter Motor Replacement (LZ4-3.5L) (See: Starter Motor > Removal and Replacement > Starter Motor Replacement).
6. Remove the left side catalytic converter. Refer to Catalytic Converter Replacement - Left Side (LZ4-3.5L) (See: Catalytic Converter > Removal and Replacement > Catalytic Converter Replacement - Left Side).
7. Remove the transfer case. Refer to Transfer Case Assembly Replacement (LZ4-3.5L) (See: Transfer Case > Removal and Replacement > Transfer Case Assembly Replacement).

ImageOpen In New TabZoom/Print

8. Remove the air conditioning (A/C) compressor nut and bolt.

ImageOpen In New TabZoom/Print

9. Remove the A/C compressor rear bolt and position the A/C compressor aside.

ImageOpen In New TabZoom/Print

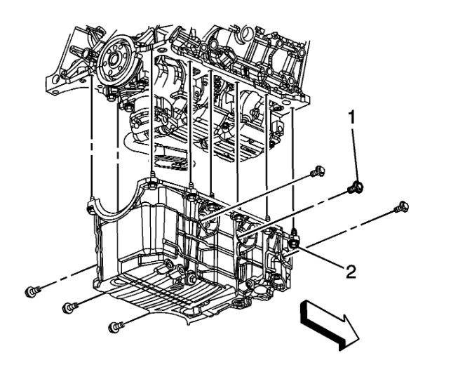
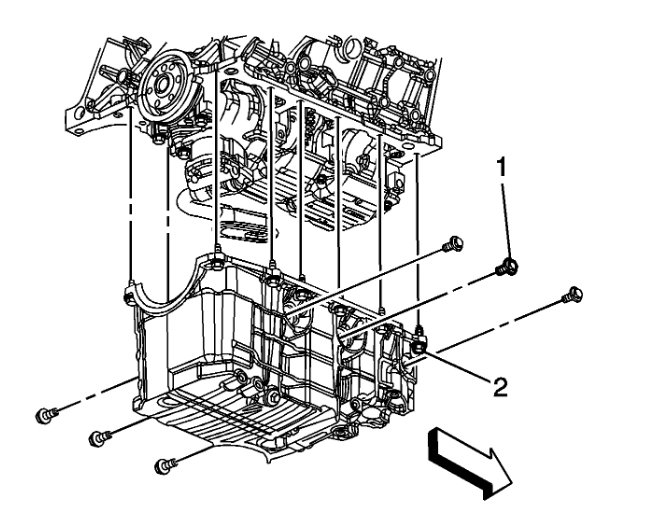
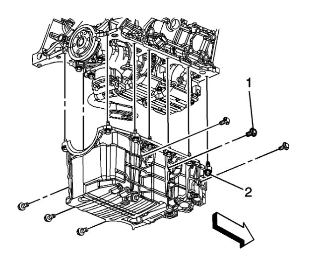
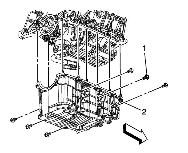
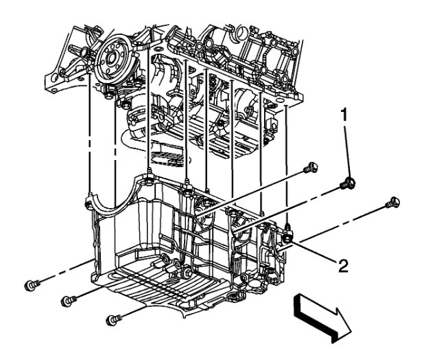
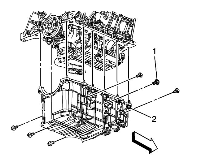
10. Remove the horizontal oil pan bolts (1).
11. Remove the vertical oil pan bolts (2).
12. Remove the oil pan.
13. Remove the oil pan gasket.
14. Clean the following items:

* The oil pan flanges
* The oil pan rail
* The engine front cover
* All threaded holes
Was this
answer
helpful?
Yes
No
Wednesday, November 21st, 2018 AT 11:30 AM
Tiny
EDGAR456
  • MEMBER
  • 28 POSTS
Thanks for your answer, I will get it checked.
Was this
answer
helpful?
Yes
No
Wednesday, November 21st, 2018 AT 11:35 AM
Tiny
ASEMASTER6371
  • MECHANIC
  • 52,796 POSTS
You are welcome.

Keep us updated.

Always glad to help.

Roy
Was this
answer
helpful?
Yes
No
Wednesday, November 21st, 2018 AT 11:40 AM
Tiny
EDGAR456
  • MEMBER
  • 28 POSTS
How much should an oil pan gasjet replacement cost on my vehicle?
Was this
answer
helpful?
Yes
No
Friday, November 23rd, 2018 AT 8:02 AM
Tiny
ASEMASTER6371
  • MECHANIC
  • 52,796 POSTS
Okay,

The labor is 5.9 hours which is around $625.00.

The parts are about $40.00 including the gasket, oil and filter.

Roy
Was this
answer
helpful?
Yes
No
Friday, November 23rd, 2018 AT 1:04 PM
Tiny
EDGAR456
  • MEMBER
  • 28 POSTS
Is it true that the exhaust and transmission need to be removed?
Was this
answer
helpful?
Yes
No
Friday, November 23rd, 2018 AT 1:06 PM
Tiny
ASEMASTER6371
  • MECHANIC
  • 52,796 POSTS
The left side car has to be removed, yes. It is stated in the procedure.

The transfer case has to be removed if it is a four wheel drive. Not the transmission just the transfer case. That is part of the transmission.

Roy
Was this
answer
helpful?
Yes
No
Friday, November 23rd, 2018 AT 1:13 PM

Please login or register to post a reply.