HOME
ASK A QUESTION
REPAIR GUIDES
BECOME A MEMBER
LOG IN
Login with Facebook
OR
Remember me
NOT A MEMBER?
FORGOT PASSWORD?
CONTACT US
PRIVACY POLICY
TERMS AND CONDITIONS
☰
Home
Mazda
MX3
Trouble Codes
P Codes (Powertrain)
OBDI codes
MONCHO6685
MEMBER
1994 MAZDA MX3
1.6L
4 CYL
2WD
MANUAL
249,712 MILES
Can you send me the obdi check engine codes for the car listed above 1.6l dohc?
Thanks.
Att. Juan Marin
Tuesday, June 4th, 2019 AT 3:02 PM
3 Replies
ASEMASTER6371
MECHANIC
52,796 POSTS
Good afternoon,
I attached a list of possible codes for you to view.
Roy
Images (Click to make bigger)
Was this
answer
helpful?
Yes
No
+1
Tuesday, June 4th, 2019 AT 3:30 PM
MONCHO6685
MEMBER
118 POSTS
Thanks for the codes.
This are the codes:
4
9
35
41
I'm right?
That's the codes?
Video (Click to make bigger)
Was this
answer
helpful?
Yes
No
Tuesday, June 4th, 2019 AT 8:34 PM
ASEMASTER6371
MECHANIC
52,796 POSTS
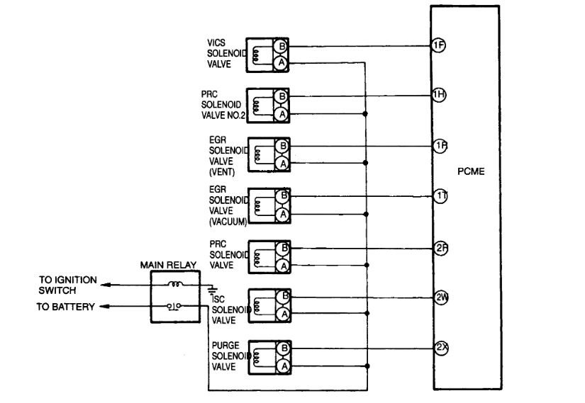
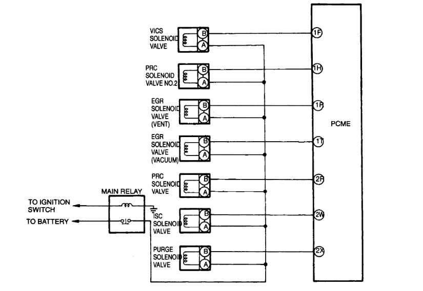
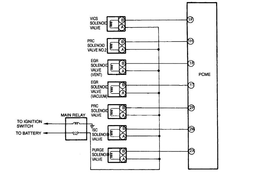
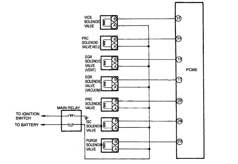
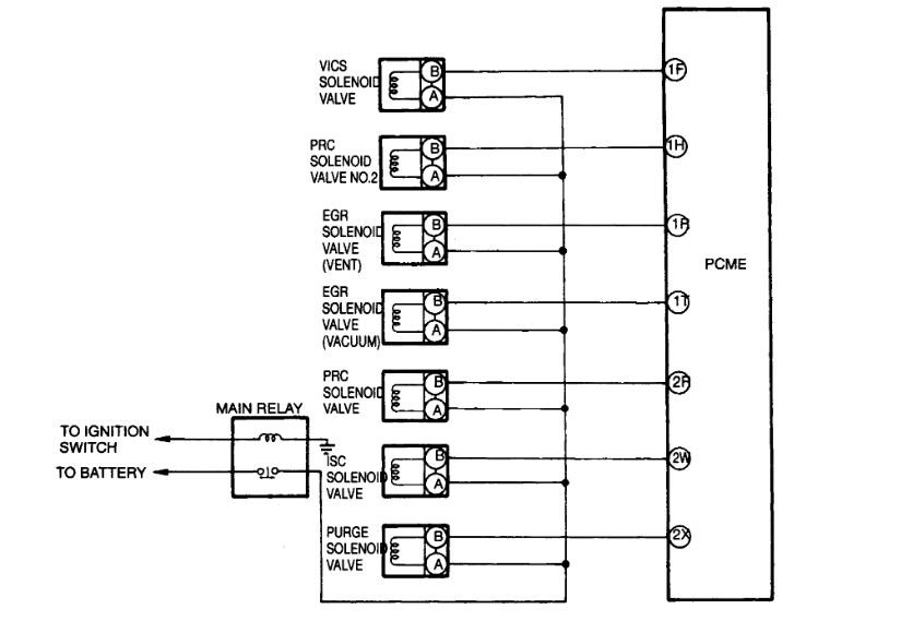
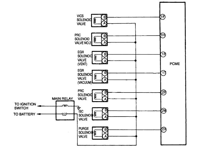
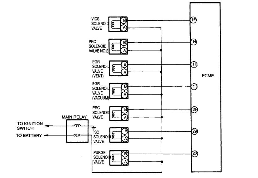
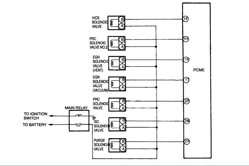
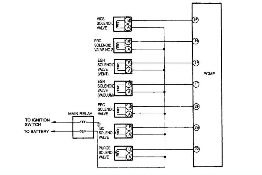
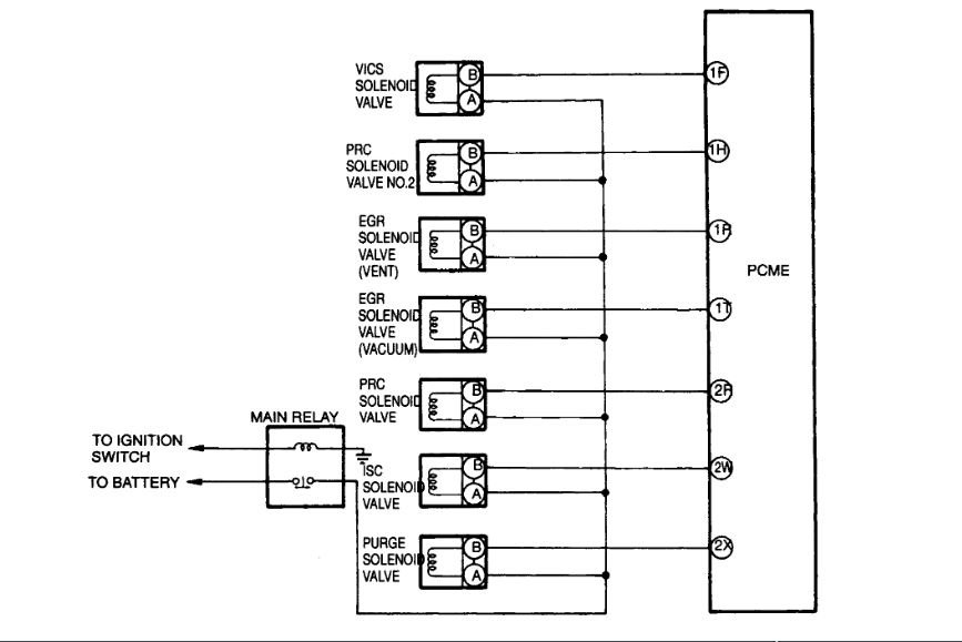
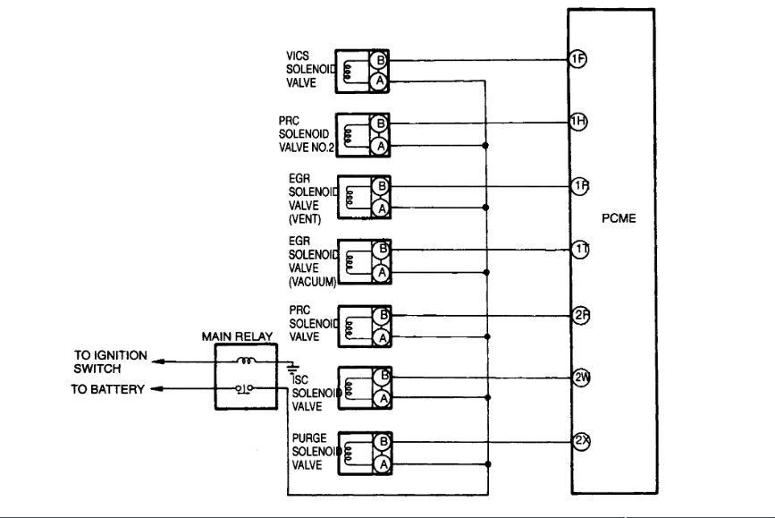
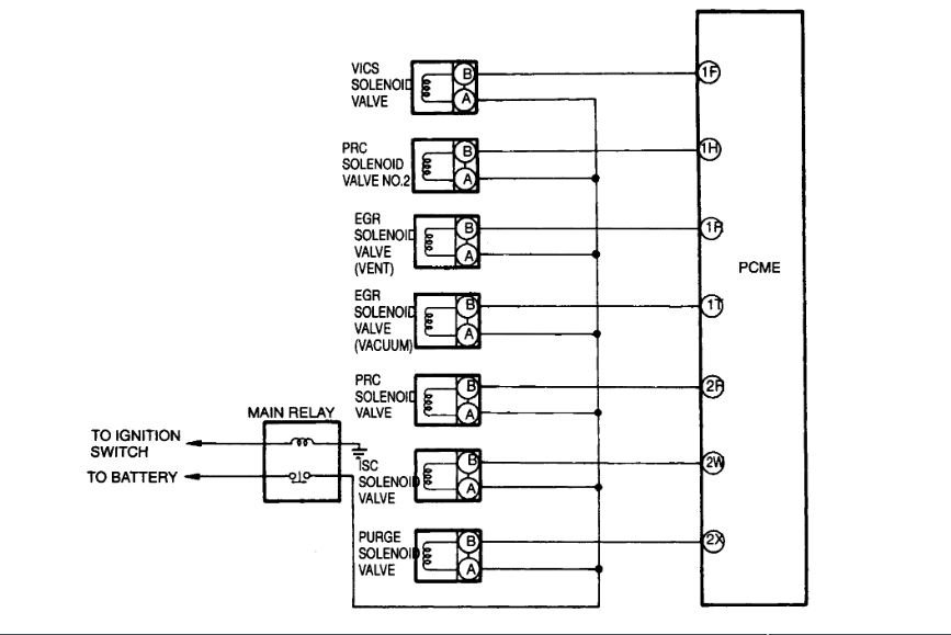
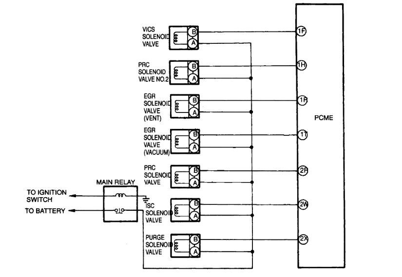
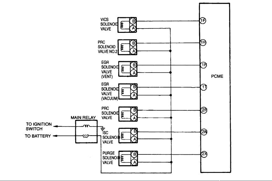
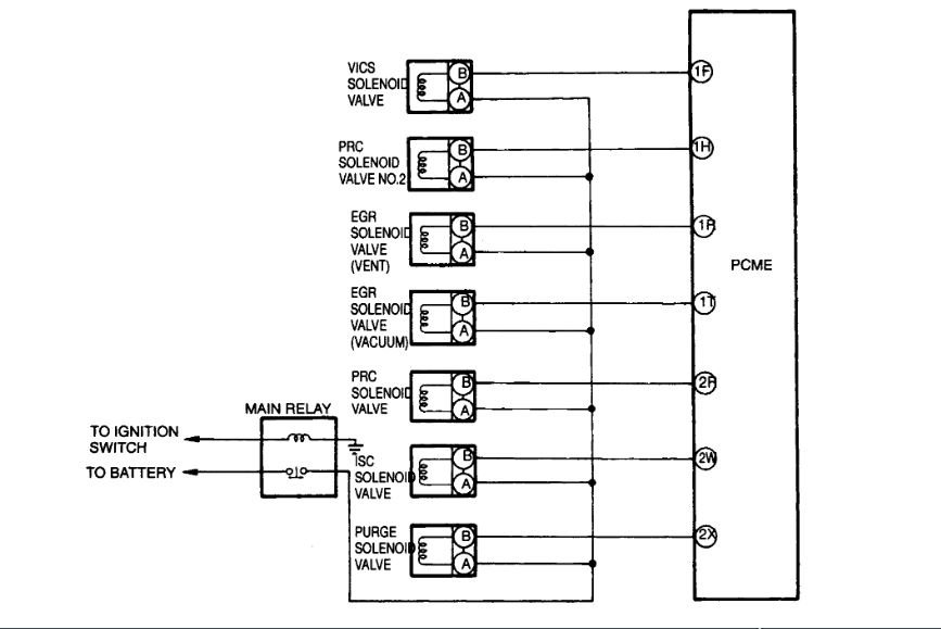
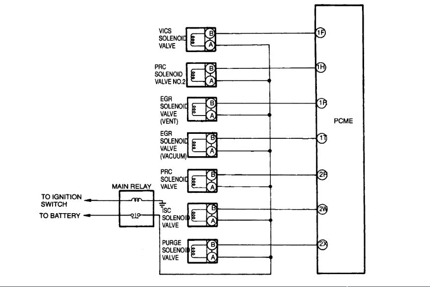
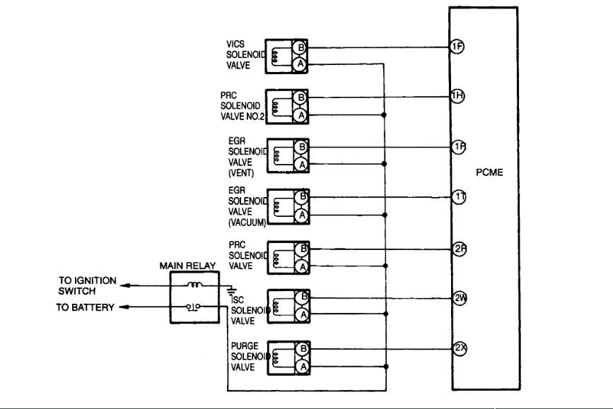
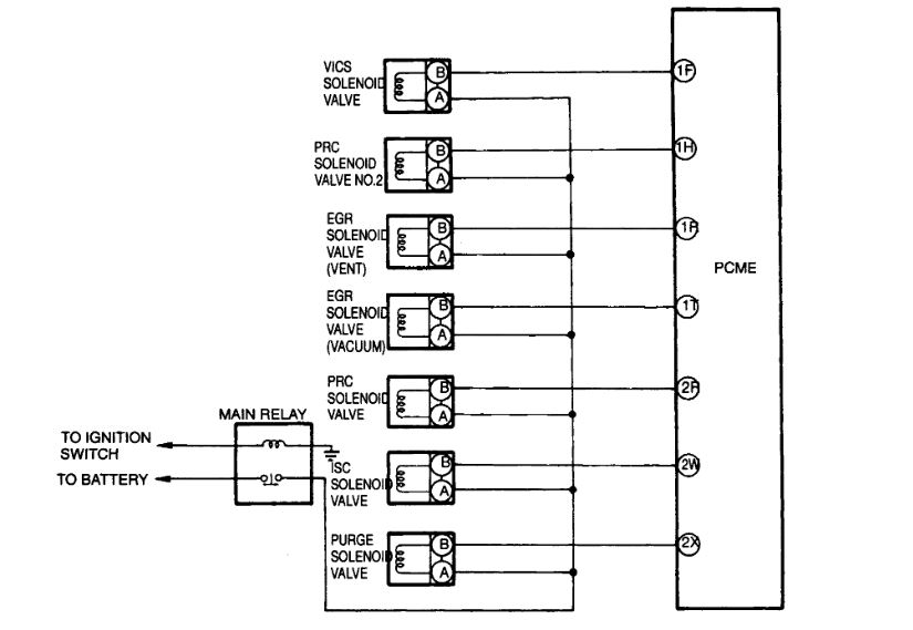
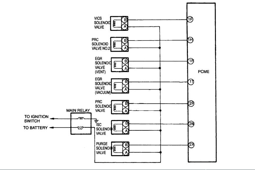
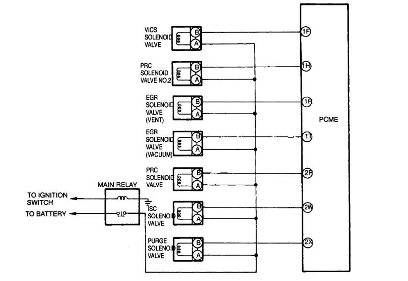
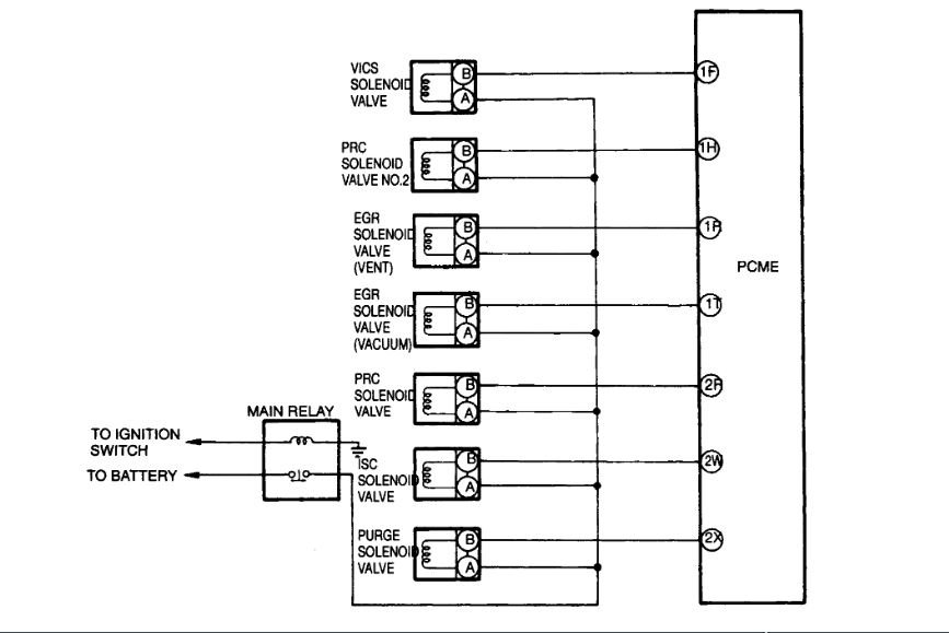
The flow charts for the codes are attached.
Roy
Images (Click to make bigger)
Was this
answer
helpful?
Yes
No
+1
Wednesday, June 5th, 2019 AT 2:45 PM
Please
login
or
register
to post a reply.
Ask a Car Question. It's Free!
Code Read Retrieval/Clear - Dodge Stratus
Code Read Retrieval/Clear Scion
Code Read Retrieval/Clear Mercedes Benz