Monday, October 31st, 2022 AT 4:53 PM
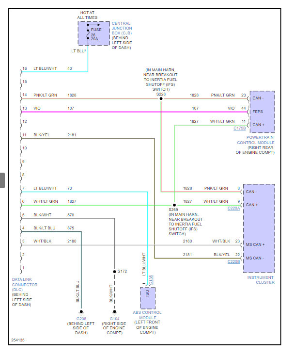
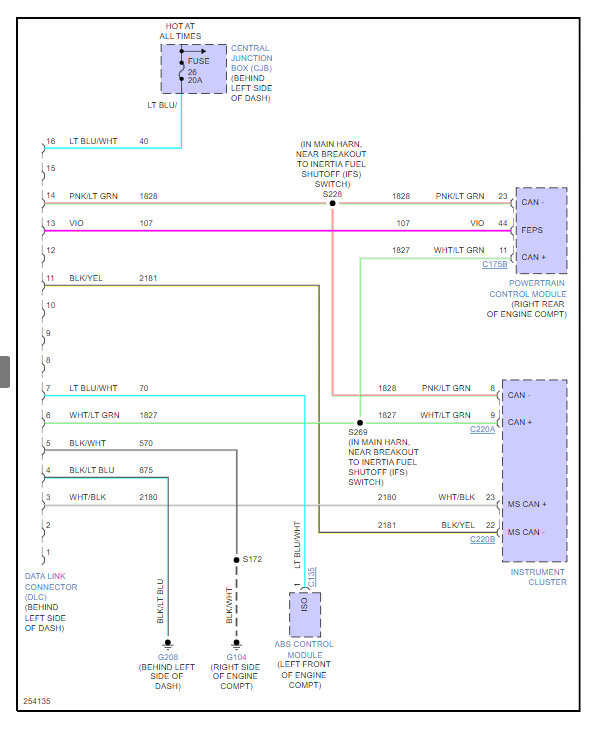
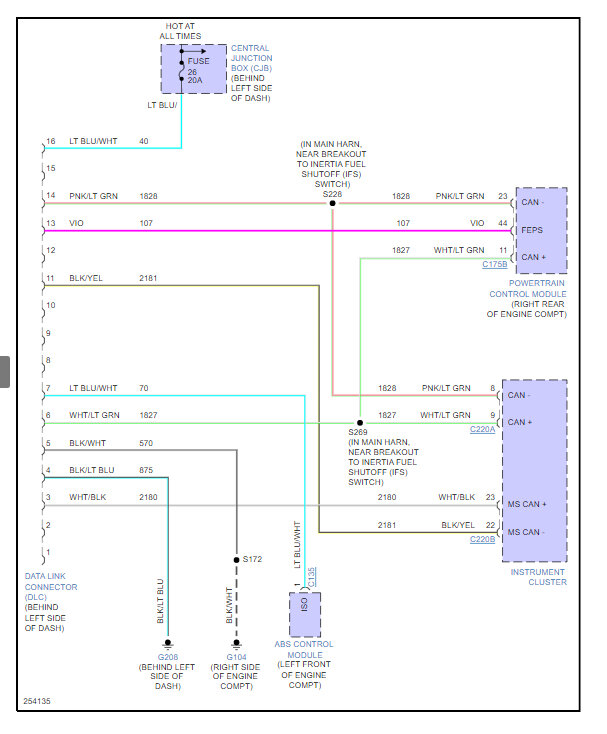
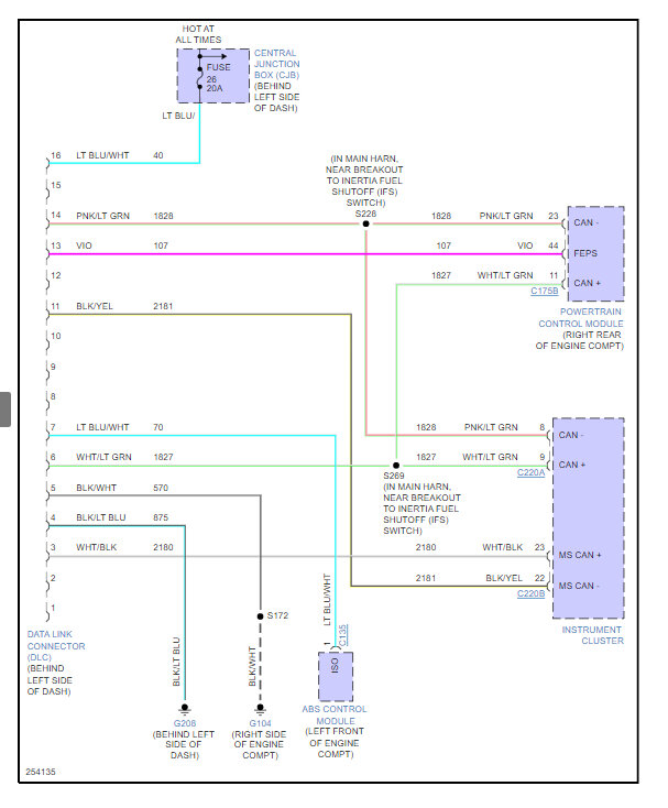
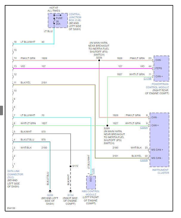
Measuring voltage from pin 16 to chassis and signal grounds both only measures 10.4 volts. Code reader will not power on. Voltage from pin 16 to a chassis ground measures full battery voltage.




