Code P1369

Tiny
BILLMILL5050
  • MEMBER
  • 2002 PONTIAC FIREBIRD
  • 3.8L
  • RWD
  • AUTOMATIC
  • 890,000 MILES
I'll get a code P1369 ever once in a while then it goes out 5 volt ref. 2 circuit? What is this?
Saturday, August 27th, 2016 AT 11:36 PM

11 Replies

Tiny
BILLMILL5050
  • MEMBER
  • 66 POSTS
I mean P1639
Was this
answer
helpful?
Yes
No
Saturday, August 27th, 2016 AT 11:37 PM
Tiny
HMAC300
  • MECHANIC
  • 48,601 POSTS
That is for the a/c circuit check all your grounds, for pcm, battery to body, engine to battery etc.
Was this
answer
helpful?
Yes
No
Sunday, August 28th, 2016 AT 7:54 AM
Tiny
BILLMILL5050
  • MEMBER
  • 66 POSTS
Where are grounds at?
Was this
answer
helpful?
Yes
No
Wednesday, August 31st, 2016 AT 2:46 PM
Tiny
KEN L
  • MASTER CERTIFIED MECHANIC
  • 55,244 POSTS
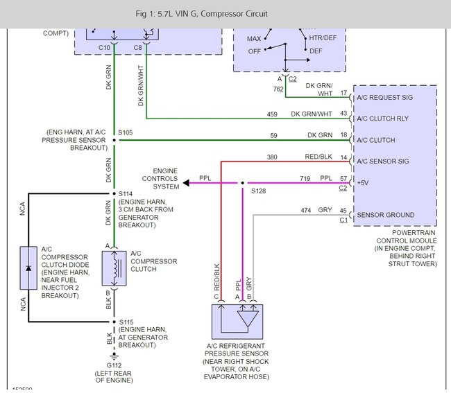
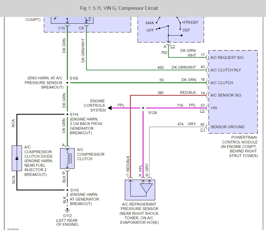
If I may but in here, I found that the P1639 is a pressure sensor out of range for the air conditioner. Here is a wiring diagram that lets you know where it is located.

Best, Ken
Was this
answer
helpful?
Yes
No
+1
Thursday, September 1st, 2016 AT 8:10 AM
Tiny
BILLMILL5050
  • MEMBER
  • 66 POSTS
Ken I don't see any diagram./ Is it orange located on high side ac line?
Was this
answer
helpful?
Yes
No
Thursday, September 1st, 2016 AT 1:18 PM
Tiny
KEN L
  • MASTER CERTIFIED MECHANIC
  • 55,244 POSTS
Sorry, here you go.
Was this
answer
helpful?
Yes
No
+1
Thursday, September 1st, 2016 AT 1:19 PM
Tiny
BILLMILL5050
  • MEMBER
  • 66 POSTS
Thanks I can hear something cutting on and off cut it isnt the compressor
Was this
answer
helpful?
Yes
No
Sunday, September 4th, 2016 AT 10:15 AM
Tiny
KEN L
  • MASTER CERTIFIED MECHANIC
  • 55,244 POSTS
It is probably the control relay which is controlled by the sensor.
Was this
answer
helpful?
Yes
No
Monday, September 5th, 2016 AT 9:44 AM
Tiny
KEN L
  • MASTER CERTIFIED MECHANIC
  • 55,244 POSTS
What did you find on this problem?
Was this
answer
helpful?
Yes
No
Wednesday, September 14th, 2016 AT 5:10 PM
Tiny
BILLMILL5050
  • MEMBER
  • 66 POSTS
Just fixed you were right
Was this
answer
helpful?
Yes
No
Friday, December 29th, 2017 AT 10:46 PM
Tiny
KEN L
  • MASTER CERTIFIED MECHANIC
  • 55,244 POSTS
Good to hear, please use 2CarPros anytime we are here to help.

Cheers, Ken
Was this
answer
helpful?
Yes
No
Monday, January 1st, 2018 AT 1:50 PM

Please login or register to post a reply.