Not firing on cylinders two and three

Tiny
RODDERS99
  • MEMBER
  • 1998 MITSUBISHI GALANT
  • 2.4L
  • 4 CYL
  • 2WD
  • AUTOMATIC
  • 180,000 MILES
Engine cranks over but no spark to cylinders two and three (one and four are okay). Fuel is okay and engine fires/tries to run on only two cylinders.
Auto Electrician has checked with his scan tool all of the following and found no problem and no codes shown.
ECU, all coils, fuel pump engine/fuel relay, crank sensor and cam sensor are all working okay. Is it the Security system and how/what do I check? What else? Please I am stumped!
Thursday, September 26th, 2019 AT 9:02 PM

8 Replies

Tiny
KASEKENNY
  • MECHANIC
  • 18,907 POSTS
Hi,

This does not sound like a security system issue because it normally does not disable half the cylinders. It normally cuts fuel and spark and it may not even allow it to crank.

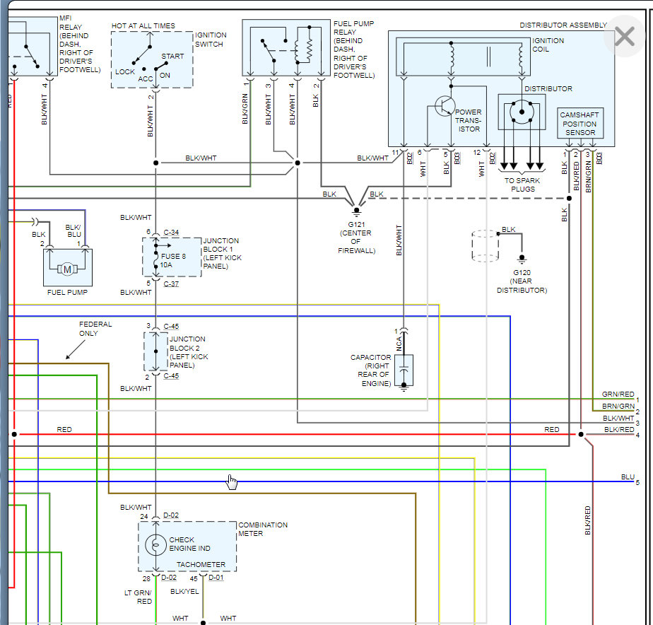
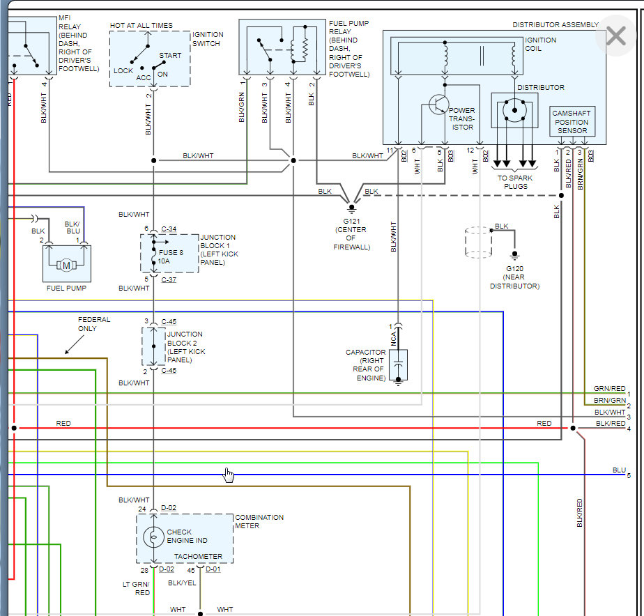
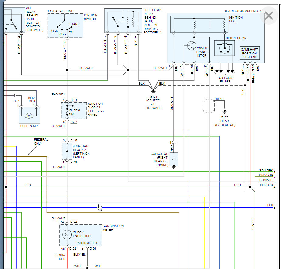
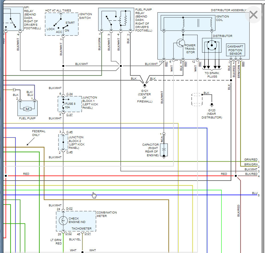
The fact that you have two cylinders, we need to find out how he checked those components. The reason is, if the coil is ok then you should have spark coming out of the distributor. If you don't then I suspect you have an ECM issue because as you will see on the attachment, it makes and breaks the current to create the high voltage spike for the ignition.

I can understand how you are stumped because if all those things check out, it should be working. This means we have to ASSUME something was missed when they were checking these items.

Let me know detail about how he checked them and any measurements he as on coil resistance. Thanks
Was this
answer
helpful?
Yes
No
Friday, September 27th, 2019 AT 1:43 PM
Tiny
RODDERS99
  • MEMBER
  • 5 POSTS
It is a 1998 Galant with 2.4L 4cyl GDI engine that has no distributor. It has a coil on each cylinder. We checked each cylinder with a plug tester with engine cranking. We swapped the coils around several times - result is same every time - no spark on 2 and 3,
Replaced the ECU and engine relay but result is same.
Was this
answer
helpful?
Yes
No
+1
Friday, September 27th, 2019 AT 10:56 PM
Tiny
KASEKENNY
  • MECHANIC
  • 18,907 POSTS
Okay. That creates an issue, because the manual I am using does not have a GDI option for 1998. It only has the multiport fuel injection which has a distributor.

Even if I look at 1999 or 2000 it still has MFI which does not have coil on plug. In 1999 they had two coils, one coil for two cylinders. Again, if you have a coil per cylinder this is not the same.

At this point, we either have a wiring issue from the ECM to the coils or there is something disabling those cylinders like a missing crank signal or the engine is not timed correctly. I know you said the crank sensor is okay but how was this checked? Was the tone wheel inspected?

Is there a history to this issue? What happened before this started? Was the engine running fine and it just started or did we replace parts and this happened after?

Is this vehicle located in the USA or is an export vehicle?
Was this
answer
helpful?
Yes
No
Saturday, September 28th, 2019 AT 2:36 PM
Tiny
RODDERS99
  • MEMBER
  • 5 POSTS
Car is Japanese import to New Zealand
A pulley belt broke about 3 years ago and took out the crank sensor. The sensor was than replaced with a new one. The car just stopped about a month ago and has refused to go since. Scan revealed no codes at all. A spare ECU was tried just to see if it was problem.
I need a couple of days to talk to Auto man how he checked all sensors etc. Thanks, much appreciated.
Was this
answer
helpful?
Yes
No
Sunday, September 29th, 2019 AT 11:02 PM
Tiny
KASEKENNY
  • MECHANIC
  • 18,907 POSTS
Okay. We need to search that crank sensor and wiring very closely. Cranking with no spark and no codes is normally the crank sensor. The reason is, the ECM is looking for the crank signal to know when to fire the plugs. If it doesn't get it then it will not fire the plugs. In more modern vehicles the ECM can set codes for no crank signal but in these older vehicles that just wasn't there.

Let's start with going back over the crank sensor and go from there. Thanks
Was this
answer
helpful?
Yes
No
Monday, September 30th, 2019 AT 6:57 PM
Tiny
RODDERS99
  • MEMBER
  • 5 POSTS
Installed a brand new crank sensor and still does not start!
Was this
answer
helpful?
Yes
No
Sunday, January 12th, 2020 AT 5:25 PM
Tiny
RODDERS99
  • MEMBER
  • 5 POSTS
Do you have link that gives a free complete circuit wiring diagram for whole vehicle or the engine circuitry components. In particular the ECU?
Was this
answer
helpful?
Yes
No
Sunday, January 12th, 2020 AT 5:28 PM
Tiny
KASEKENNY
  • MECHANIC
  • 18,907 POSTS
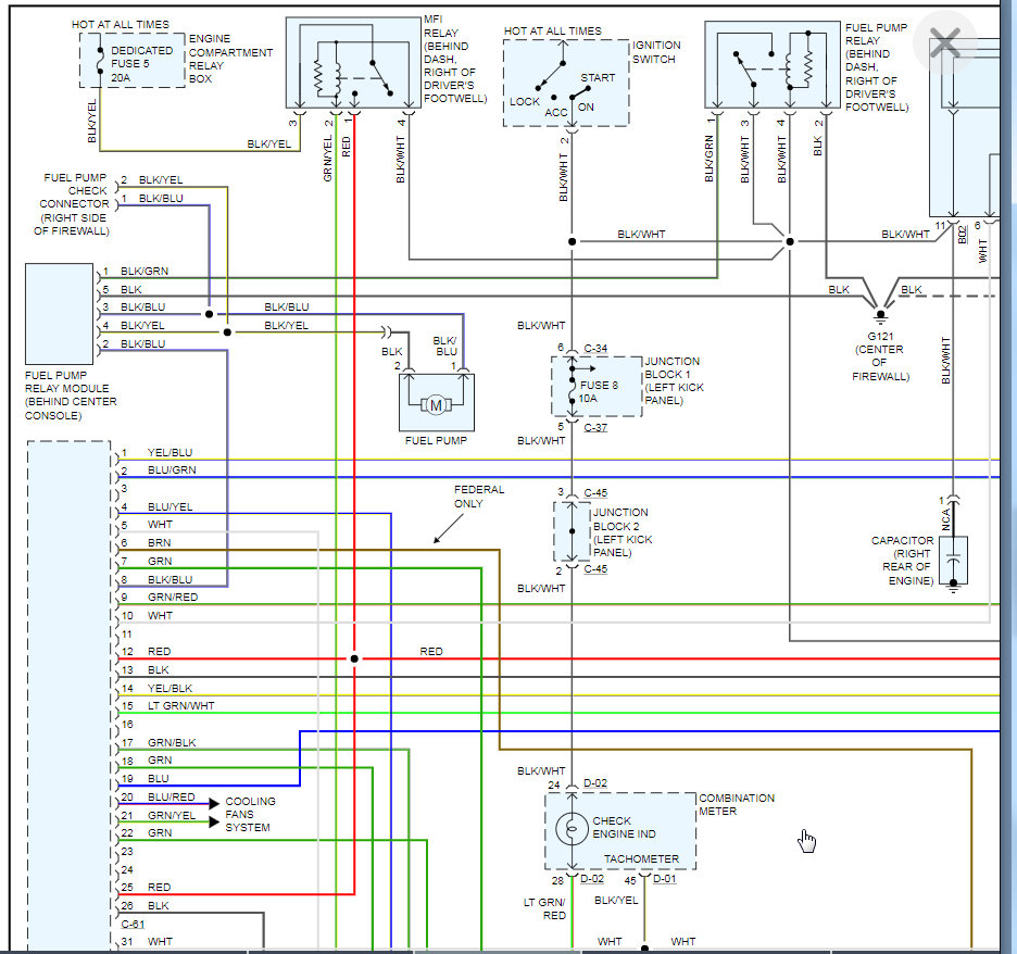
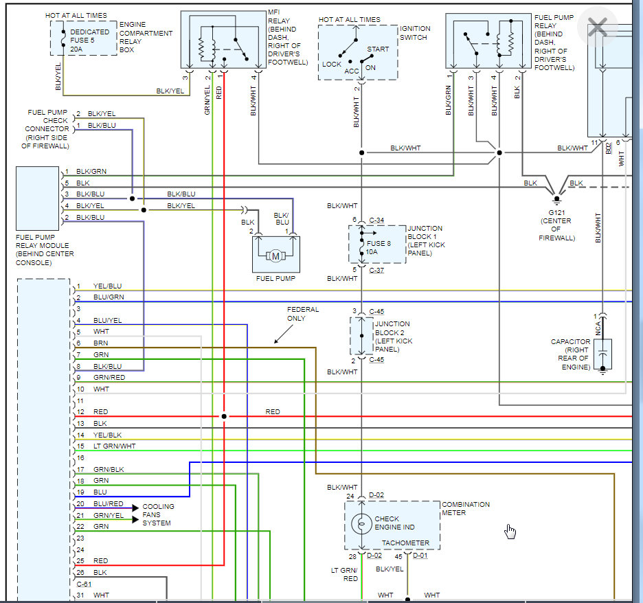
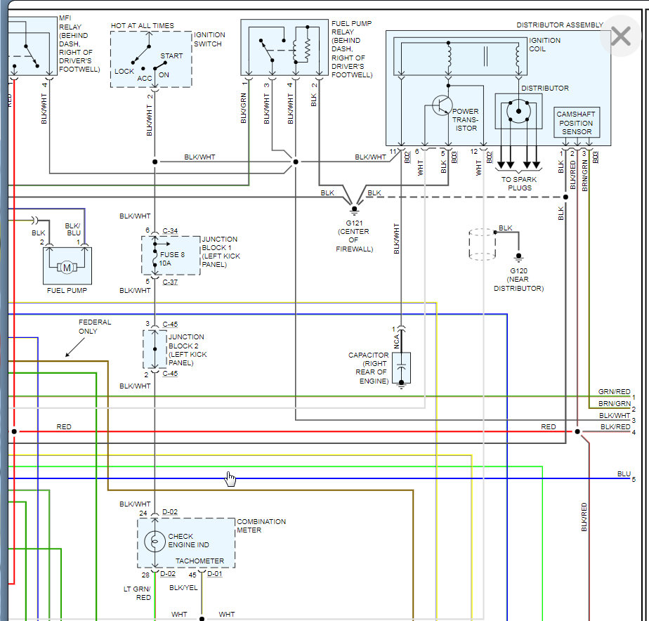
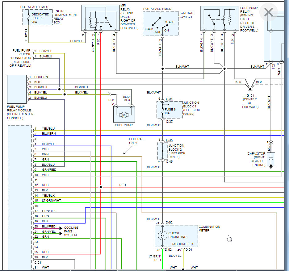
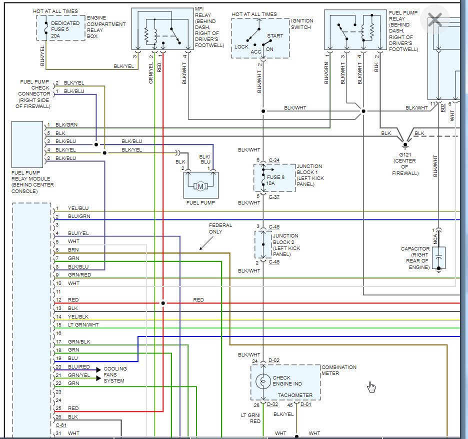
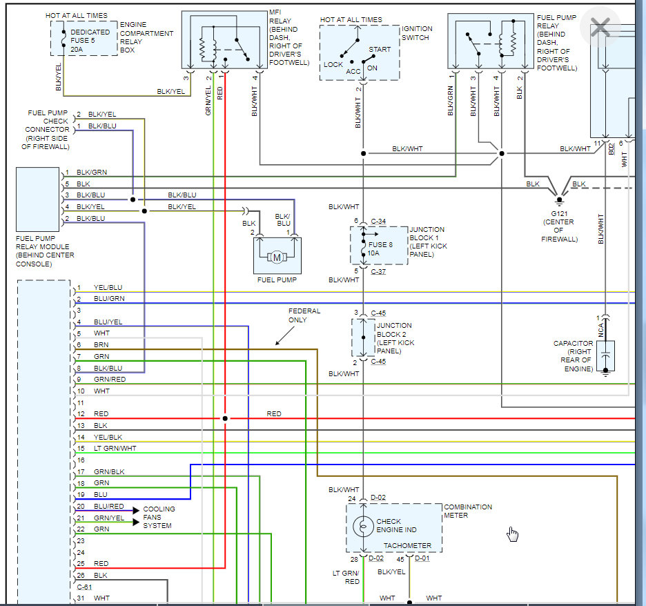
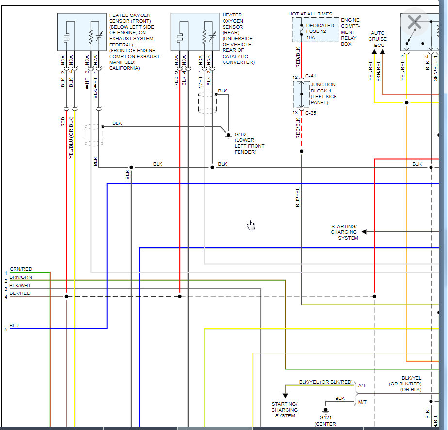
We use AllData and Mitchell manuals but you do need to have a subscription. I can send you copies of what you are looking for but we don't have access for the public.

Here is the wiring diagrams for the power-train management. Keep in mind this is for a vehicle in North America so yours may differ slightly but unfortunately it is the best we can offer. These are screen shots of the diagram so they do overlap so we don't cut off a circuit by mistake.

From here, I would suggest purchasing an online subscription which will give you access to what you are looking for.
Was this
answer
helpful?
Yes
No
Monday, January 13th, 2020 AT 5:05 PM

Please login or register to post a reply.