Friday, September 25th, 2020 AT 6:33 PM
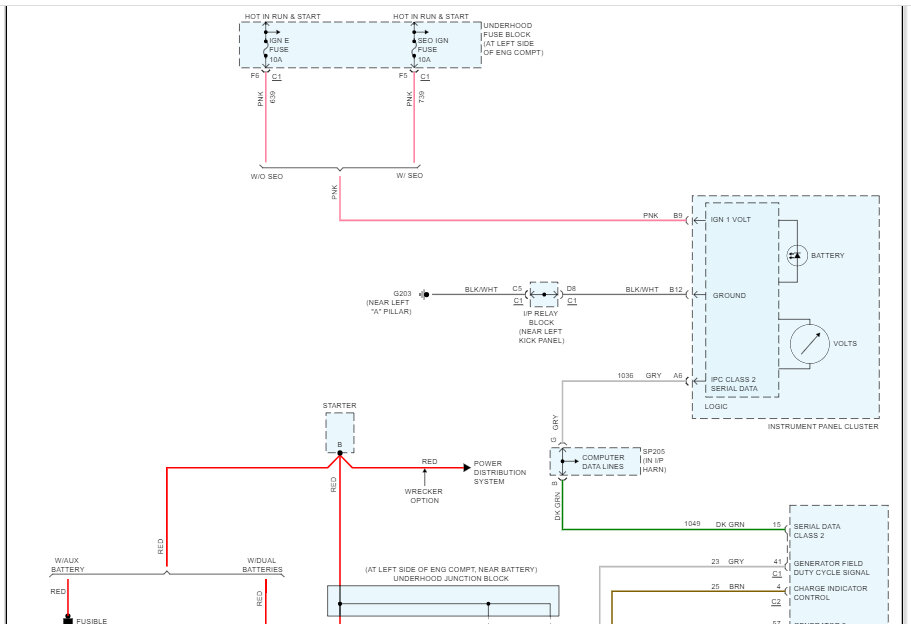
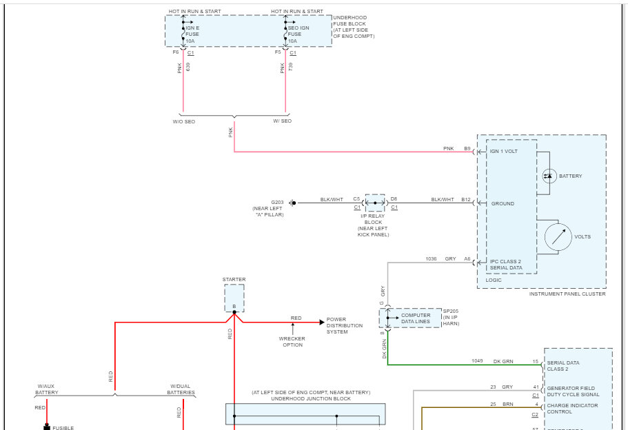
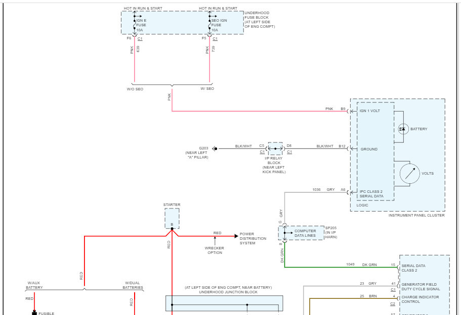
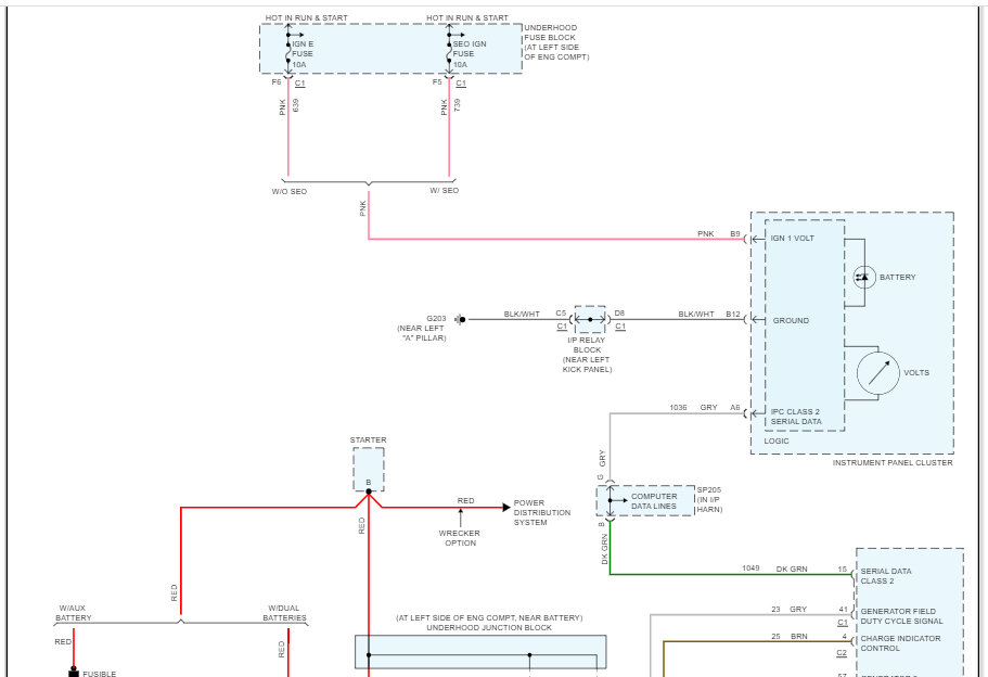
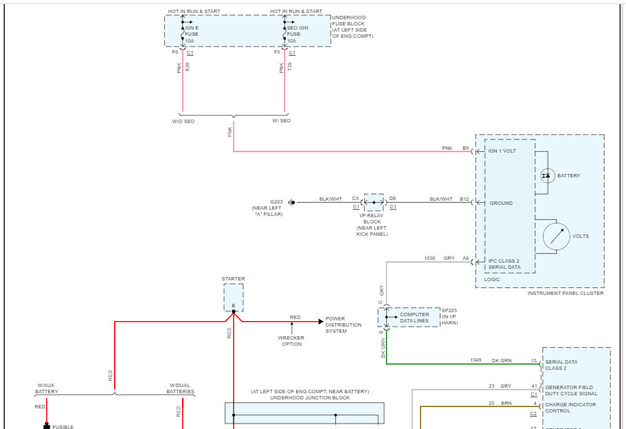
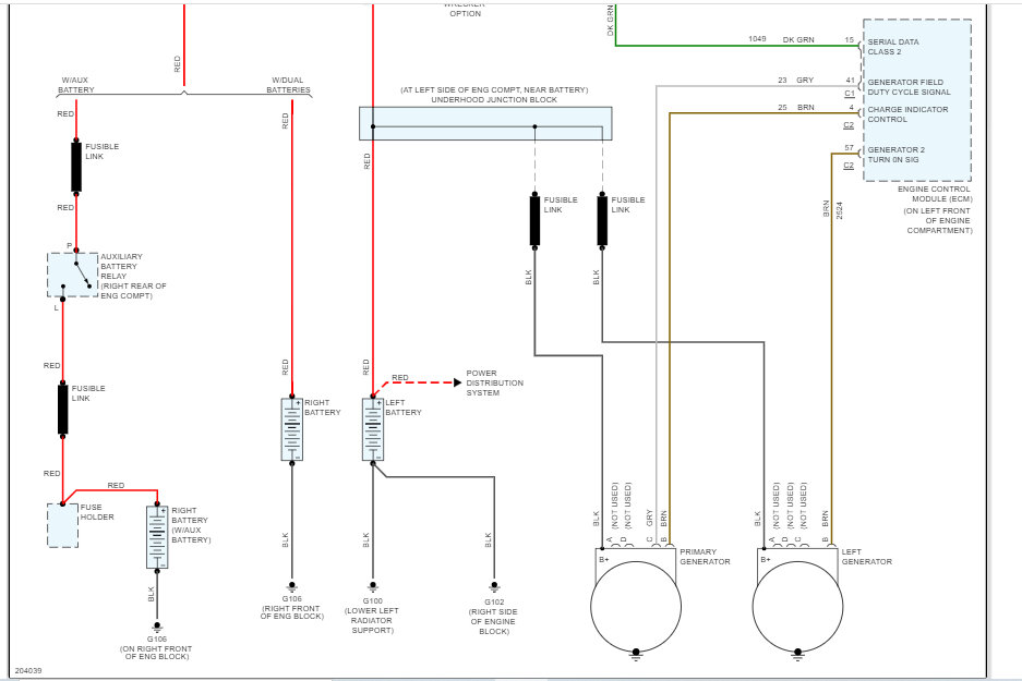
Truck is a c4500 Kodiak. It would not let me select that. A few days ago I had to jump start truck in the morning and then about 3 hours later it barely started. Checked batteries all 3 were 9 years old so replaced those but after it was only charging around 12 to 12.5 volts for 2 days. Then the transmission lost reverse then the gauges went out then the sputtered for a minute and shut off. Went back about an hour later fired right up still no gauges ran for about 3 to 4 minutes then shut off again. Replaced alternator figured that's what it was started up gauges came on power probe and battery gauges started at 9 volts. Idled about 8 minutes then shut off and wouldn't start. Have no idea where to start, any tips would help. Thankyou




