Wipers not working?

Tiny
EASYRIDER8700
  • MEMBER
  • 2003 DODGE DAKOTA
  • 3.9L
  • V8
  • 2WD
  • AUTOMATIC
  • 111 MILES
I have no wipers, I have checked all fuses, relays, replaced ign switch. I have no voltage at 20-amp fuse on left side of dash. I have looked at wires under dash everything looks good. I have jumped 12v pos, to the load side of 20a fuse and all wiper functions work. I do not have a wiring diagram. What color wire from ignition switch to the fuse? Is there anything else I can check?
Thanks
Monday, April 24th, 2023 AT 3:22 PM

4 Replies

Tiny
CARADIODOC
  • MECHANIC
  • 34,491 POSTS
Before you get too deep, unplug the ignition switch connector and check if there's two darkened terminals. The older style switch had a high failure rate for this type of problem. I never ran into this with this newer style switch, but we don't want to overlook something. If you find two overheated terminals, I'll describe how I handle those repairs.

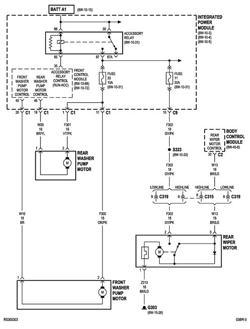
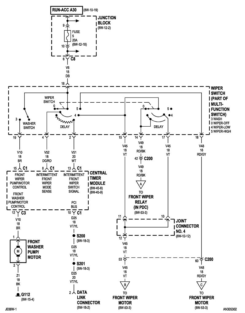
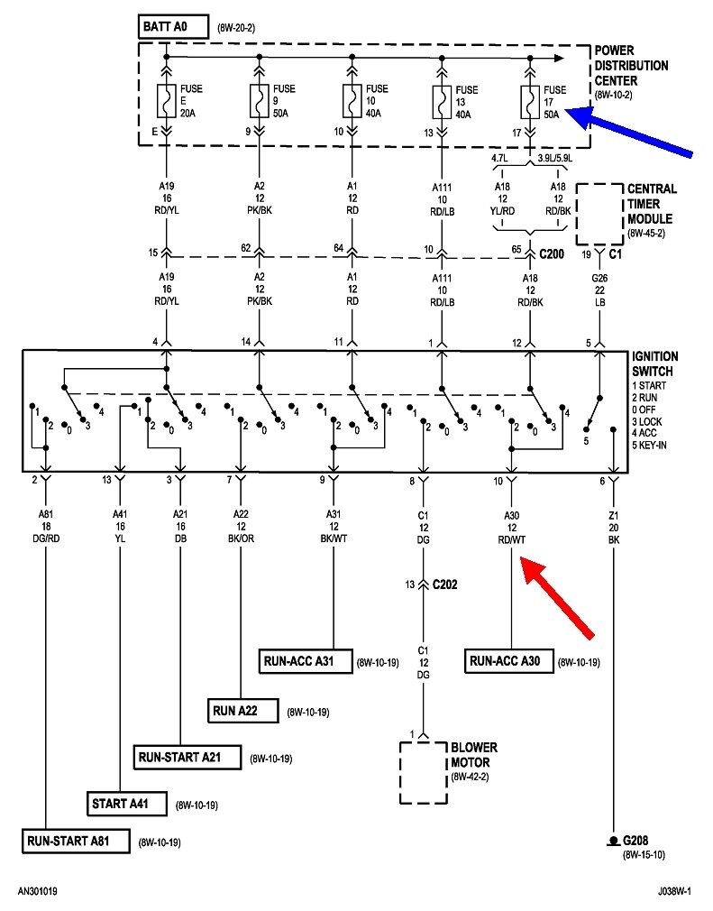
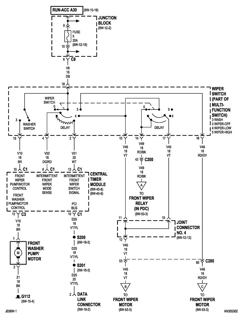
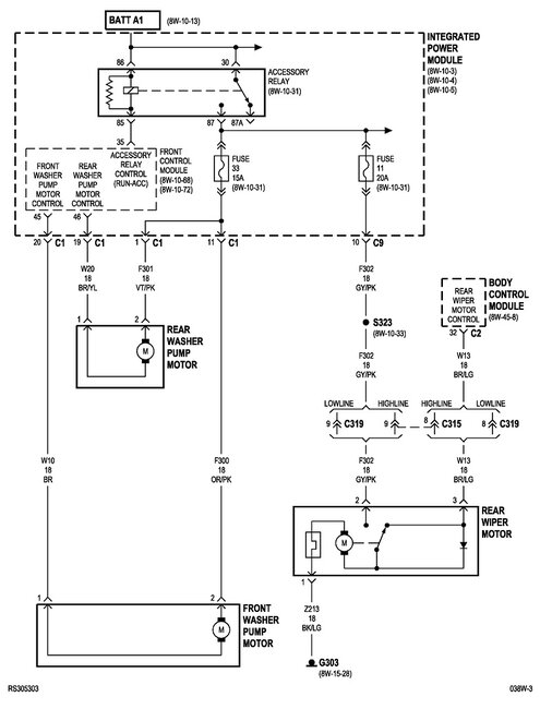
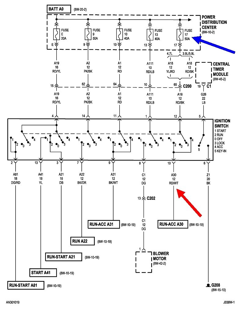
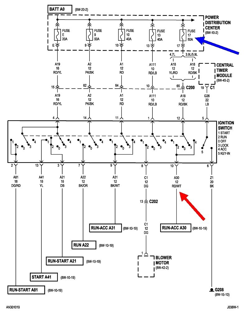
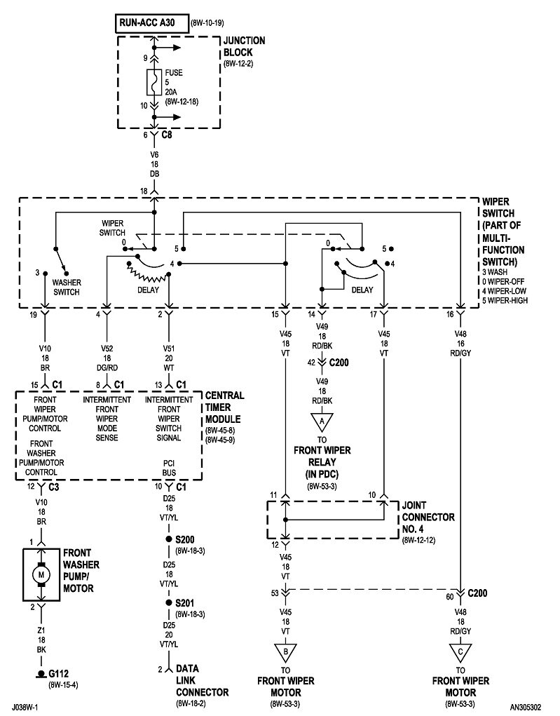
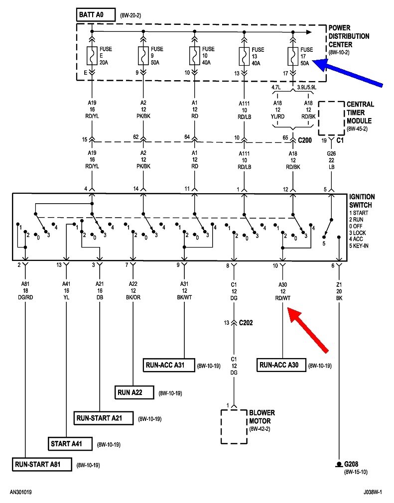
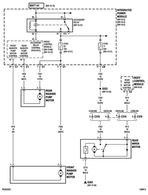
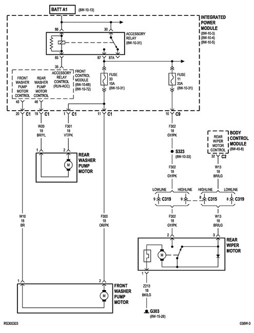
These first two diagrams are for the entire wiper system. Next is the Junction Block layout so others researching this problem will know what to look for. You're about a dozen steps ahead already in the diagnosis, so we'll start at the fuse you're on, number 5.

The last drawing shows that circuit comes through the ignition switch, and it is fed from fuse # 17 in the Power Distribution Center, (PDC). That's the fuse box under the hood. Fuses that large feed multiple circuits, so if it is blown, a number of other systems would be dead.

The wires you asked about are the red / black coming into the switch, and the red / white going out to that fuse # 5. For this type of problem, the voltage readings have more validity if taken with the connector plugged in. Back-probe next to the wires to take the readings.

Let me know what you come up with.
Was this
answer
helpful?
Yes
No
+1
Monday, April 24th, 2023 AT 5:13 PM
Tiny
EASYRIDER8700
  • MEMBER
  • 3 POSTS
Thanks, I didn't think of hot post on the plug, I did look at it, but not for hot spots. It will be tomorrow before I can look at it again. I will keep you posted.
Thanks.
Was this
answer
helpful?
Yes
No
Monday, April 24th, 2023 AT 6:06 PM
Tiny
EASYRIDER8700
  • MEMBER
  • 3 POSTS
Thanks, once again. Your information steered me in the right direction. This no wiper problem has been a weird one, to me at the least. The #17 fuse you mentioned in the pdc under the hood ciuld not be found, no numbers to go by. There are only 3 50a fuses: eng 3, start, and pw win. This truck is not equipped with power windows. I replaced the pw win fuse with the start fuse and I now have wipers. There is more to this dilemma. The pw win fuse check good with ohm meter, and has continuity. Two weeks ago I had a no crank issue. After about two days after checking everything, then scratching my head. I found the culprit to be the start fuse. It checked good, but was bad. Ther was a 50a fuse in the pw win slot so I replaced the start fuse with the pw fuse. It fixed the no crank issue. Since there is no pw win in the truck and the start fuse check good, I put it in the pw win slot. There are no power windows in the truck. To sum it up. I replaced start fuse with pw win fuse two weeks ago, the start fuse was bad, but checked good. Now the pw win fuse is bad, but checks good, the pw win fuse has a function even though the truck does not have power windows.
Problem solved thanks to you.
Thank you.
Was this
answer
helpful?
Yes
No
Tuesday, April 25th, 2023 AT 1:28 PM
Tiny
CARADIODOC
  • MECHANIC
  • 34,491 POSTS
I'm happy to hear you solved this. I hope you'll come back to see us with your next problem.
Was this
answer
helpful?
Yes
No
+1
Tuesday, April 25th, 2023 AT 1:59 PM

Please login or register to post a reply.