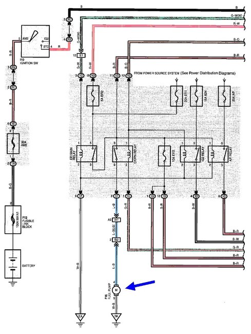
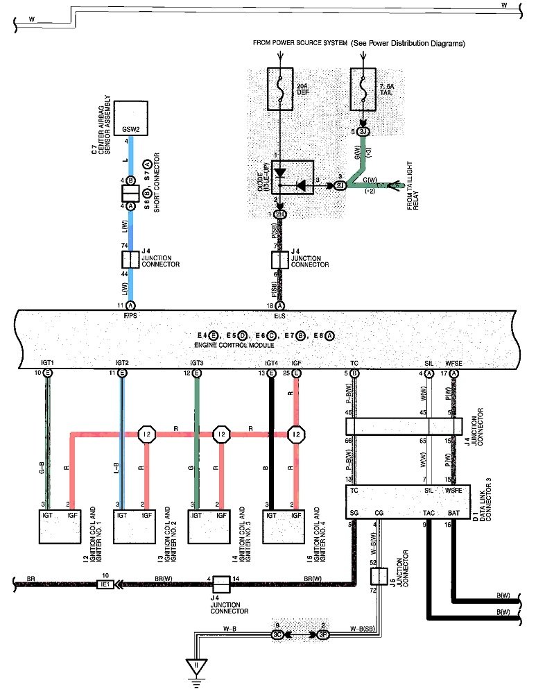
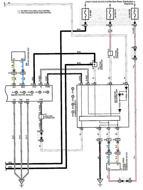
Monday, February 1st, 2021 AT 11:13 AM
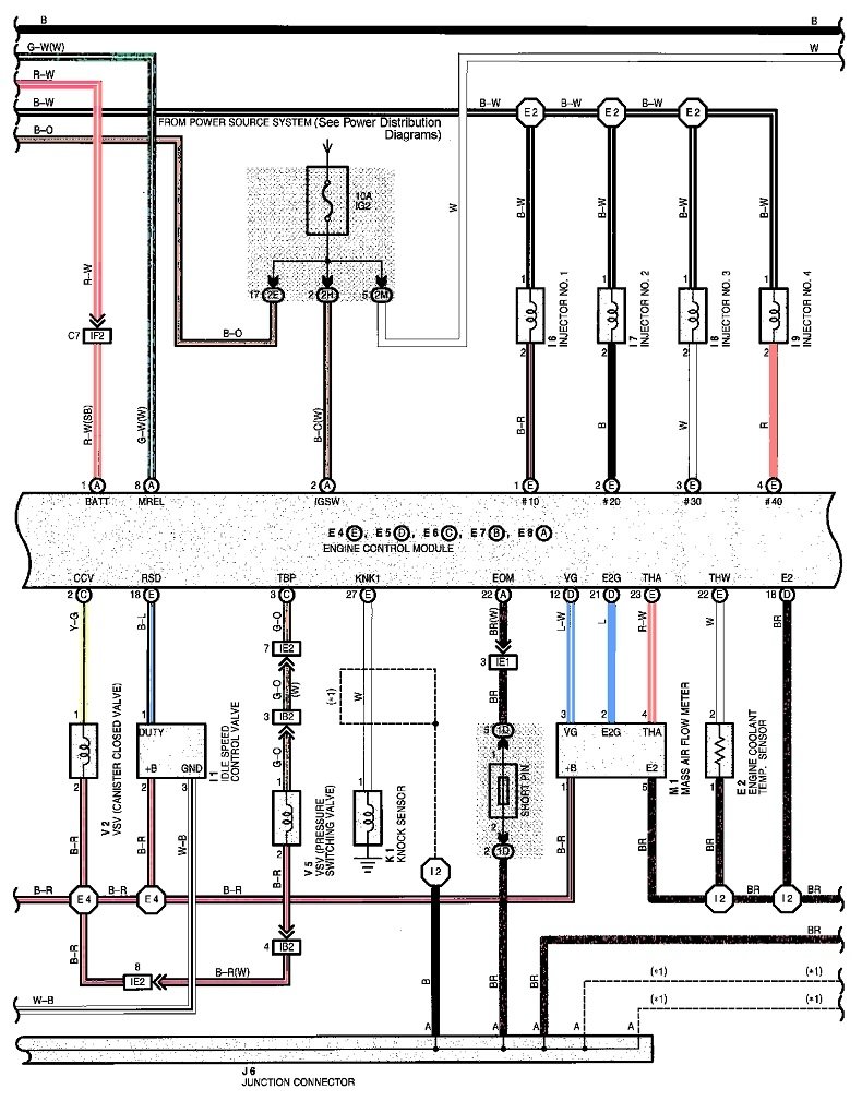
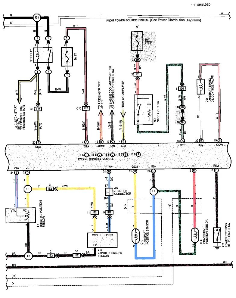
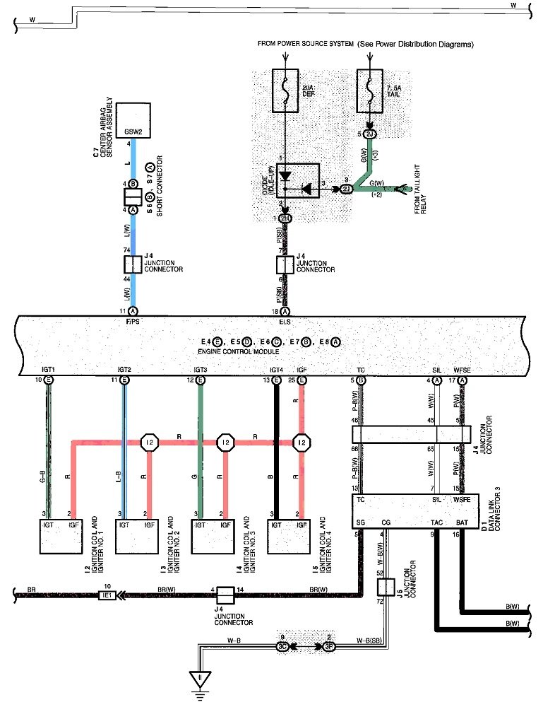
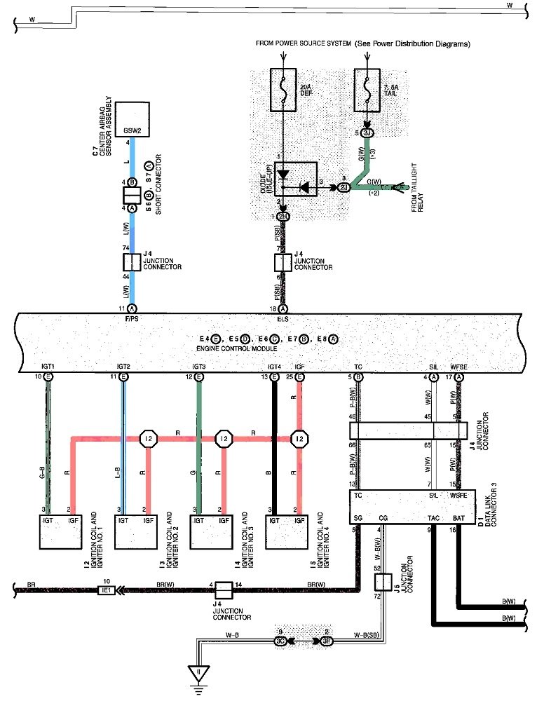
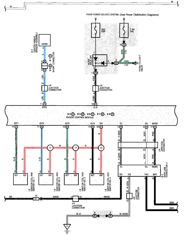
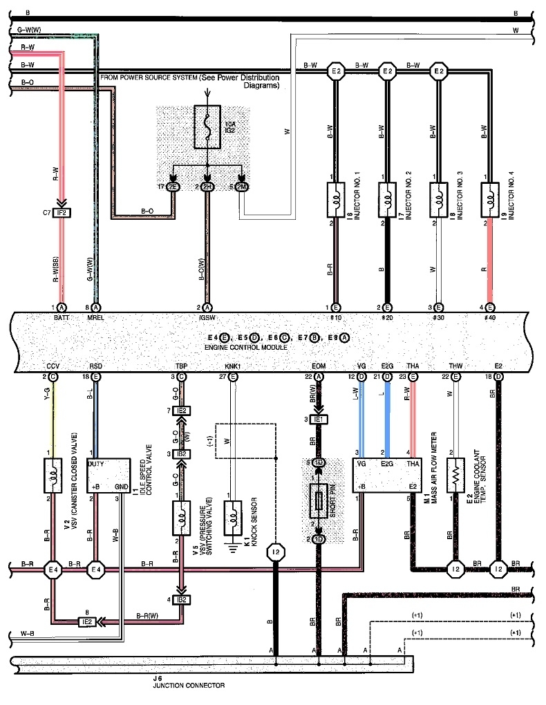
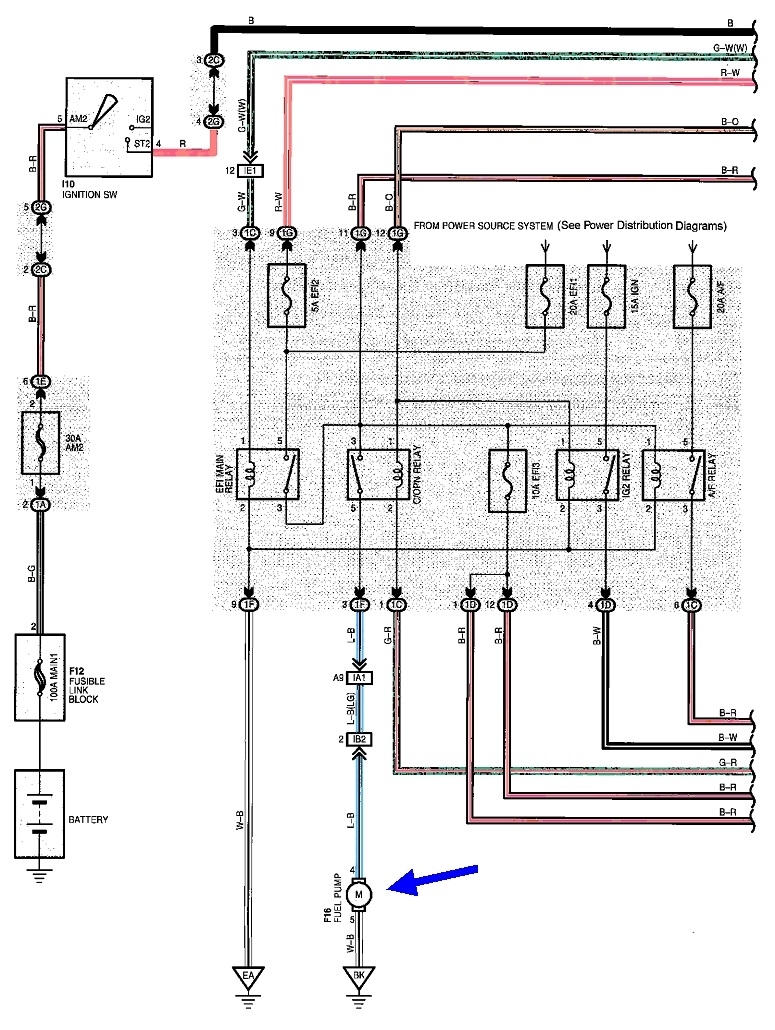
Hello, there is no voltage at the fuel pump. I have tested the fuses and relays they are okay. Please could you help me with the circuit diagram?








