No turn signals or wiper motor, hazards work

2008 DODGE SPRINTER
187,000 MILES
Avatar
FABRIGOL
  • MEMBER
  • 5 POSTS
No turn signals or wiper motor, hazards work. Replaced multi-function switch already.
May 10, 2019 at 10:17 AM
Advertisement
Repair Safety Notice: This information is for general instructional purposes only. Vehicle repair can be dangerous. Verify all information, follow manufacturer service procedures, use proper tools and safety equipment, and consult a qualified repair shop when needed.
Avatar
KASEKENNY
  • AUTOMOTIVE REPAIR CONTRIBUTOR
  • 18,907 POSTS
Hi Fabrigol,

Just so I am clear, your wiper motor and turn signals do not work but your hazards do work.

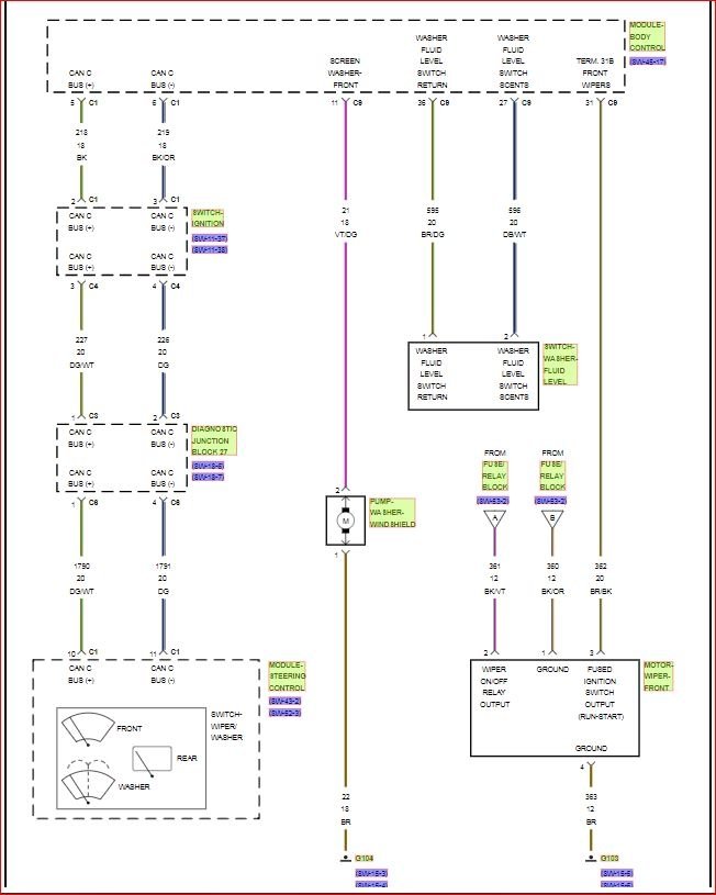
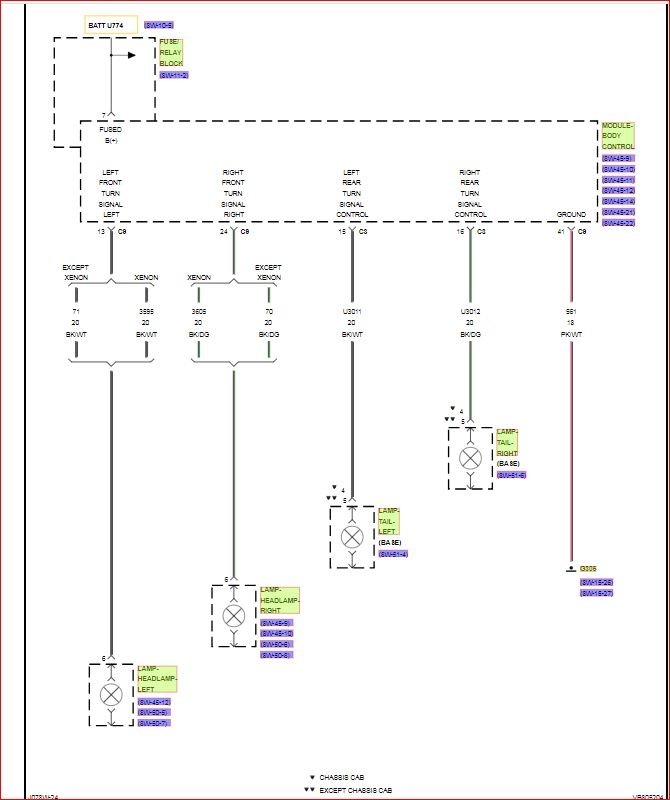
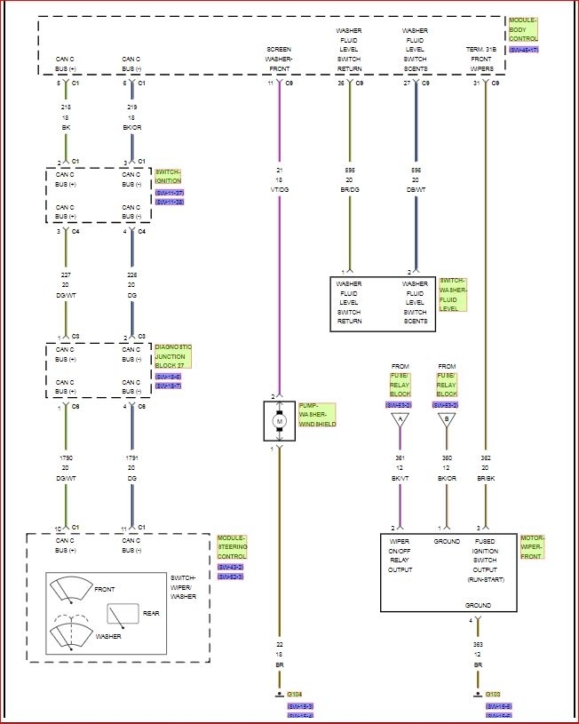
If this is the case, I suspect your issue is the body control module. All three of these functions are inputs to the BCM through what is called the CAN BUS network. In other words, this is like the super highway that each of these components send and receive messages. So the switch that you turn on and off for each of these functions, sends a communication message to the BCM and then the BCM sends voltage to the proper place. I included the wiring diagrams but the best way to test this is to monitor the BCM with a scan tool and turn on each of these components. Then on the scan tool you will be able to see if the BCM gets that message. More than likely it will see the message but there is an issue with the BCM that it cannot send the message.

This is assuming that the bus is communicating properly but if these are your only issues then most likely it is. The fact that your hazards work, shows the turn signal circuity and bulbs are intact but the command for the turn signals is not functioning. Also the wipers is run through the BCM as well.

Let me know if this make sense and if you have a scan tool that can communicate on a CAN bus system. Just so you are aware, a code reader is not able to do this.

Thanks
May 10, 2019 at 5:57 PM
Avatar
FABRIGOL
  • MEMBER
  • 5 POSTS
I actually hooked up an Autel scanner and the wiper works only on the high speed when commanded. The turn signals do not work when commanded.
May 10, 2019 at 6:40 PM
Advertisement
Avatar
FABRIGOL
  • MEMBER
  • 5 POSTS
The wipers do not work on low speed. Headlamps are on but highbeam will not activate.
May 11, 2019 at 4:42 AM
Avatar
KASEKENNY
  • AUTOMOTIVE REPAIR CONTRIBUTOR
  • 18,907 POSTS
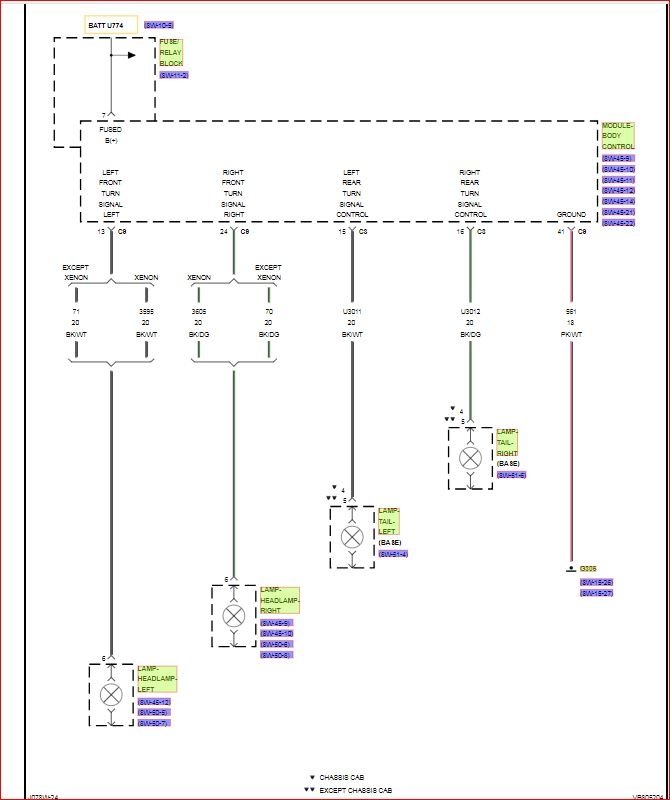
Unfortunately, it appears each of these items are controlled by the BCM. Each switch input is a bus input to the BCM and then it turns the wiper motor on/off, the headlamps and etc.

I don't see any other correction but to replace this. From what I understand these are not cheap so it would be worth having it checked out just to confirm what I am seeing. However, I am sure based on what I am seeing they will come to the same conclusion. I included the instructions on how to replace it if you want to to do it but just be aware that this module will need to be programmed after it is installed so you will want to line that up prior to replacing it.
May 12, 2019 at 12:26 PM
Advertisement