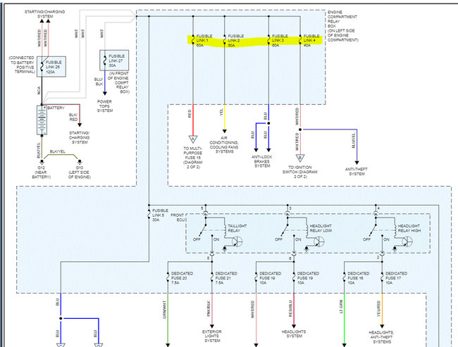
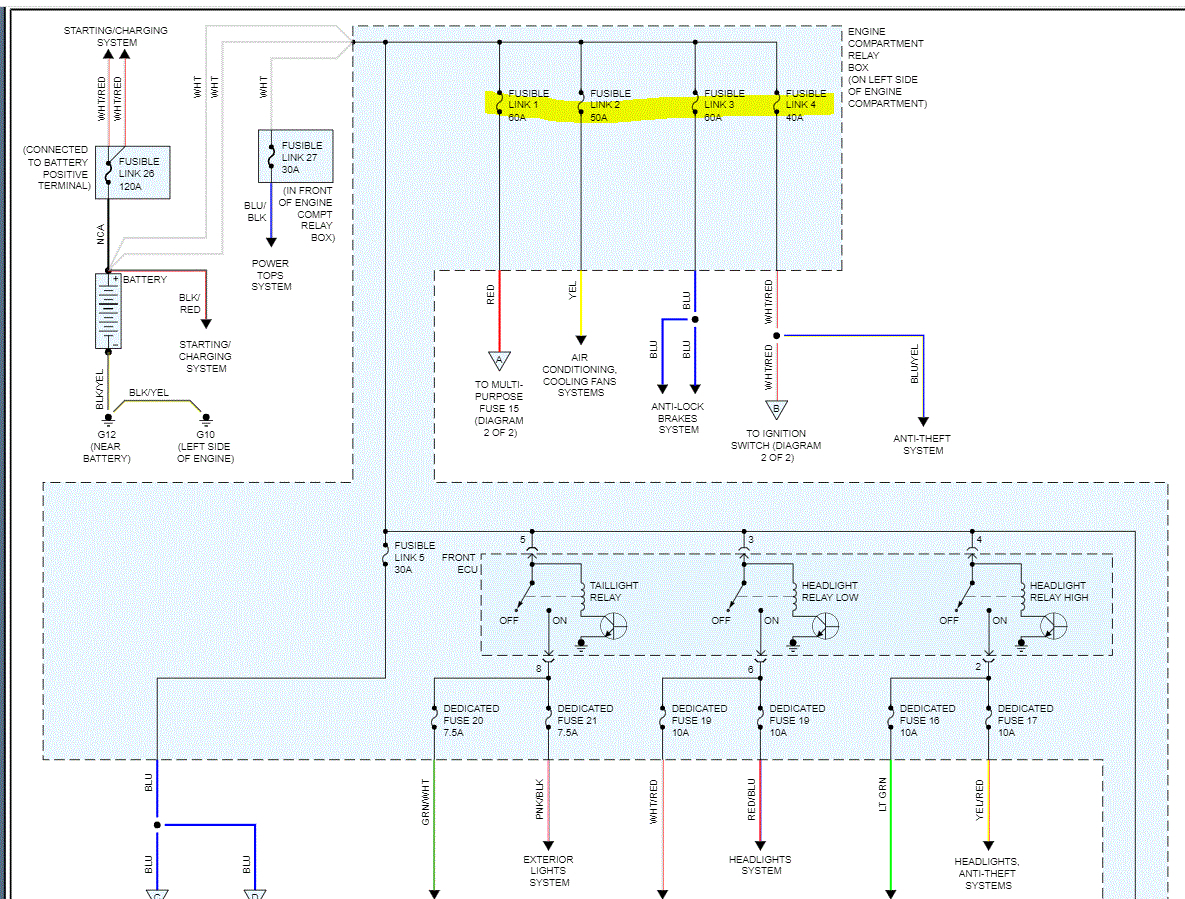
There is a constant clicking noise coming from the front ECU. I pulled the ECU cover and tried to determine by touch which relay was clicking but I can't tell. Battery is old but voltage is good.
When it happened before I got lucky, and it started fine but I don't know exactly what corrected it. I suspect it's a sensor somewhere that triggers this, but I've messed with different things whenever it happened. Things like it seems to happen if I turn the headlights off before shutting off. An open door doesn't ding like it should when this happens, it's a steady high-pitched sound. If left alone the clicking will drain the battery.
Disconnecting the battery doesn't clear it out. I thought clearing the codes fixed one time but that apparently was a fluke.
I don't suspect a bad ECU relay because it is working (clicking) but the signal it receives is probably intermittent. Then again, I just thought the relay might not be latching for some reason. I just need to find which one is clicking so I know where else to look.
Monday, January 24th, 2022 AT 6:18 PM




