Thursday, November 23rd, 2017 AT 2:48 PM
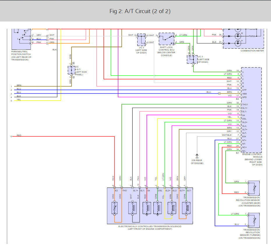
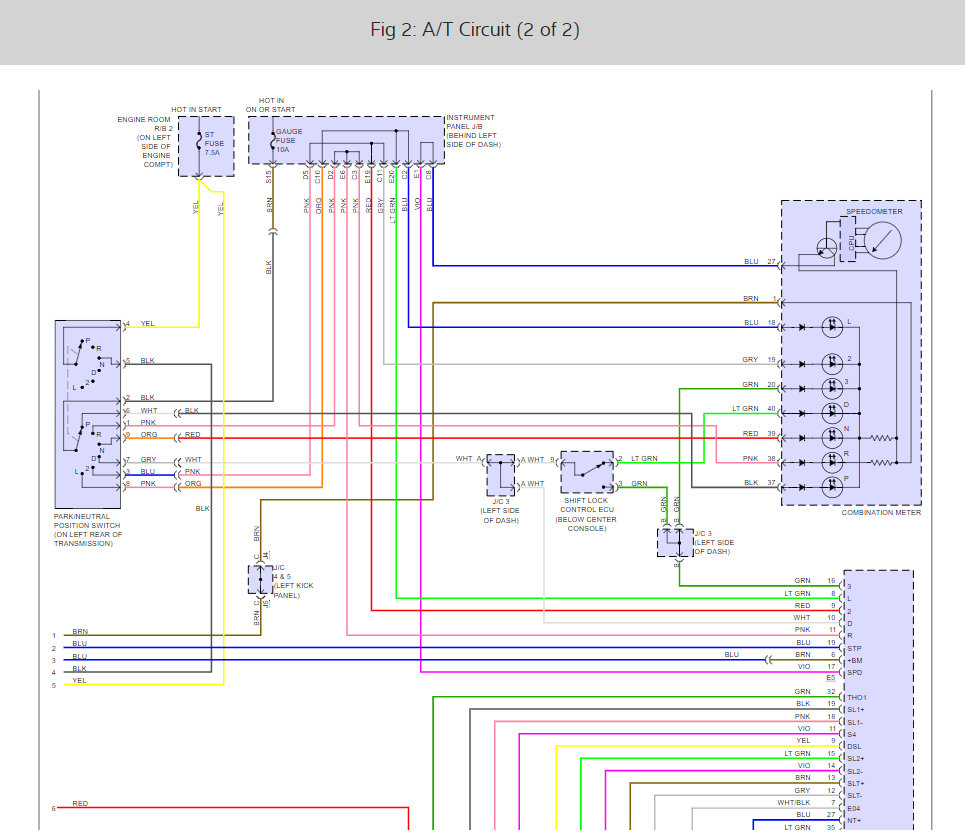
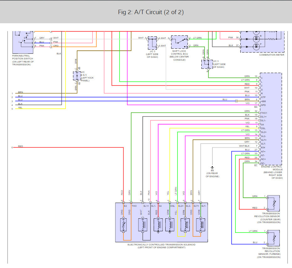
My car was working just fine, I pulled in to a gas pump after backing out of work put gas in put car in reverse and car would not go. In reverse acts like it is in neutral. So check engine light comes on I take it and have it scanned it says P0766, the shift solenoid is stuck off or low voltage. So I changed transmission fluid and filter still would not work. So I bought the sensor and changed it out reset the ECM and still will not go in reverse. On jack stands it will go in reverse, but not very much output. If it is on the ground it will not go at all but all four gears 1, 2, 3, 4 work fine I can drive it just cannot back up. Please any help is very much appreciated.








