Thursday, August 22nd, 2019 AT 6:30 AM
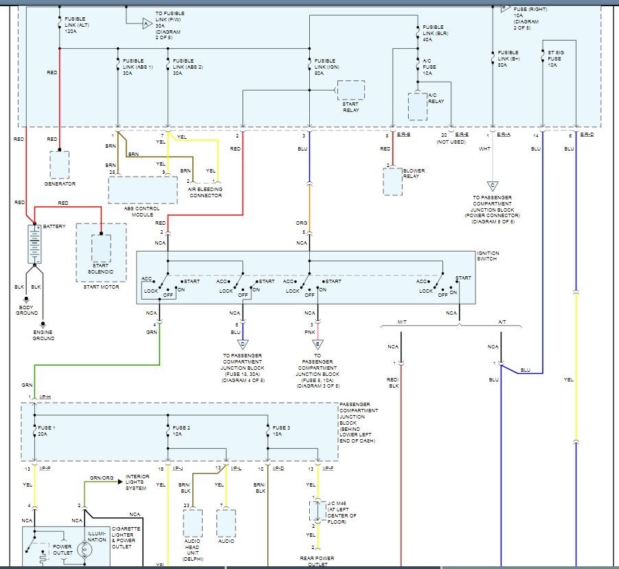
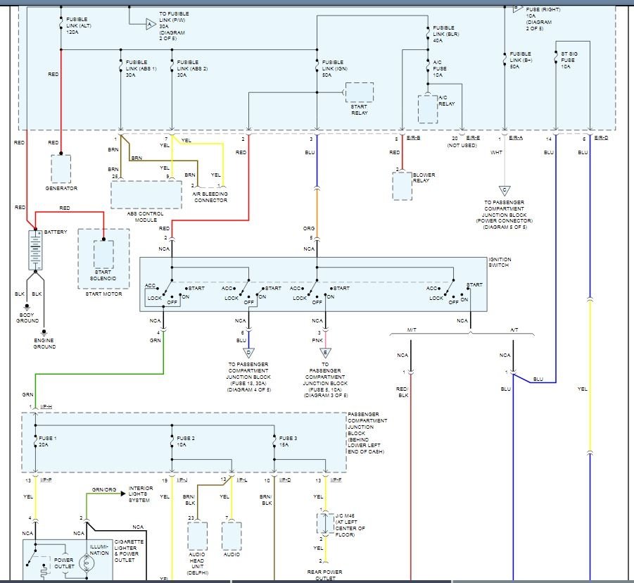
Car has set for several months. No power to anything except door locks. No headlights, dome lights or anything else electrical. New battery. Nothing happens when you key on key. All fuses test good. Suspect 50 amp IGN. Fuse link or ignition switch. Car was running fine when parked.



