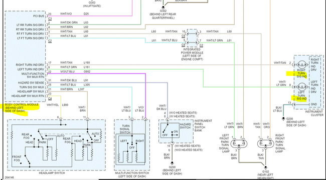
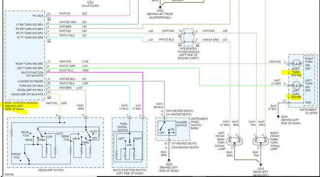
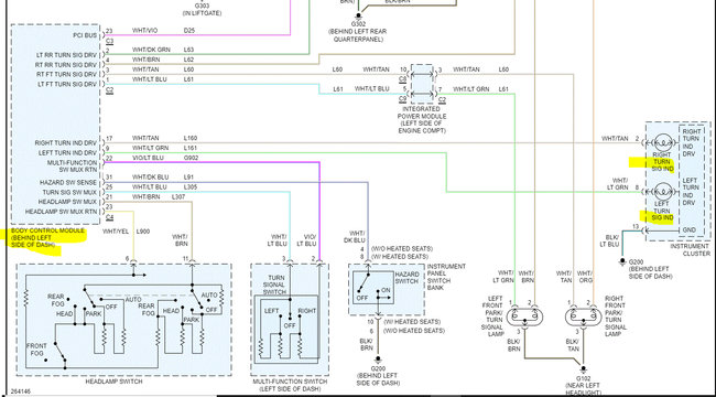
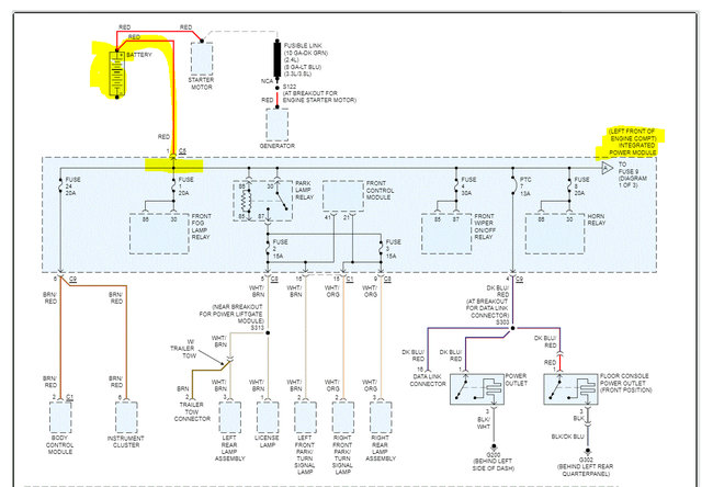
When installing the new core I unhooked the bottom of the doghouse, the brake pedal, the steering column, and I took off the plastic cover under the steering wheel where you could see the air bag. I did not see anything that was unhooked.
Does anyone have any ideas on what caused this?
Friday, January 7th, 2022 AT 8:31 AM




