No interior lights on dash and wiper motor not functioning

Tiny
DADDYT555
  • MEMBER
  • 1977 JEEP CJ5
  • 1.4L
  • 6 CYL
  • 4WD
  • MANUAL
  • 57,000 MILES
I am trying to understand why when I turn my vehicle over the courtesy lights will turn on, but go out with in seconds. I switched out my wiper switch and motor, but will not function. When I press the switch the washer pump runs and when I turn the switch to low and high it still functions but the wiper motor will not turn. I checked the fuse and it is still fine. I am not sure where to start figuring out the issue.
Sunday, December 16th, 2018 AT 7:57 PM

17 Replies

Tiny
CJ MEDEVAC
  • MECHANIC
  • 11,005 POSTS
Do you have a voltmeter (preferred) or a test light?

Have you tinkered with any wiring or replaced anything prior to this happening?

The Medic
Was this
answer
helpful?
Yes
No
Monday, December 17th, 2018 AT 4:43 PM
Tiny
CJ MEDEVAC
  • MECHANIC
  • 11,005 POSTS
I have a 1946 and a 1977 too.

Lets start with the wipers.

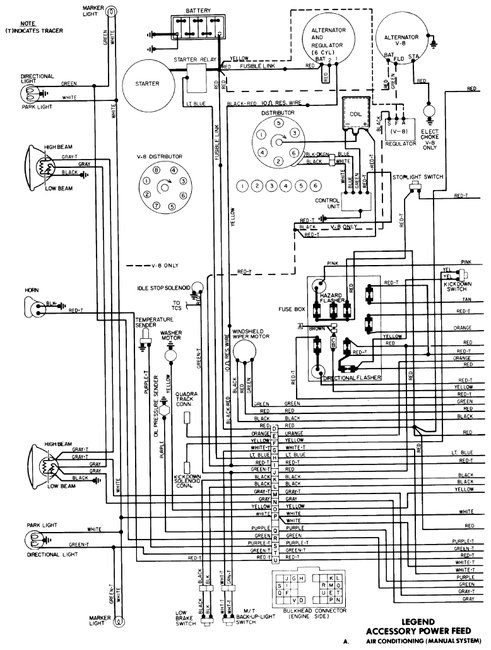
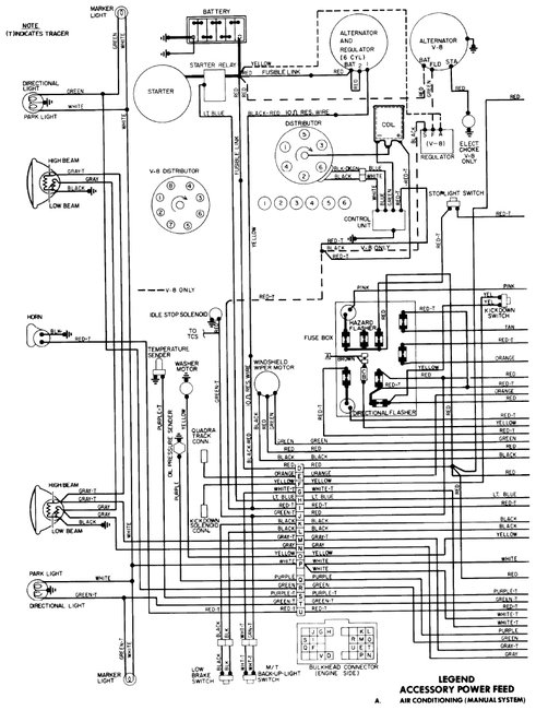
I colored this diagram out of a manual.

Any wire with black/other dashes along it is a wire with a tracer/stripe (the manual did not denote the color of the tracer - the dashes do help out anyway!

Picture 1 shows the switch, connector and the wiper motor.

Concentrate on the connector (three females)

Picture 2 is of the dimmer switch and it's connector, 100% unrelated to your problem except for what can happen to the connector (this can happen to any connector!)

Picture 3 dimmer switch connector. (Sorry, I did not have a picture of one that is actually melted and pushed back).

Any progress?

The Medic
Was this
answer
helpful?
Yes
No
Monday, December 17th, 2018 AT 6:15 PM
Tiny
DADDYT555
  • MEMBER
  • 8 POSTS
No progress as of yet. I do have a multi meter, but unsure how to figure out where to place the pointers to figure out where and what has power.
I have have the fuse box pulled apart and started puling the tape around the electrical bundle away thinking I would have to follow the red with white dash wire back to figure out which one it is.
Was this
answer
helpful?
Yes
No
Monday, December 17th, 2018 AT 6:23 PM
Tiny
DADDYT555
  • MEMBER
  • 8 POSTS
Spent a little more time with the motor wiring. I was able to connect a 12 volt source to the motor and it did run, however, only when leads were connected to green and red wires in either direction. I did a resistance test on the switch. When grounded to the bottom connector of the switch I get continuity at all three posts. I tested voltage at the red line coming out of the fuse panel and it read 12 volts. I get zero voltage out of the yellow line that I believe is the washer pump, however I do have a continuity reading of.03 when grounded to a ground in the dash panel.

When looking at your wiring diagram I see the motor plug into the three connectors in the center of the switch, the red line plugs into the bottom connector and the yellow along the top. I am reading this correctly it would seem Omix-Ada had provided me a the wrong switch. My switch has five connectors. The motor plugs into the top three leads and the yellow and red would plug into a center connector and another at the bottom. Would this make a difference if the orientation of yellow and red connectors is different from the diagram you showed me?
I cannot seem to source a switch that looks like the one you showed me in the diagram.

Thanks for your time. I would really like to solve this so my son has a fun little ride for his first vehicle.
Was this
answer
helpful?
Yes
No
Tuesday, December 18th, 2018 AT 9:34 AM
Tiny
CJ MEDEVAC
  • MECHANIC
  • 11,005 POSTS
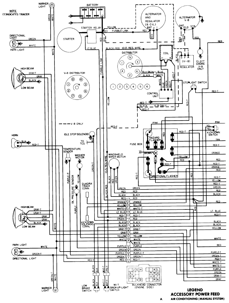
That diagram I've been using is for a 1979. (Scanned from a paper manual, then I colored each wire with MS Paint)

I even had the office store blow up both halves. I connected them where they overlapped and then they laminated it for me. If I recall right, about $25.00. You just can't beat a giant colored diagram!

I have a nice 1977 diagram from "Prodemand", I've been meaning to color it as I did with the 1979, I've not posted it yet, I hope it's not blurry.
Much of it is the same except the ignition system and the fuse box.

I'll send you the diagrams, as it looks like you know how to trace wires.

I upgraded my unreliable 1977 "Prestolite" ignition system to "Motorcraft" (which was adopted in 1979 by AMC)

Are you sure the orientation is not a mirror image of the switch?

Is one of these yours? (See picture)

The Medic

I don't know what I did, but the body of this post may be long and blank? (Hit a button or something?)

Pictures will be at the bottom

Left and right halves the 1979 first, then the 1977.
Was this
answer
helpful?
Yes
No
Tuesday, December 18th, 2018 AT 4:14 PM
Tiny
DADDYT555
  • MEMBER
  • 8 POSTS
Yep, that is the same diagram I have with the indistinguishable markings along the fuse panel. The switch connector layout is the same as is shown in the fifth picture you attached.

I have a question on grounding. It would seem I have continuity now in my switch at the low and high setting. The black connector remains constantly at unless switch in park.

Now, if you recall I can run my motor through direct contact with 12 volt source. However when I connect the source through the switch in will not run the motor. Would it then make sense I do not have a good ground and should run the black wire to a good ground in lieu of connecting it to the switch?

Also, I was able to get 12 volts coming to the red wire from the fuse panel that goes into the wiper switch (call this wire 1). I get the same with the hot wire running to the heater fan switch (call this wire 2). When plug wire 1 into wiper switch I get a dead switch. When I plug the wire 2 into the switch I get no motor action, but I do gain the washer pump action. If my assumption is correct, that I have a bad ground. Would that indicate I likely have a grounding issue as well as a bad positive wire 1 connector?
Was this
answer
helpful?
Yes
No
Wednesday, December 19th, 2018 AT 9:08 AM
Tiny
CJ MEDEVAC
  • MECHANIC
  • 11,005 POSTS
I want you to cease playing with the wipers until I can orchestrate you some really good diagrams and explanations.

I can explain this really good for you, as I think you have over-thunk the way it works. I'll try to work this all out for tomorrow if the wife will let me have my time and not Christmas honey-dos!

See you tomorrow!

The Medic
Was this
answer
helpful?
Yes
No
Wednesday, December 19th, 2018 AT 8:28 PM
Tiny
DADDYT555
  • MEMBER
  • 8 POSTS
Fantastic. Thank you
Was this
answer
helpful?
Yes
No
Thursday, December 20th, 2018 AT 5:36 AM
Tiny
CJ MEDEVAC
  • MECHANIC
  • 11,005 POSTS
I'm back!

The switch I show in my diagram is the correct one.

Testing the switch is simple.

Connect your voltmeter (ohms continuity)

One lead to 33 the other to 30. You should get nothing, push the knob and you should have continuity. Washer circuit is good!

Leave the lead on 33 and move the other one to "1" (off). If the switch is in the off position you should have continuity. (Yes, "off" is powered)

Stay on 33 and move to "2" (low speed) with the other lead, move the switch to low speed, you should have continuity.

Last, stay on 33 and move the other lead to "3" (high speed), move the switch to high speed, you should have continuity.

When actually testing with 12 volt jumper to the wiper connector (not through the switch), remember "2" and "3" may randomly stop the wiper shaft anywhere in their travel. Powering "1" (off) afterwards should move the motor back to the park position and then stop.

So, it's possible we may have some defective parts?

Sorry I took so long, it's kind of busy around here at Christmas time.

Keep me posted.

The Medic
Was this
answer
helpful?
Yes
No
Friday, December 21st, 2018 AT 8:43 PM
Tiny
DADDYT555
  • MEMBER
  • 8 POSTS
Hope you had a good holiday. I am back at it. Plugged in a new motor and switch. Installed to dash and onto windshield. Continuity in all circuits. Power into switch verified. Washer pump working at each switch position however no function out of motor?
Screws are tight at motor in to windshield frame. How do I ensure I have a good ground at the motor connection because that seems to be the only thing I could think of that is off?
Was this
answer
helpful?
Yes
No
Wednesday, December 26th, 2018 AT 7:58 AM
Tiny
CJ MEDEVAC
  • MECHANIC
  • 11,005 POSTS
Let's back up a second.

The motor's output shaft is not in a bind?

You can run a temporary wire from the wiper motor to the negative side of the battery, insuring you have a great ground.

Do you have a body ground from the battery? See my picture.

Bypass the switch as a test:

One at a time, jumper wire "Wire 33" to "2" on the connector. Then try the same for "Wire 33" to "3".

If results are not good, try "2" and "3" one at a time from the positive side of the battery.

Results?

The Medic
Was this
answer
helpful?
Yes
No
Wednesday, December 26th, 2018 AT 6:02 PM
Tiny
DADDYT555
  • MEMBER
  • 8 POSTS
So, great success! Grounded to battery and all works. Hooked a ground to a bolt on motor and then ran a ground to the interior frame. Hooked up the wiper arms voila swish swish locked up. Lol. I noticed the driver side arm locks up as it returns. The joint at the driver wiper pushes out and it locks the ability of the motor to return. I tightened the nut on the exterior of the frame and that seemed to hold it in better so it will continue to cycle back and forth, but I fear this will wear the windshield frame metal until it breaks. Not sure how to reinforce it.

But a huge thank you to you for your help with figuring out getting me to this point.

Hey, have you ever come across this? I replaced front and back brakes (front disc, back drums) replaced the master cylinder three times. I did this because I have small leak out the back of the master between the booster and the master. I checked the booster and it holds vacuum and the brake pedal returns after pressing. I have a full pedal when braking although it travels and two to three inches before engaging. I just don’t know how all three masters would leak past the piston seal. Any thoughts?
Was this
answer
helpful?
Yes
No
Wednesday, December 26th, 2018 AT 7:06 PM
Tiny
RENEE L
  • ADMIN
  • 1,260 POSTS
Hello,

Please post your brake issue as a new question as it does not pertain to your original question. The site cannot properly index your question.

For your convenience here is the link: https://www.2carpros.com/questions/new
Make sure you are logged into the site before clicking on the link.

Thank you for using 2CarPros and have a great rest of your evening.

Renee
Admin.
Was this
answer
helpful?
Yes
No
Wednesday, December 26th, 2018 AT 7:33 PM
Tiny
CJ MEDEVAC
  • MECHANIC
  • 11,005 POSTS
So,

Wiper electrical issue is fixed?

With your wiper linkages,

You need to take out the rods and the swivels (axles), Bend everything back to their original positions.

When I got my last/ present 1977 CJ-5 back in 1991, had the same issue, maybe even worse. The passenger side "hump" was torn halfway out due to the binding and popping of the swivel/ axle.

At the time I had no fundage to replace windshield frame.

I made a really cheap repair, and still have it today!

(One day I'll replace it with a fiberglass, non-rusting frame!)

So what I did was found a busted up windshield frame at a self serve auto salvage yard. With some nice cold soft drinks before I even went in there, and just a little whining when I got back to the office/shed. They gave me the useless frame.

It's been so long, I think this was a pre-1975 frame (still worked as I wanted it to).

I rough cut the "hump" section out for both sides, then I done some shaping. I installed them on top of the ones on my Jeep with a dose of silicone and some rivets and we were operational once again! Kind of looks "different" but it's now double thick. Been there now for 27 years.

They're not too awful noticeable, are they?

See my pictures below.

Soon as we get done with this fix, I want you to submit a new question for the brakes.

Ask for me in the submission. (CJ MEDEVAC)

The big guys want to keep the fixes separate so that a "Google search" will get a new feller to exactly what he wants to see for his vehicle.

Yes, we can keep on and on with your fixes! I love helping CJs!

I'll pick you back up in the new list after you answer here and submit the new one.

The Medic
Was this
answer
helpful?
Yes
No
Wednesday, December 26th, 2018 AT 7:46 PM
Tiny
CJ MEDEVAC
  • MECHANIC
  • 11,005 POSTS
So,

Wiper electrical issue is fixed?

With your wiper linkages,

You need to take out the rods and the swivels (axles), Bend everything back to their original positions.

When I got my last/ present 1977 CJ-5 back in 1991, had the same issue, maybe even worse. The passenger side "hump" was torn halfway out due to the binding and popping of the swivel/ axle.

At the time I had no fundage to replace windshield frame.

I made a really cheap repair, and still have it today!

(One day I'll replace it with a fiberglass, non-rusting frame!)

So what I did was found a busted up windshield frame at a self serve auto salvage yard. With some nice cold soft drinks before I even went in there, and just a little whining when I got back to the office/ shed, They gave me the useless frame.

It's been so long, I think this was a pre-1975 frame (still worked as I wanted it to.)

I rough cut the "hump" section out for both sides, then I done some shaping. I installed them on top of the ones on my Jeep with a dose of silicone and some rivets and we were operational once again! Kind of looks "different" but it's now double thick. Been there now for 27 years.

They're not too awful noticeable, are they?

See my pics below.

Soon as we get done with this fix, I want you to submit a new question for the brakes.

Ask for me in the submission. (CJ MEDEVAC)

The big guys want to keep the fixes separate so that a "google search" will get a new feller to exactly what he wants to see for his vehicle.

Yes, we can keep on and on with your fixes! I love helping CJs!

I'll pick you back up in the new list after you answer here and submit the new one.

The Medic
Was this
answer
helpful?
Yes
No
Wednesday, December 26th, 2018 AT 7:47 PM
Tiny
DADDYT555
  • MEMBER
  • 8 POSTS
Great suggestion on fix. I just realized I could add photos videos. I will try to clip a video or shot next time of my ride. And yes would sure like to continue gaining your insight as I need to continue getting into interior lights, but I need to do a little digging of my own to see if I can find the actual ground location for them.

I will repost the brakes question.

Thanks for help.
Was this
answer
helpful?
Yes
No
Thursday, December 27th, 2018 AT 3:45 AM
Tiny
CJ MEDEVAC
  • MECHANIC
  • 11,005 POSTS
Sounds like a plan.

I almost forgot about the lights.

If my diagrams are not enough, let me know, I'll try to dig deeper.

The Medic
Was this
answer
helpful?
Yes
No
Thursday, December 27th, 2018 AT 5:23 PM

Please login or register to post a reply.