Saturday, October 12th, 2019 AT 6:04 PM
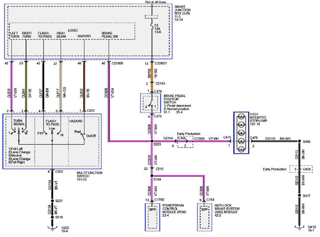
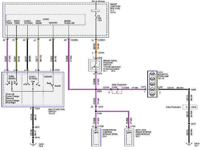
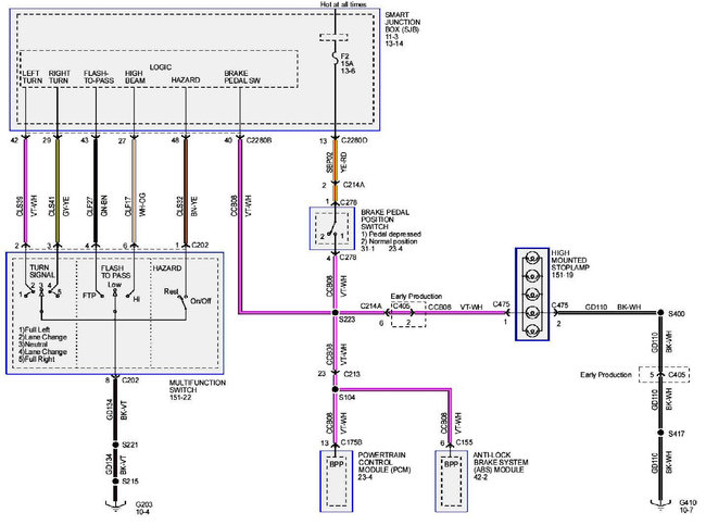
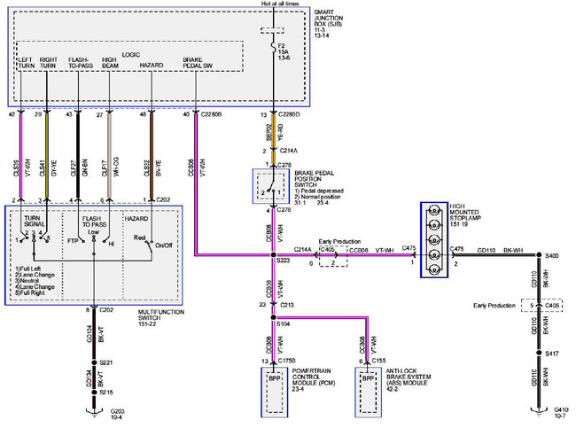
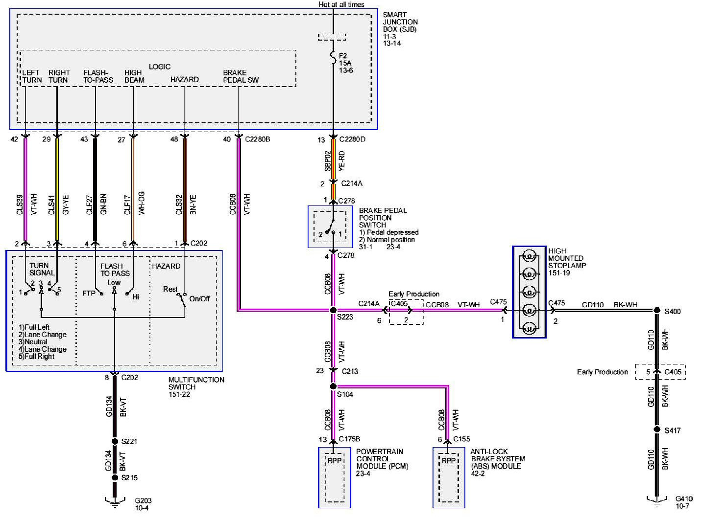
I have the car listed above SES. Back work fine, running lights work fine, front and back. Just no front blinkers. I have checked the fuses, changed out the multi-function switch, changed the front bulbs, checked for power in the front and it is getting none. I need help. Is there a relay or something that I haven't checked yet? Advanced auto parts has a multi-function relay. But I can't find where it would be located on the car to change. Any help at this point would be appreciated. Thank you for your time and efforts in advance.




