No coolant fan opperation

Tiny
RICHARD E. LEE
  • MEMBER
  • 2008 FORD EDGE
  • 3.5L
  • V6
  • 4WD
  • AUTOMATIC
  • 132,644 MILES
I have 3 volts at pin #48. I believe for coolant fan module but no power at module. Replaced module then did pin test to find no ECM white and blue wire voltage at module plug.
Sunday, October 18th, 2020 AT 2:55 PM

3 Replies

Tiny
BMDOUBLE
  • MECHANIC
  • 1,139 POSTS
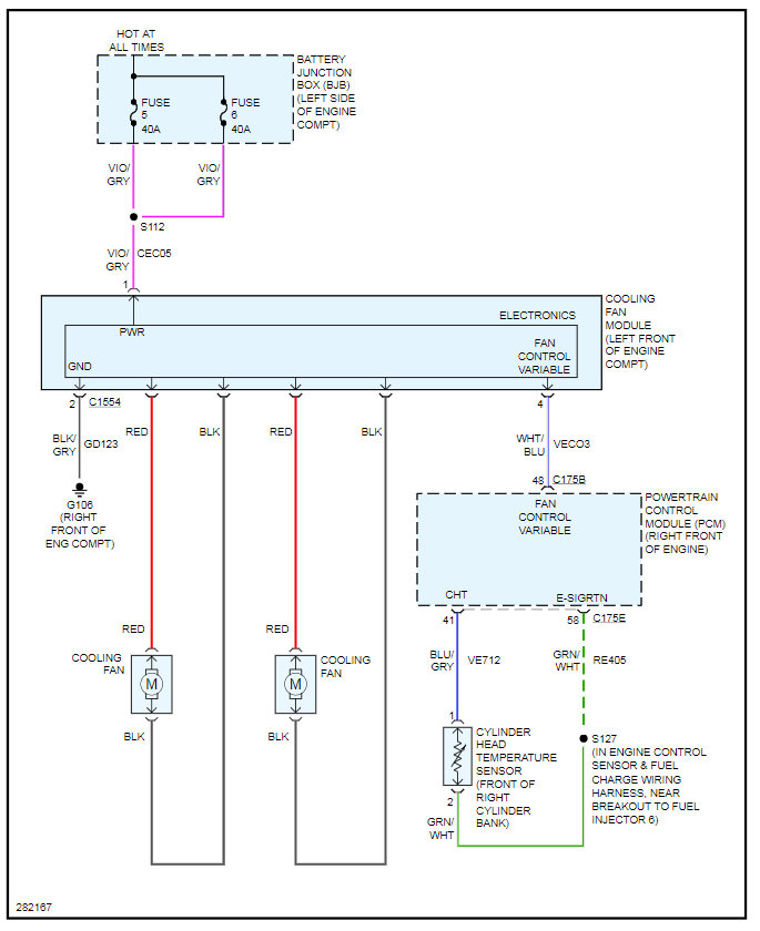
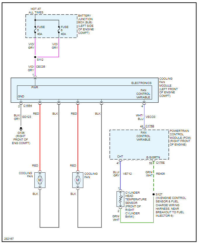
The circuit at pin 48 is a pulse width modulated circuit and you are reading the average voltage that the pcm is putting out. You should verify voltage and ground to the cooling fan module with a load. Burned pins at the fuse box have been found several times at my shop. I've attached an illustrated diagram to help you out.
Was this
answer
helpful?
Yes
No
+2
Sunday, October 18th, 2020 AT 8:53 PM
Tiny
RICHARD E. LEE
  • MEMBER
  • 1 POST
I have great voltage and ground in all locations. Seems almost as if whit blue wire is broken between PCM and module. So I'm wondering if others have had this?
Was this
answer
helpful?
Yes
No
Monday, October 19th, 2020 AT 1:29 PM
Tiny
KASEKENNY
  • MECHANIC
  • 18,907 POSTS
Just to add my 2 cents because BMDouble is correct. This Fan Control is a variable voltage signal so if you have voltage at pin 48, do you have the same voltage on pin 4 at the cooling module?

If the fan doesn't work at all and you have voltage there then the wire is not broken. You can check this another way by disconnecting it from the PCM and module and check the resistance. You should have less then a half ohm on that wire. However, when you say you have voltage and ground everywhere, do you have voltage at both fans and they don't come on?
Was this
answer
helpful?
Yes
No
Thursday, October 22nd, 2020 AT 1:55 PM

Please login or register to post a reply.