Saturday, February 6th, 2010 AT 3:27 PM
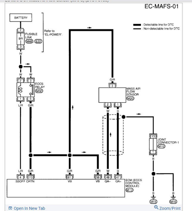
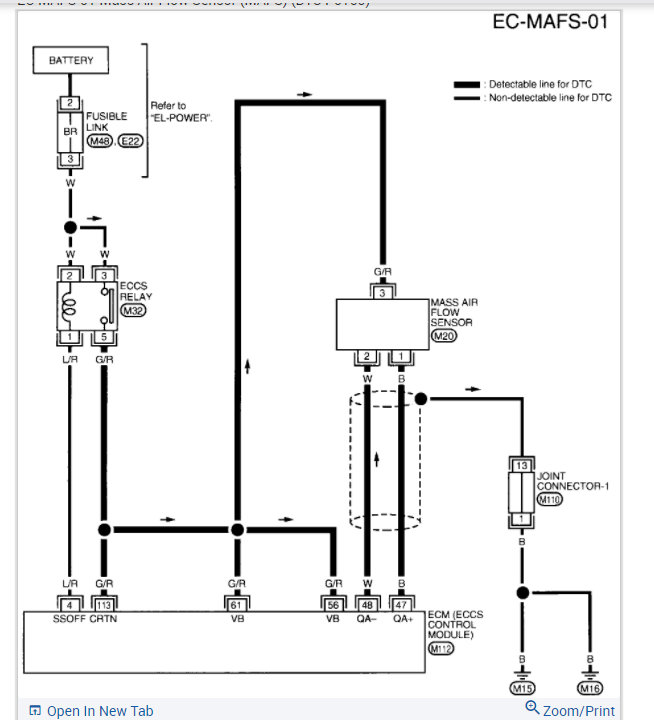
My truck is giving the error code 0100, Mass air flow. I have replaced the Mass air flow sensor and reset the code but the engine starts running rough ( the idle lopes up and down ) as soon as it starts to warm up. The engine also cuts completley out as soon as you start driving it. The error code 0100 also comes back. Any help would be appreciated. Thanks









