1996 Nissan 240SX 4 cyl Manual
Many problems. Thank you in advance
1. Steering. When I turn the steering wheel all the way to the right (car at stop, engine running) I hear a few "clonks". Then I turn to the left a bit (about less than half a turn from full right) and I hear more "clonks". From the drivers seat I hear this from the right side of the engine bay near the front right tire. When I drive the car leans/turns very hard to the right. When I turn left (about 90 to 180 degree left turn) It drives straight afterwards. What can cause this??
2. Speedometer. Does not work, jumps sometimes at speed but not all the time. CEL has P0500 how to troubleshoot?
3. Electrical. This is weird, sometimes while I drive all of a sudden my radio, windshield wipers, and the backlight on my clock shut off (the clock is on but the backlight turns off) at the same time. how??
4. Eng Temp. It was a cold day today and Eng. Temp. never passed the cold position on the gauge while driving for an hour. Heres a youtube link of the video
http://www.youtube.com/watch?v=Vhaabz0N0JA
5. Oil. Engine leaks oil, I can see a puddle about the size of a powerade cap within 5 minutes of parking on the pavement. Also the engine bay is completely covered (at the bottom end) with gritty oil/sludge. I had to replace my alternator and I believe the oil shorted it. What can cause this oil all over?
6. Engine light throws the following codes...
Speed sensor P0500
Idle control valve P0505
Knock Sensor P0325
DTC P1445
How do I troubleshoot these faults (procedure)?
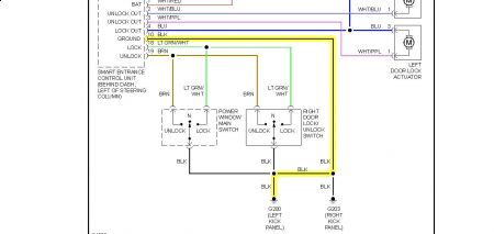
7. Power doors (locks and windows) Does not work at all on both driver and passenger side doors. How can I fix this?
I am a Certified Aviation Maintenance Technician and perform all work on my car so function and terms do not scare me. I know this is a lot. Thank you very much
-Alex
Monday, January 4th, 2010 AT 10:03 PM











