New (Turbocharger and Exhaust) manifold install?

Tiny
JAMES SAVOIE
  • MEMBER
  • 2004 CHRYSLER PT CRUISER
  • 2.4L
  • 4 CYL
  • TURBO
  • 2WD
  • AUTOMATIC
  • 141,000 MILES
After Install, cranked engine without plug wires attached until oil pressure achieved to lubricate turbo bearings.
Ran engine at idle for approximately 5 minutes.
Old turbo operated okay; seals gone oil entering throttle body.
Old turbo did not have a vacuum line attached at point in picture.
New turbo releasing clean air to atmosphere. Installed vacuum cap to prevent release.
I am sure vacuum lines were installed exactly as before.
Question:
Should there be a vacuum line on it, also the turbo is emitting high pitch sounds. No tech help from RockAuto, or contact info for Ultra-Power Technical support.
Wednesday, August 10th, 2022 AT 3:04 AM

11 Replies

Tiny
JACOBANDNICKOLAS
  • MECHANIC
  • 110,194 POSTS
Hi,

I just searched high and low for vacuum schematics for this and was unsuccessful. However, from memory, there should only be three hoses. The manual also shows three. Is it possible the turbo can work on different models?

Also, you indicated the noise it makes. Does that only happen if you cap off the fourth vacuum port on the turbo?

Let me know.

Joe
Was this
answer
helpful?
Yes
No
Wednesday, August 10th, 2022 AT 11:40 AM
Tiny
JAMES SAVOIE
  • MEMBER
  • 9 POSTS
Hello Joe,

I am positive the vacuum line connections are correct, and the Ultra-Power Turbocharger is a match for the original part. That being said I am attaching multiple pictures of the old turbo, the new turbo installed showing Vacuum lines connected. I may have a gasket leak which is causing the whistling sounds, but the whistling sounds increase when the fourth vacuum port is left open, and I have power loss. The original turbo also has a fourth vacuum port as shown in pictures and it was left open.
Tomorrow I am going to investigate the cause of the leak and will keep you informed.
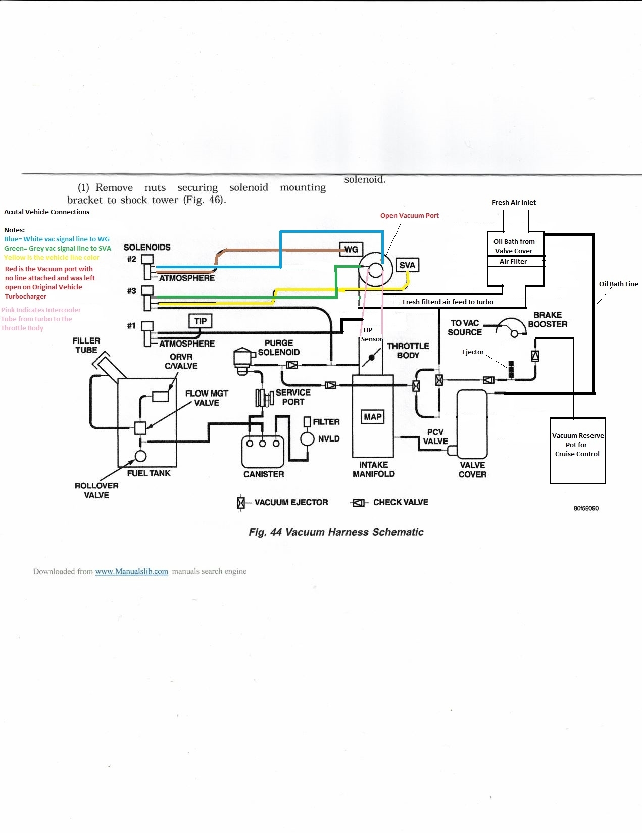
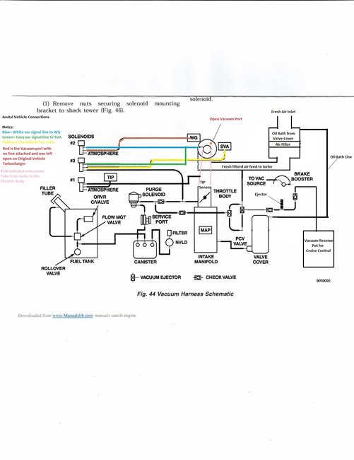
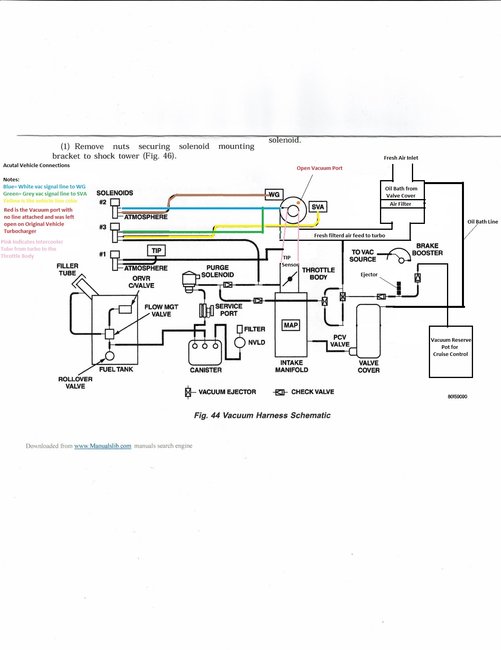
I have added a picture of the Vacuum harness from the Service Manual and have also added a modified Vacuum harness picture which represents the Actual Connection Harness which may be helpful to you and the fellow members of the site.
Can you investigate what the fourth vacuum port is for as it would be much appreciated.
I was thinking an aftermarket Blow off valve (BOV) could be connected to this port.
This port has me baffled as I stated the original was left open.
Was this
answer
helpful?
Yes
No
Wednesday, August 10th, 2022 AT 3:50 PM
Tiny
JACOBANDNICKOLAS
  • MECHANIC
  • 110,194 POSTS
Hi,

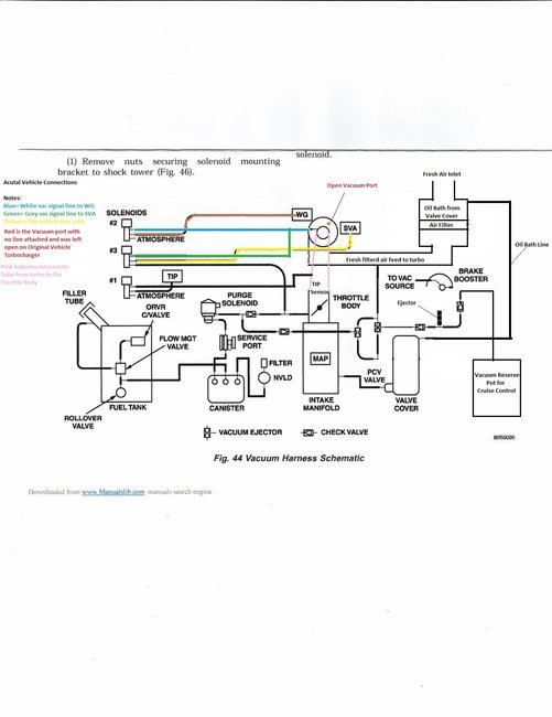
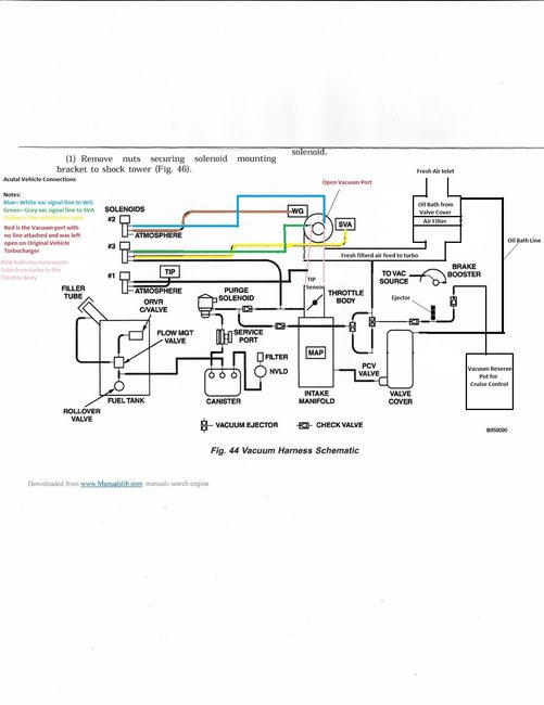
I found a different schematic based on vin. The same engine, turbo, different layout. '

Take a look below and let me know if that helps at all.

Joe

See pic below.
Was this
answer
helpful?
Yes
No
Wednesday, August 10th, 2022 AT 9:55 PM
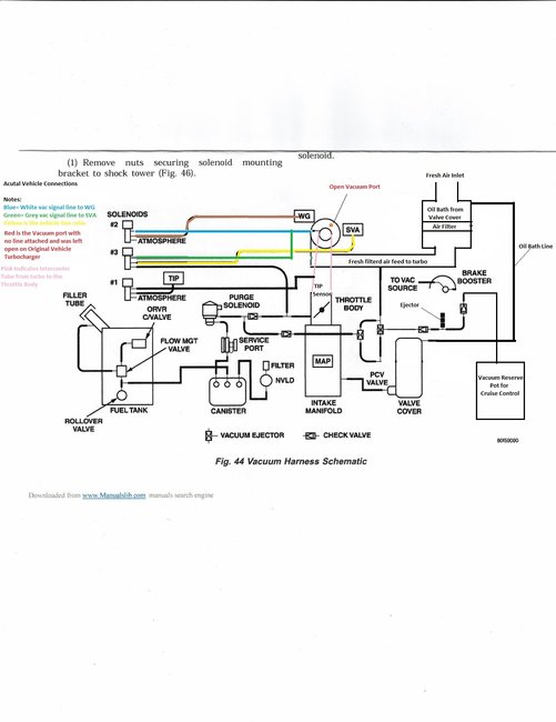
Tiny
JAMES SAVOIE
  • MEMBER
  • 9 POSTS
It is the same schematic, I just folded the page so that I could reduce the size and use it in the paint app to make changes to it.
Was this
answer
helpful?
Yes
No
Wednesday, August 10th, 2022 AT 10:48 PM
Tiny
JAMES SAVOIE
  • MEMBER
  • 9 POSTS
Full page.
Was this
answer
helpful?
Yes
No
Wednesday, August 10th, 2022 AT 10:57 PM
Tiny
JAMES SAVOIE
  • MEMBER
  • 9 POSTS
Hello Joe,

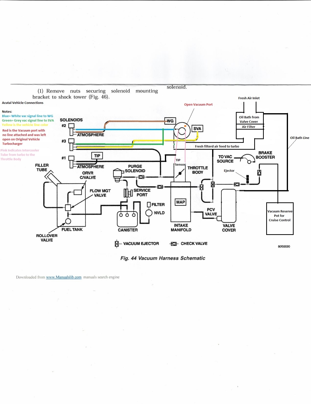
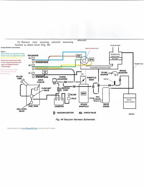
I found this Item for sale on a site, it shows the port on the cooler feed connected directly to the WG, I am thinking this is for racing applications.
But if I were to connect my WG relay white signal line to the red marked port to control the WG relay brown line which opens the WG flap, and the grey signal line from the SVA to the port on the cooler tube feed, where it is now, I would just be eliminating the T, it may cause the system to operate more efficiently, as when the throttle body plate closes the air flow restriction would cause the vacuum to drop in both the white and gray lines allowing the WG to close the flap to prevent exhaust gas flow thru the turbo and the SVA to vent pressure through its relay via the third SVA relay line which is colored black, to the manifold.
I will try this tomorrow and get back to you with the results.
I know that is a long winded explanation, but if you read it slowly a few times you will be able to understand my theory, hopefully.
Was this
answer
helpful?
Yes
No
Thursday, August 11th, 2022 AT 1:24 AM
Tiny
JACOBANDNICKOLAS
  • MECHANIC
  • 110,194 POSTS
Hi,

I actually like your theory. It seems to make sense. Let me know the results. I'm interested in knowing.

Take care,

Joe
Was this
answer
helpful?
Yes
No
Thursday, August 11th, 2022 AT 1:28 PM
Tiny
JAMES SAVOIE
  • MEMBER
  • 9 POSTS
Hello Joe,

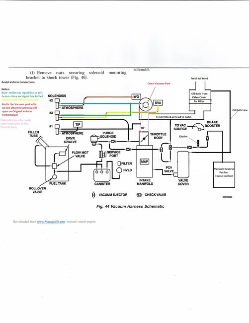
I made the vacuum connection changes as I previously mentioned.
Engine performance has improved significantly, I am attaching a new drawing which reflects the changes.
I am now wondering why the factory connections were not made like this. One signal port sharing two signal lines did not make sense to me. Things that make you go hmm.
Was this
answer
helpful?
Yes
No
Monday, August 15th, 2022 AT 8:56 AM
Tiny
JACOBANDNICKOLAS
  • MECHANIC
  • 110,194 POSTS
Hi,

Great job. I'm glad to hear it's running better. And to answer your question about why the manufacturer did what they did, like you I can't.

Regardless, let us know if you have questions in the future. You are always welcome here. Also, thank you for the diagram. I suspect it will help others in the future.

Take care,

Joe
Was this
answer
helpful?
Yes
No
+1
Monday, August 15th, 2022 AT 7:16 PM
Tiny
JAMES SAVOIE
  • MEMBER
  • 9 POSTS
Hello,

I was incorrect regarding the vacuum connections, I had a exhaust leak, once it was fixed, I changed the connections back to the original way they were connected, left the small port which I was asking about unplugged with no line on it. Car is running very well, I hope other PT enthusiasts get to read this.
Was this
answer
helpful?
Yes
No
Thursday, August 18th, 2022 AT 7:54 PM
Tiny
JACOBANDNICKOLAS
  • MECHANIC
  • 110,194 POSTS
James, thank you very much for the update. I know it will help others.

Take care of yourself and feel free to come back anytime.

Joe
Was this
answer
helpful?
Yes
No
Thursday, August 18th, 2022 AT 9:59 PM

Please login or register to post a reply.