Neutral safety switch wiring

Tiny
DAWSONK1
  • MEMBER
  • 2003 TOYOTA TACOMA
  • 3.4L
  • 6 CYL
  • 2WD
  • AUTOMATIC
  • 157,000 MILES
When replacing the transmission on my truck, the NSS connector was still attached and pulled all the wires from the connector. The new connector is all black wires, and I can’t find anything showing which cavity to put each wire.
Monday, March 7th, 2022 AT 1:49 PM

15 Replies

Tiny
CARADIODOC
  • MECHANIC
  • 34,480 POSTS
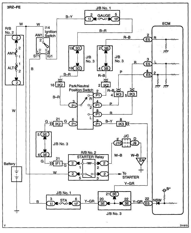
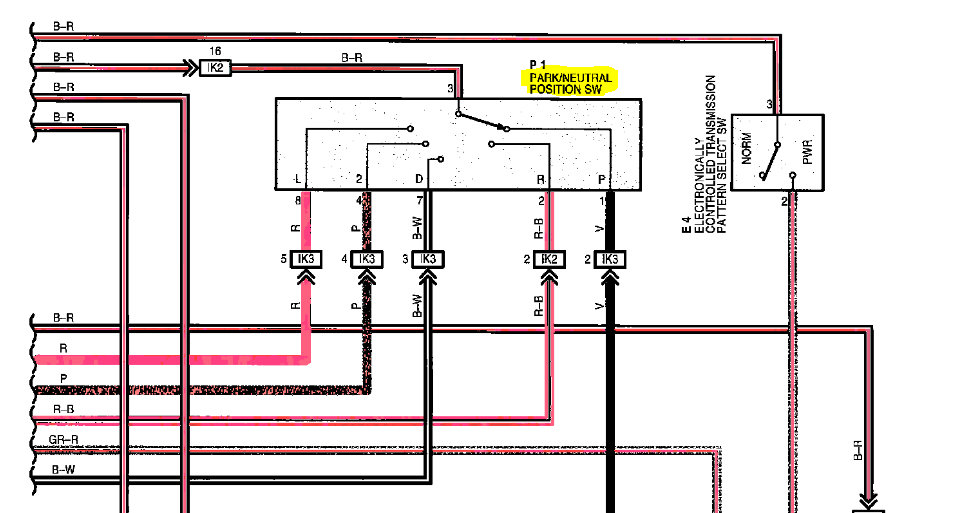
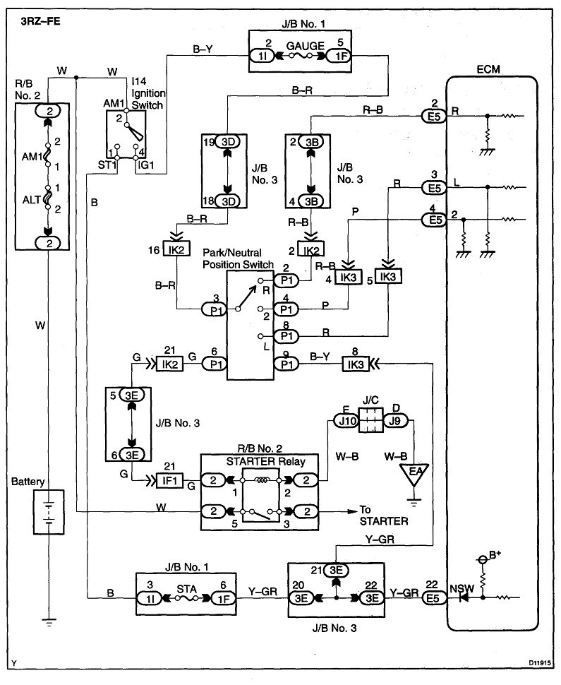
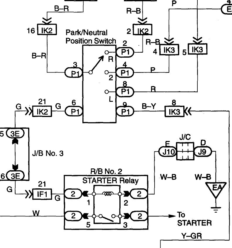
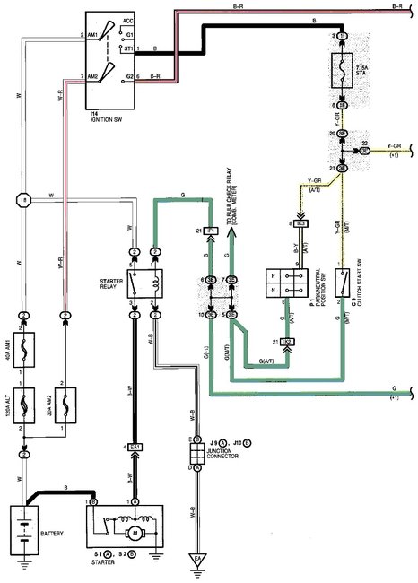
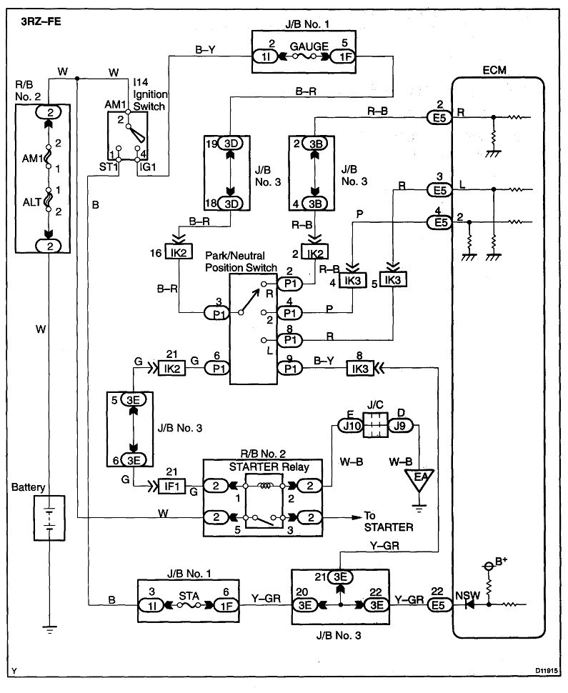
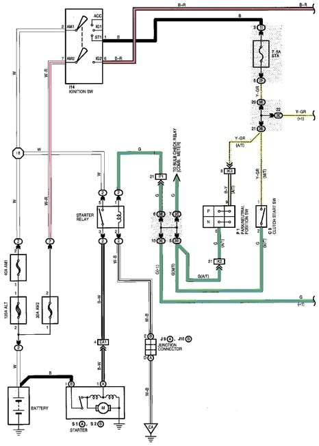
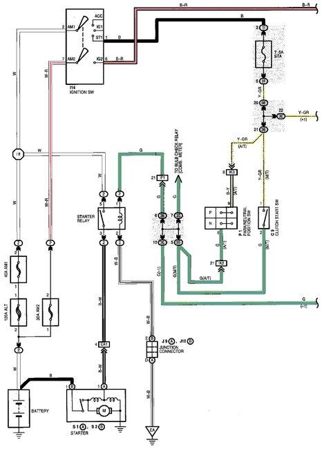
Here's what I found for that switch: Two different connectors are shown for "P1". Use the one with the red arrow or the blue arrow that matches your plug.

The first diagram is for the starter circuit with the park / neutral part of the switch. The next diagram is just of that switch expanded to make it easier to read. The fourth diagram shows the transmission range sensor part of the switch, and the fifth one is of that switch expanded.

I saw the plugs were hard to see so I expanded them in the last drawing. You can see the wire colors in these diagrams along with the terminal numbers in the connector. Let me know if you need help with those. Sometimes import wire colors don't seem to make sense, especially when you're accustomed to working with domestic diagrams.
Was this
answer
helpful?
Yes
No
+4
Monday, March 7th, 2022 AT 2:39 PM
Tiny
SQM
  • MECHANIC
  • 6,383 POSTS
Hello,

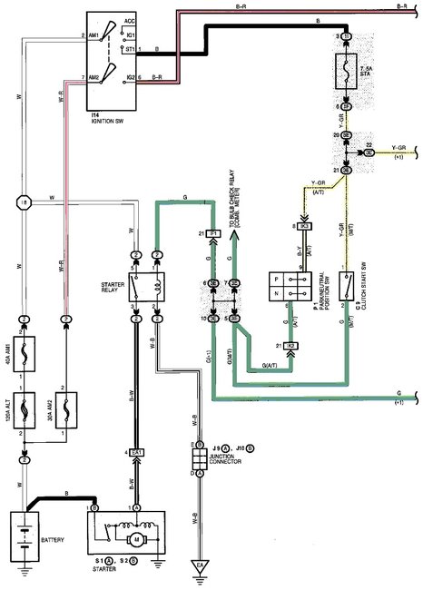
I have attached the wiring schematics for the neutral safety switch below.

Please let me know if you have any questions.
Thank you.
Was this
answer
helpful?
Yes
No
+4
Monday, March 7th, 2022 AT 2:42 PM
Tiny
DAWSONK1
  • MEMBER
  • 2 POSTS
Thanks guys. Between the two answers, I was able to get it wired back up and running. Thanks for the help. It was exactly what I needed.
Was this
answer
helpful?
Yes
No
+1
Tuesday, March 8th, 2022 AT 5:19 AM
Tiny
CARADIODOC
  • MECHANIC
  • 34,480 POSTS
Great! Please come back to see us next time.
Was this
answer
helpful?
Yes
No
Tuesday, March 8th, 2022 AT 1:11 PM
Tiny
MIGUEL BENITEZ
  • MEMBER
  • 1 POST
Hello, guys, could you tell me where I could buy that harness because I need it and haven't been able to find it.
Was this
answer
helpful?
Yes
No
Monday, October 30th, 2023 AT 10:25 AM
Tiny
CARADIODOC
  • MECHANIC
  • 34,480 POSTS
You have two options. Every auto parts store has books showing just about every connector available. They will need to order the one you need, but it's best to take the old one in so they can be sure they're getting the right one.

My preference is to harvest one from a pick-your-own-parts salvage yard. In fact, I was doing just that less than an hour ago. One of our larger yards charges a dollar per terminal, so mine cost two bucks.
Was this
answer
helpful?
Yes
No
Monday, October 30th, 2023 AT 2:32 PM
Tiny
ROBERT JAMES TEMPLE
  • MEMBER
  • 15 POSTS
I need help 2006 n.S.S I broke how do I bypass where do I put jumper wire so I can get home thanks
Was this
answer
helpful?
Yes
No
Tuesday, January 23rd, 2024 AT 9:53 AM
Tiny
CARADIODOC
  • MECHANIC
  • 34,480 POSTS
You should start a new question specific to your vehicle. Unlike on other forums where anyone can post confusing replies, here this becomes a private conversation between two or three people. As such, most of the other experts won't get to see your problem or have a chance to reply. You're stuck with just me which might not be the best person to ask.

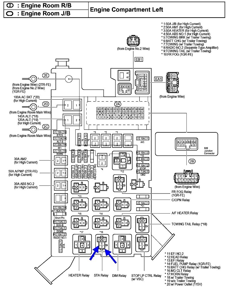
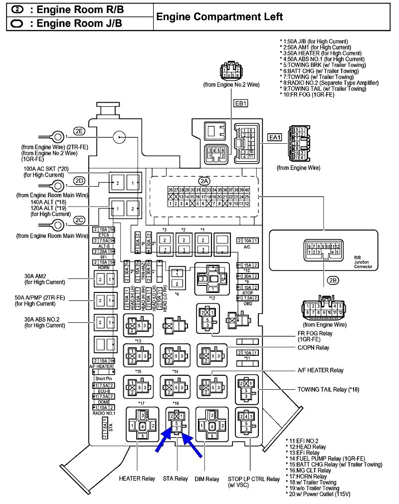
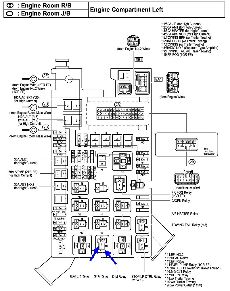
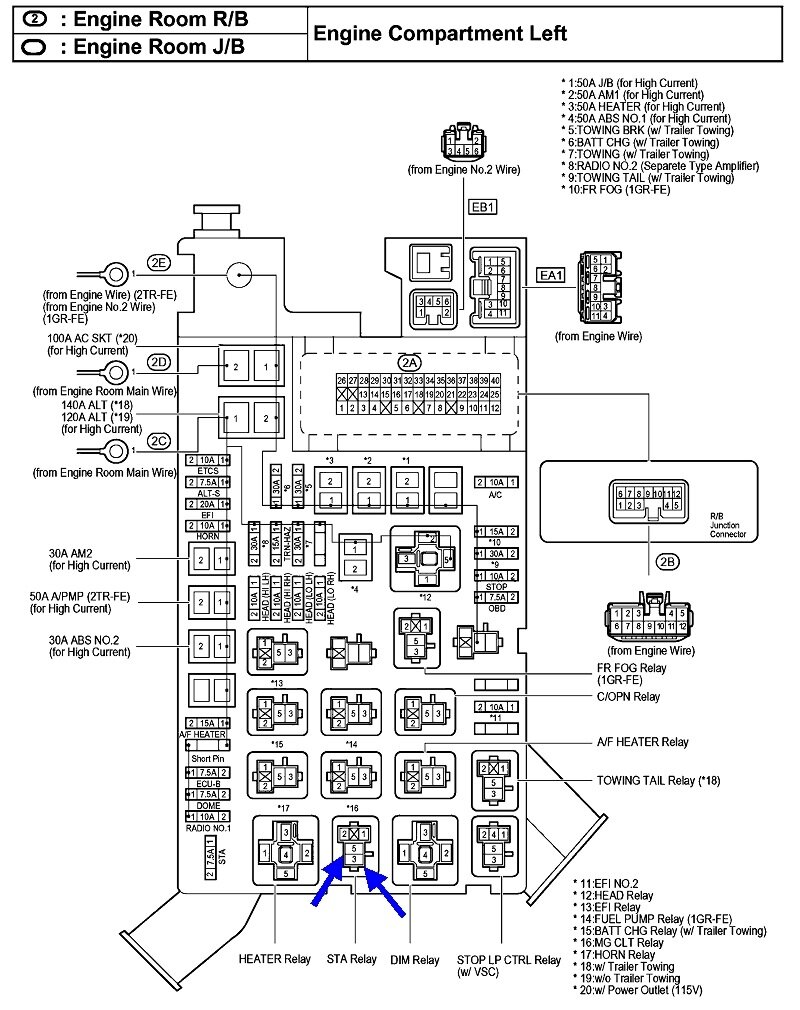
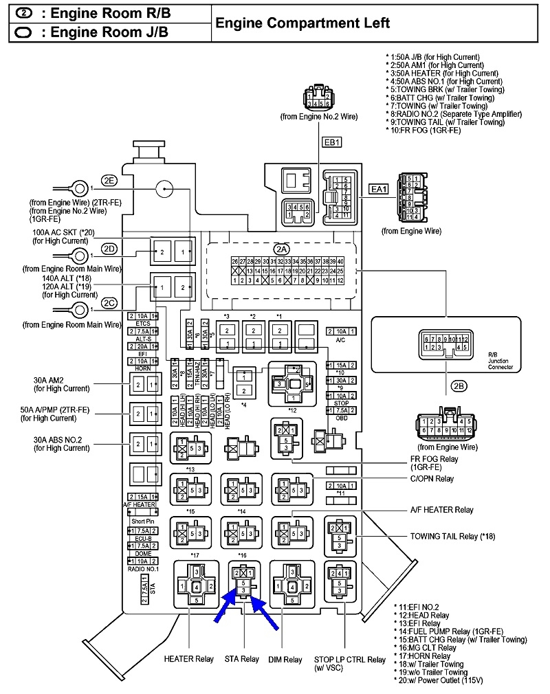
Rather than bypassing the neutral safety switch, a far easier way to start the engine is to jump the starter relay in the fuse box under the hood. There's two ways to do that. My preference is to remove the relay, pop its cover off, reinstall it that way, then just press the movable contact. Have the ignition switch in "run" so the engine will start and run.

Instead of removing the relay's cover, you can remove the relay, then use a piece of wire or stretched out paper clip to jump the two terminals in the socket where my two blue arrows are pointing. This circuit can draw a good ten amps or more, so a paper clip might get hot if it's left in too long. You also might feel a very light tickle when you remove the paper clip. That's common and normal, but harmless. Use an insulated piece of wire with the ends stripped to avoid the heat and the tickle.

This fuse box layout is for a 2wd 4.0L. Others will be similar.
Was this
answer
helpful?
Yes
No
Tuesday, January 23rd, 2024 AT 7:19 PM
Tiny
ROBERT JAMES TEMPLE
  • MEMBER
  • 15 POSTS
Thanks, I got home sorry for being rude your advice helped.
Was this
answer
helpful?
Yes
No
Wednesday, January 24th, 2024 AT 4:11 AM
Tiny
KEN L
  • MASTER CERTIFIED MECHANIC
  • 55,361 POSTS
No worries, use 2CarPros anytime, we are here to help. Please tell a friend.
Was this
answer
helpful?
Yes
No
Wednesday, January 24th, 2024 AT 10:15 AM
Tiny
ROBERT JAMES TEMPLE
  • MEMBER
  • 15 POSTS
Well, I got it started used your jumper trick really cool by the way but truck shows no pndr and truck goes nowhere. I press gas in reverse it revs but does not move. I'm so confused.
Was this
answer
helpful?
Yes
No
Wednesday, January 24th, 2024 AT 10:22 AM
Tiny
KEN L
  • MASTER CERTIFIED MECHANIC
  • 55,361 POSTS
The PCM needs to see which gear it is in so the transmission will work.
Was this
answer
helpful?
Yes
No
Wednesday, January 24th, 2024 AT 10:28 AM
Tiny
CARADIODOC
  • MECHANIC
  • 34,480 POSTS
Yup. On something as new as yours, there's usually no neutral safety switch as we remember them. Instead, they use a "range sensor" which can be electronic or a series of switches. The computers need to see all of the switches are in their correct positions, otherwise it can default to a "safe" state.
Was this
answer
helpful?
Yes
No
Wednesday, January 24th, 2024 AT 5:29 PM
Tiny
MADIGHON
  • MEMBER
  • 6 POSTS
Hello, this has some information I was looking for but hoping for more. Just swapped out the engine in my son’s 98 Corolla with a used engine. The used engine came with a wiring harness, so I didn’t remove the harness from the old engine.

After getting the used engine in, I found out that the old harness has the black connector which fits the NSS. The replacement harness has the grey connector which doesn’t fit. There is also another plug the looks like it connects close to the NSS. The old harness didn’t have this second connector.

First photo is replacement harness. Second is the original.

My question is, how do I make this work? Do I need something for the additional connector to connect to?
Was this
answer
helpful?
Yes
No
+1
Saturday, March 1st, 2025 AT 10:27 PM
Tiny
KEN L
  • MASTER CERTIFIED MECHANIC
  • 55,361 POSTS
This post is for a Tacoma, please repost with the correct car information and we can help you.

Here is the link: https://www.2carpros.com/questions/new
Was this
answer
helpful?
Yes
No
Sunday, March 2nd, 2025 AT 11:57 AM

Please login or register to post a reply.