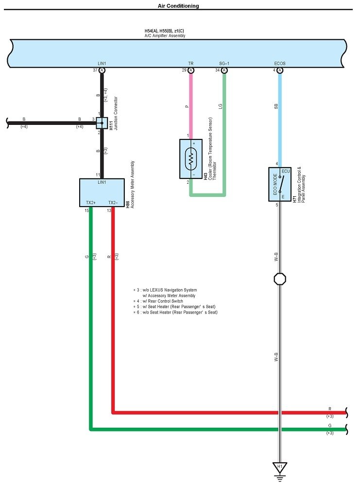
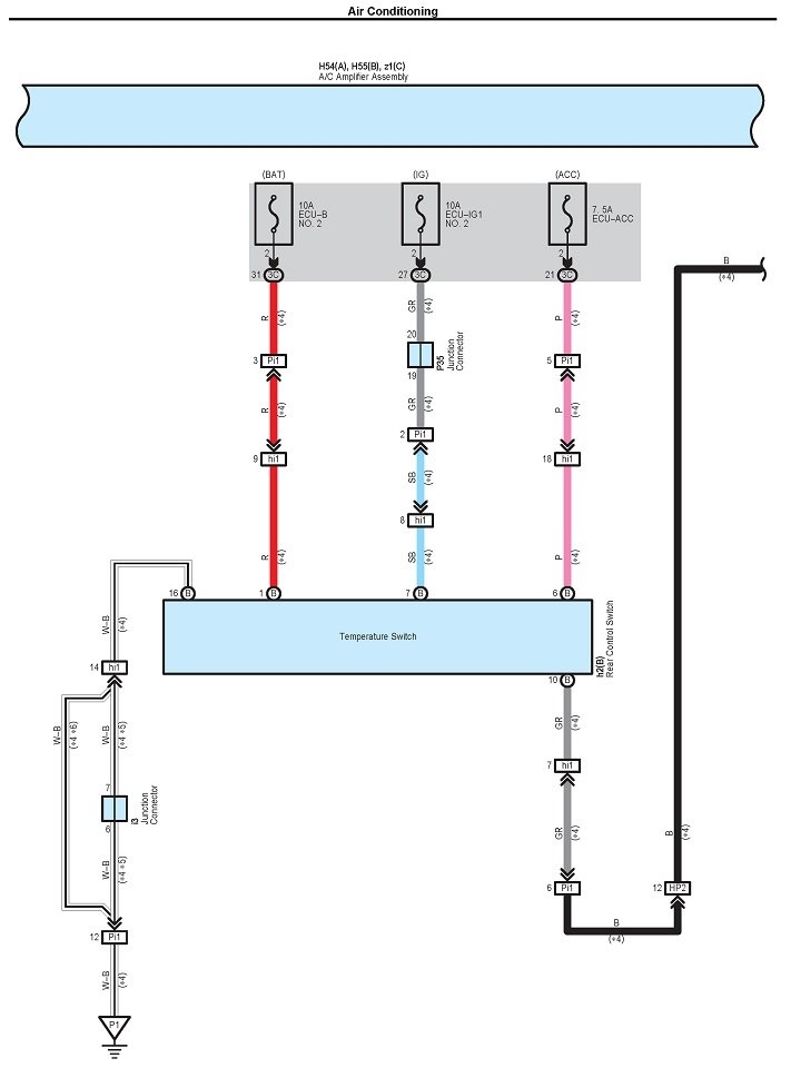
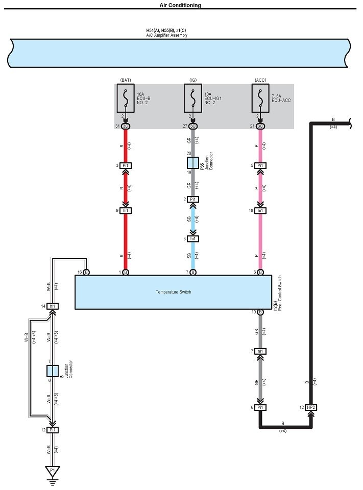
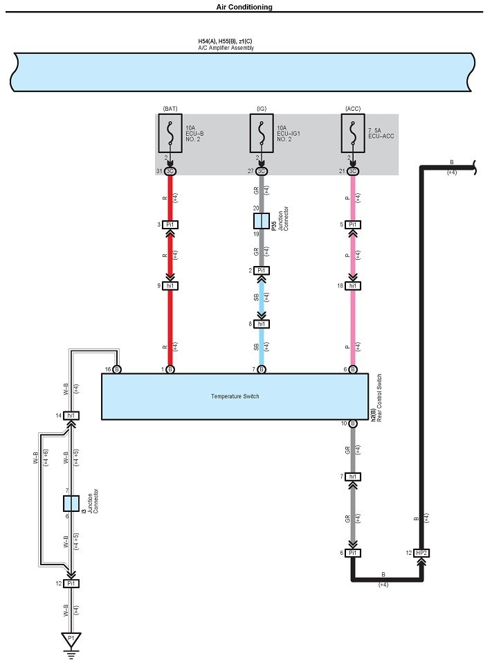
Need wire schematic 88650-33b31 AC amplifier assembly

Tiny
BOBM65
  • MEMBER
  • 2014 LEXUS ES 350
  • 40,000 MILES
Putting Lexus es350 seats in a different car and need to know what wires on the Toyota 88650-33b31 (ac amplifier assembly) to hook up to power, switches and seats (for heat and ventilation). Having an awareness of what the pins on each of the 3 plugs on this module would help me greatly.
Wednesday, February 5th, 2020 AT 9:33 AM

11 Replies

Tiny
CARADIODOC
  • MECHANIC
  • 34,468 POSTS
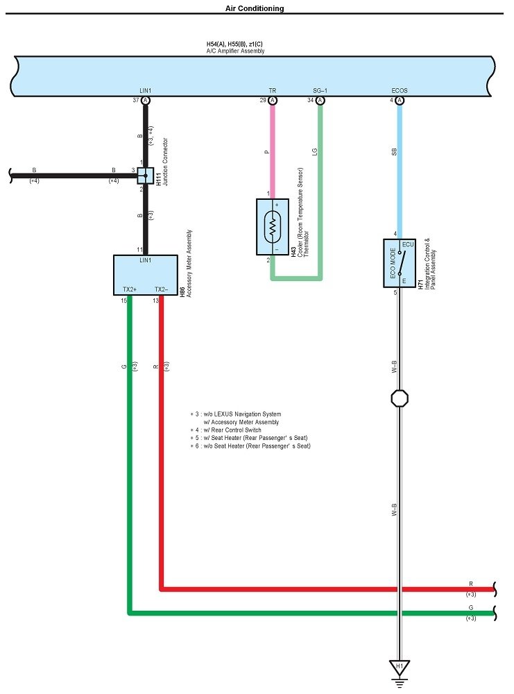
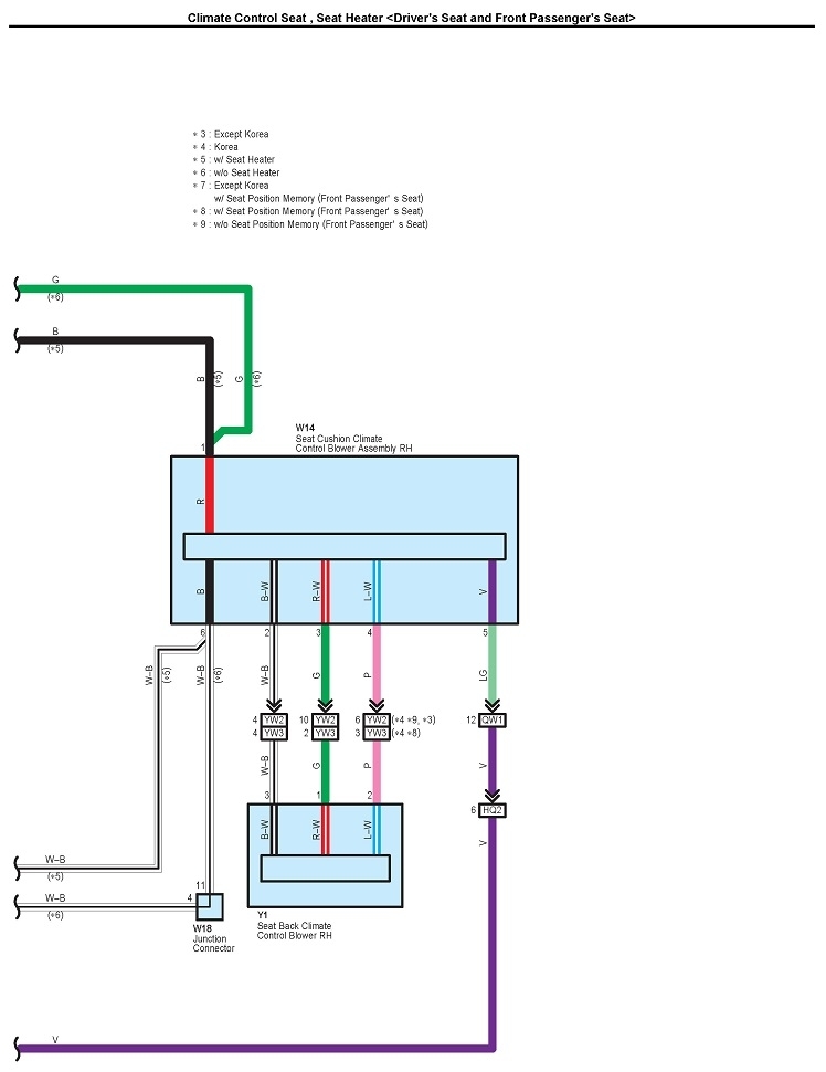
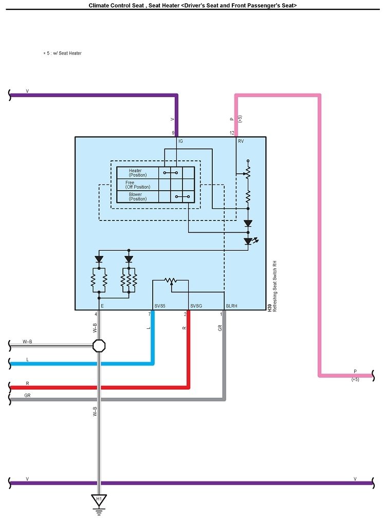
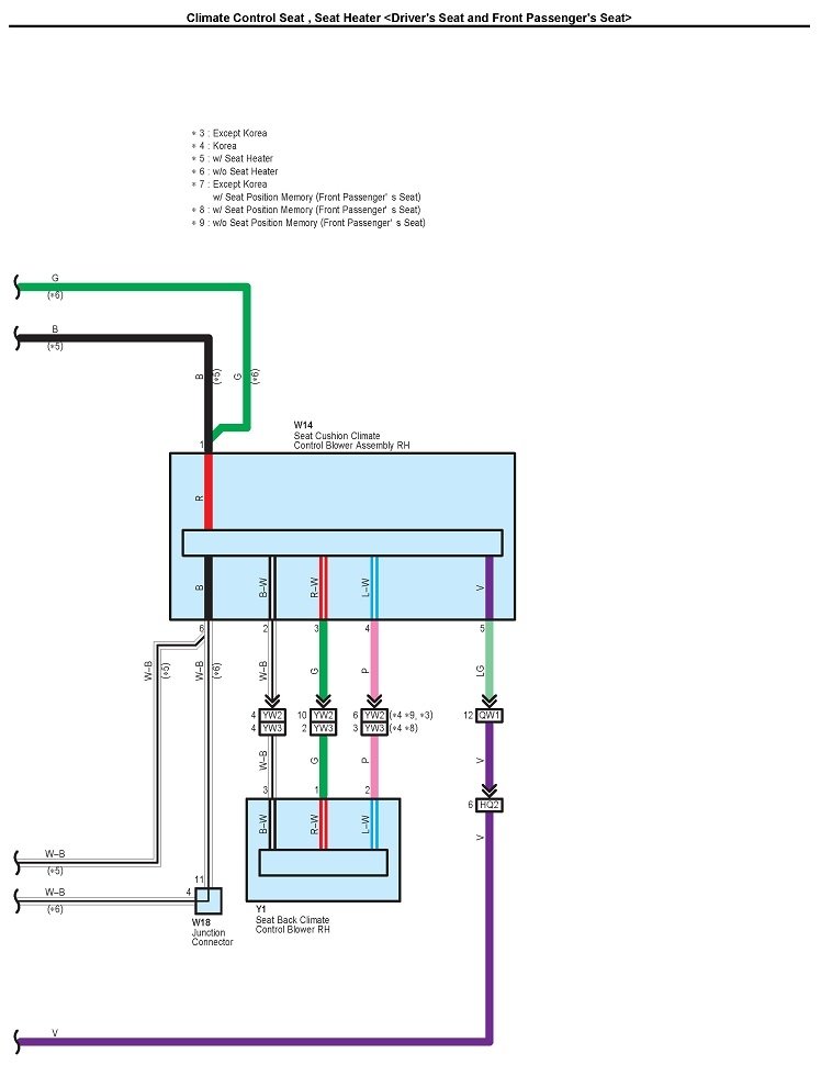
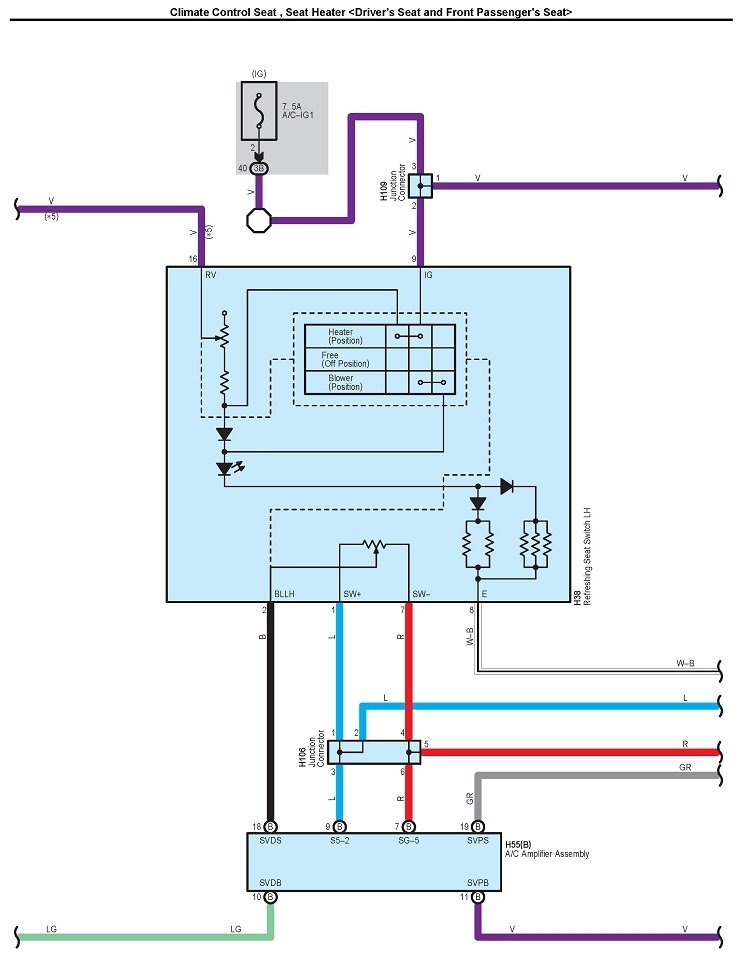
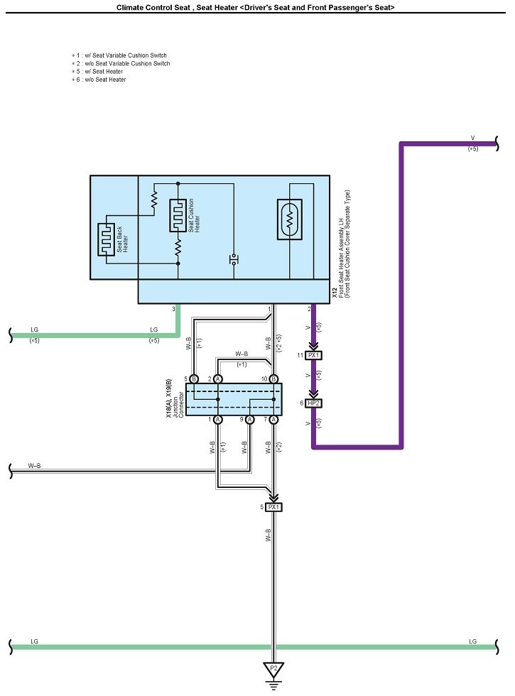
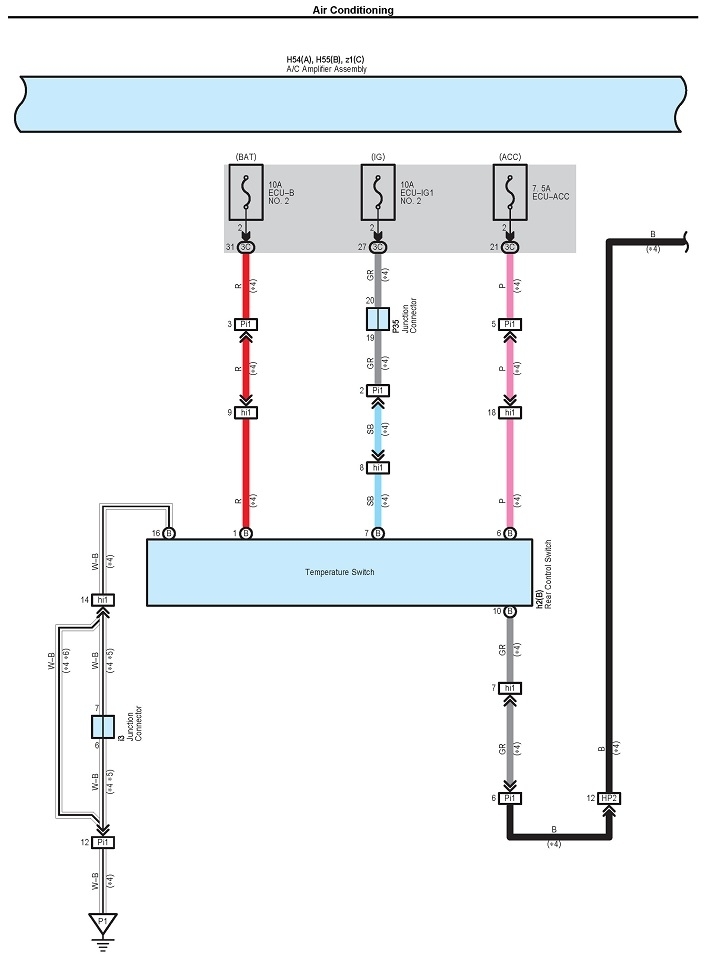
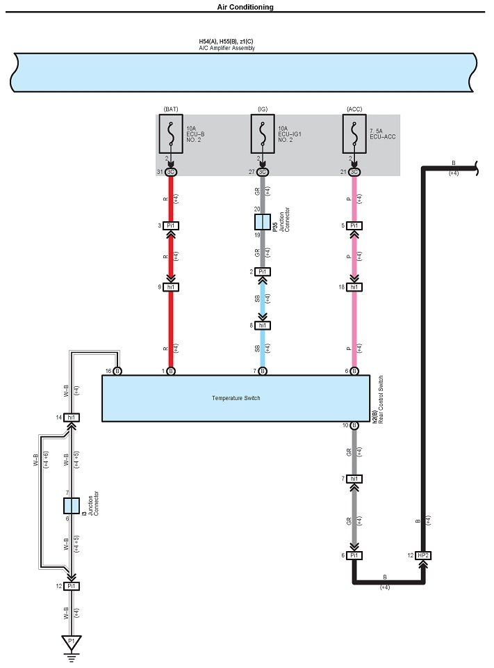
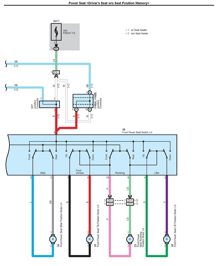
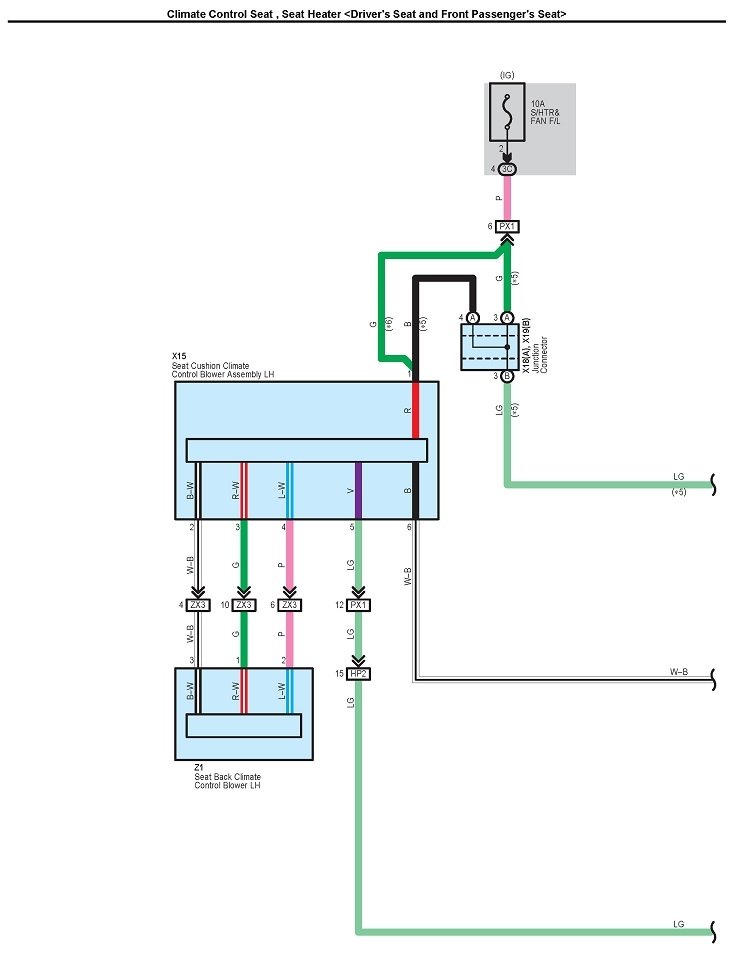
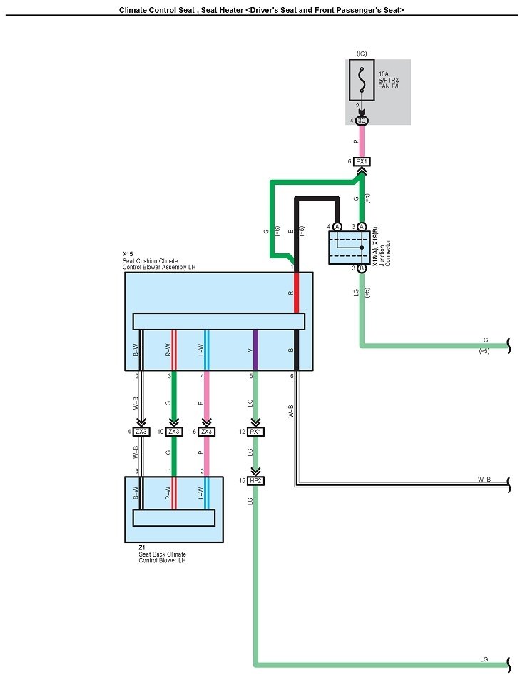
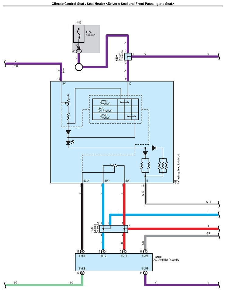
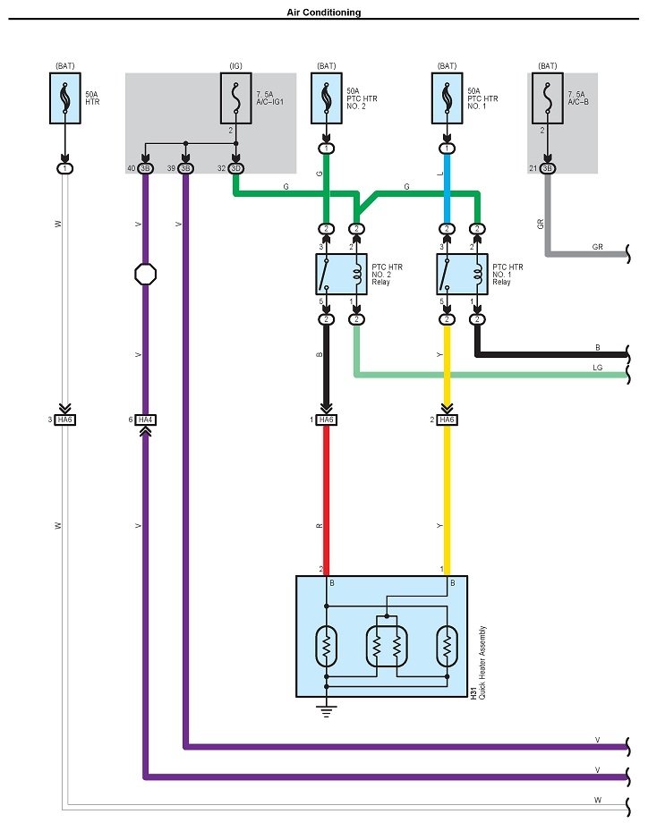
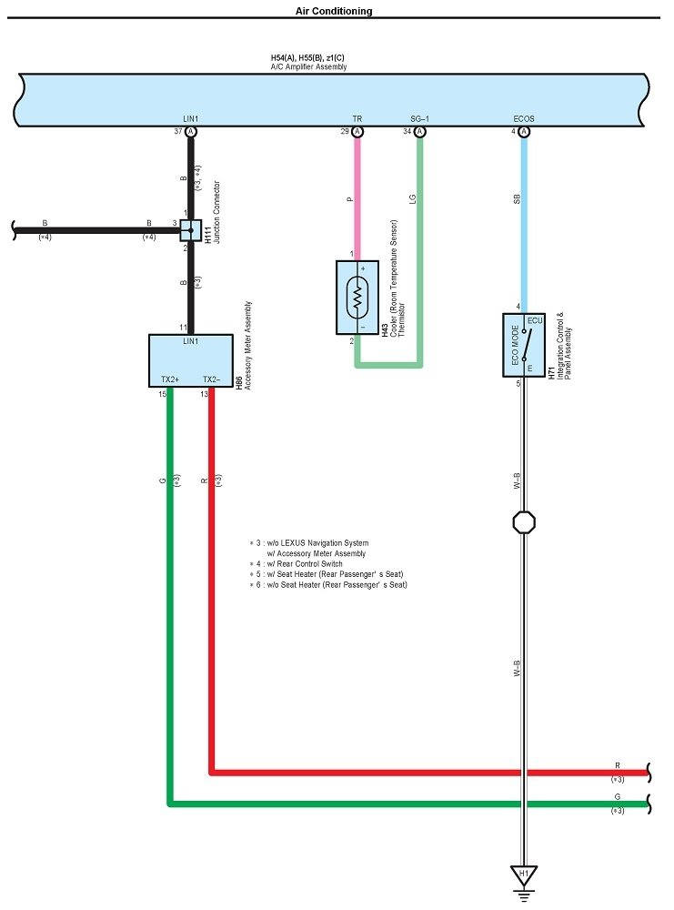
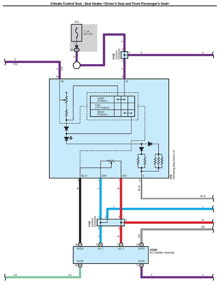
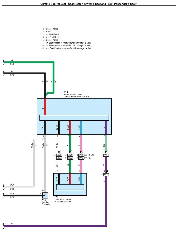
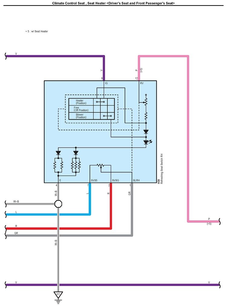
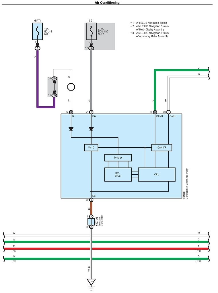
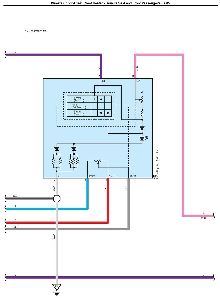
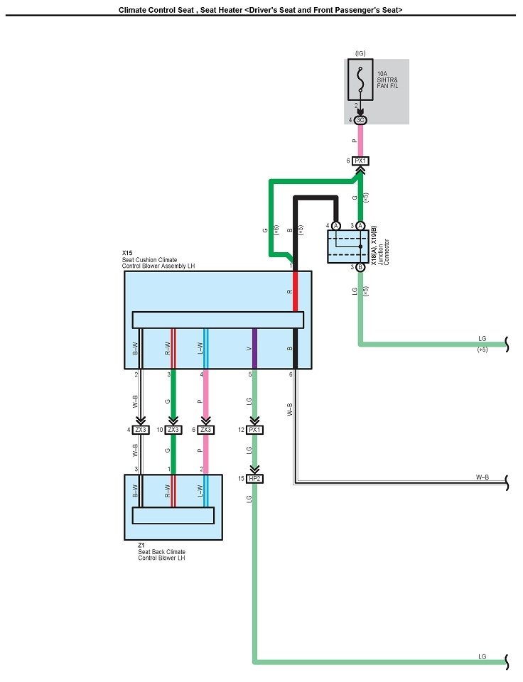
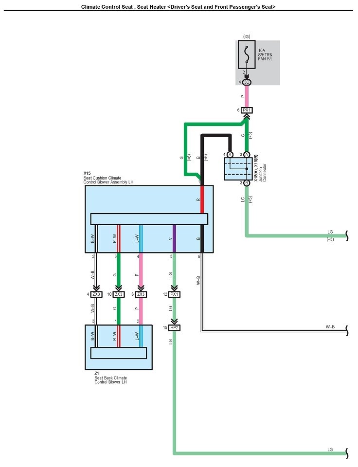
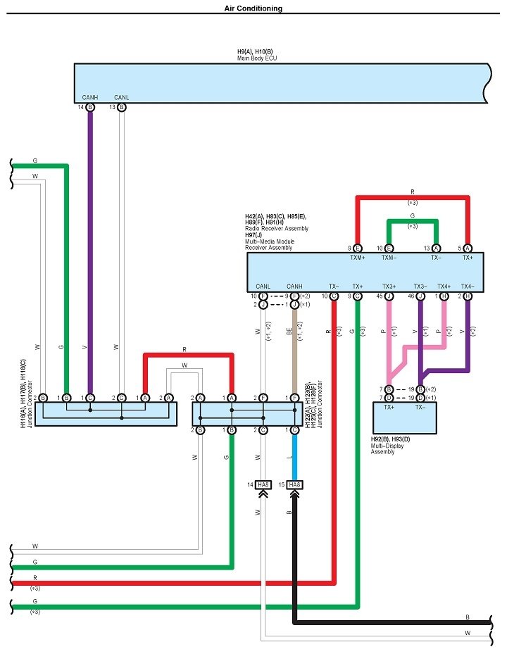
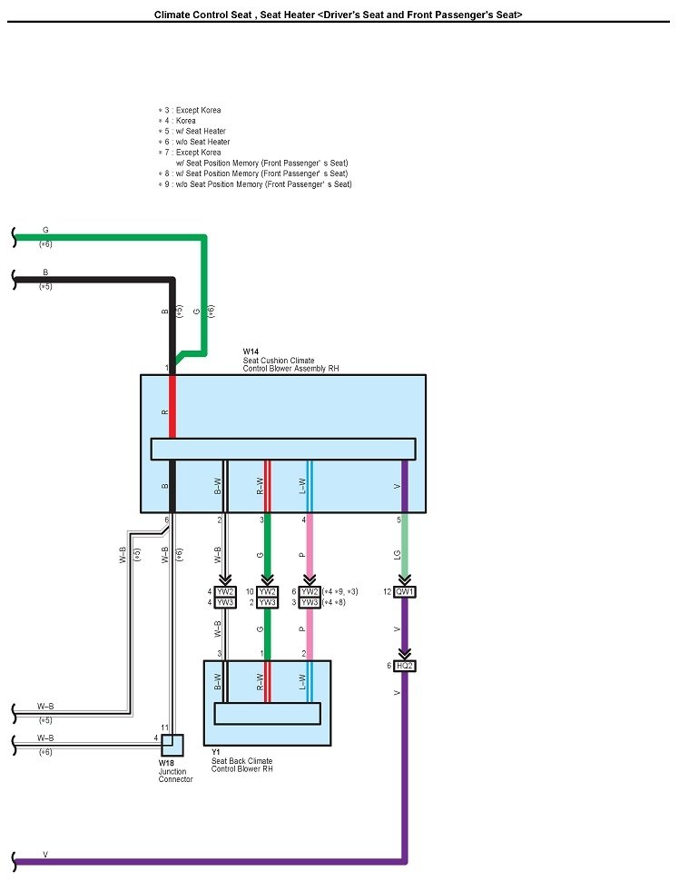
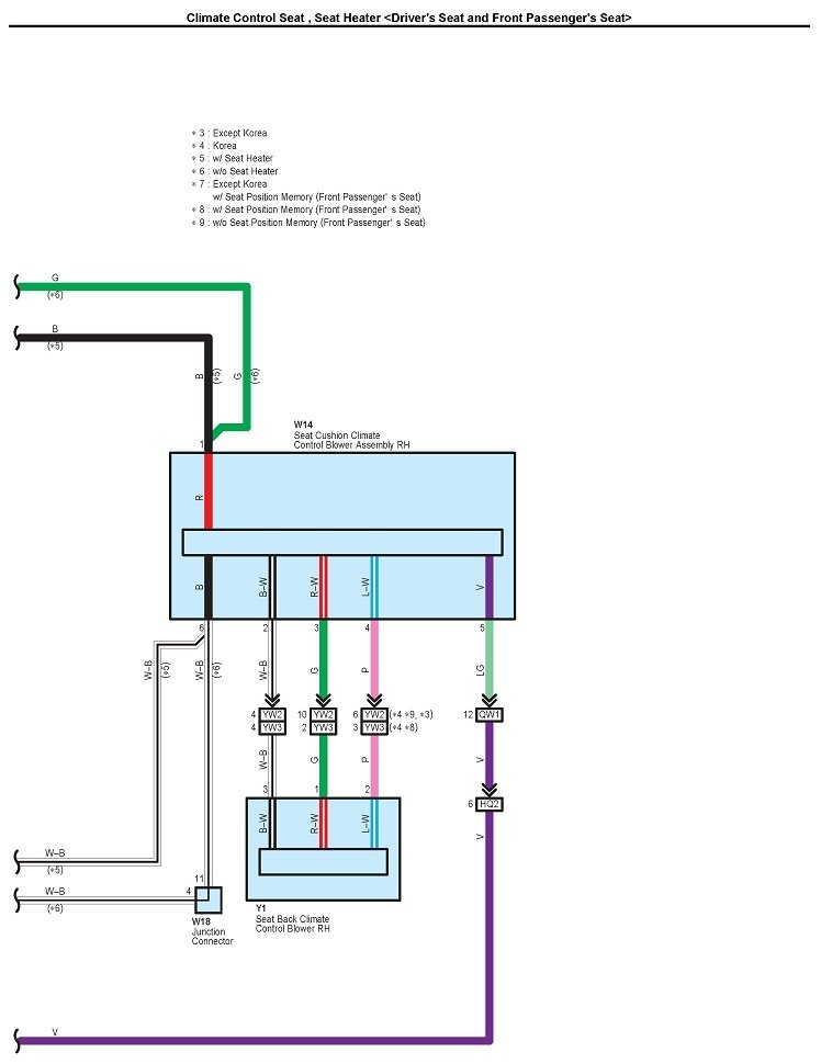
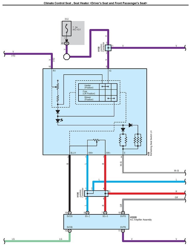
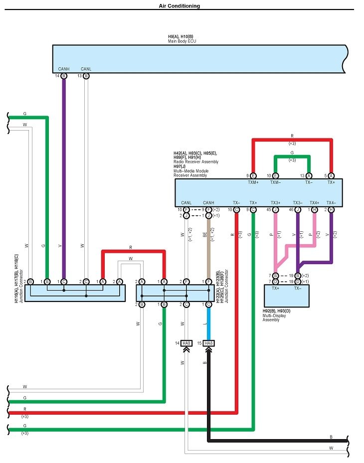
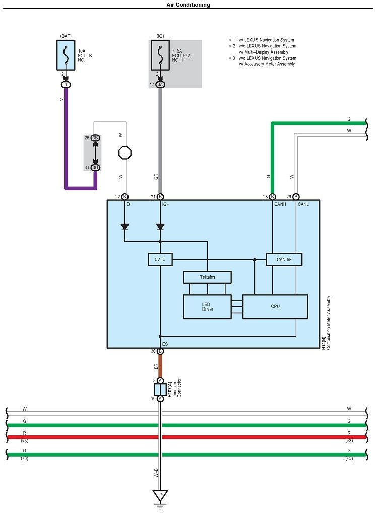
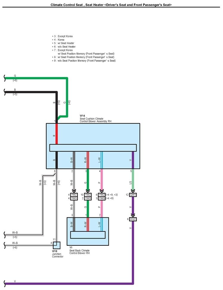
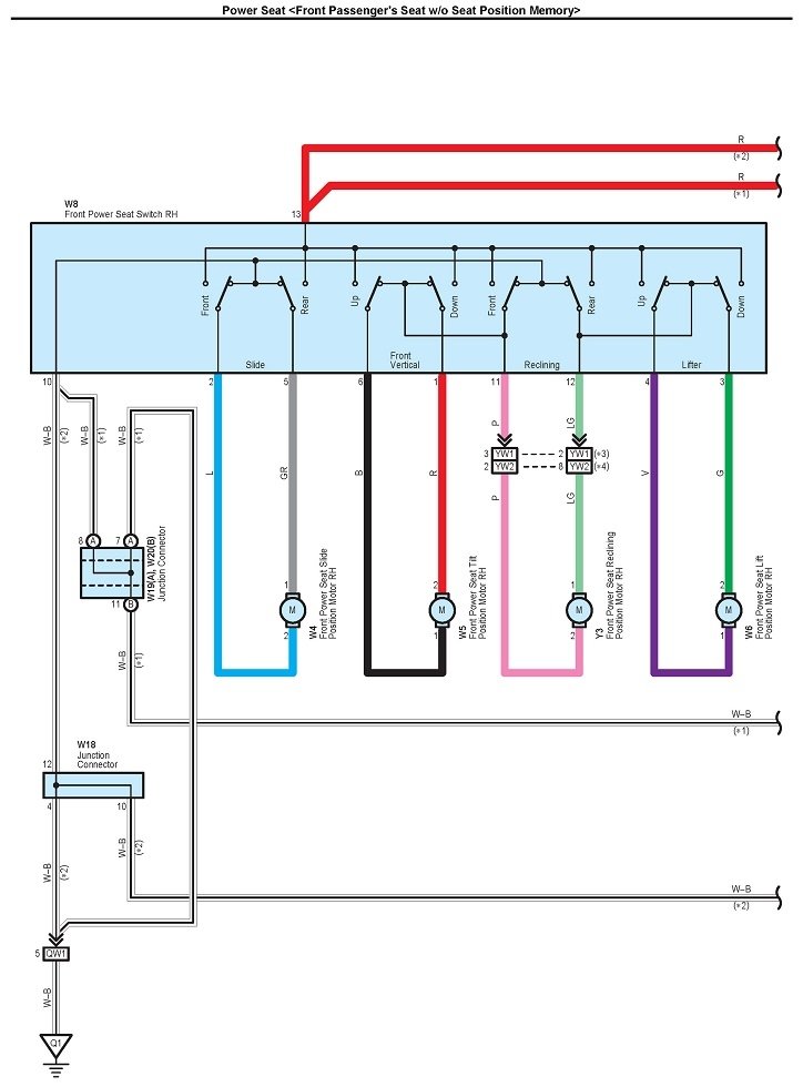
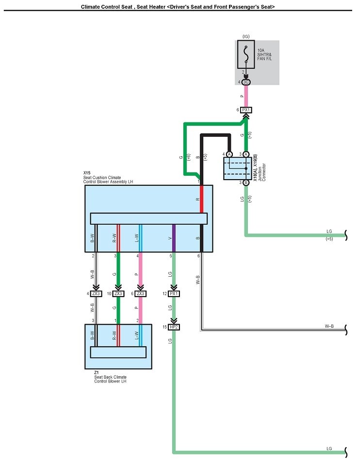
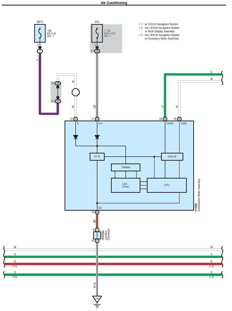
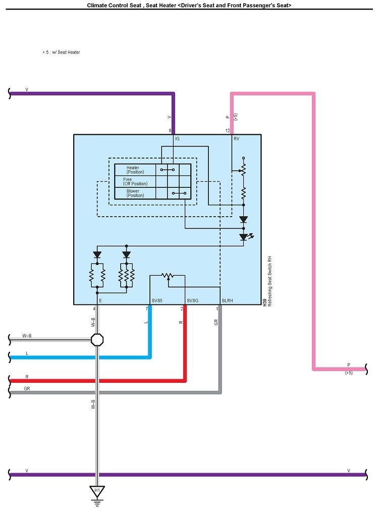
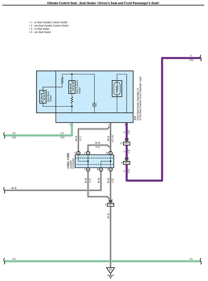
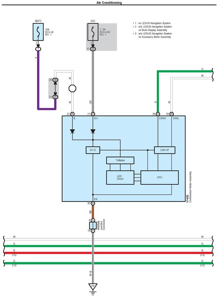
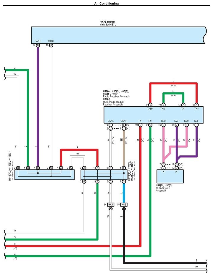
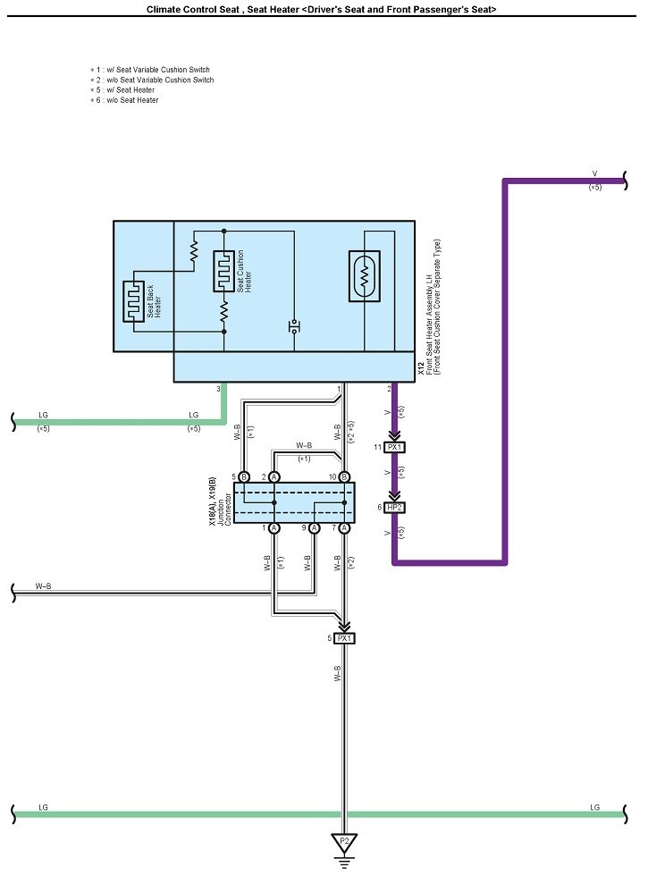
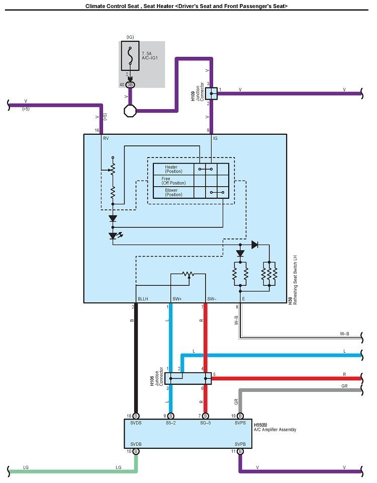
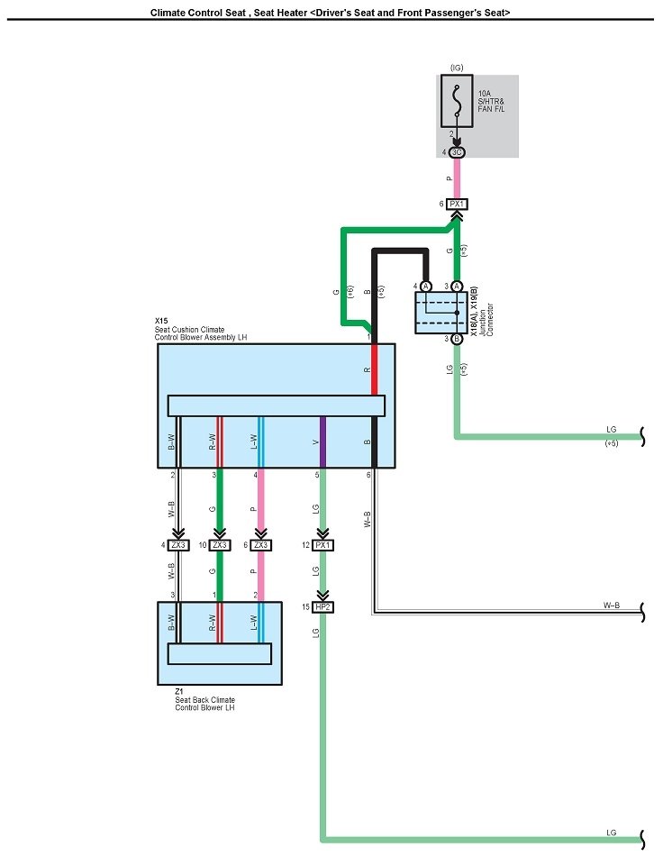
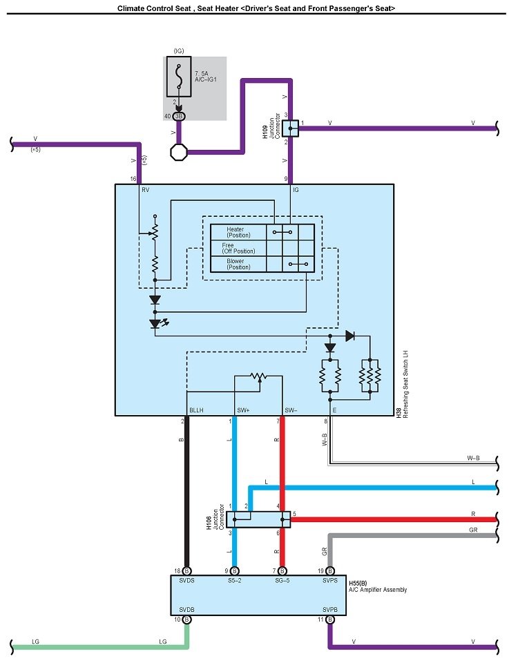
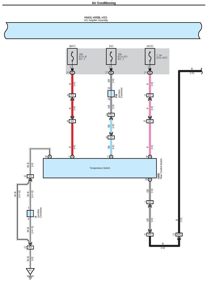
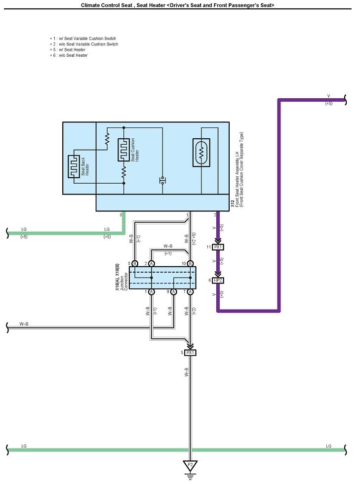
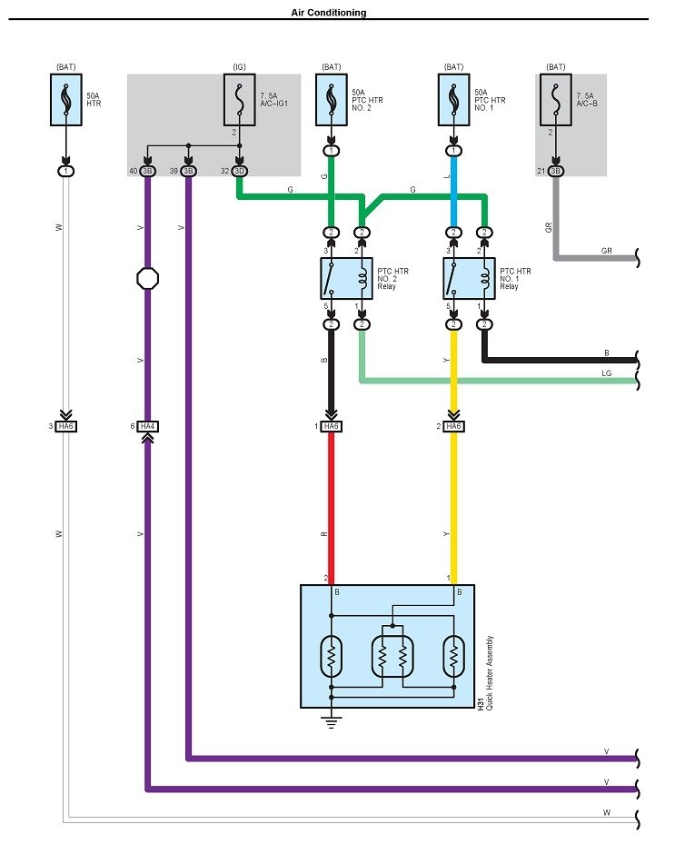
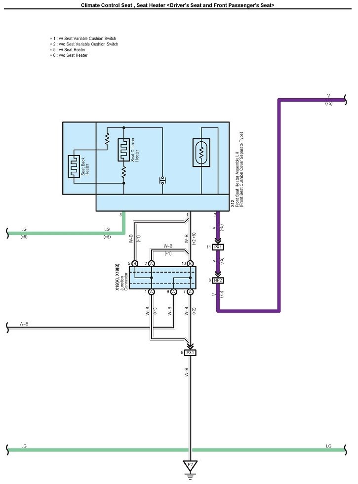
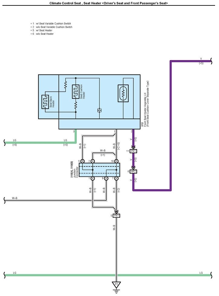
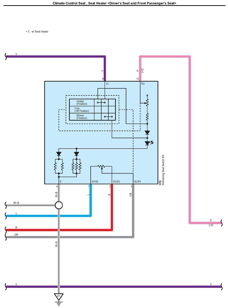
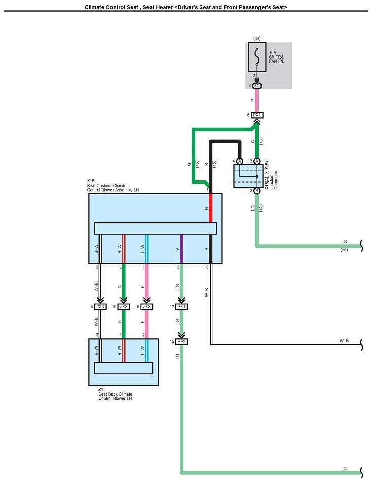
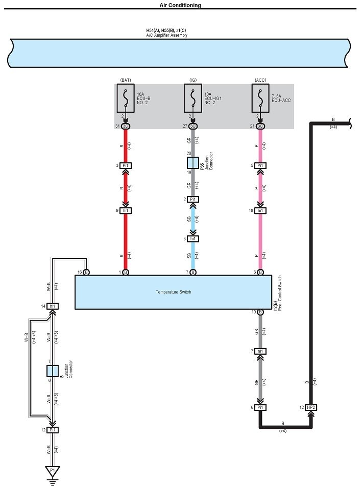
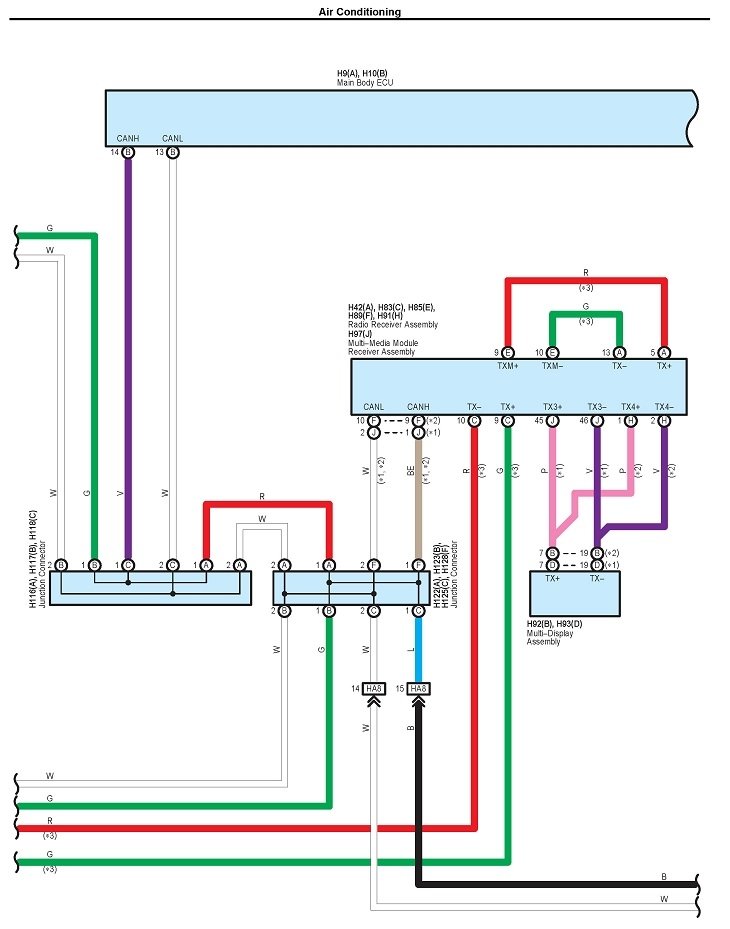
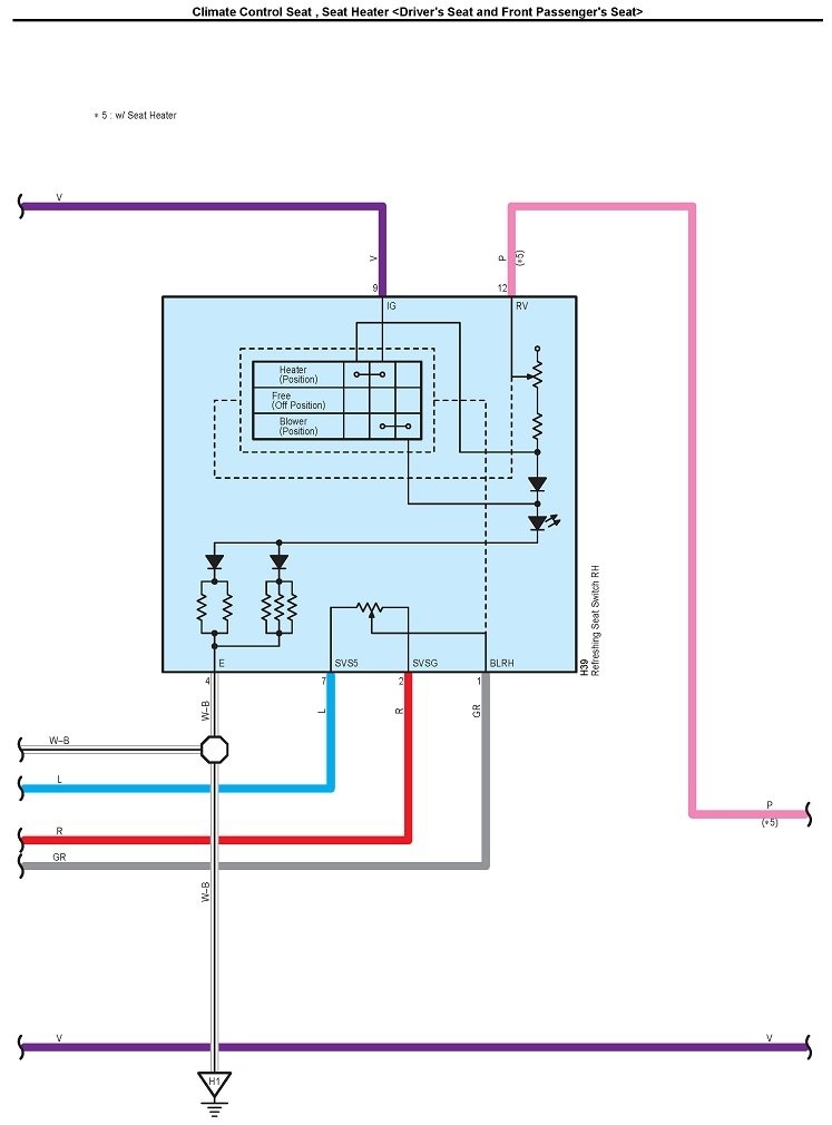
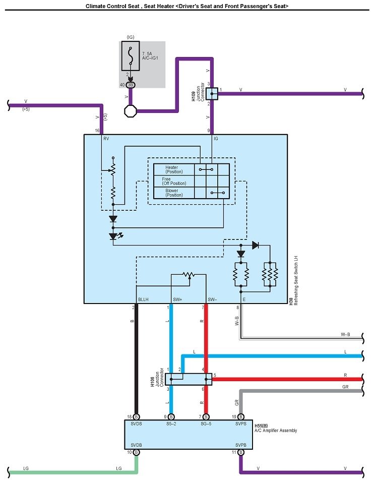
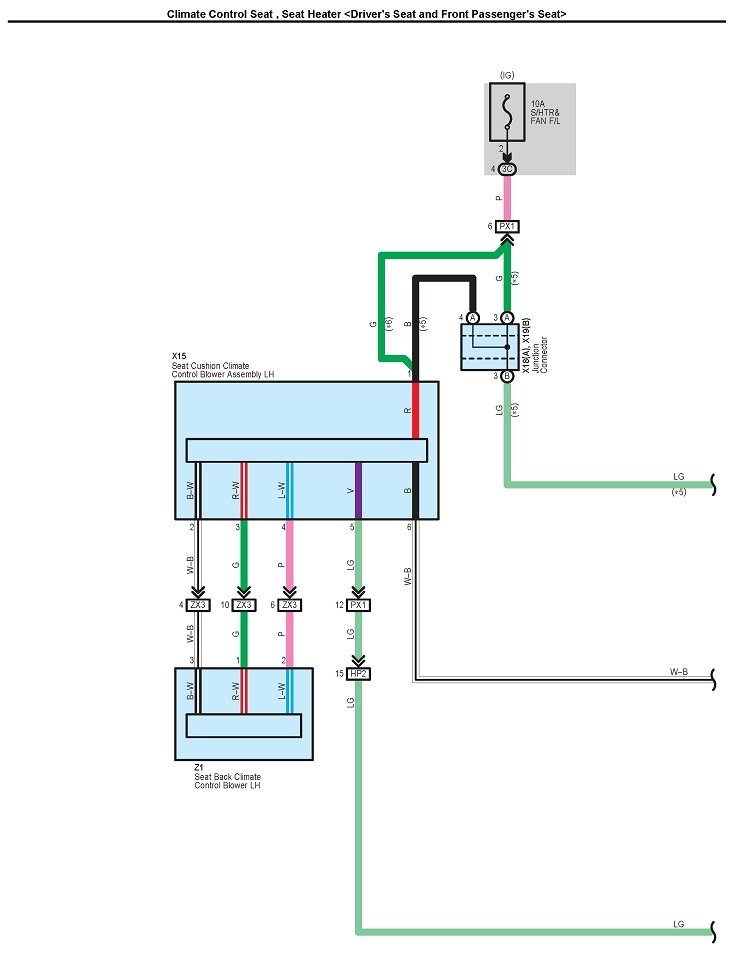
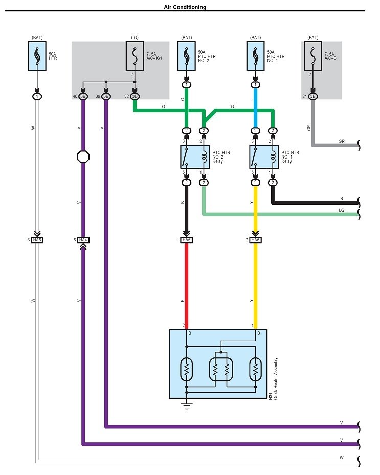
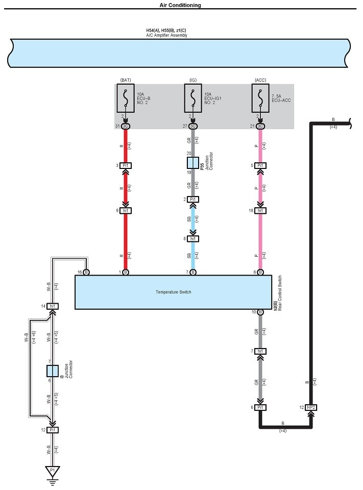
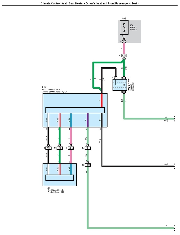
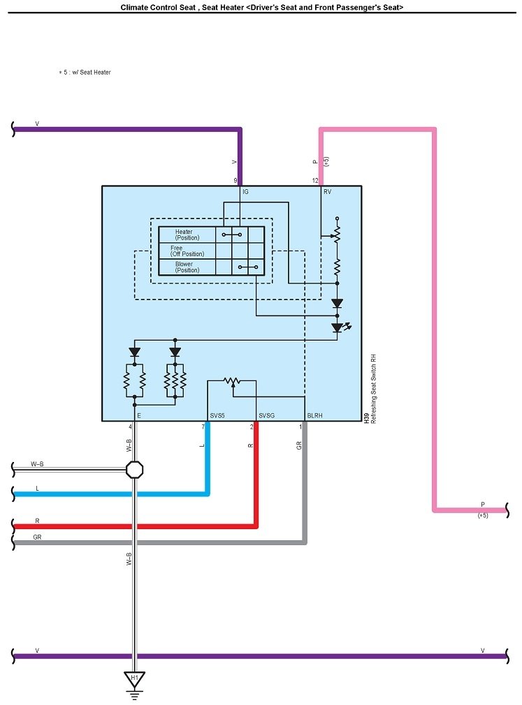
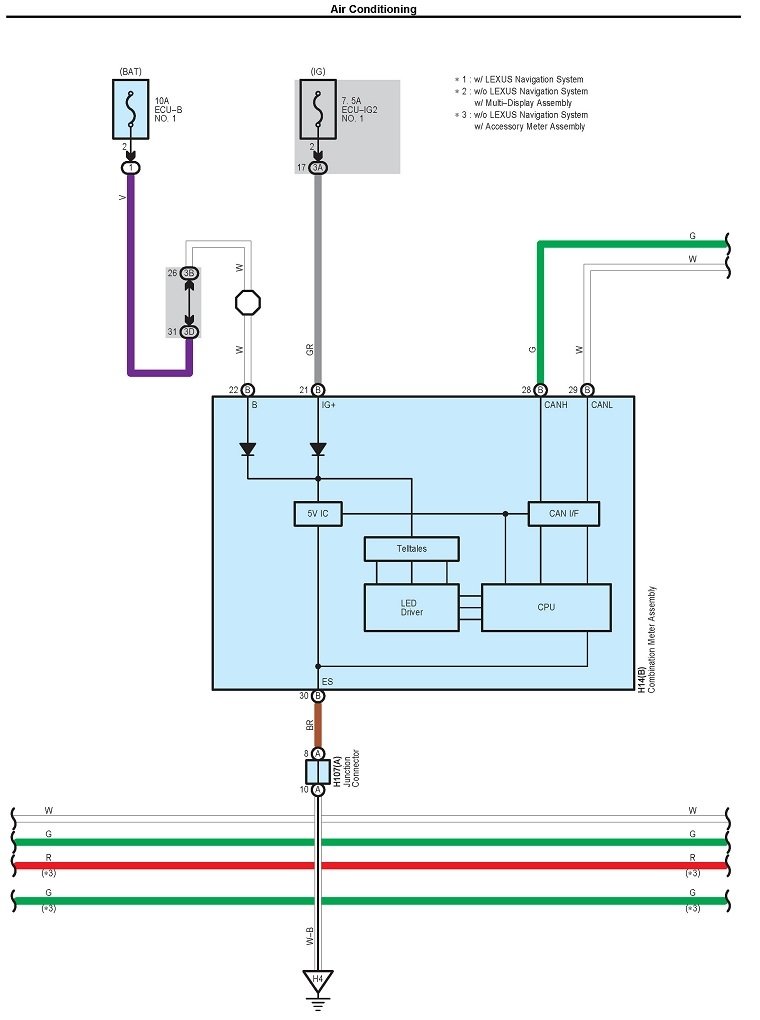
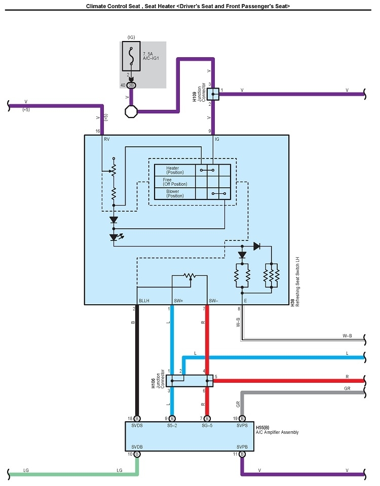
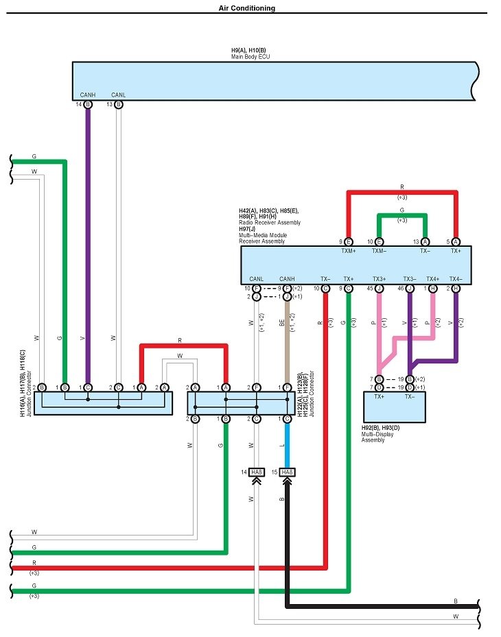
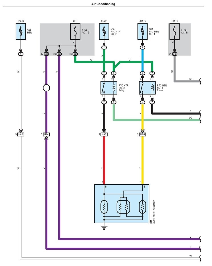
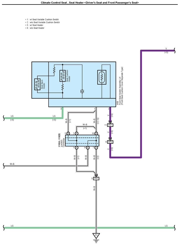
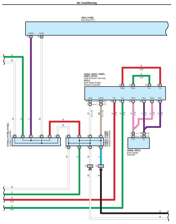
This is what I found for "Climate Seats". If you need additional diagrams related to power seats, I need to know if you have with or without memory position. I'll post them in a separate reply to keep them grouped together without getting mixed up.
Was this
answer
helpful?
Yes
No
+2
Wednesday, February 5th, 2020 AT 12:20 PM
Tiny
CARADIODOC
  • MECHANIC
  • 34,468 POSTS
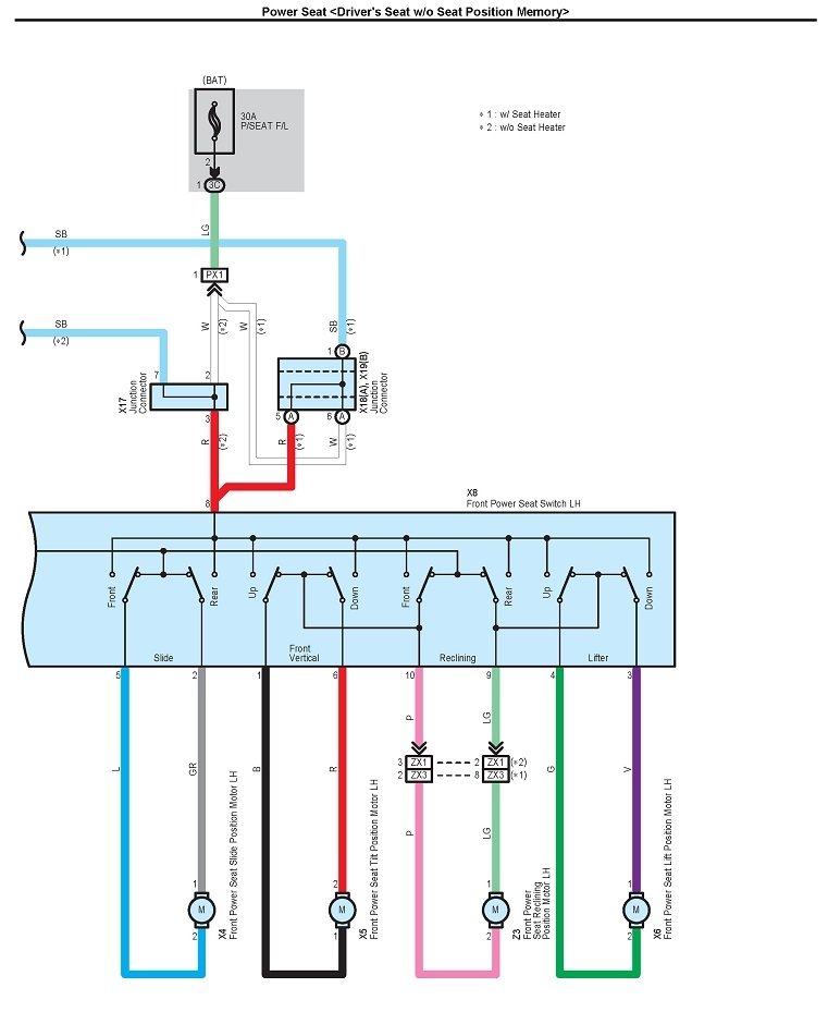
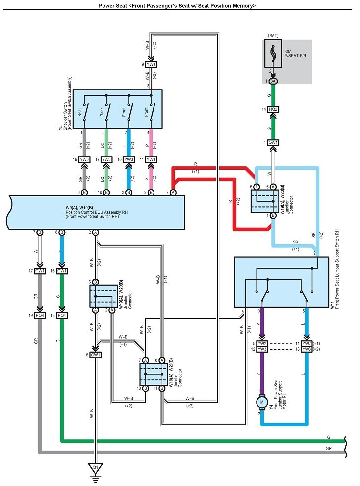
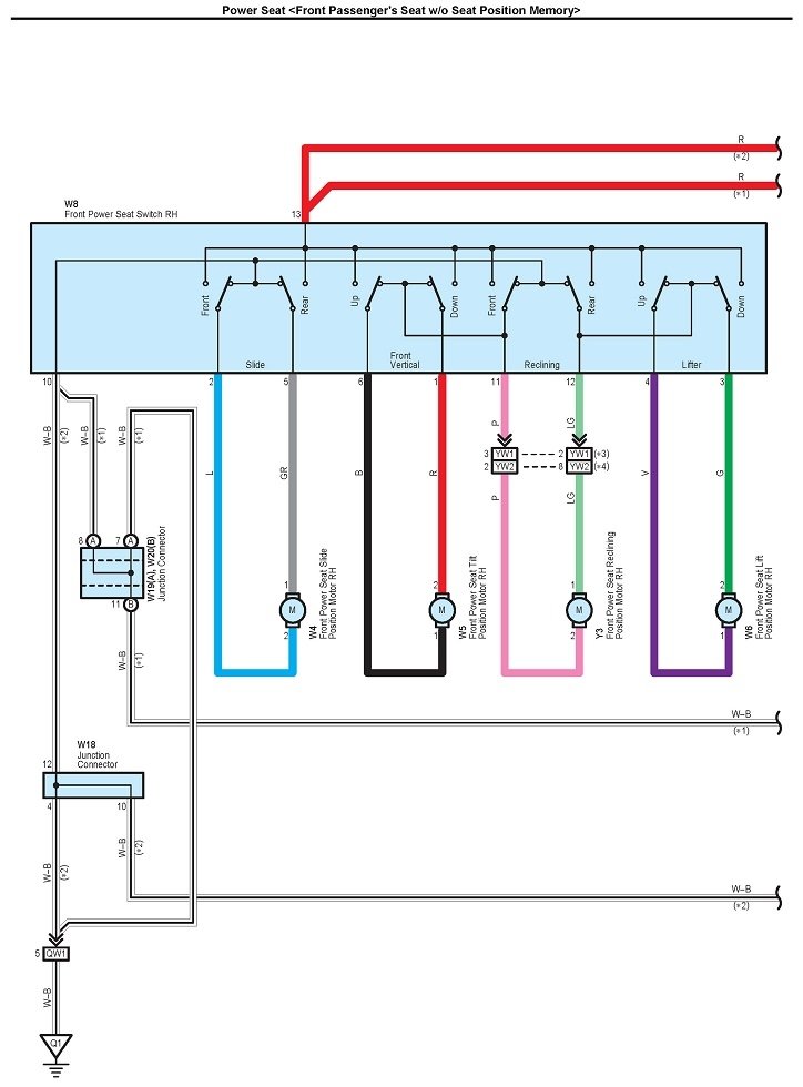
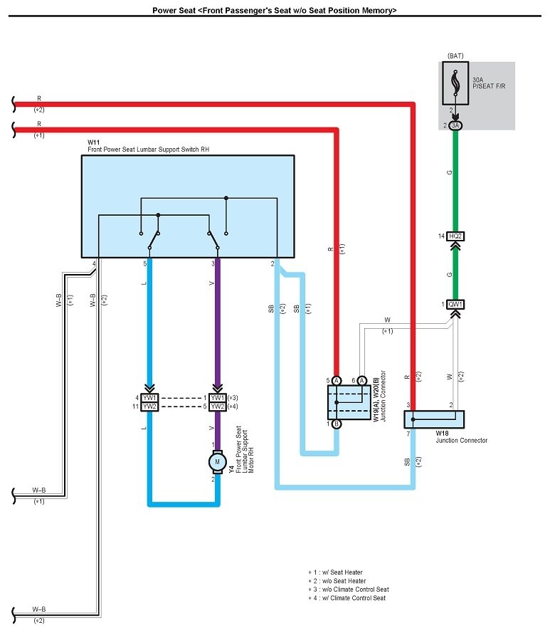
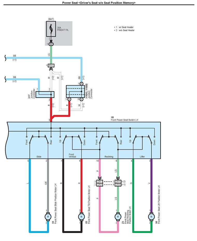
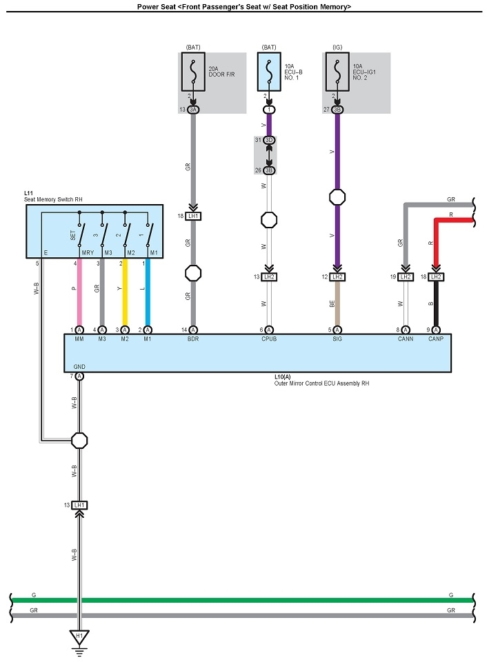
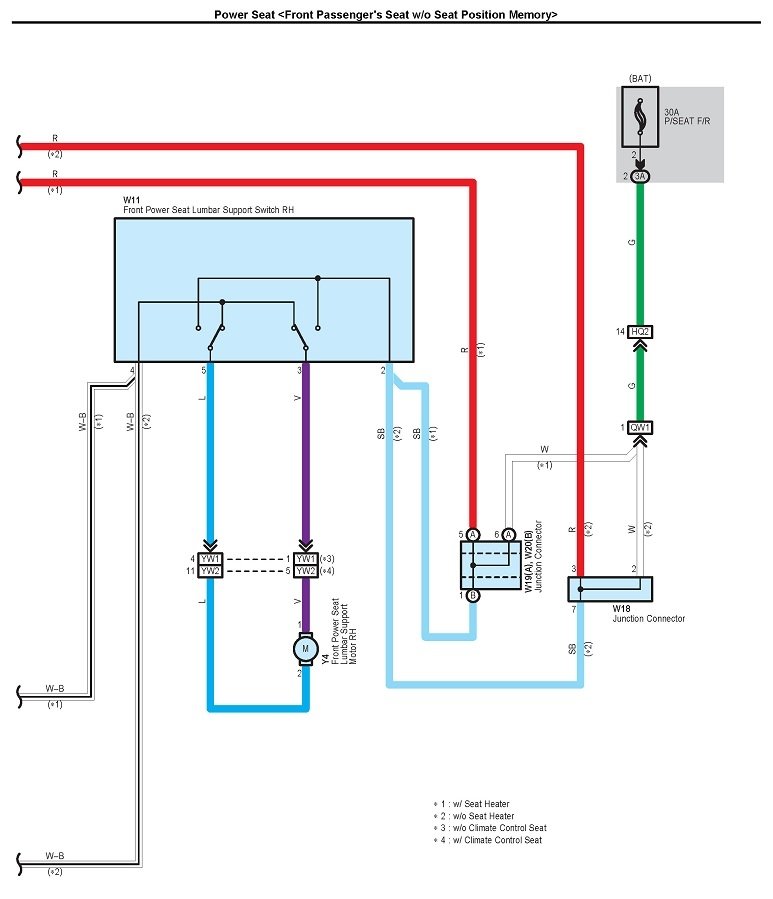
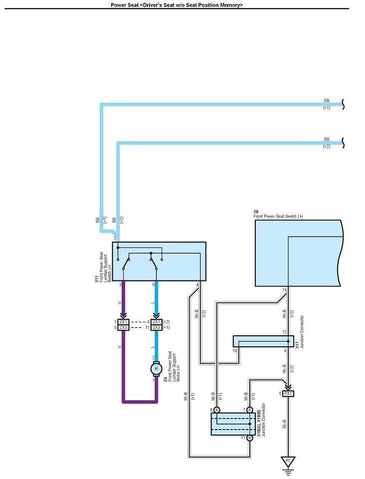
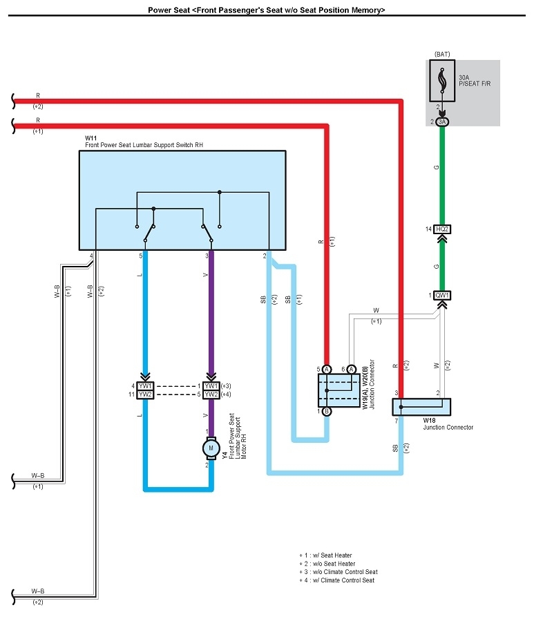
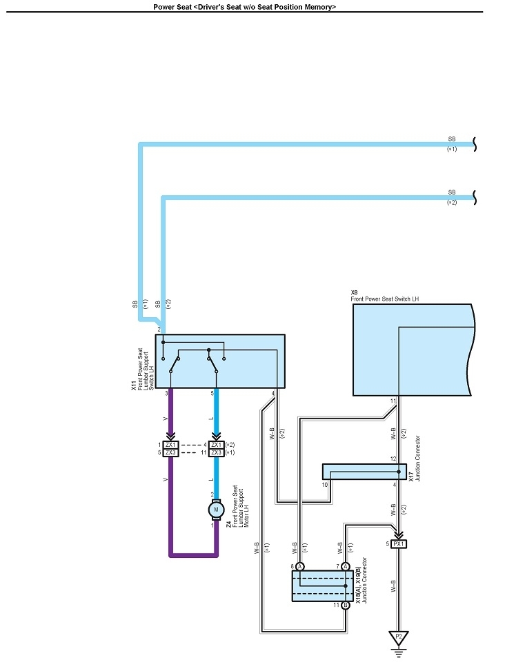
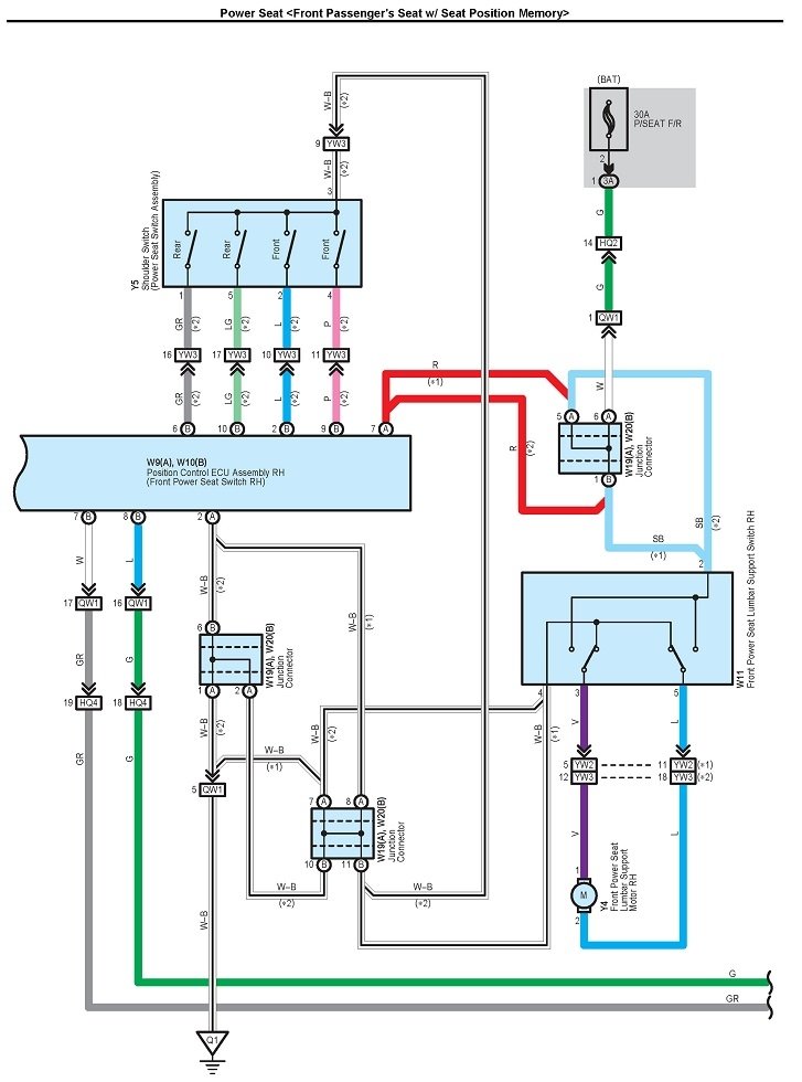
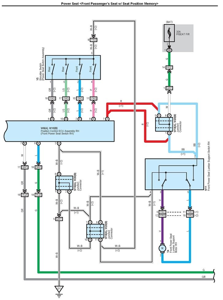
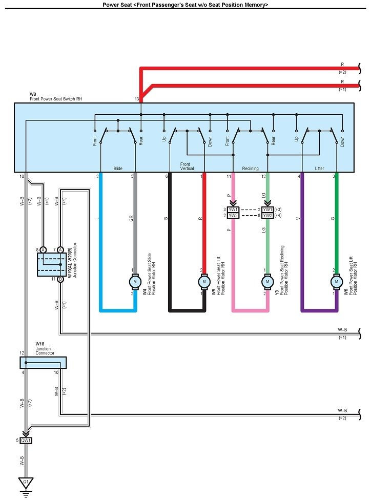
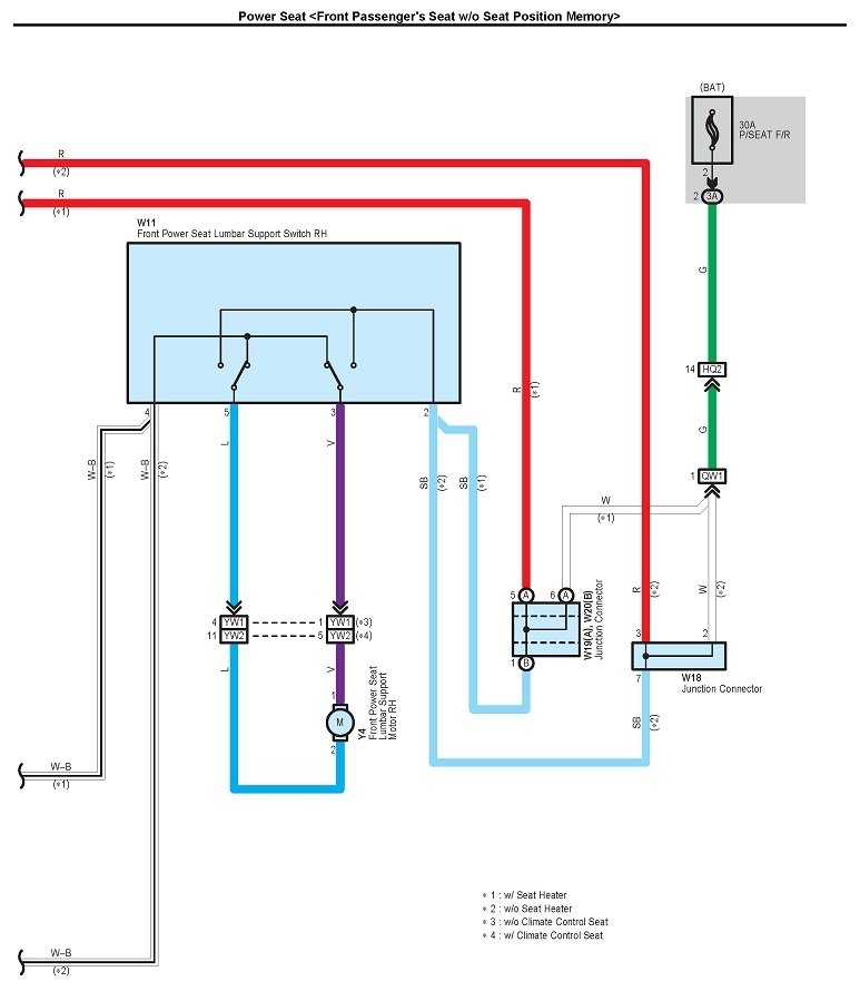
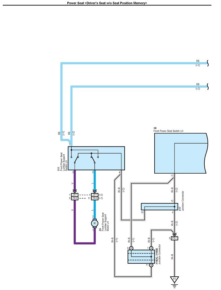
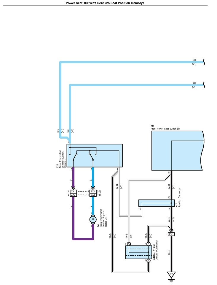
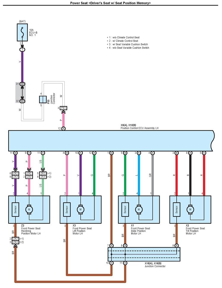
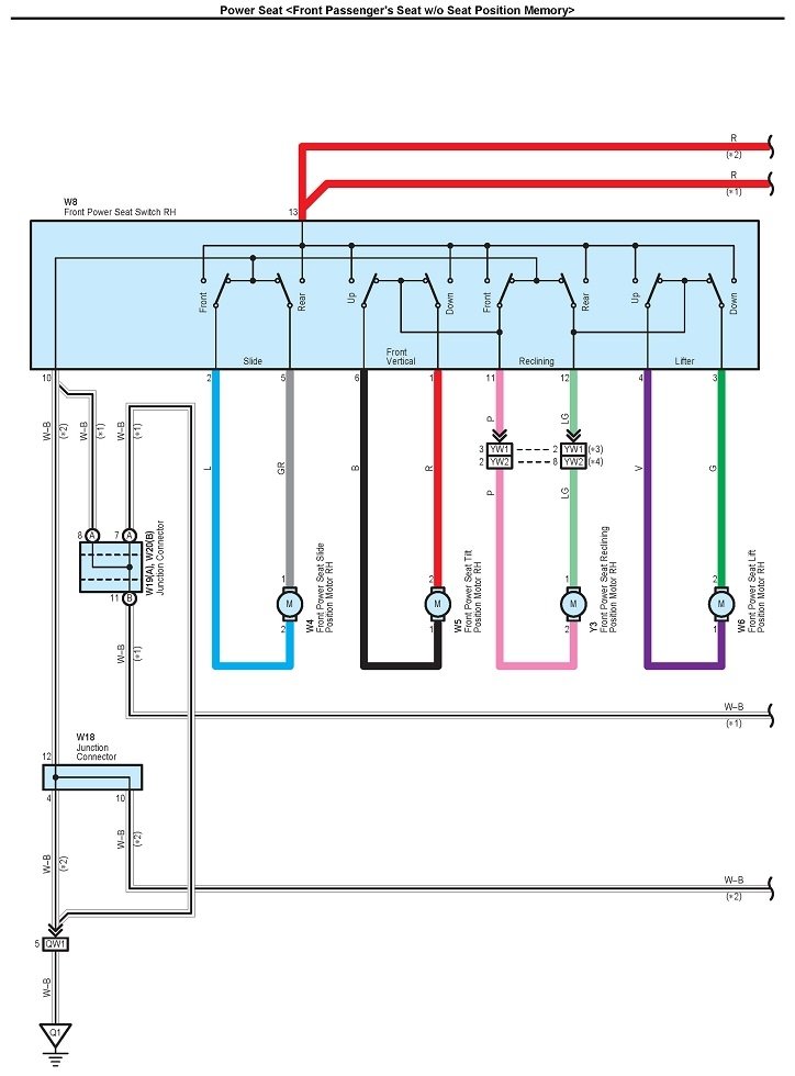
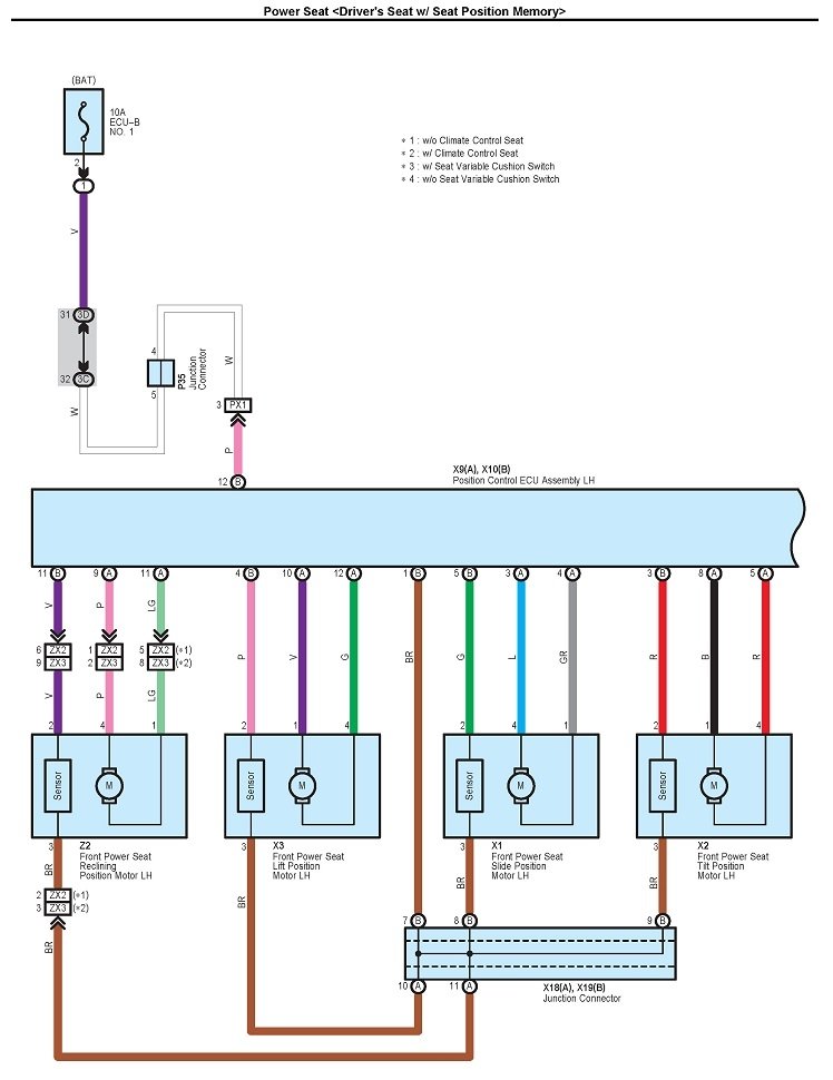
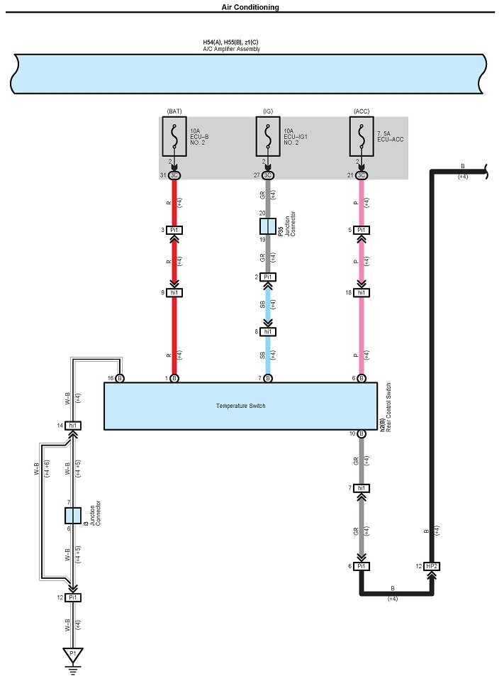
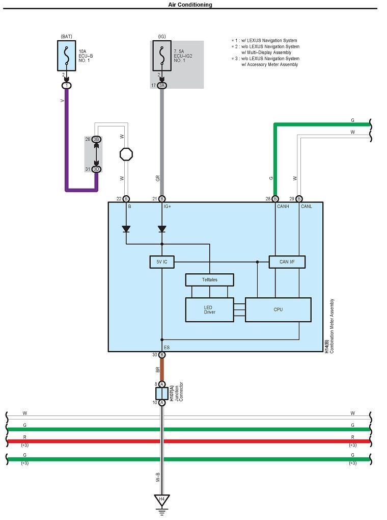
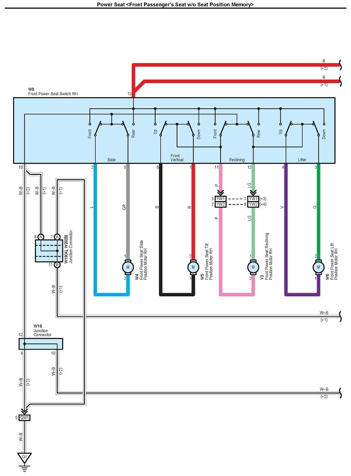
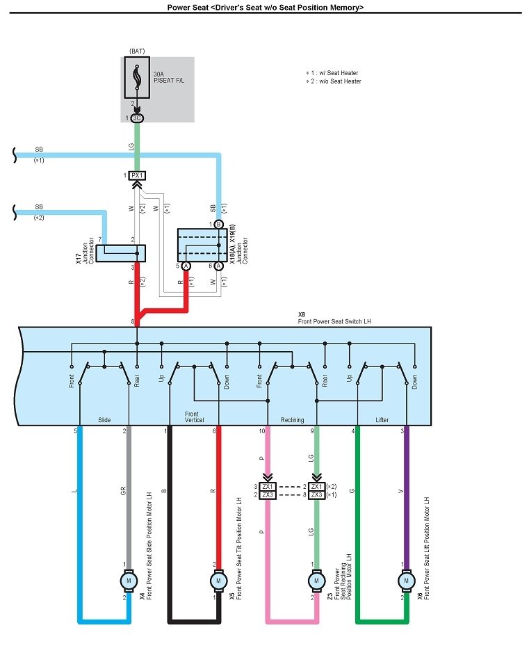
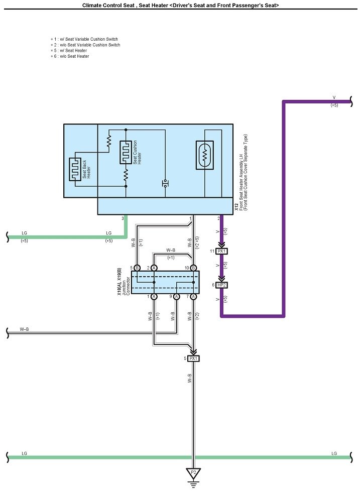
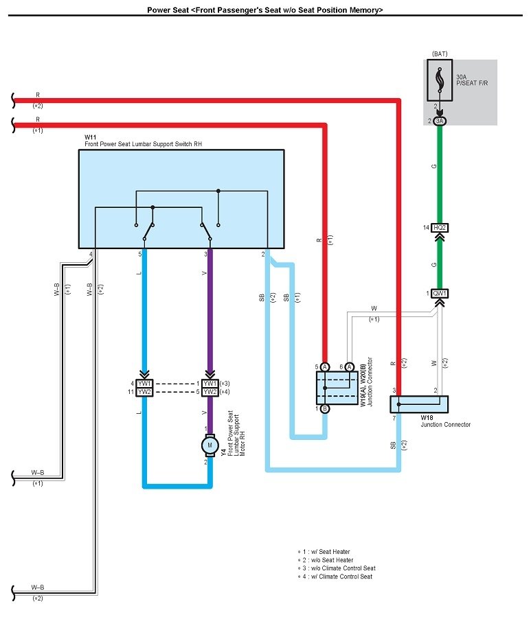
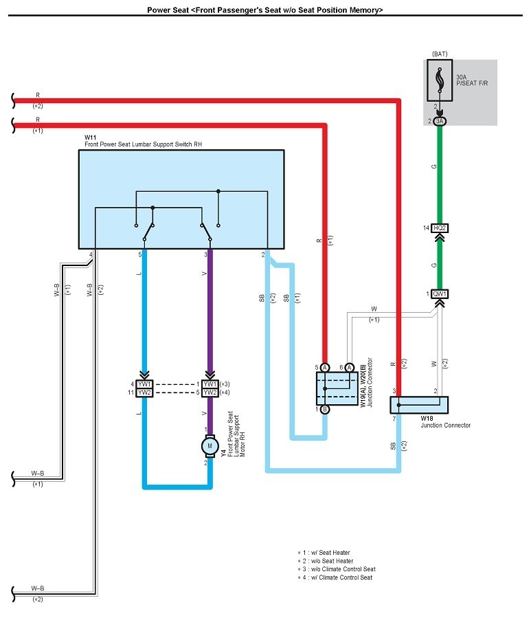
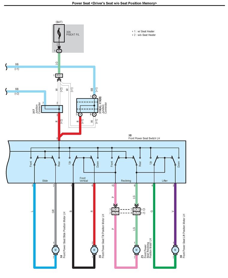
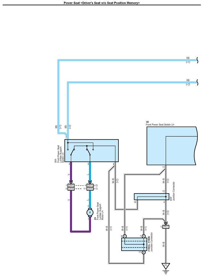
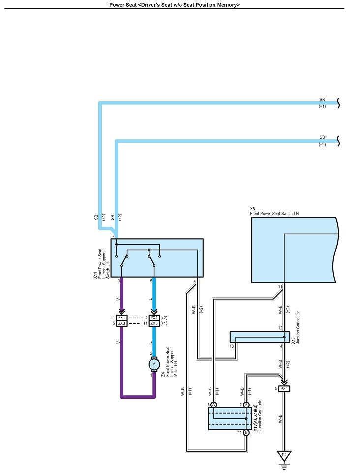
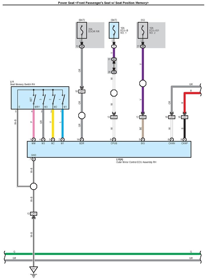
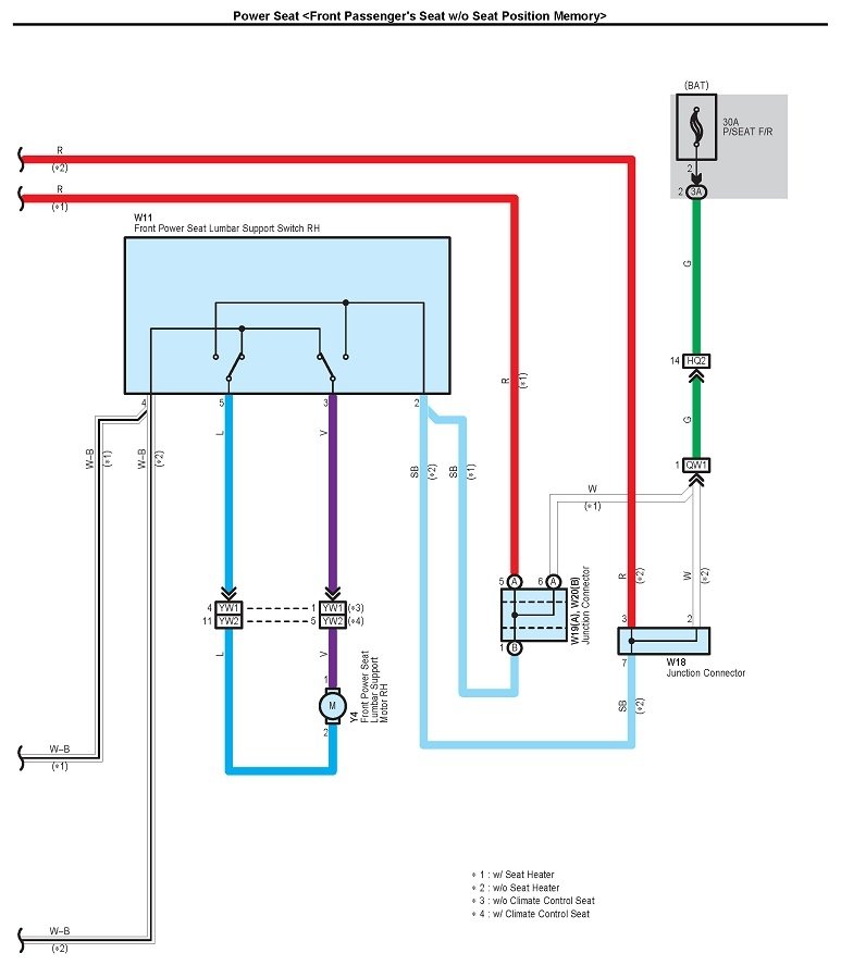
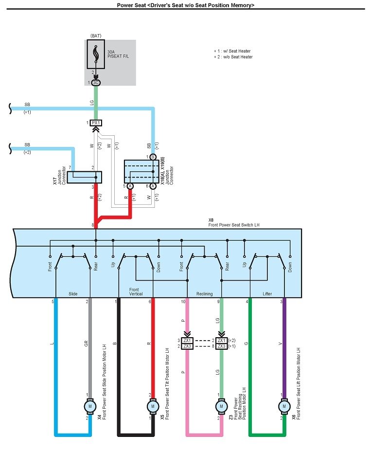
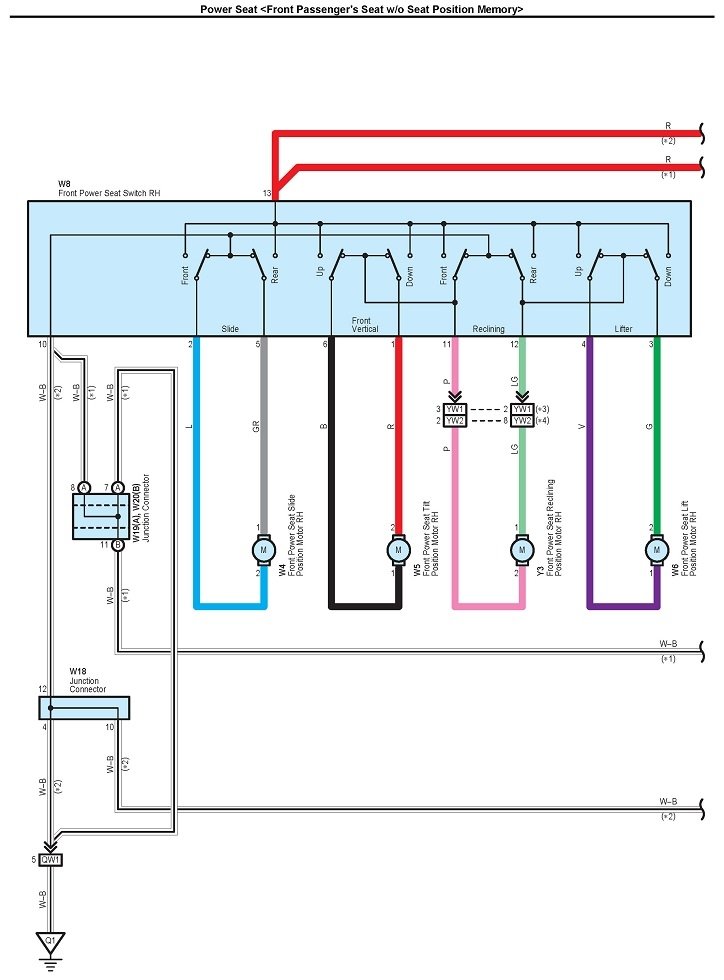
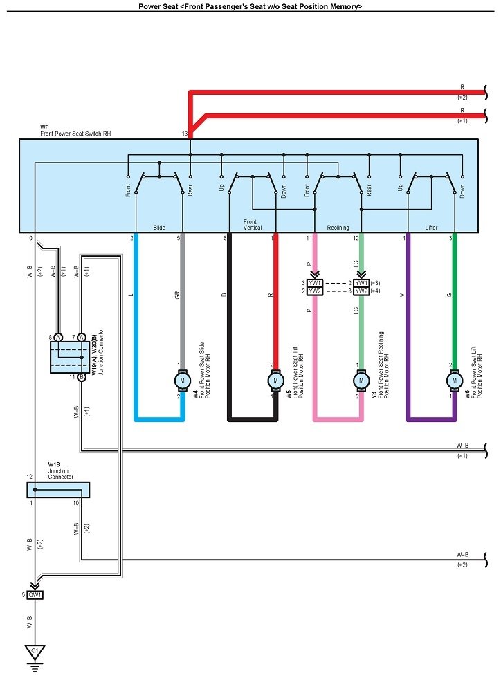
These first three diagrams are for the driver's power seat without memory position. The last three are for the right front seat.
Was this
answer
helpful?
Yes
No
+1
Wednesday, February 5th, 2020 AT 12:46 PM
Tiny
CARADIODOC
  • MECHANIC
  • 34,468 POSTS
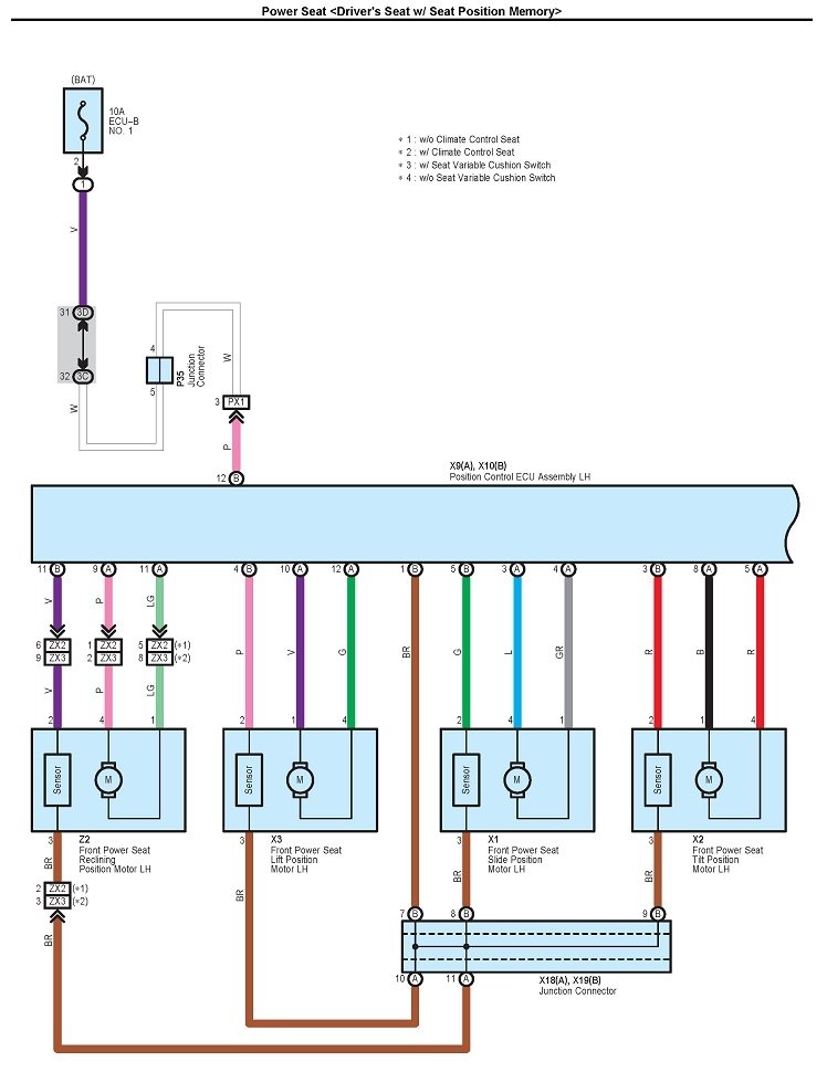
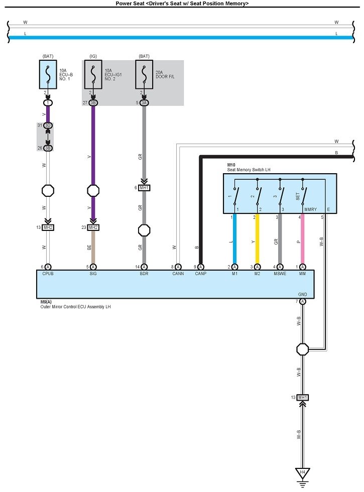
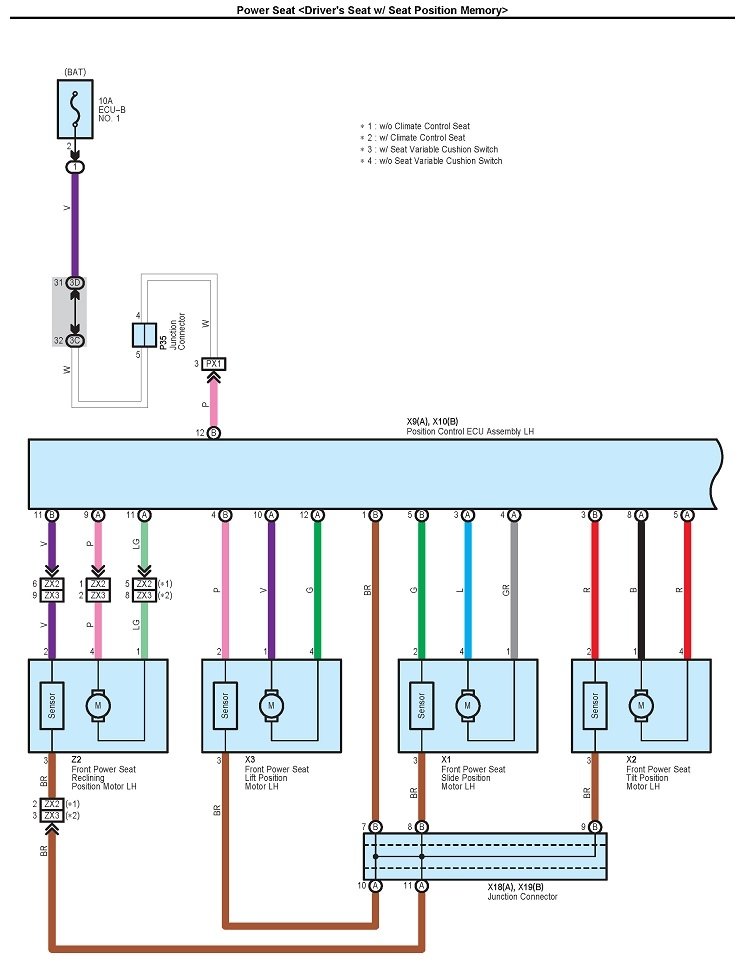
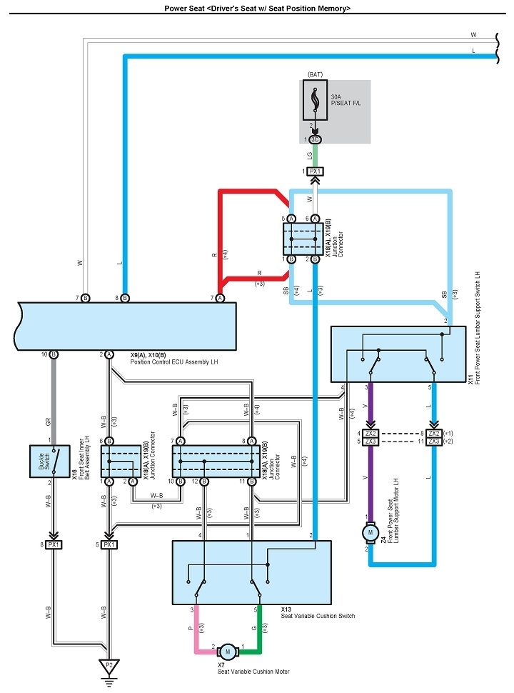
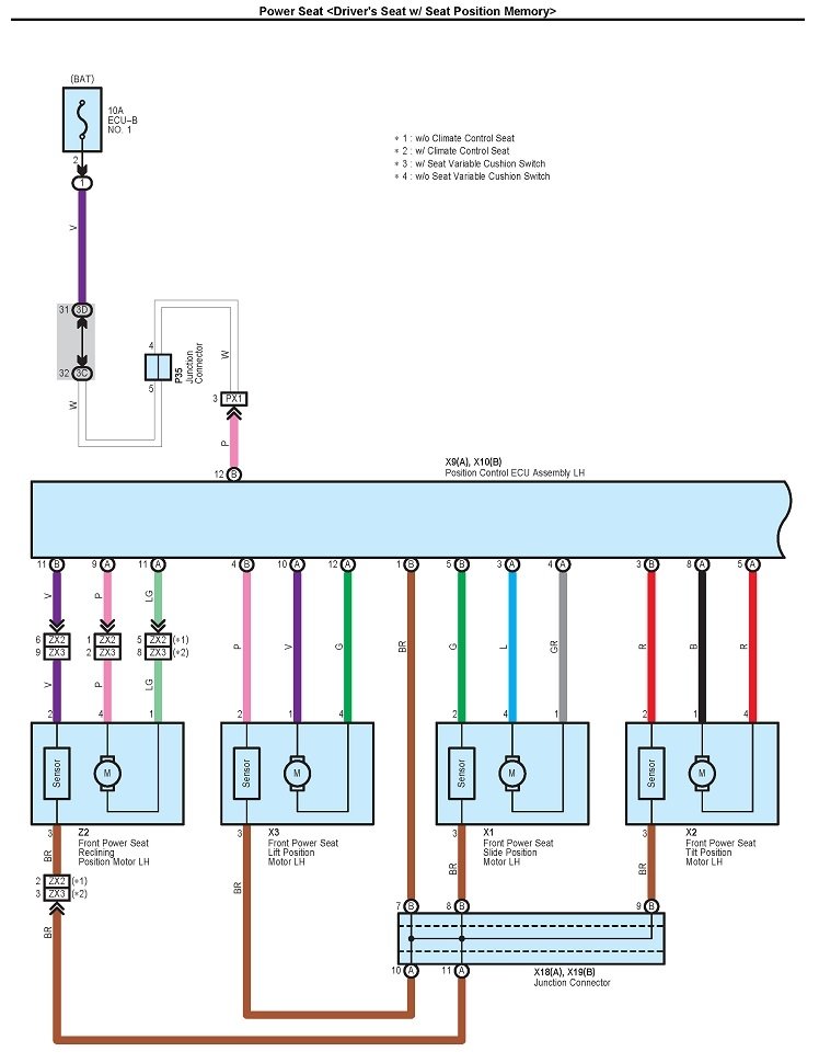
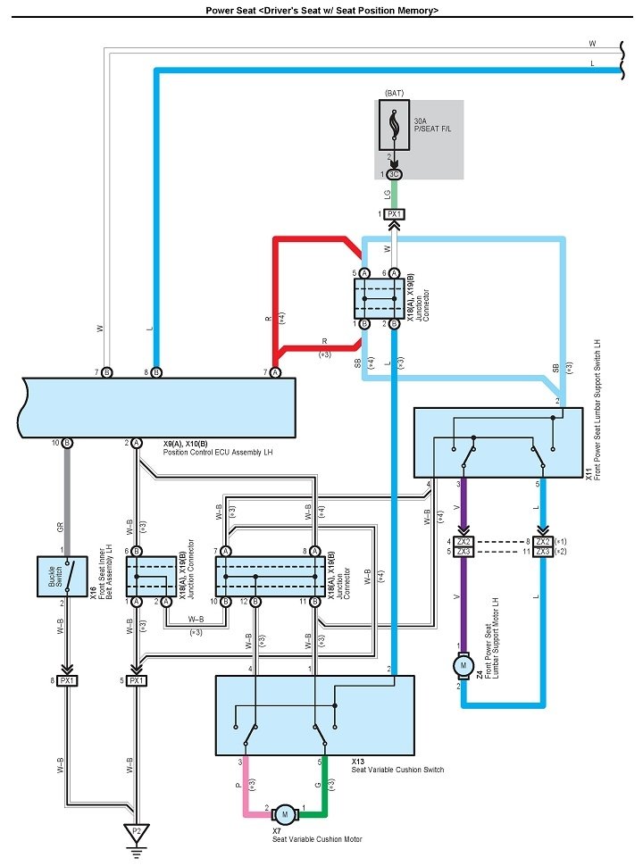
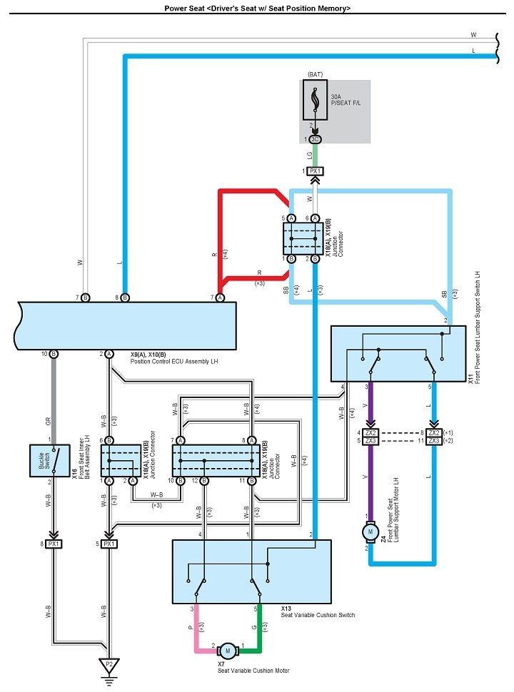
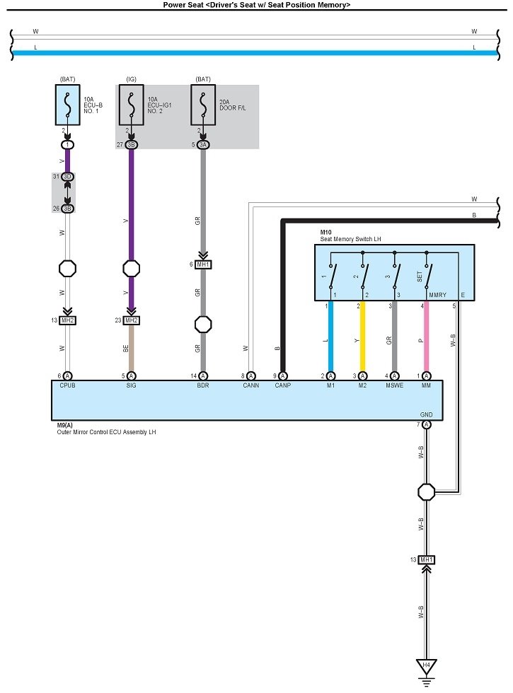
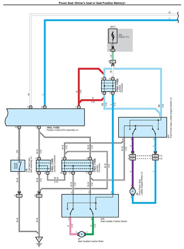
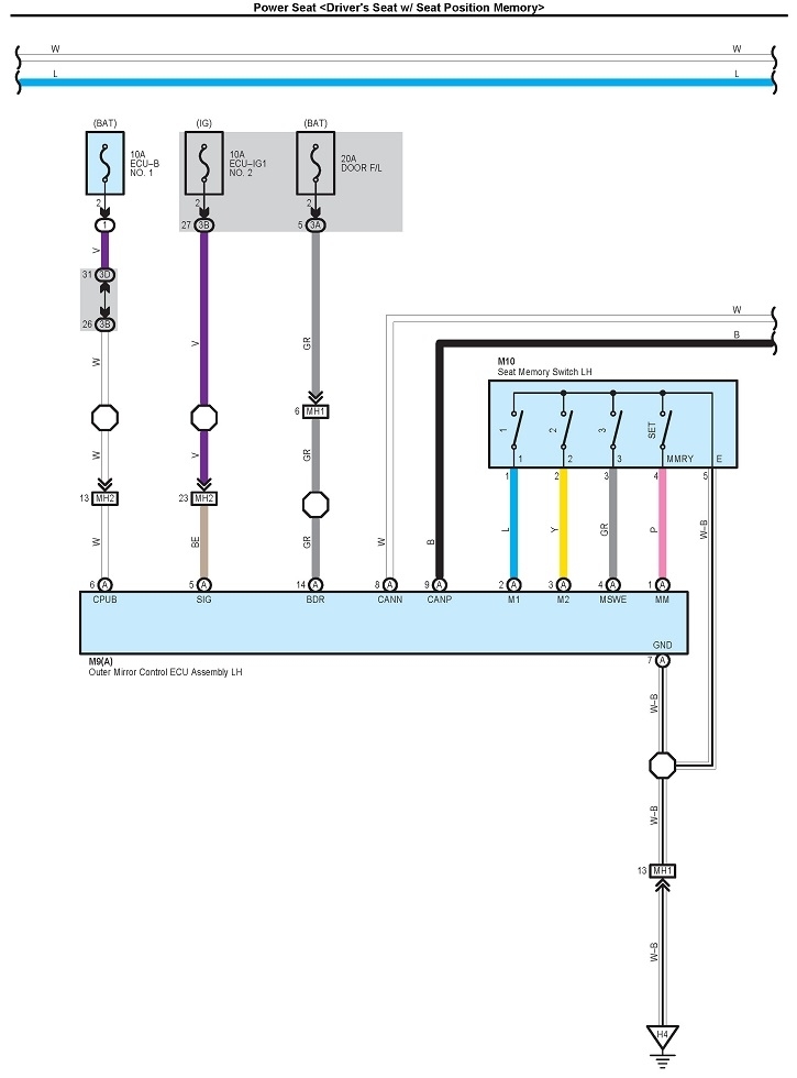
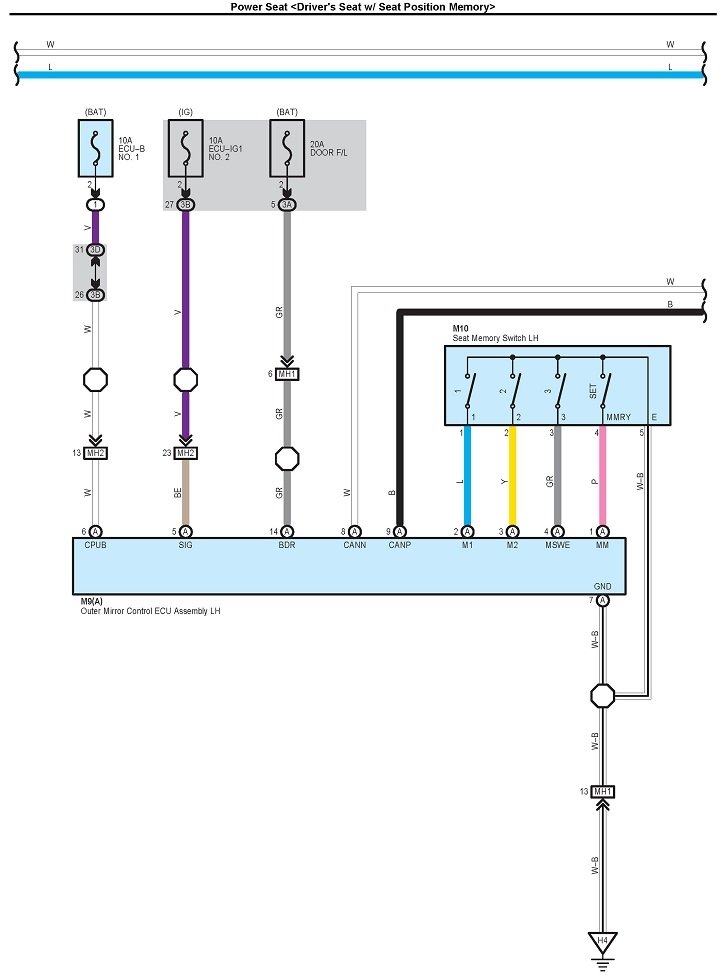
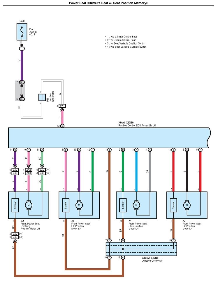
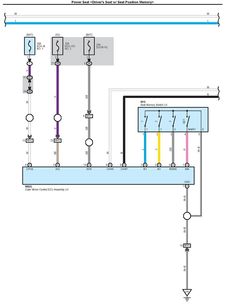
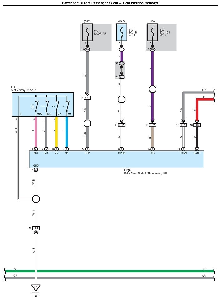
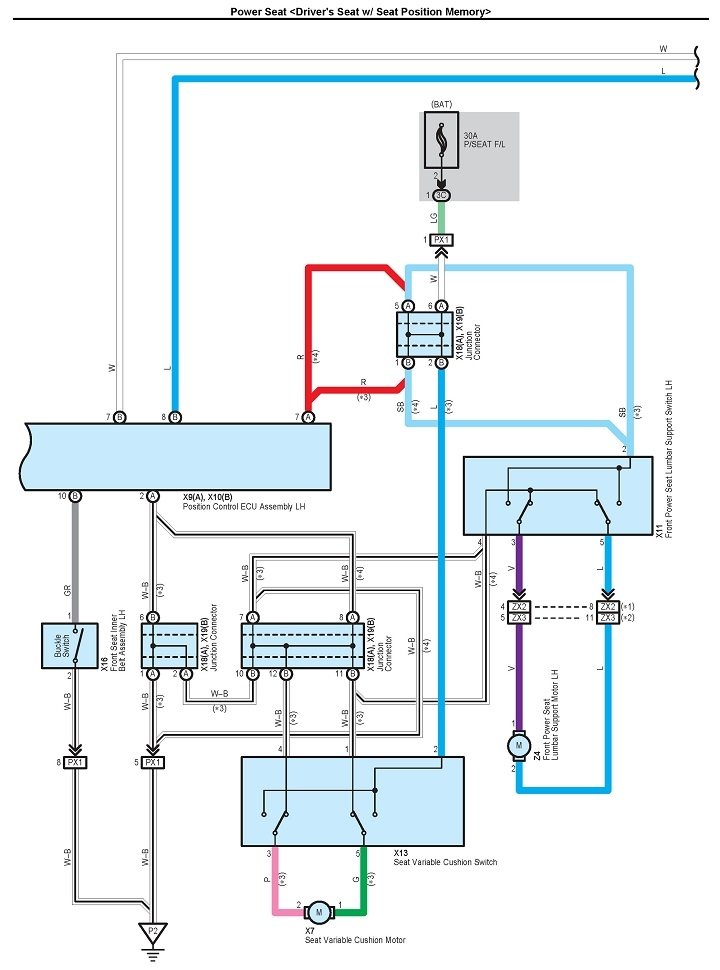
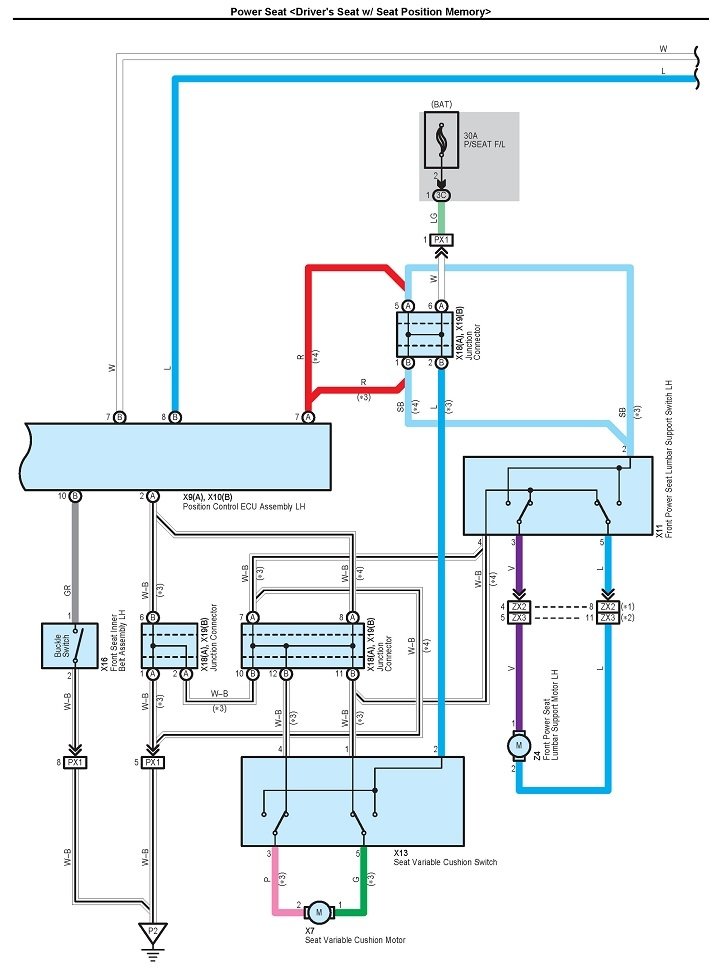
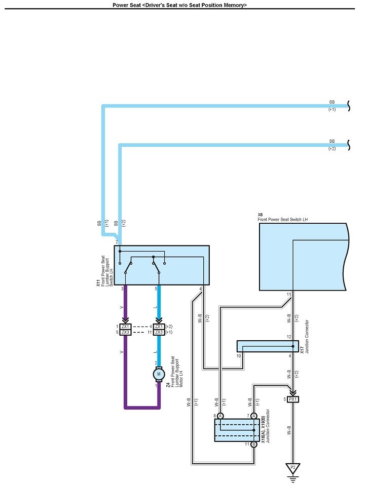
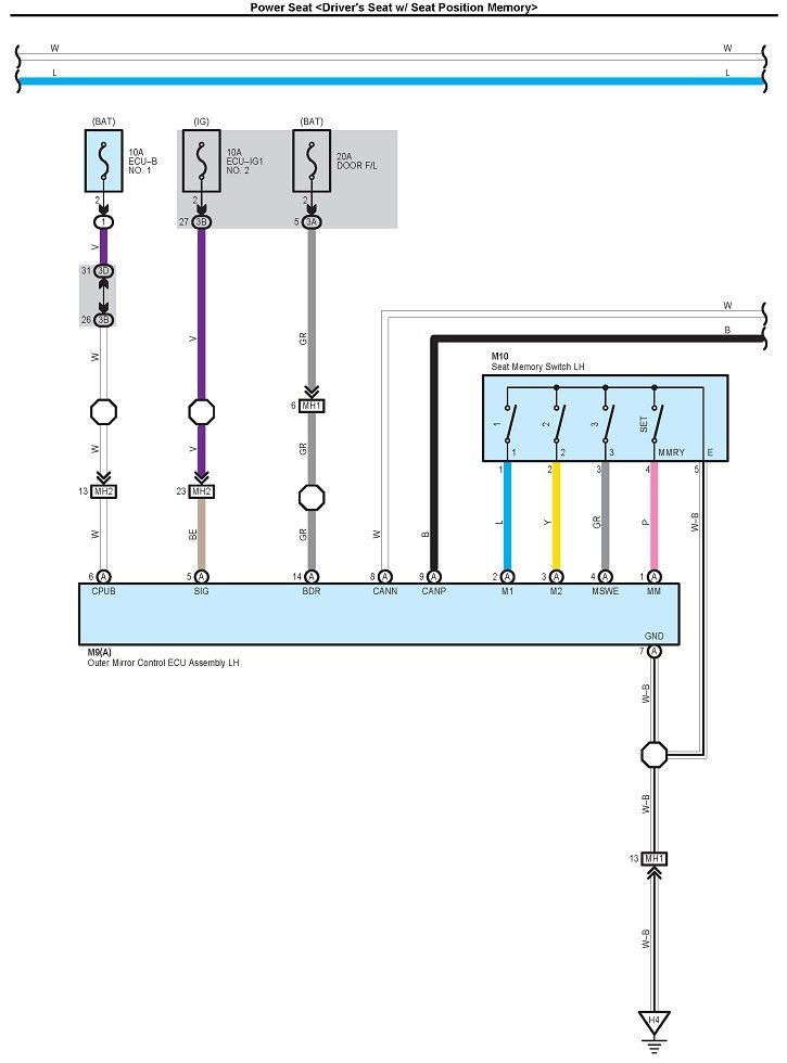
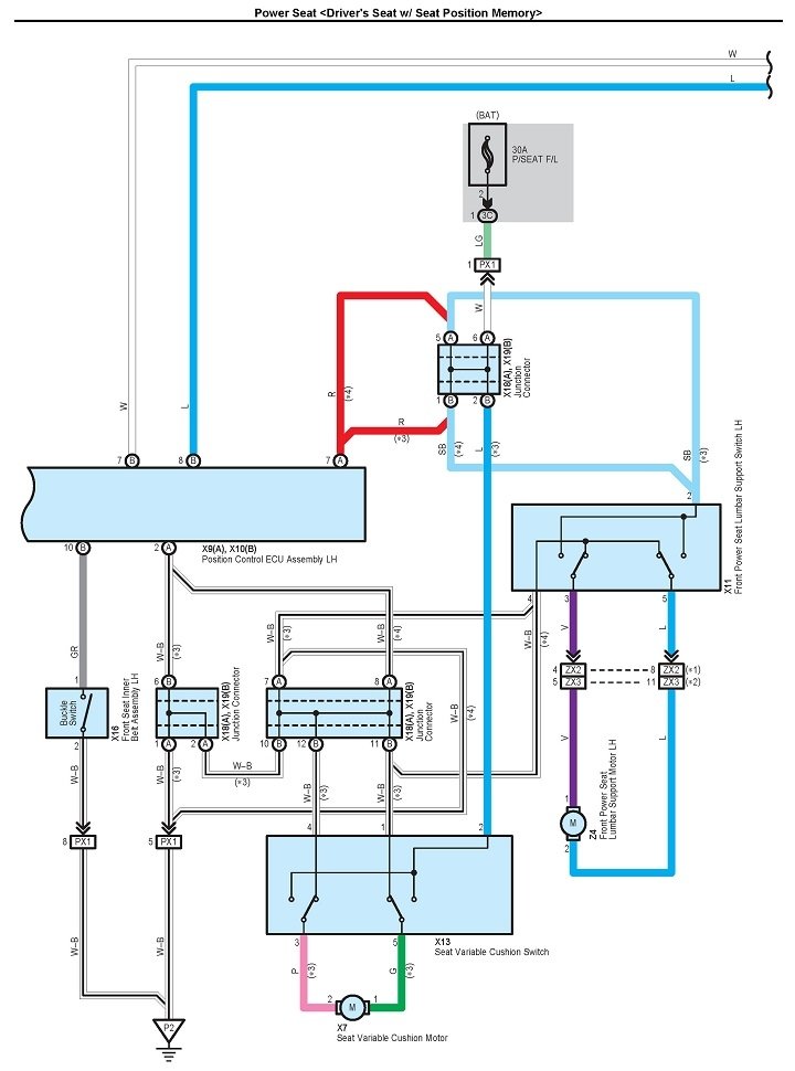
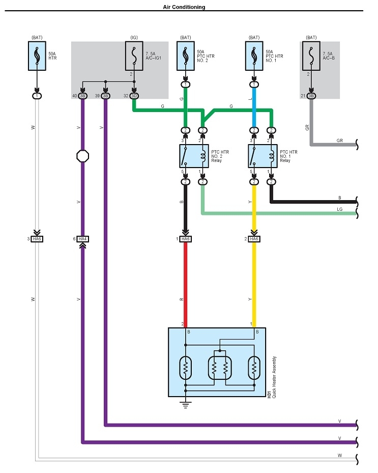
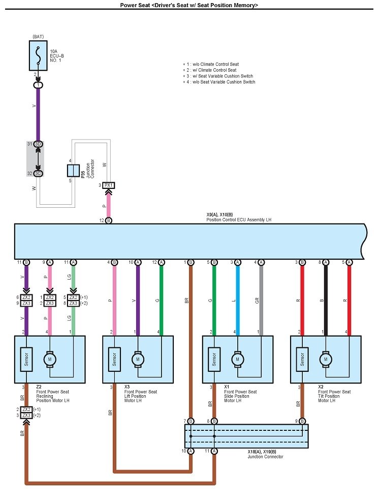
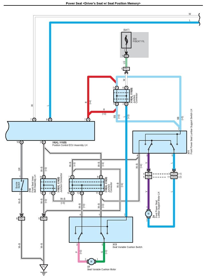
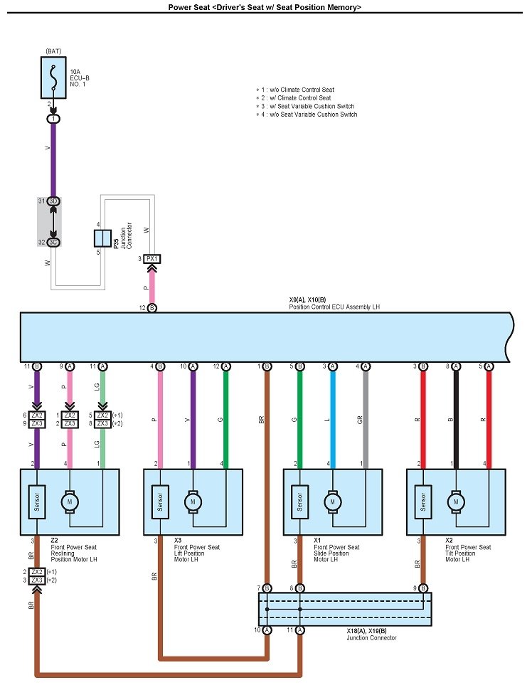
These are for the driver's power seat with memory positioning.
Was this
answer
helpful?
Yes
No
+2
Wednesday, February 5th, 2020 AT 1:26 PM
Tiny
CARADIODOC
  • MECHANIC
  • 34,468 POSTS
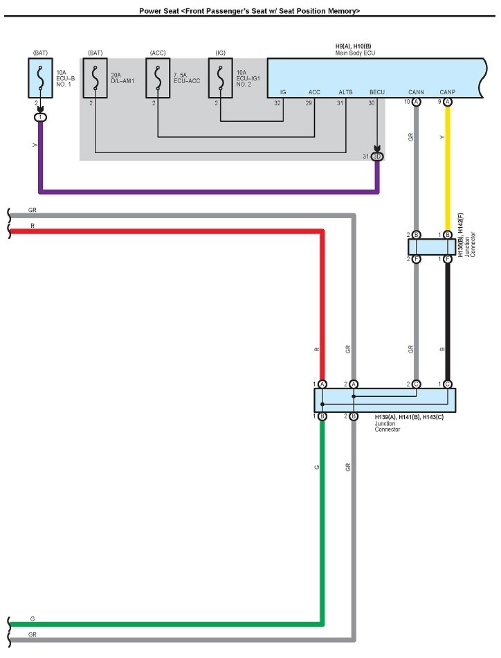
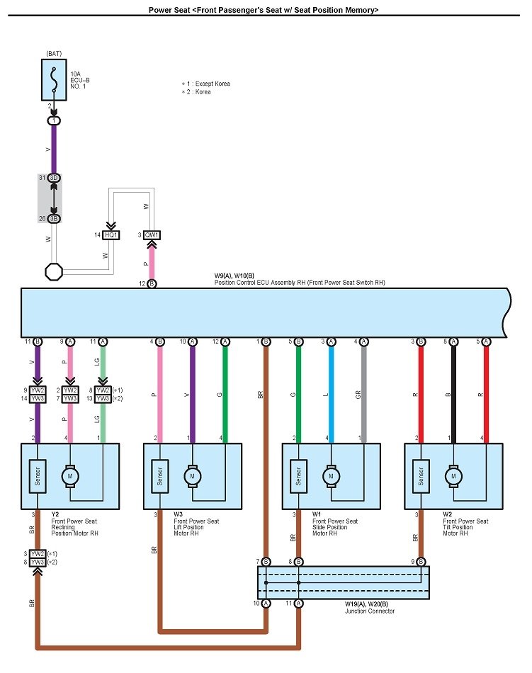
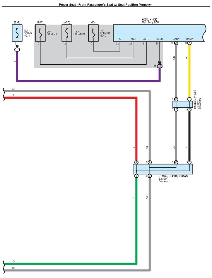
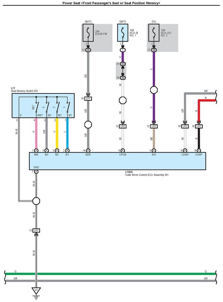
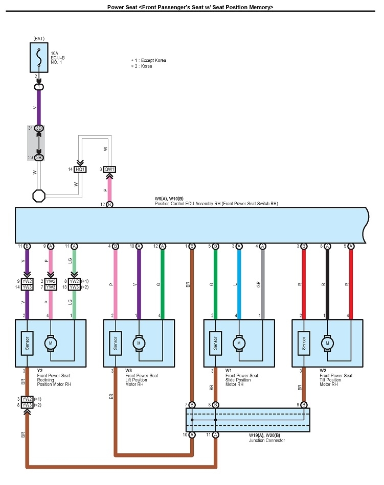
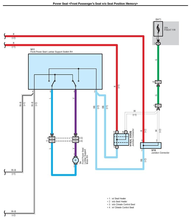
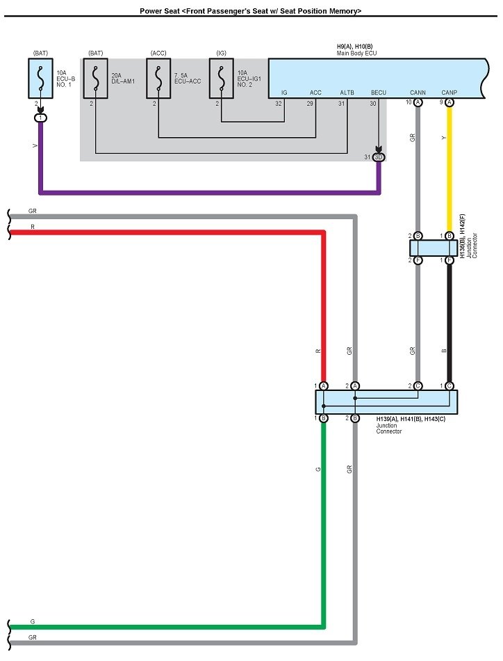
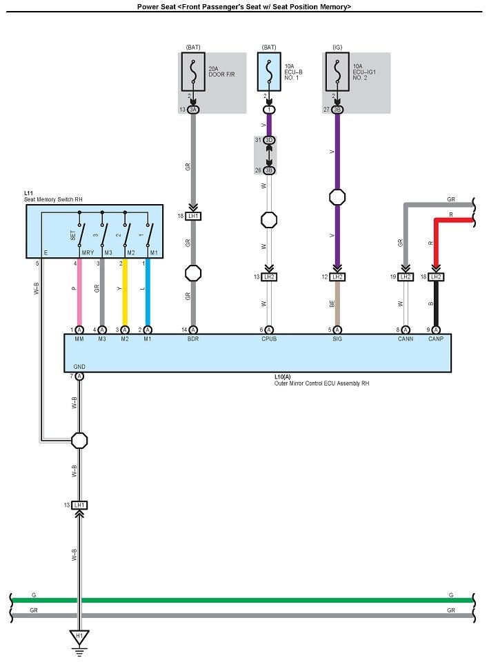
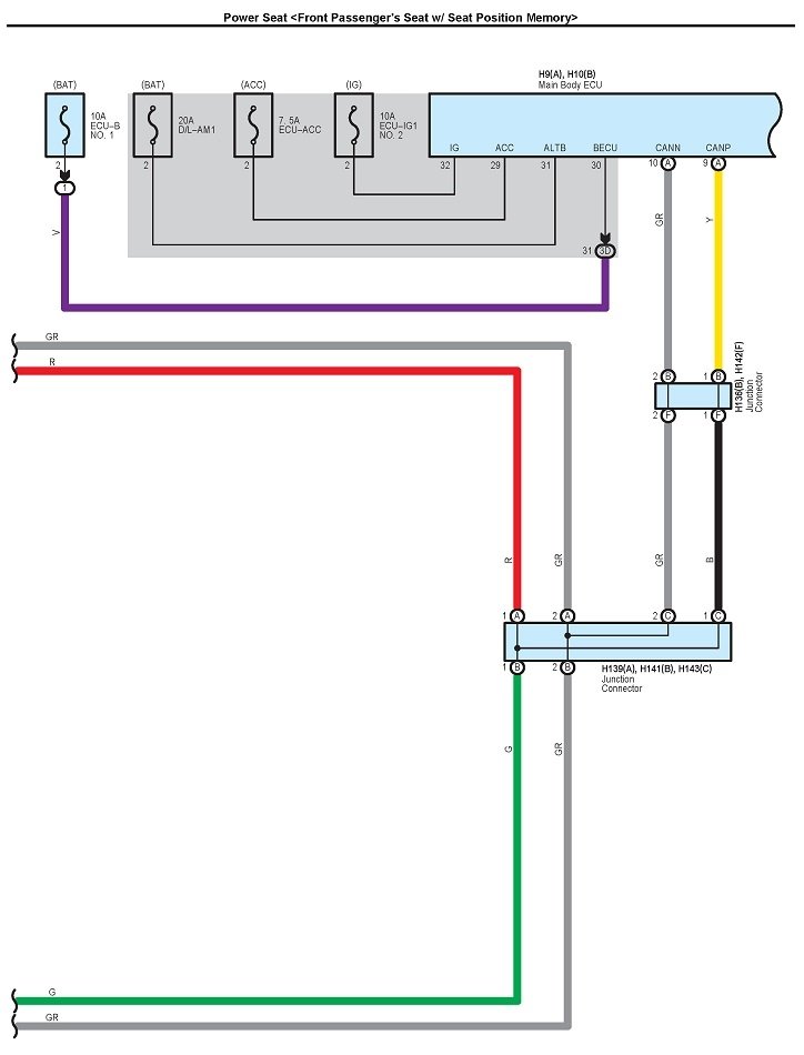
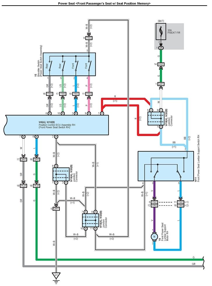
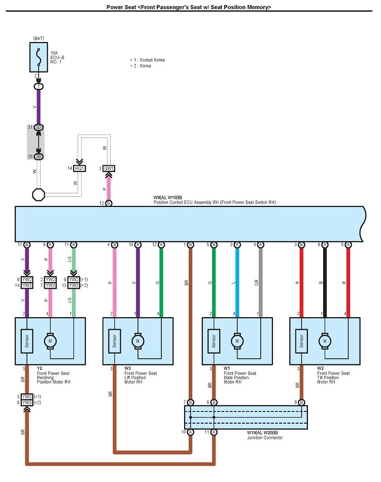
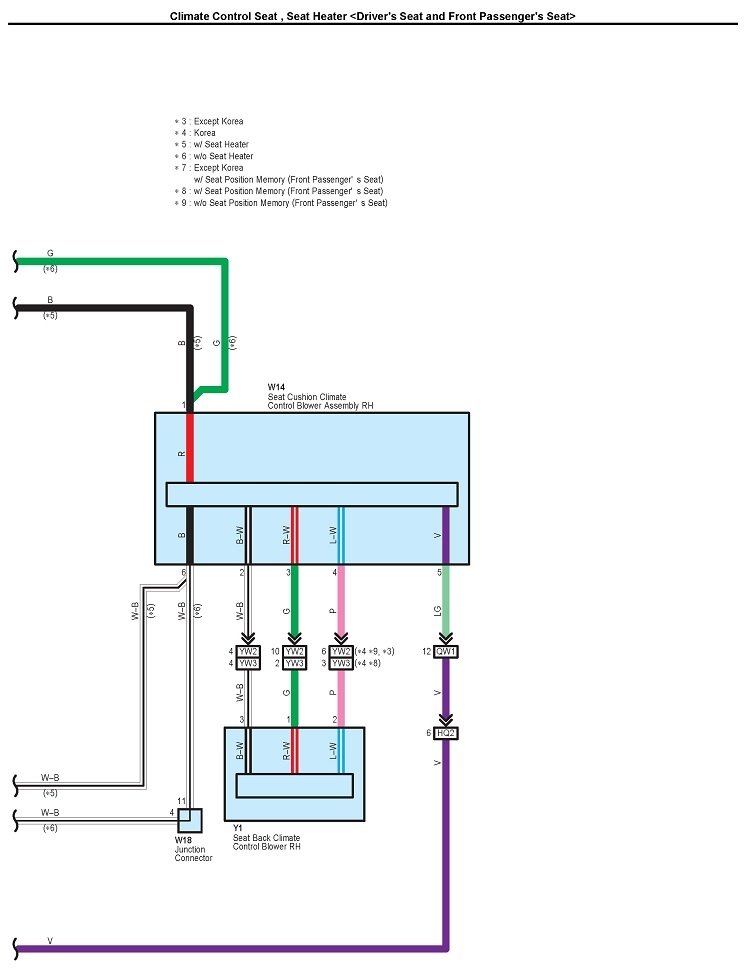
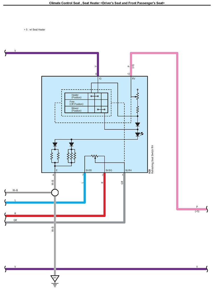
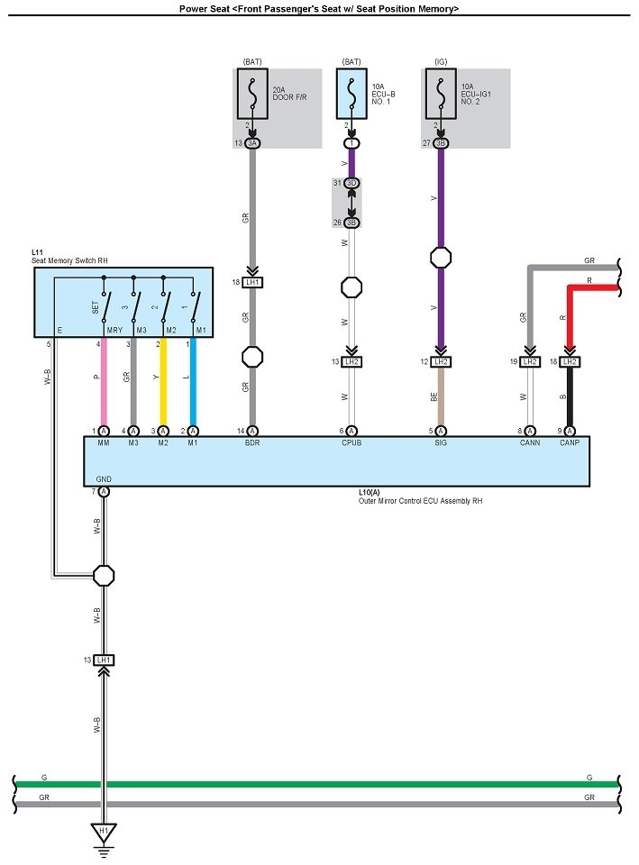
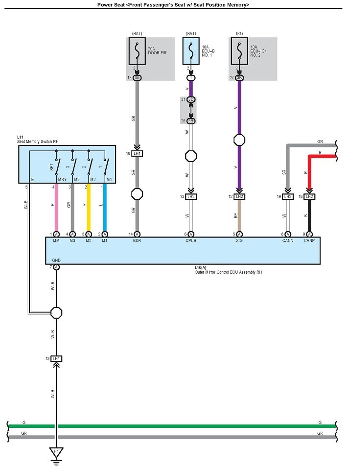
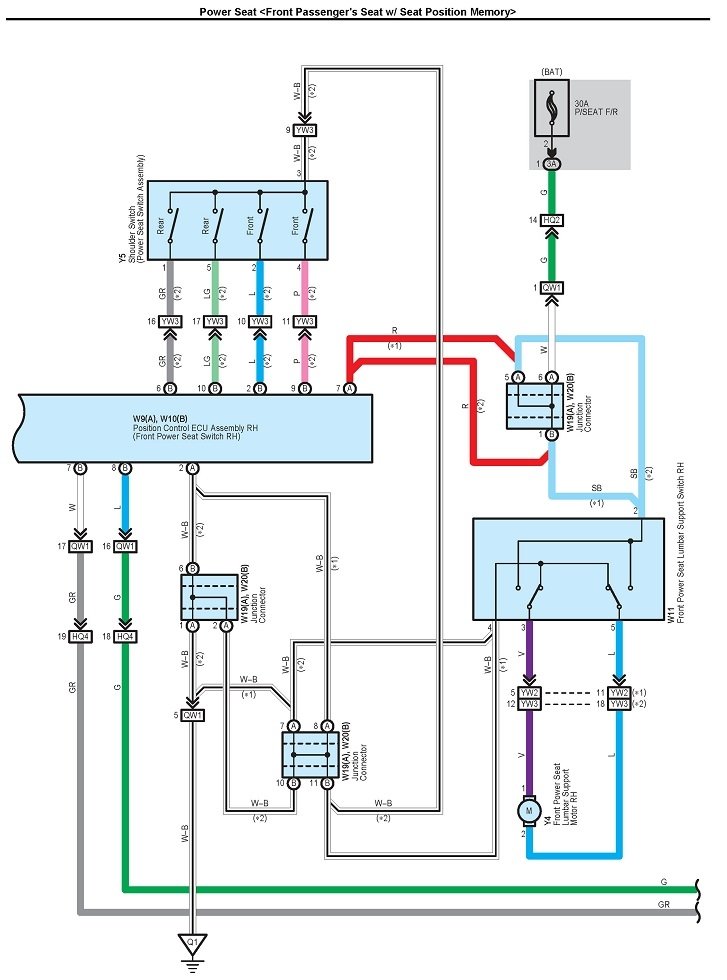
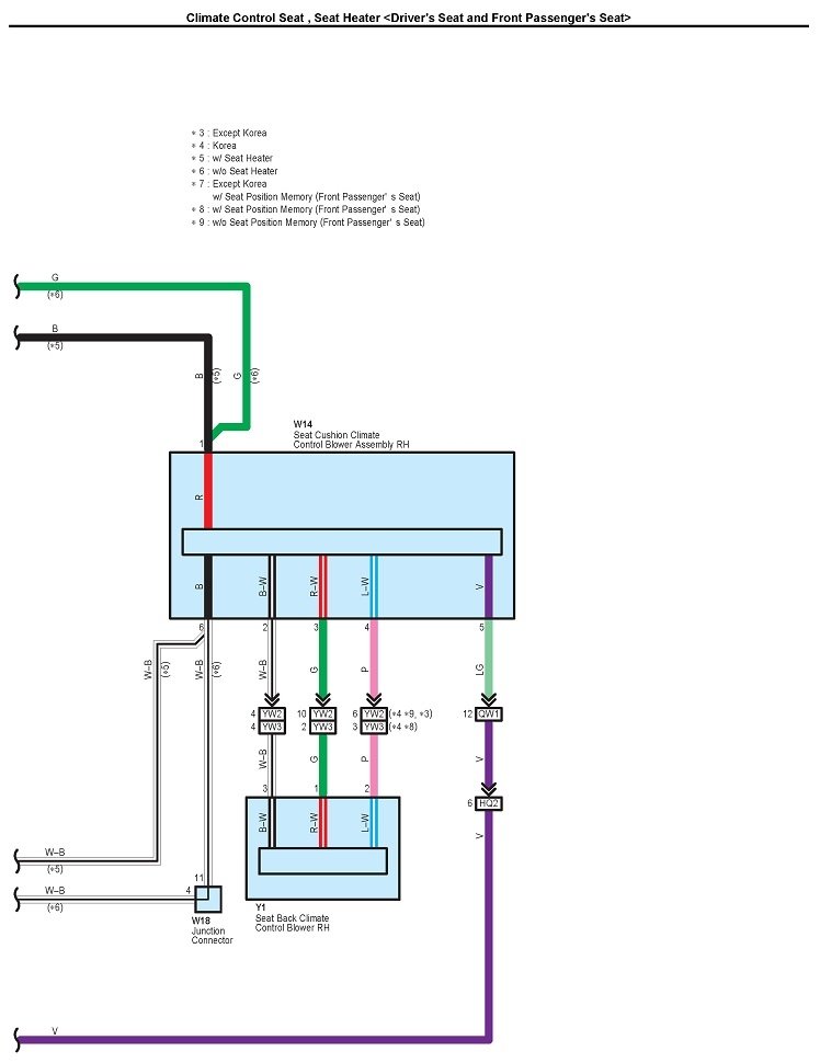
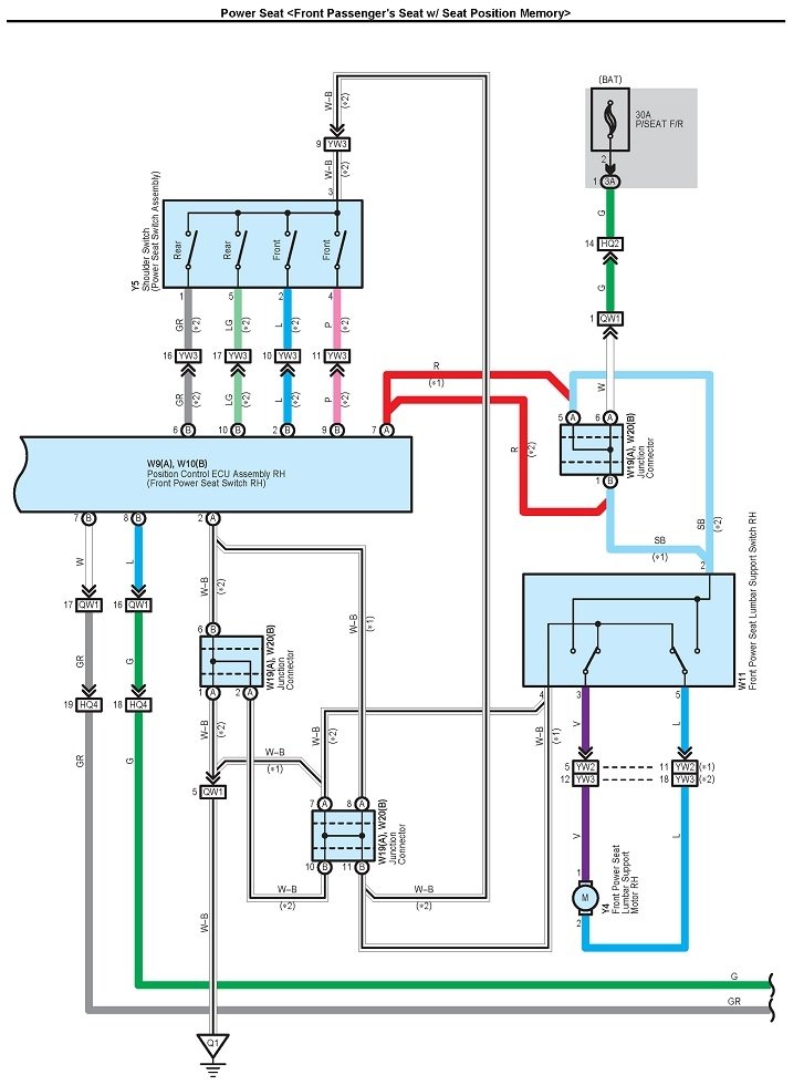
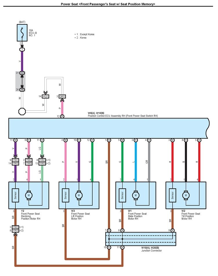
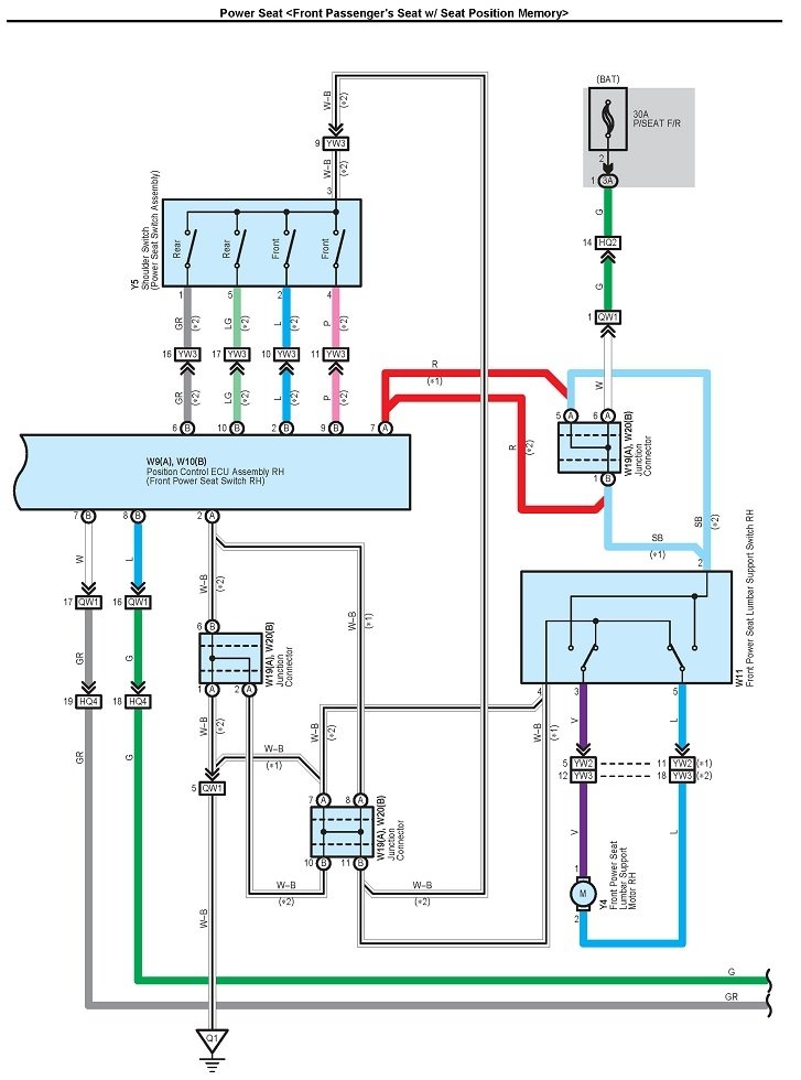
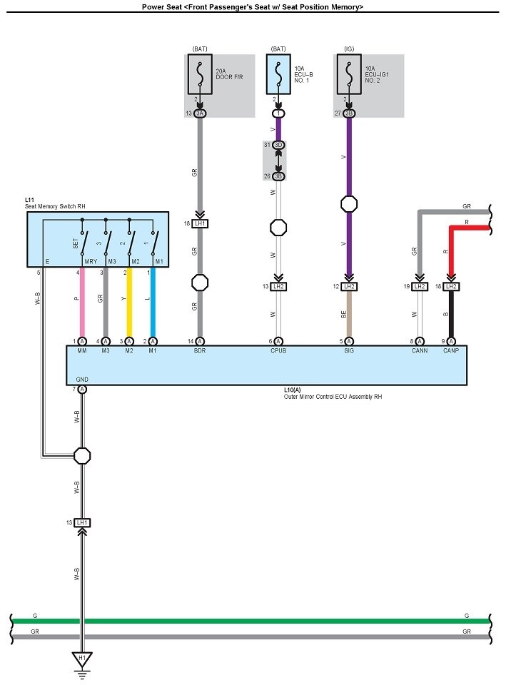
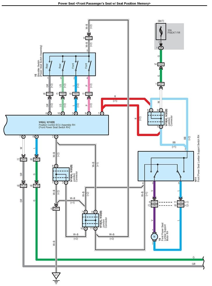
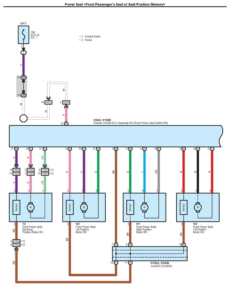
And these are for the passenger front seat with memory.
Was this
answer
helpful?
Yes
No
+1
Wednesday, February 5th, 2020 AT 1:29 PM
Tiny
BOBM65
  • MEMBER
  • 1 POST
None of these show the pin outs for the ac amplifier assembly. I have these same docs. None of them tell me what each pin on the ac amplifier assembly does. That’s what I’m looking for.
Was this
answer
helpful?
Yes
No
Thursday, February 6th, 2020 AT 10:40 AM
Tiny
CARADIODOC
  • MECHANIC
  • 34,468 POSTS
There's no list that shows the wire colors and functions. You'll have to find the wires on the diagrams along with the terminal numbers.

If you find these too hard to read, as I do, right click a diagram, click "Copy", then "paste" it into an MS Word typing program. There you can expand it as necessary.
Was this
answer
helpful?
Yes
No
+2
Thursday, February 6th, 2020 AT 1:44 PM
Tiny
JIS001
  • MECHANIC
  • 3,412 POSTS
Why are you putting Lexus seats on your vehicle? Every vehicle is configured differently to just be able to pull a diagram out and say this pin is this and this pin is that? A Toyota A/C amplifier will be way different to a Lexus A/C amplifier.

Also does the passenger seat have occupant weight? You have power seats and if you do is there memory seats? Trust me on this. Toyota makes there wiring diagrams complex that even the Bureau of Automotive Repair can't read. I brought it up in class and there answer was there vehicles do not break down like other manufacturers. And also trust me on this. There wiring diagrams are not always accurate. They will post a new bulletin on what wire is what.
Was this
answer
helpful?
Yes
No
Sunday, February 9th, 2020 AT 12:15 AM
Tiny
BOBM65
  • MEMBER
  • 1 POST
Unfortunately no, I have all those docs. I need to know what color wires on the main seat harness do. It doesn’t answer the question.
Was this
answer
helpful?
Yes
No
Sunday, February 9th, 2020 AT 11:37 AM
Tiny
CARADIODOC
  • MECHANIC
  • 34,468 POSTS
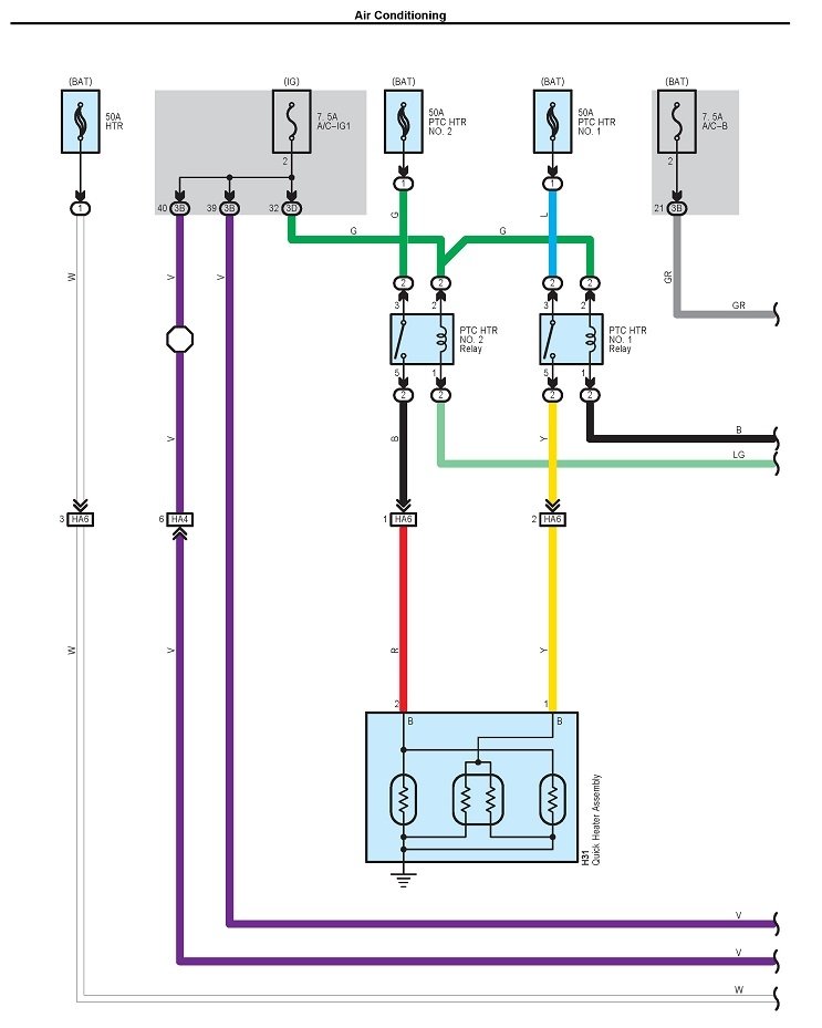
As I said, there is no list of wire colors like there is with Chrysler diagrams. That's why I went through all the trouble of configuring these diagrams so they could be posted. You have to expand these diagrams, then look at the written designations next to each wire and hope you know what each one stands for. The list of wire and terminal functions doesn't exist, otherwise I would have posted them.

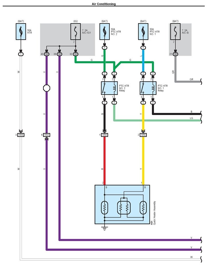
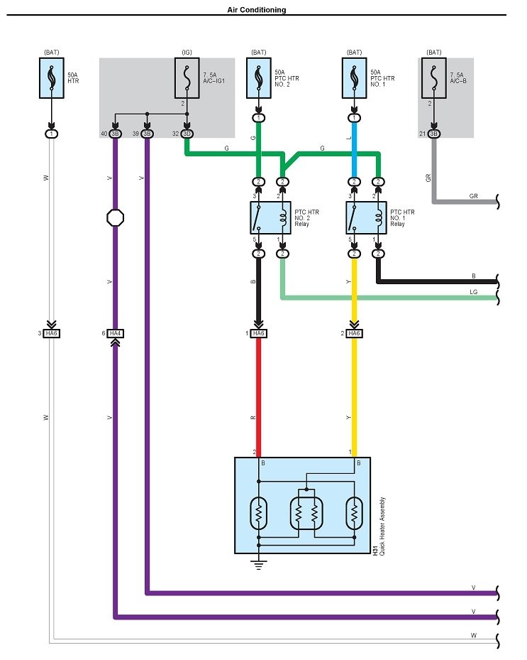
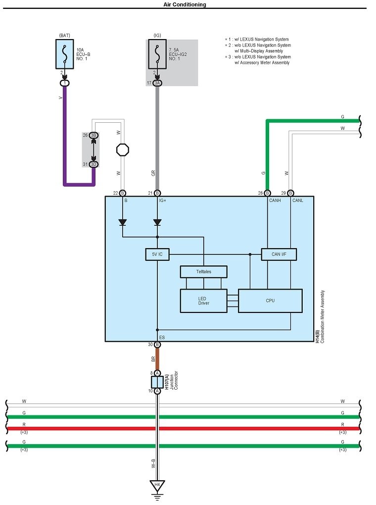
Here's a sample of a diagram I expanded, but if you already have these diagrams, you have the information you're asking about. If you don't know what a wire's listing means, you have to follow it to see where it goes or what it does. For example, in this one, the first wire is designated "B". That indicates it's a 12-volt power source, and if you follow it back, you'll see it goes to a fuse. This goes back to the turn of the last century when "portable" radios used three batteries to run the tubes. They called them the "A" battery, the "B" battery, and the "C" battery. The A and C batteries were relatively low voltage. The main one for supplying the high voltage tubes needed was the "B" battery, and ever since, we call the power supplies the "B plus". You'll often see "B+" on diagrams.
Was this
answer
helpful?
Yes
No
Sunday, February 9th, 2020 AT 4:06 PM
Tiny
AFROTIMY
  • MEMBER
  • 7 POSTS
Please, I need pinout diagram for 2004 Corolla Verso A/C Amplifier 20 pins and 24 pins connector.
Was this
answer
helpful?
Yes
No
Tuesday, February 1st, 2022 AT 12:47 PM
Tiny
CARADIODOC
  • MECHANIC
  • 34,468 POSTS
You need to start a new question specific to your vehicle. Unlike on other sites where anyone can chime in to confuse the issue, once I posted my first reply, this became a private conversation between just a few people. As such, none of the other experts are going to see your addition or have the chance to reply. That usually won't get you the help you need.

Here's where to go to post your question:

https://www.2carpros.com/questions/new

To speed things along, please be sure to list the engine size and transmission type. For what you're looking for, also be sure to list what your car has for optional equipment. That will help your expert select the right diagrams and information the first time.

Also, when you post a question for your model, it will show up later in the index where others with the same model can find it during their research.

To add to the misery, I don't see a "Versa" listed in my service information. I do see a Corolla with a 1.8L engine, but there's no reference to an AC amplifier. I only have access to information for U.S. models. If you're in another country, we have experts all over who may be able to help. That's another reason to start your own question. Thank you for visiting 2carpros.
Was this
answer
helpful?
Yes
No
Tuesday, February 1st, 2022 AT 5:17 PM

Please login or register to post a reply.