Need to replace my starter

Tiny
JAMES YEOMANS
  • MEMBER
  • 2007 CADILLAC SRX
  • 3.6L
  • V6
  • 2WD
  • AUTOMATIC
  • 160,000 MILES
I don't know where it's located or best way to get to it. Everyone is saying it's under the intake manifold. Can someone help me?
Wednesday, March 18th, 2020 AT 4:36 AM

3 Replies

Tiny
ASEMASTER6371
  • MECHANIC
  • 52,796 POSTS
Good morning,

No, it is under the car. I attached pictures and the procedure for you to view for the replacement.

It is very tight where it is located. You will need small hands for this procedure. I have done many of these and it is tight to access.

Roy

Starter Motor Replacement (LY7)

Removal Procedure

1. Turn the ignition OFF.
2. Disconnect the battery negative cable.

ImageOpen In New TabZoom/Print

3. Remove the starter solenoid electrical connector from the starter.

ImageOpen In New TabZoom/Print

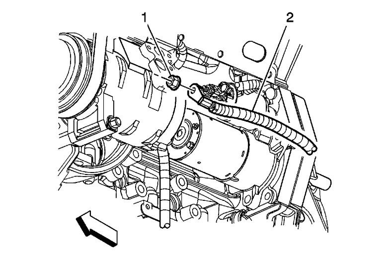
4. Remove the starter terminal nut (1) and the battery positive cable (2) from the starter.

ImageOpen In New TabZoom/Print

5. Remove the starter motor bolts.
6. Remove the starter motor.
Was this
answer
helpful?
Yes
No
Wednesday, March 18th, 2020 AT 4:58 AM
Tiny
JAMES YEOMANS
  • MEMBER
  • 4 POSTS
I have another question for you. First I want to say thank you so much I got my car running and what you said was right. I'm having a issue though every time I put gas in my vehicle it don't want to start. It just continues to turn over. Looking it up it says the purge valve but I don't know and I don't know where that is either. Any ideas and can you help me out?
Was this
answer
helpful?
Yes
No
+1
Monday, March 23rd, 2020 AT 11:09 AM
Tiny
KEN L
  • MASTER CERTIFIED MECHANIC
  • 55,266 POSTS
We are glad we got the starter part fixed for you. Please post your new question here, you must be logged in.

https://www.2carpros.com/questions/new

Cheers, Ken
Was this
answer
helpful?
Yes
No
Monday, March 23rd, 2020 AT 11:10 AM

Please login or register to post a reply.