Where is the ABS fuse located?

Tiny
EJAMAL95
  • MEMBER
  • 2006 FORD EXPLORER
  • 4.6L
  • V8
  • 2WD
  • AUTOMATIC
  • 200,000 MILES
My car sometimes won’t drive at all and other just hear a noise took it to a shop they didn’t do ABS work but said that’s the problem and the brakes and engaging themselves.
Wednesday, June 14th, 2023 AT 12:28 PM

1 Reply

Tiny
JACOBANDNICKOLAS
  • MECHANIC
  • 110,192 POSTS
Hi,

When you hear the noise, does the brake pedal seem much stiffer or do you feel any vibration through the pedal?

I ask because I'm not sure how the ABS would turn itself on. If it is actuating, something such as a wheel speed sensor is failing and causing it.

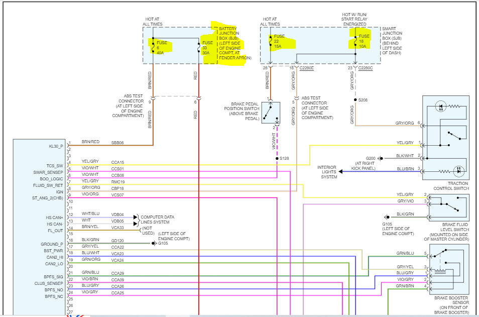
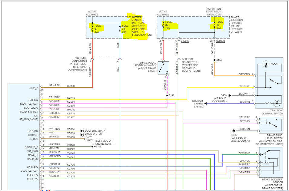
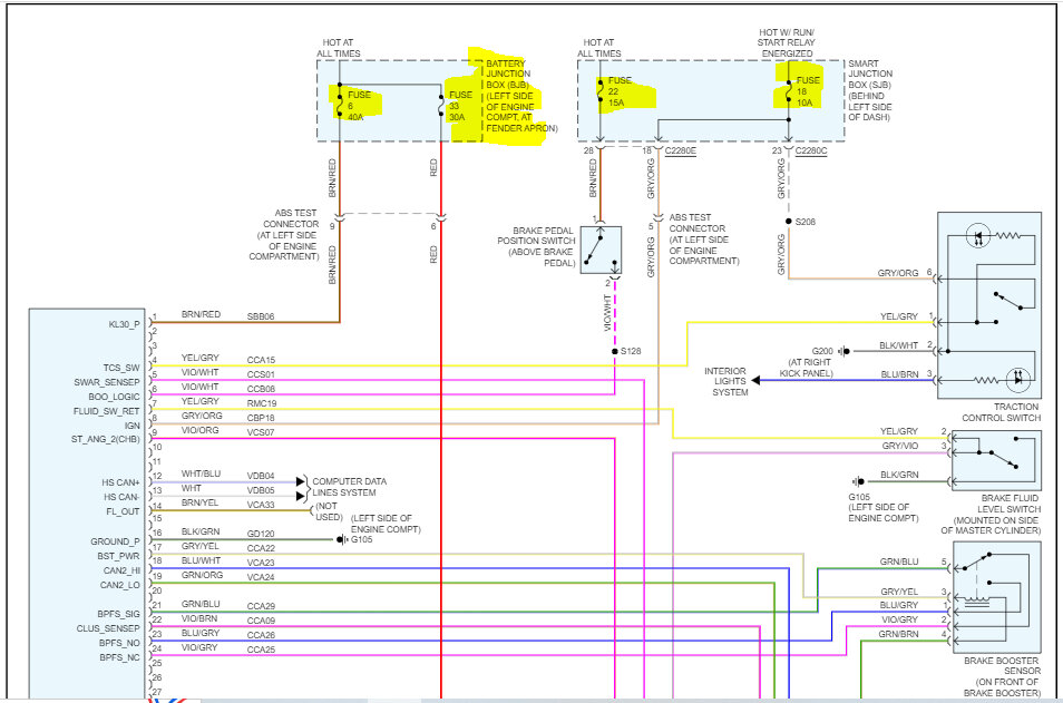
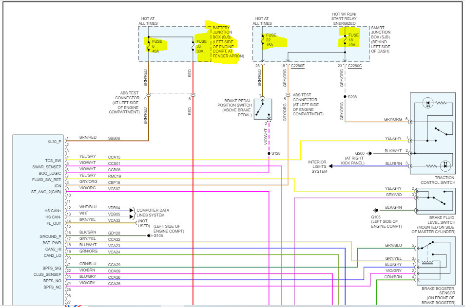
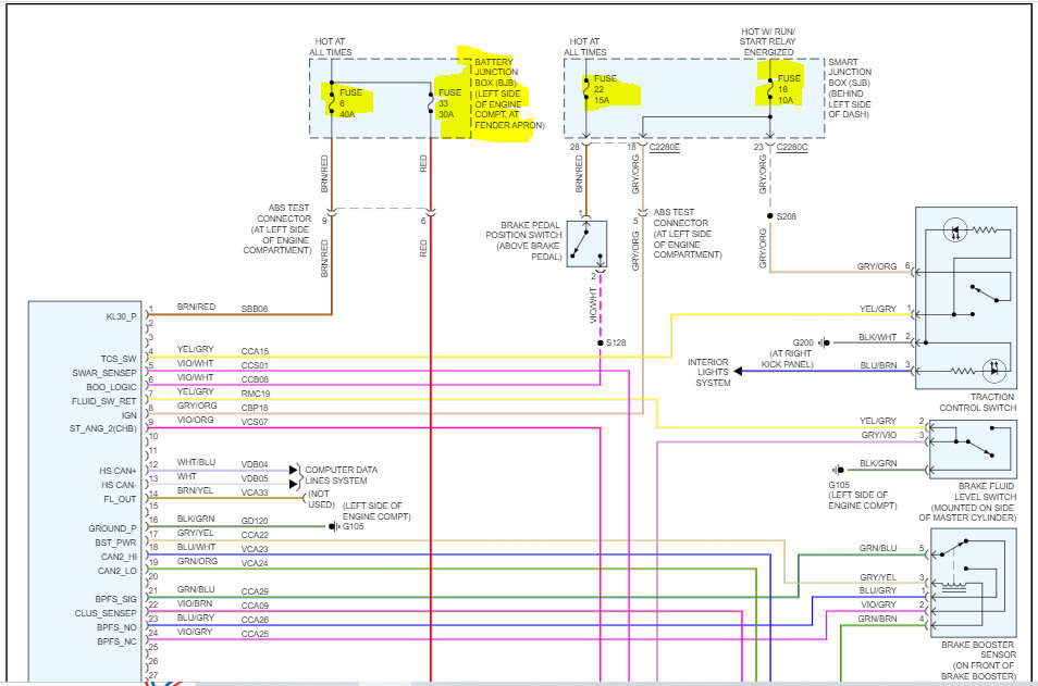
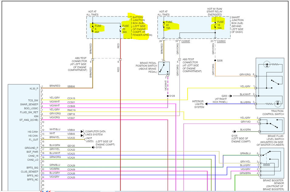
I attached the wiring schematic below for the ABS/Traction control so that you have a reference. I highlighted 4 fuses that are related to the ABS control module.

Let me know if that helps or if you have questions.

Take care,

joe

See pics below. Note: I had to cut the schematic in two to make it readable for you. I did overlap the two so you can follow from one to the next.
Was this
answer
helpful?
Yes
No
Wednesday, June 14th, 2023 AT 11:26 PM

Please login or register to post a reply.