What is the Bolt size for battery tray?

Tiny
SAVEURBUCKS
  • MEMBER
  • 2004 ACURA MDX
  • 200,000 MILES
I hear rattling noise while driving the car. I see that one bolt on the battery tray is missing. I tried M8-1.25 and M8-1.0 bolts. It seems to be the right size. But it does not go in. See pics attached. Since I couldn't find the right bolt, I have it tied with a zip tie.
Sunday, July 16th, 2023 AT 12:29 PM

1 Reply

Tiny
BRENDON S
  • MECHANIC
  • 653 POSTS
Hello SAVEURBUCKS,

It looks like from the photo the hole is an oval. Maybe the bolt head broke off? M8 seems a little small.

Have you removed the tray completely to see what is underneath that area? If not, I would take out the whole tray and see if it was a thicker bolt that broke. If you do see if you can take a couple more photos of what the bolt would go into and send them to me.

I have added a picture, it looks like the right area to me. Take a look and see if it is. If it has broken off, you will need to drill it out and use a tap to put new threads in it.

I have added a video, tools and links to help you do this if you need to.

Here is a good video that will show you how to drill and tap a broken bolt:
https://youtu.be/YDt5OUIZTs0

I suggest using some oil or PB Blaster periodically as you are drilling to lube the drill bit and drill slowly. This will keep the bit from getting hot and dull which will break the drill bit. If it breaks, you will not be able to drill out the old drill bit because it is hardened steel, so take it slow.

You will also need a tap and die set. Here is one I found as an example. I am not affiliated with this seller and have not bought anything from them.
https://www.amazon.com/Tungsten-Titanium-Combination-External-Internal/dp/B08KSSHZXP/ref=asc_df_B08KSSHZXP/?tag=hyprod-20&linkCode=df0&hvadid=475689981997&hvpos=&hvnetw=g&hvrand=1385879495243537886&hvpone=&hvptwo=&hvqmt=&hvdev=c&hvdvcmdl=&hvlocint=&hvlocphy=9005097&hvtargid=pla-1007633314955&psc=1

Drill bits you can get a decent set from Lowes or other hardware store, just make sure they are for metal. Here is a link from Harbour Freight:
https://www.harborfreight.com/black-oxide-drill-bit-set-21-piece-64894.html?utm_source=google&utm_medium=cpc&utm_campaign=12126402660&campaignid=12126402660&utm_content=118355038073&adsetid=118355038073&product=64894&store=639&gclid=EAIaIQobChMIsrjo7IuWgAMVu-zjBx0hAwRGEAQYASABEgKEEfD_BwE

Here is a link to the drill I use, just as an example. I have had it for years and it works great. I got mine from Lowes though. I don't know this Amazon seller either.
https://www.amazon.com/PORTER-CABLE-PCCK607LB-Brushless-Cordless-Driver/dp/B01KBWE7OG/ref=asc_df_B01KBWE7OG/?tag=hyprod-20&linkCode=df0&hvadid=309869401414&hvpos=&hvnetw=g&hvrand=2220297261073525544&hvpone=&hvptwo=&hvqmt=&hvdev=c&hvdvcmdl=&hvlocint=&hvlocphy=9005097&hvtargid=pla-556643925536&psc=1&tag=&ref=&adgrpid=63364097444&hvpone=&hvptwo=&hvadid=309869401414&hvpos=&hvnetw=g&hvrand=2220297261073525544&hvqmt=&hvdev=c&hvdvcmdl=&hvlocint=&hvlocphy=9005097&hvtargid=pla-556643925536

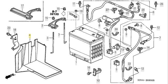
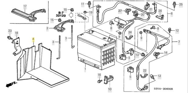
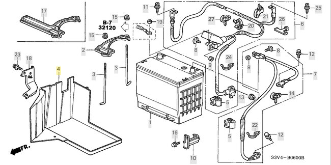
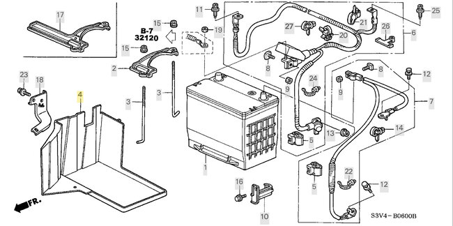
I have also added a picture from the Honda catalog of the battery area. I don't see a bolt in that area, but this image is a little different than what the dealer has. So, you could take this image with your VIN and see if they have a better image. They might have the bolt in stock.

Hope this helps. Let me know if I can provide any additional information.

Thank you,
Brendon
Was this
answer
helpful?
Yes
No
Monday, July 17th, 2023 AT 9:06 AM

Please login or register to post a reply.