Under-hood harness wiring diagram needed

Tiny
DOUBLET1981011
  • MEMBER
  • 1988 MAZDA B2200
  • 2.2L
  • 4 CYL
  • 2WD
  • MANUAL
  • 125,000 MILES
I need a wiring diagram for the underwood harness bought an online manual but it doesn't show what I need.
Friday, February 25th, 2022 AT 1:21 PM

1 Reply

Tiny
JACOBANDNICKOLAS
  • MECHANIC
  • 110,192 POSTS
Hi,

I just looked up schematics for this vehicle, and because of the model year, they are very limited. Also, I'm not sure specifically what you need.

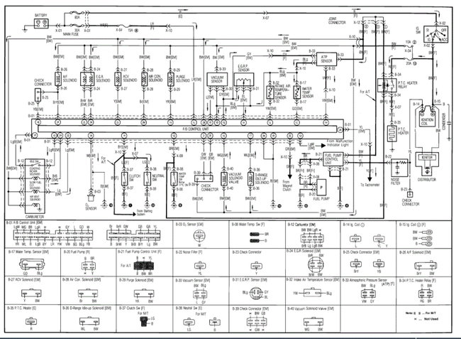
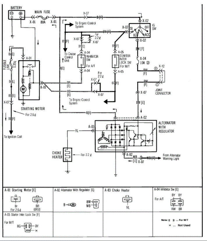
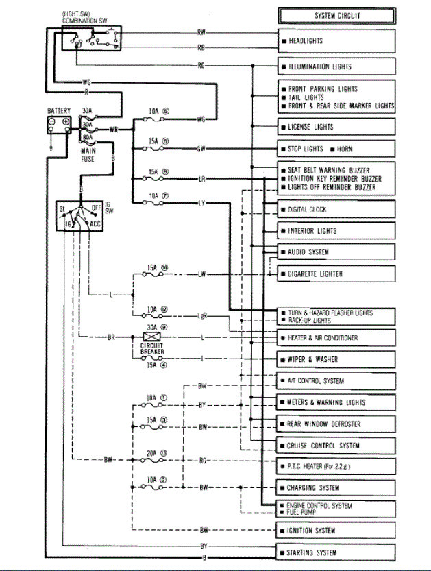
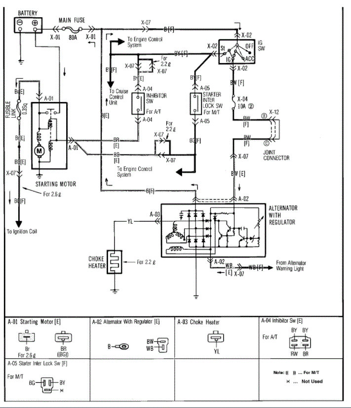
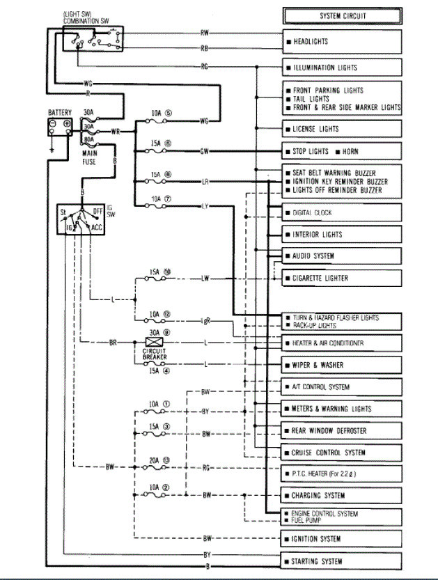
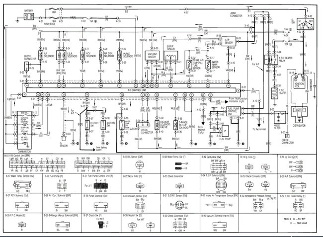
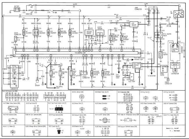
If you look below, pic 1 shows the OEM wiring schematic for the powertrain management. Pic 2 is the starting/charging system. Pic 3 is the schematic for the power distribution.

Let me know if any of these help. If they don't, let me know what specifically you need schematics for.

Take care and I'll watch for your reply.

Joe

See pics below.
Was this
answer
helpful?
Yes
No
Friday, February 25th, 2022 AT 8:33 PM

Please login or register to post a reply.

Related General Content