Engine does not crank?

Tiny
MOO2CAR
  • MEMBER
  • 2002 LINCOLN NAVIGATOR
  • 5.7L
  • V8
  • 2WD
  • AUTOMATIC
  • 175,000 MILES
I had returned from an outing and parked my car on my driveway. About four hours later, I tried to go some other place. On trying to start the car, it did not crank or turn over. It just made a crackle sound.

I measured the voltage on the battery, and it was 12.6V, so I figured it wasn't because of the battery. When I asked around, I was told it could be the starter or the fuses or relays that control the starter.

Could you tell me where to find the fuses and relays that control my vehicle listed above? Also, how do I test to see if they are working before concluding it's the starter's fault?
Tuesday, November 29th, 2022 AT 8:57 PM

12 Replies

Tiny
JACOBANDNICKOLAS
  • MECHANIC
  • 110,192 POSTS
Hi,

Does it make any difference if you try starting it in neutral?

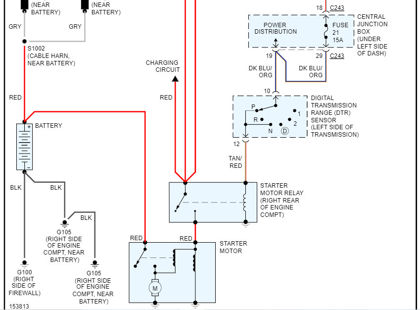
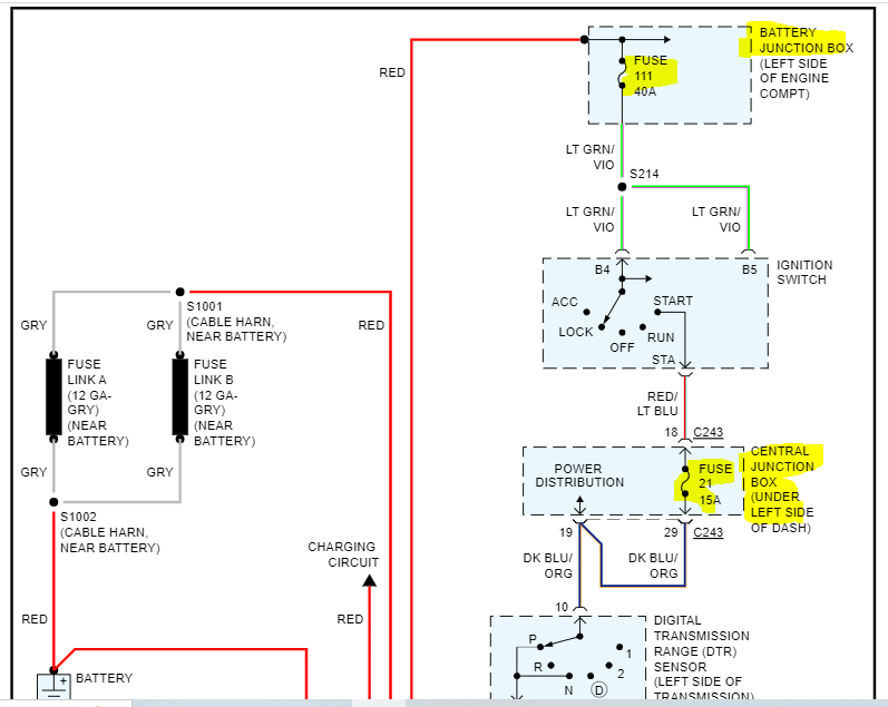
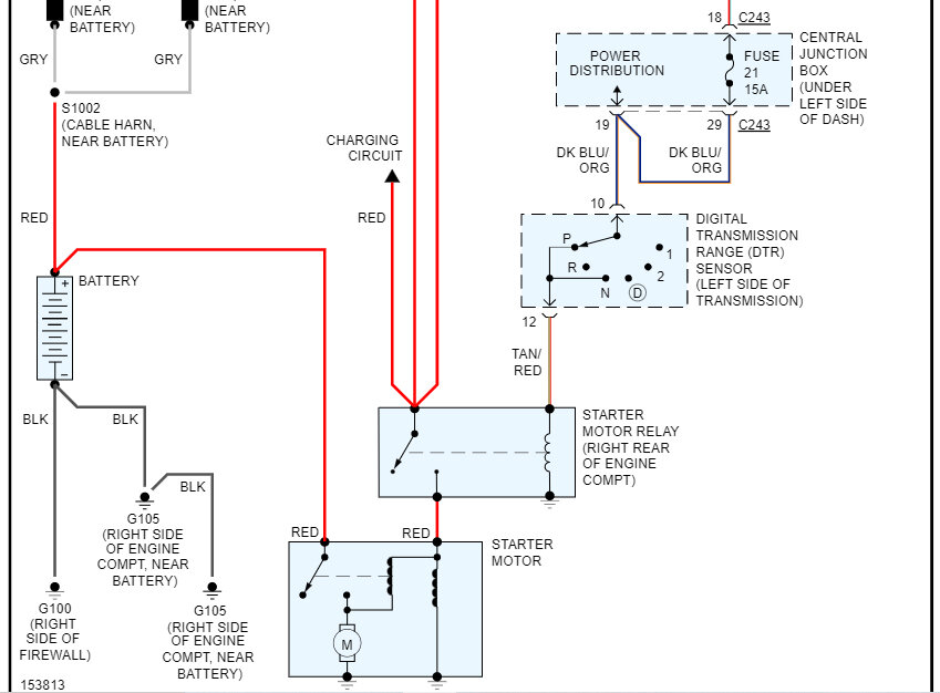
As far as the fuses and the starter solenoid relay are concerned, I attached info below in the wiring schematic. Take a look. I highlighted the fuses and their locations.

The last pic shows the solenoid/relay, which is under the hood, right rear of the engine compartment.

Let me know if this helps. Also, let me know if you are hearing anything now.

Also, here is a link you may find helpful:

https://www.2carpros.com/articles/starter-not-working-repair

Take care,

Joe

See pics below.
Was this
answer
helpful?
Yes
No
+1
Wednesday, November 30th, 2022 AT 9:11 PM
Tiny
MOO2CAR
  • MEMBER
  • 59 POSTS
Thank you so much for your reply. I tried starting it in neutral but there was no sound. I have checked fuse 21 from the Central junction box and fuse 101 from the battery junction box under the hood, and they are both good, in that I established continuity in both.

I include below two audio files of the sound the car made when I tried to start it in Park. The first one is the recording that I made inside the car. The send one is the sound I recorded by the open hood when my son tried to start it in Park. They do make some sounds. Is it possible from this whether the starter solenoid switch is good or not?
* (I was not able to upload the audio files which are in the form of mp4 files. It just kept trying to load. I will try to upload these two files later).

After trying to crank it, I then checked the battery posts. This is when I discovered something that I thought could be the problem. The first one shows the positive and negative battery posts. In this picture, it can be seen that there is a crack in the negative battery terminal connector. Could this be the cause of the problem. The second picture is that of the negative terminal connector alone. I inserted a toothpick in the crack just to provide a feel for the thickness of the crack. I don't know if the crack goes the whole length of the connector or not. I intend to go and buy a new connector in the next day or two to see if this fixes the problem.

The last picture is what I think is the starter solenoid/relay. It is attached to the firewall on the passenger side of the car. Is this correct, and could this be what is faulty?
Was this
answer
helpful?
Yes
No
Sunday, December 4th, 2022 AT 5:56 PM
Tiny
MOO2CAR
  • MEMBER
  • 59 POSTS
The MP4 files were from recordings on my iPhone. Windows media player and RealPlayer and VLC media player can play them. Somehow, I am unable to upload them onto your site. Any advice on how to do this?
Was this
answer
helpful?
Yes
No
Sunday, December 4th, 2022 AT 6:40 PM
Tiny
JACOBANDNICKOLAS
  • MECHANIC
  • 110,192 POSTS
Hi,

Yes, the terminal can cause it. If it isn't tight enough, it will lose contact when a heavy load is placed on it.

Also, yes that is the solenoid.

Let me know if the terminal fixed the problem.

Take care,

joe
Was this
answer
helpful?
Yes
No
Sunday, December 4th, 2022 AT 9:52 PM
Tiny
MOO2CAR
  • MEMBER
  • 59 POSTS
Hi,

Sorry for the delayed reply, I have been out for a few days. Before fixing the terminal, I tried to start the car in neutral, and surprisingly, it started. Then, I fixed the terminal with a new connector. It started and felt a bit easier to start with the new connector. I drove it around for a few hours that day. Then, the next day, I drove it to the airport and parked it there for two days in the parking garage while I travelled. I was a bit apprehensive on coming back, but it started with no effort.
On coming back home, I parked it on the driveway and two days later, I tried to start it but it wouldn't start and just made the same crackling noise. I checked under the hood, and found out that the connector that I had just fixed was lose. I don't know why, since it was tight after I had fixed it. I then tightened it and then it started. My only guess may be that the cold outside might have caused differential shrinking between the post and connector to make it lose. Just speculating here. Now I have decided to carry a half-inch wrench in my car in case it does the same thing while I am away from the house.
Thanks for your help.
Any ideas on how to upload mp4 files onto your site?
Was this
answer
helpful?
Yes
No
Sunday, December 11th, 2022 AT 9:53 PM
Tiny
JACOBANDNICKOLAS
  • MECHANIC
  • 110,192 POSTS
Hi,

As far as the terminal coming loose again, that is an odd one. As you said, cold temperatures cause the metal to contract, but I have never seen that as an issue on a battery.

Make sure the terminal is fully seated and tight. Let's see if it happens again.

As far as the mp4, there is an upload file link at the bottom of the question text form. You should be able to click that to upload a file.

Let me know.

Take care,

Joe
Was this
answer
helpful?
Yes
No
Monday, December 12th, 2022 AT 6:46 PM
Tiny
MOO2CAR
  • MEMBER
  • 59 POSTS
Hi,

I thought I had fixed it the last time as I had reported. However, two days after leaving it on the driveway, it wouldn't start and made the same crackling noise as before. This was more concerning as I was going on vacation the next day. So, I left it on my driveway not working for about three weeks. I started wondering if something was wrong with the battery. My battery voltage however hovered around 12.3 and 12.4V. I then decided to bypass the starter solenoid relay by touching the negative and positive terminals on it with an insulated screwdriver while I had the ignition on, to see if the starter was the problem. The car wouldn't start but I could hear a single click from the area of the starter itself. I had noticed what seemed to be some slight corrosion on the positive cable and started suspecting if this was inhibiting electricity flow to the starter.

I then decided to jump the car to see if it would start. I did and let the other car run for about five minutes. Then I started my car and voila, it started. It seemed the voltage while charging was high enough to overcome any resistance in the wires. I later drove around a bit, then parked the car. After a while, I tried to start it, but it wouldn't start again. So, I decided that I better take more look at the cables. I then saw that the cable to the positive post of the battery was quite corroded. I measured the battery voltage from post to post, it was 12.3V. I then measured the voltage between the negative post of the battery and the end of the negative cable just before its plastic covering (see attached photo showing voltage drop), and it was 11.1V meaning there is a 1.2V drop over about one inch of negative cable that had the most corrosion. I decided to clean the cables and the battery posts with corrosion cleaner and then used a corrosion preventative. The last picture shows the terminals after cleaning. The red coloring is that of the corrosion preventative.

After this the car started much more easily. I'm keeping my fingers crossed, but it has started easily for the past two days.
Was this
answer
helpful?
Yes
No
Saturday, January 21st, 2023 AT 10:20 PM
Tiny
JACOBANDNICKOLAS
  • MECHANIC
  • 110,192 POSTS
Hi,

Thank you for the update. A long, long time ago, my first shop teacher taught me that when there is any type of electrical concern, always start at the power source, the battery. That has stuck with me for a long time.

I looked at your pics. I noticed the connectors have been replaced. Make sure everything stays tight, including where the wire connects to the replacement terminal.

I suspect this has been the issue the entire time. Corrosion can certainly cause what you experienced.

If you don't mind, let me know how it runs for the trip. I'm interested in knowing if that took care of the problem (which I think it did).

Take care and have a safe trip.

Joe
Was this
answer
helpful?
Yes
No
Saturday, January 21st, 2023 AT 11:47 PM
Tiny
MOO2CAR
  • MEMBER
  • 59 POSTS
Thank you very much for your help. Yes, the connectors have been replaced. I found these when I was trying to replace the old ones. I'll see how well the connectors stay. So far, it's been running fine for 3 days. I will update in about a week or two.
Was this
answer
helpful?
Yes
No
Monday, January 23rd, 2023 AT 9:12 PM
Tiny
JACOBANDNICKOLAS
  • MECHANIC
  • 110,192 POSTS
Hi,

Sounds good. I hope it continues.

Take care and I'll see you in a week or two.

Joe
Was this
answer
helpful?
Yes
No
Tuesday, January 24th, 2023 AT 1:05 PM
Tiny
MOO2CAR
  • MEMBER
  • 59 POSTS
Just an update. I've been driving my Navigator for almost two months after the repairs. It's still running fine. Thank you.
Was this
answer
helpful?
Yes
No
Friday, March 10th, 2023 AT 10:21 PM
Tiny
JACOBANDNICKOLAS
  • MECHANIC
  • 110,192 POSTS
Hi,

Thanks for the update. That's good news. It sounds like the issue is resolved, otherwise, the issue would have returned by now.

Take care of yourself and feel free to come back anytime in the future. You are always welcome here.

Joe
Was this
answer
helpful?
Yes
No
Friday, March 10th, 2023 AT 10:37 PM

Please login or register to post a reply.