My electronic in the car are inop.

Tiny
AJISALW
  • MEMBER
  • 2003 CHRYSLER 300
  • 3.5L
  • V6
  • AUTOMATIC
  • 164,000 MILES
The radio, mirrors, dome lights, and door locks are all inop.
Monday, July 28th, 2014 AT 2:21 AM

5 Replies

Tiny
HMAC300
  • MECHANIC
  • 48,601 POSTS
Check fuses first windows and door locks are underhood then get it scanned for codes may be the tpiim module
Was this
answer
helpful?
Yes
No
Monday, July 28th, 2014 AT 6:47 AM
Tiny
AJISALW
  • MEMBER
  • 3 POSTS
I checked all fuses none are blown and dey not under da hood dey on da inside
Was this
answer
helpful?
Yes
No
Monday, July 28th, 2014 AT 6:53 AM
Tiny
HMAC300
  • MECHANIC
  • 48,601 POSTS
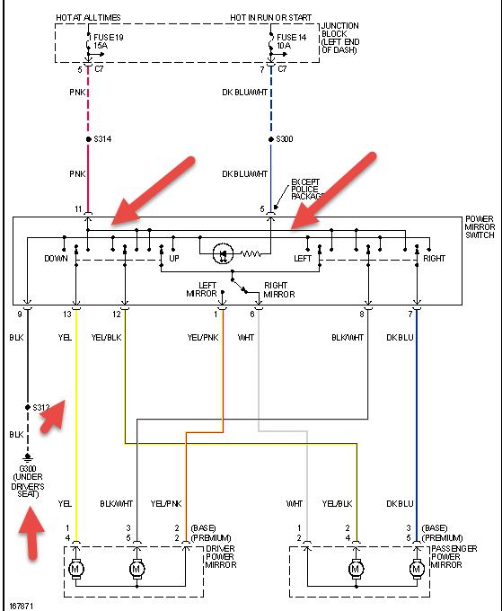
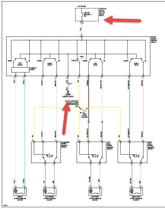
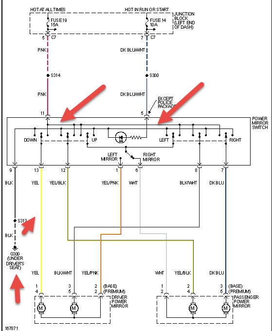
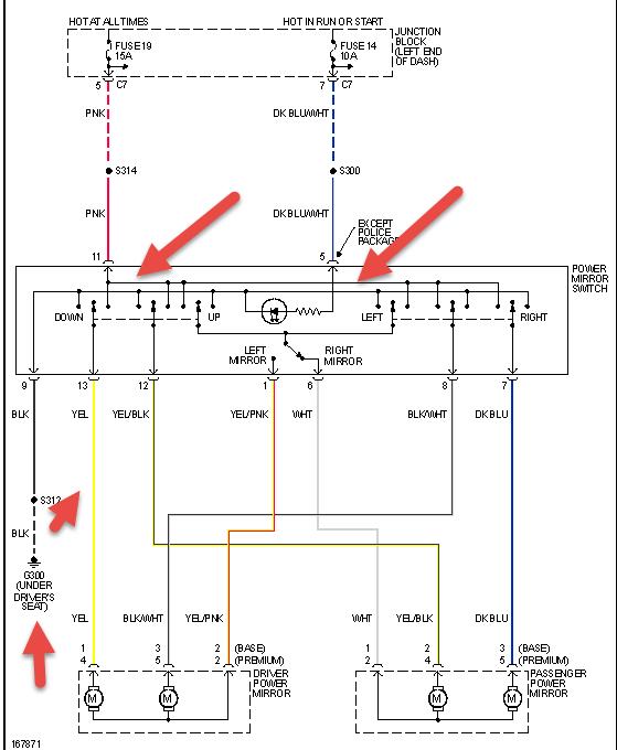
Check items in pics fuse 19 runs radio, powr mirror etc. Check circuit breaker 1 and 2 for locks and door and ground under drivers seat as it's for everything except radio and lights. Fuse 19 is also for lights and have scanned for a body module problem.
Was this
answer
helpful?
Yes
No
Monday, July 28th, 2014 AT 7:16 AM
Tiny
AJISALW
  • MEMBER
  • 3 POSTS
I just checked under the hood it don't even go by numbers its letters and da 19 fuses on da side of the driver side dash is dome lights
Was this
answer
helpful?
Yes
No
Monday, July 28th, 2014 AT 7:25 AM
Tiny
HMAC300
  • MECHANIC
  • 48,601 POSTS
Have a pro look into this as I think it's something he can find for you the circuit breakers are in the dash panel fuse box. I think you have a broken wire between door and jamb is causeing the problem unless it's a switch
Was this
answer
helpful?
Yes
No
Monday, July 28th, 2014 AT 9:32 AM

Please login or register to post a reply.