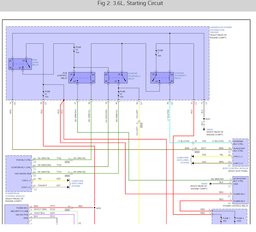
Hi, I have problem when I enter my car, I put the brake pedal and push the start button the car start but when I enter and push the button to run position without the brake and then I press brake to start won’t start go again to first position.
Also, when remote start not working like I show in video .
Attached Video for clarification .
Thank you
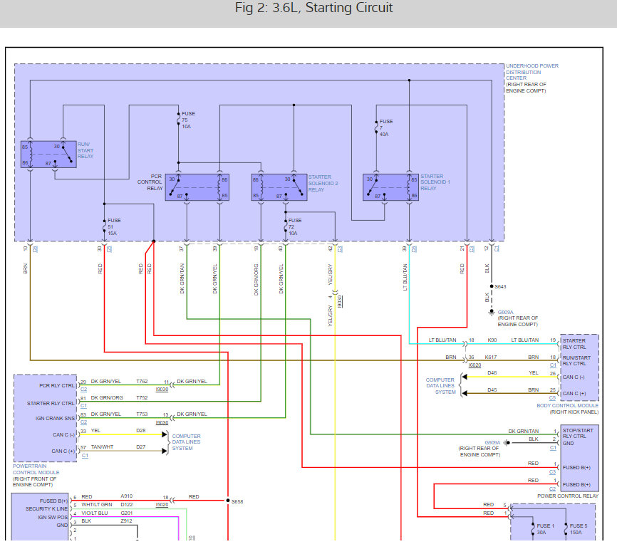
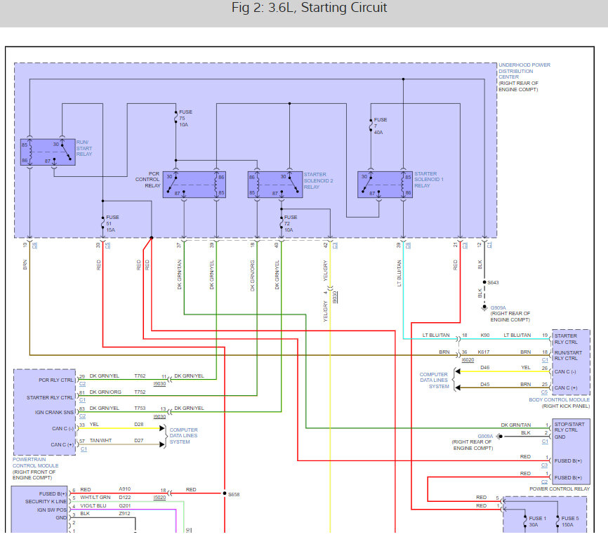
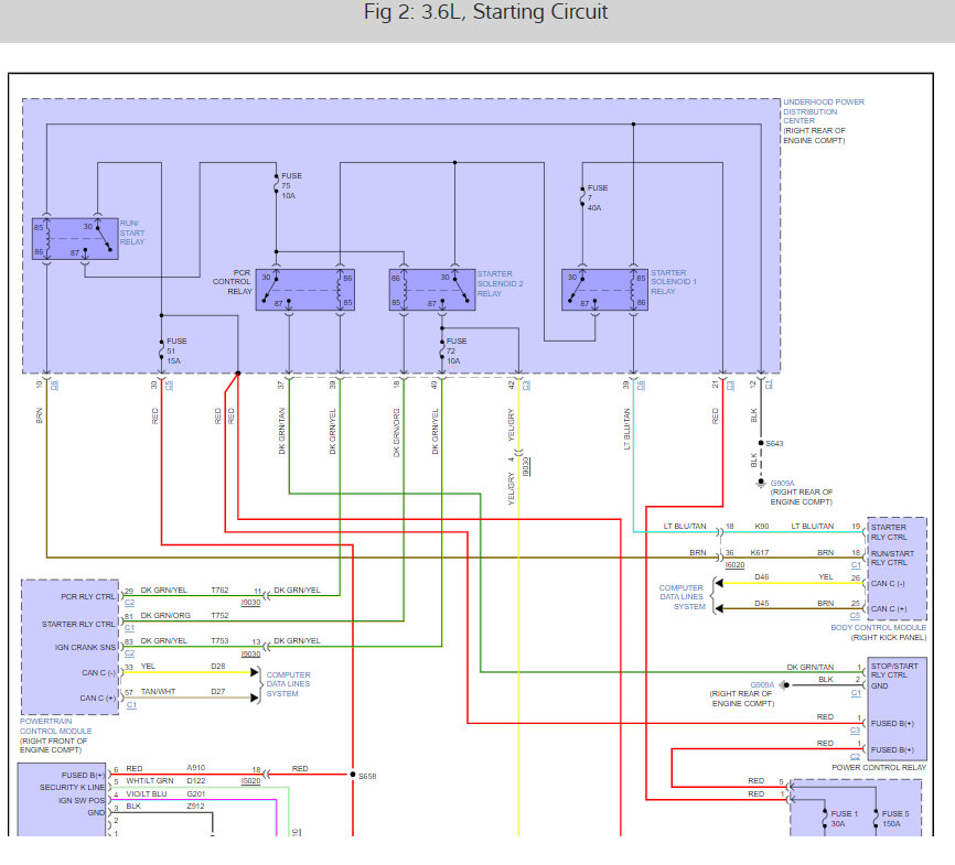
Also, when remote start not working like I show in video .
Attached Video for clarification .
Thank you
Jan 18, 2023 at 8:11 PM


