Code reader will not get data but gets power?

Tiny
GLENN_MX6
  • MEMBER
  • 2008 CHEVROLET MALIBU
  • 2.2L
  • 4 CYL
  • 2WD
  • AUTOMATIC
  • 140,000 MILES
We have tried AutoZone's reader and my cheap one and I get power to the code reader tool, but I can’t get any data.

I tried looking through the fuses under dash and under-hood but I may have missed something. Any ideas?
Friday, July 5th, 2024 AT 8:57 PM

1 Reply

Tiny
KEN L
  • MASTER CERTIFIED MECHANIC
  • 55,522 POSTS
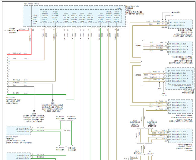
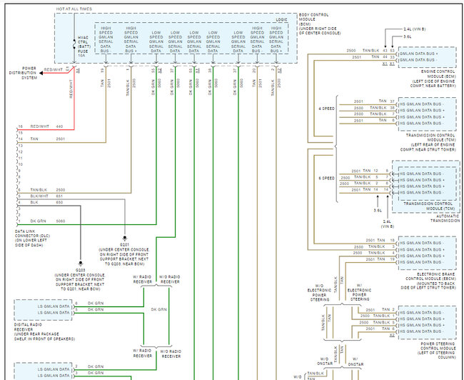
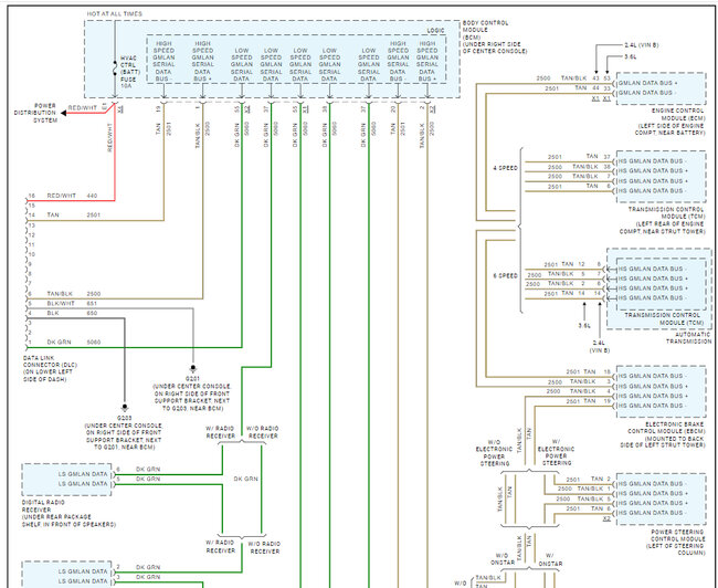
The data connector has one power lead and two grounds, I would use a test light to test for the power also check the HVAC control fuse in the fuse panel inside the car and check the data connector grounds.

Here is a guide to help with the test:

https://www.2carpros.com/articles/how-to-use-a-test-light-circuit-tester

Here are the data connector wiring diagrams so you can see how the system works. I have marked the wires you should test. Check out the images (below). Please let us know what happens.
Was this
answer
helpful?
Yes
No
Saturday, July 6th, 2024 AT 12:12 PM

Please login or register to post a reply.