Tuesday, May 18th, 2021 AT 2:28 PM
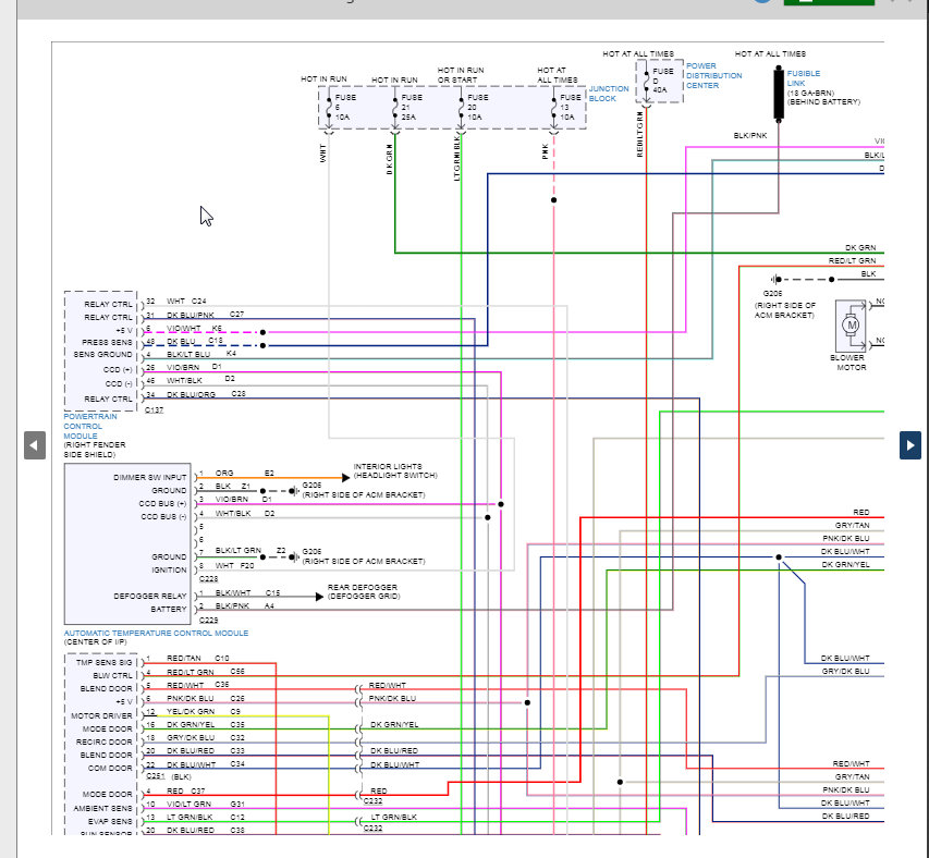
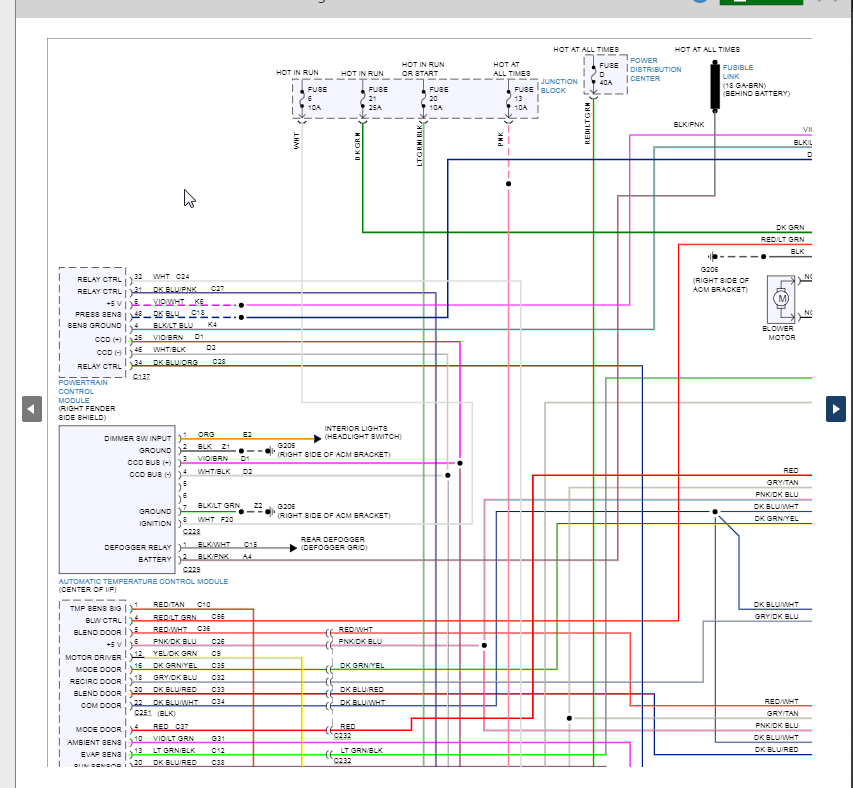
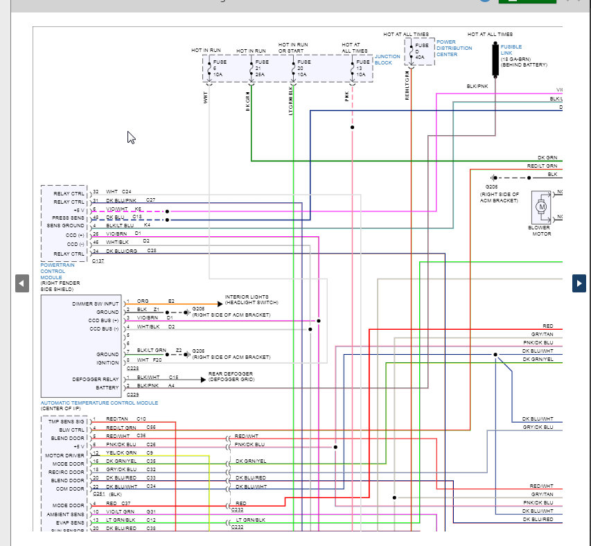
Hello there. I ran the diagnostic test on my car cause the A/C cuts in and out while driving. And will randomly turn on at times while driving. I got an error code of 24 and 36. A/C head unit. How would I go about fixing this issue?




