My 4WD light stays on

Tiny
AMYANDMATT WEIDNER
  • MEMBER
  • 2008 JEEP WRANGLER
  • 116,000 MILES
I was wheeling today and when I took my vehicle out of 4 wheel low into 2 wheel high my 4WD light stays on. What do I do?
Sunday, September 1st, 2019 AT 8:43 PM

1 Reply

Tiny
JACOBANDNICKOLAS
  • MECHANIC
  • 110,194 POSTS
Welcome to 2CarPros.

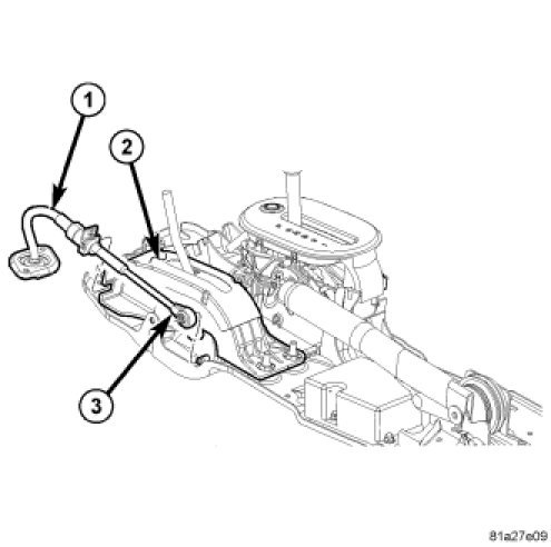
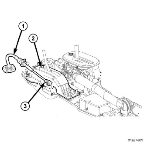
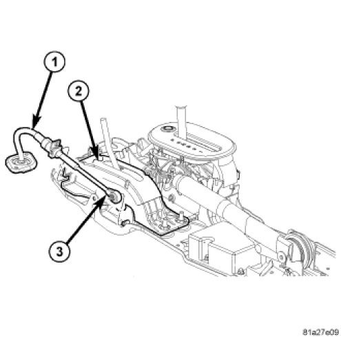
Has the transfer case shifted to 2 hi? If it hasn't and is still in 4 low, check to confirm the shift cable attached to both the shift lever in the vehicle and the transfer case is still attached and moving the shift linkage on the transfer case. You will need a helper to do this. Also, make sure the vehicle is secured before you get under it. I attached 2 pictures of the cable. (Pictures 1 and 2)

If the transfer case has shifted to 2 hi, then I suspect the wiring to the transfer case shift position sensor has failed or wiring to it or the plug has been damaged.

If you look at picture 3, I highlighted the switch I am referring to. Check it to make sure it is still connected and not damaged. If it looks good, then you will need to replace the switch.

Let me know what you find or if you have other questions.

Take care,
Joe
Was this
answer
helpful?
Yes
No
Monday, September 2nd, 2019 AT 6:26 PM

Please login or register to post a reply.