Engine turns over slow

Tiny
2232
  • MEMBER
  • 1975 MG MIDGET
  • 1.5L
  • 2WD
  • MANUAL
  • 85,000 MILES
I was going to check the timing chain. Couldn't break the crank shaft bolt loose. So I gave up. Put the motor back in the car, found out I was turning the bolt the wrong way could I have over tightened it? Because it turns over slow about 3 times and wont start. Each time I try to start it. Battery checks out good.
Tuesday, September 3rd, 2019 AT 10:18 AM

7 Replies

Tiny
SCGRANTURISMO
  • MECHANIC
  • 4,897 POSTS
Hello,

This sounds like the starter motor is dragging and either needs to have the brushes and the starter cleaned up, or the brushes replaced, or the starter motor replaced. You could also double check the wires connecting the battery to the starter. Make sure that they are clean, tight, and corrosion free. Please get back to us with what you are able to find out.

Thanks,
Alex
2CarPros
Was this
answer
helpful?
Yes
No
Tuesday, September 3rd, 2019 AT 10:38 AM
Tiny
2232
  • MEMBER
  • 4 POSTS
Thanks Alex. When I had the motor out I was going to replace the timing chain. Couldn't brake the bolt loss, so I gave up on it, put the motor back in and realized I was turning the bolt the wrong way. Its a reverse thread. Could I have over tightened it?I put in a new starter. Removed the plugs and it still spins slow! I appreciate your time and knowledge. Thank you
Was this
answer
helpful?
Yes
No
Tuesday, September 3rd, 2019 AT 12:15 PM
Tiny
2232
  • MEMBER
  • 4 POSTS
If I over tightened the crankshaft bolt, could that pinch the bearings to hard and cause the motor to turn over hard? Thanks
Was this
answer
helpful?
Yes
No
Tuesday, September 3rd, 2019 AT 4:16 PM
Tiny
2232
  • MEMBER
  • 4 POSTS
  • 1975 MG MIDGET
  • 1.5L
  • 4 CYL
  • 2WD
  • MANUAL
  • 85,000 MILES
I pulled the motor, changed the gearbox from a 4 speed to a 5 speed, while the motor was out I tried to change the timing chain. Couldn't break the crankshaft bolt loose. So I gave up on it and put the motor and new transmission back in. Went to start it and it turns over hard and slow. Put in a new starter and battery, still slow. I then pulled the plugs, it still turns slow. Transmission spins free in neutral. Doesn't appear to be pinched. If I over tightened the crankshaft pulley bolt, could that squeeze the crankshaft bearings and make it hard to turn over? Thank you
Was this
answer
helpful?
Yes
No
Tuesday, September 3rd, 2019 AT 5:38 PM (Merged)
Tiny
SCGRANTURISMO
  • MECHANIC
  • 4,897 POSTS
Hello again,

I don't think you could have over tightened the crankshaft pulley bolt causing binding of the crankshaft. According to the description in the diagrams down below, the crankshafts end play is taken up during installation with thrust washers, so there shouldn't be any end play to begin with. Also, most crankshaft pulley bolts are torqued down in multiple stages with high torque values to ensure the bolt doesn't back off, so I just don't think that is the case. If the main bearing caps were over-tightened, this would cause engine drag, along with bearing failure, as would the connecting rod bearings being overly tight, although, getting the connecting rod bearing bolts properly torqued down with sufficient lubrication on the bolts is the most important thing for engine longevity that an engine builder can do for a engine. Anyway, I would suspect a starter in need of new brushes or replaced all together as the problem.

Thanks,
Alex
2CarPros
Was this
answer
helpful?
Yes
No
Wednesday, September 4th, 2019 AT 12:52 AM
Tiny
2232
  • MEMBER
  • 4 POSTS
Thanks Alex, new starter. I initially, pulled the motor changed the 4 speed to a 5 was going to change the timing chain and couldn’t break the crankshaft bolt loss. So I gave up on it. Put the motor back in the car. Transmission spins free. Then realized I was turning the crank bolt the wrong way, it is a reverse thread. Could I have over tightened it? When I had every thing out I painted the mounting area for the starter (mistake). I went back and cleaned off the paint so the starter has good ground. Put in a new starter. Could the battery still be bad, even if the parts store says it is good? I still have a slow turn over. Everything was good before I started this. I appreciate your time and in put. Thank you Alex.
Was this
answer
helpful?
Yes
No
Thursday, September 5th, 2019 AT 10:32 AM
Tiny
SCGRANTURISMO
  • MECHANIC
  • 4,897 POSTS
Hello again,

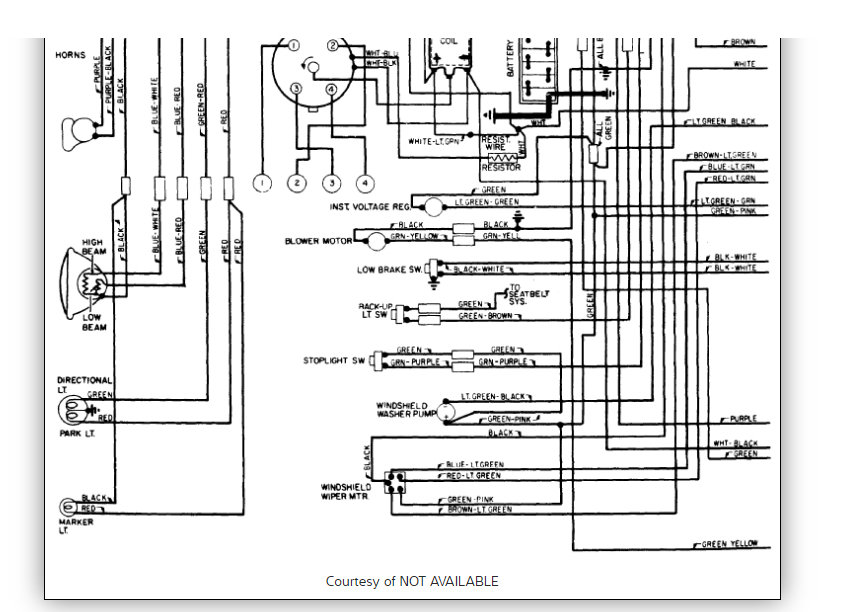
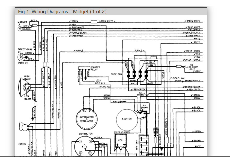
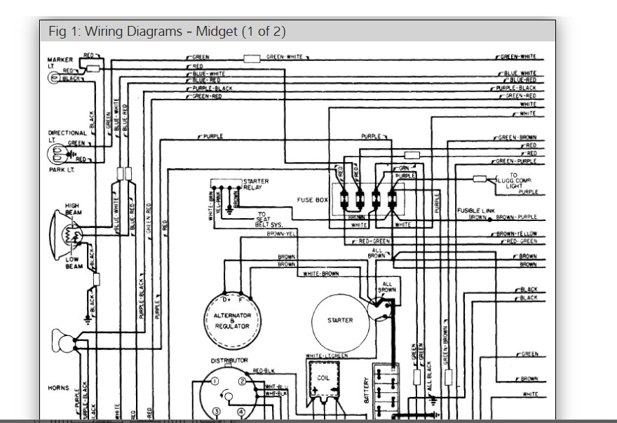
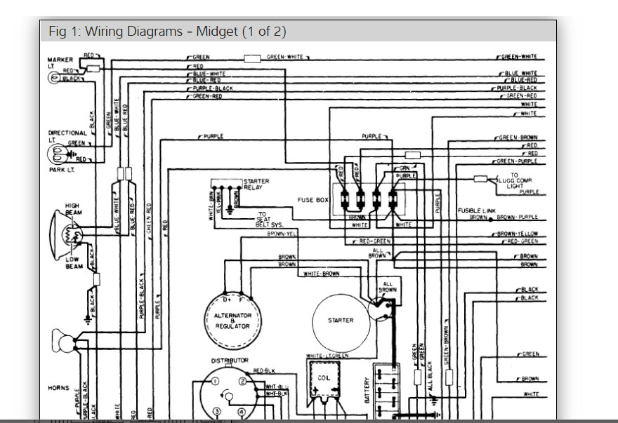
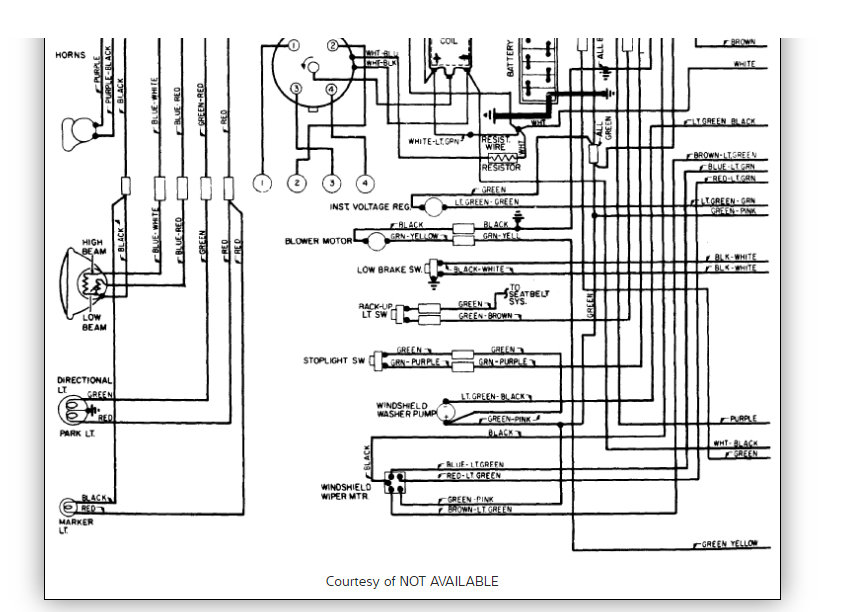
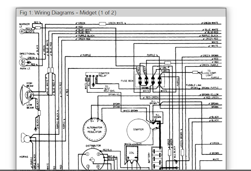
Okay, so to test the battery you can take a voltage reading across the terminals with a Digital Multi-meter (DMM). A healthy battery should return a reading of 12.6 volts. 12.45 volts is 75%, 12.3 volts is 50%, 12.15 volts is 25% charged, and 12 volts and under is technically considered dead. This, of course, is a quick test, the proper way to test is with a load on the battery, but it will give you some idea of where your battery's charge is at. In the diagrams down below I have included a wiring diagram for the starting system of your vehicle. With the help of an assistant, and some jumper extension wires, could you do a voltage drop test on the white/brown wire going from the starter to the battery. I have included a guide explaining how to do a voltage drop test in the diagrams down below for you as well. This test will give an accurate reading as to the health of this wire which supplies the starter with battery voltage. Also check the connections at the battery and starter for any corrosion, and make sure that they are clean and tight. Please go through these guides and get back to us with what you are able to find out.

Thanks,
Alex
2CarPros
Was this
answer
helpful?
Yes
No
Friday, September 6th, 2019 AT 12:08 AM

Please login or register to post a reply.