Thursday, August 27th, 2020 AT 2:06 PM
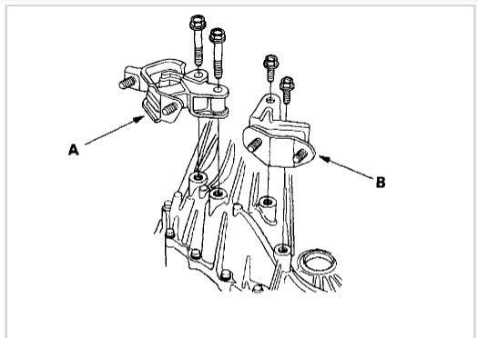
Replace the front motor mount but I saw you on a forum. How do you adjust the front motor mount? It vibrates in drive if I put it in neutral it doesn’t vibrate. Once I put it back in drive it’s vibrating the whole steering wheel on my car. I have to change the left motor mount on my passenger side and in the rear motor mount. Would that help my car or do I have to change the all motor mounts and transmission mounts?













