HOME
ASK A QUESTION
REPAIR GUIDES
BECOME A MEMBER
LOG IN
Login with Facebook
OR
Remember me
NOT A MEMBER?
FORGOT PASSWORD?
CONTACT US
PRIVACY POLICY
TERMS AND CONDITIONS
☰
Home
Mitsubishi
Eclipse
Engine
Mount
Replace/Remove
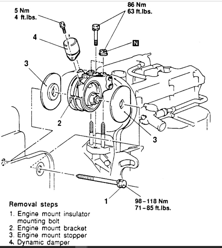
Motor mount torque specs
DDIVINE777
MEMBER
1995 MITSUBISHI ECLIPSE
4 CYL
AUTOMATIC
160,000 MILES
This car is the RS model non turbo. Replacement of motor mounts. What are the torque specs please?
Friday, August 18th, 2017 AT 9:52 AM
1 Reply
KEN L
MASTER CERTIFIED MECHANIC
54,610 POSTS
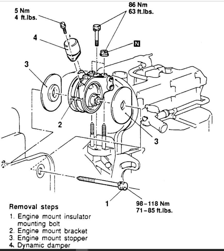
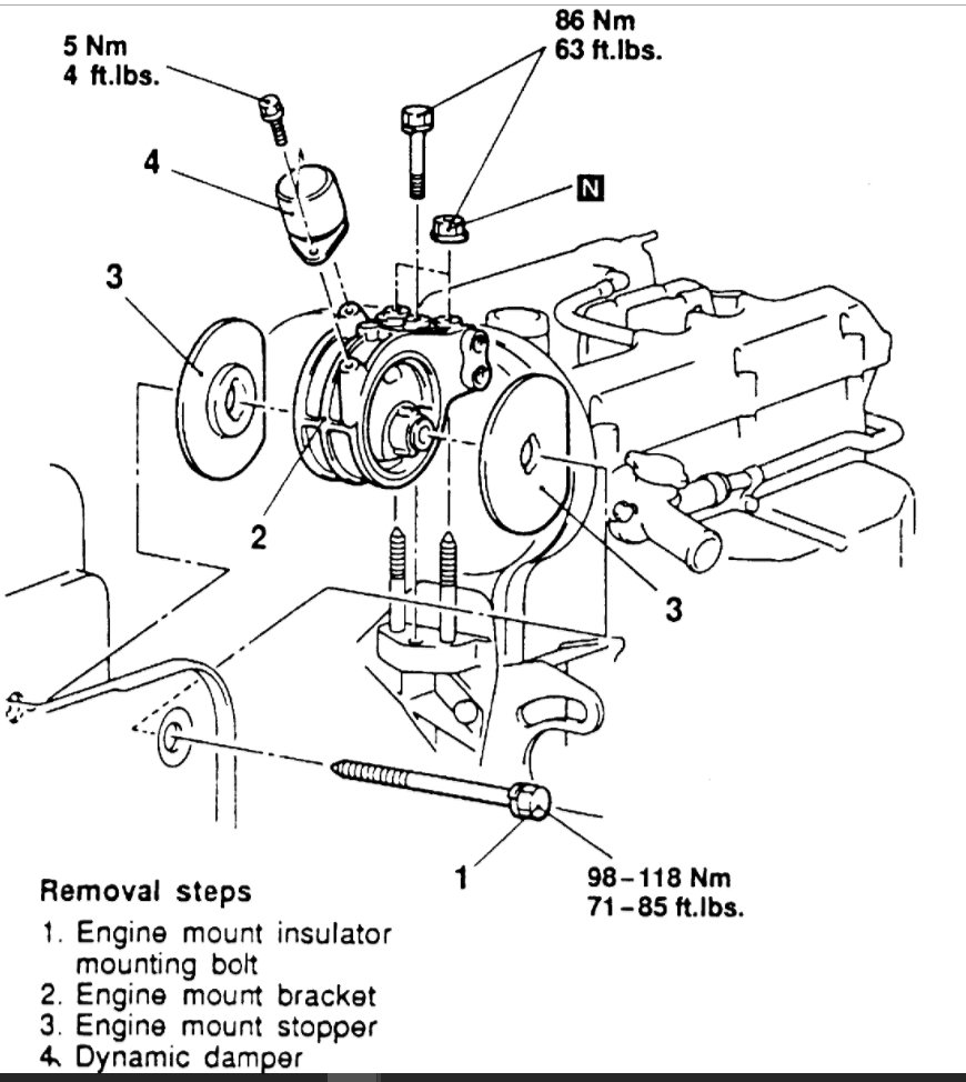
Hello,
The torque specs vary depending on the mount and which bolts you are tightening, I found these diagrams (below) for you so you can do the job right.
Please let us know if you need anything else to get the problem fixed.
Cheers, Ken
Images (Click to make bigger)
Was this
answer
helpful?
Yes
No
Friday, August 18th, 2017 AT 3:44 PM
Please
login
or
register
to post a reply.
Related Mount Replace/Remove Content
2003 Mitsubishi Eclipse I Think My Friend Is Confused...
Shakes Or Wobbles Problem 2003 Mitsubishi Eclipse My Friend, Richie, Says He Needs To Know What Size Press He Needs For Changing...
Asked by
2010mommy
·
6 ANSWERS
2003
MITSUBISHI ECLIPSE
GUIDE
Engine Mount Replacement
Engine mounts are made of durable rubber which cushions the engine vibration from the vehicle frame. These mounts hold the engine in the car and are bolted to the engine...
2000 Mitsubishi Eclipse Enigine Mounts
How Do I Replace My Top Engine Mount. The One Next To The Coolent Reservior Please Respond.I Really Need Help
Asked by
otero713
·
1 ANSWER
2000
MITSUBISHI ECLIPSE
Why Does My Car Vibrates?
I Recently Noticed A Slight Vibration On My Car, I Checked The Motor Mounts And There Was One Pretty Beat Up. After I Changed The Front...
Asked by
chavacamarena
·
1 ANSWER
2003
MITSUBISHI ECLIPSE
1995 Eclipse Timing Belt Problems
I Have Tried To Put On A Timing Belt 14 Times. It Is A 1995 Mitsubishi Eclipse With The 2.0 Non Turbo. I Due The 1/2 Notch Deal And Then Run...
Asked by
morris32
·
3 ANSWERS
2 IMAGES
1995
MITSUBISHI ECLIPSE
1995 Mitsubishi Eclipse Harmonic Balancer
What Is The Size Of The Four Small Bolts That Hold The Harmonic Balancer On?
Asked by
voncalvin
·
1 ANSWER
1995
MITSUBISHI ECLIPSE
VIEW MORE
Ask a Car Question. It's Free!
Oil Change and Filter Replacement Ford Focus
Code Read Retrieval/Clear Scion
Oil Life Reset Light Honda